Miniaturized 0.13-μm CMOS Front-End Analog for AlN PMUT Arrays
Abstract
1. Introduction
2. Front-End Analog Circuit Design
2.1. Ultrasonic Transducer
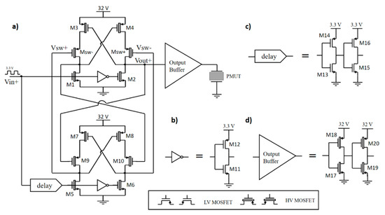
2.2. High-Voltage Transmitter
2.3. Front-End Amplifier
2.3.1. Voltage Amplifier (VA) Description
2.3.2. Charge-Sensitive Amplifier (CSA) Description
2.4. Front-End Amplifier Simulation Results
2.4.1. Transimpedance Gain and Input Impedance
2.4.2. Noise Performance and Dynamic Range
3. Electrical Characterization
3.1. High-Voltage Transmitter
3.2. Front-End Amplifiers
4. Acoustic Characterization
5. Discussion
5.1. HV Transmitter
5.2. Front-End Receiver Amplifier
6. Conclusions
Author Contributions
Acknowledgments
Conflicts of Interest
References
- Janjic, J.; Tan, M.; Daeichin, V.; Noothout, E.; Chen, C.; Chen, Z.; Chang, Z.Y.; Beurskens, R.H.S.H.; van Soest, G.; van der Steen, A.F.W.; et al. A 2D Ultrasound Transducer with Front-End ASIC and Low Cable Count for 3D Forward-Looking Intravascular Imaging: Performance and Characterization. IEEE Trans. Ultrason. Ferroelectr. Freq. Control 2018, 65, 1832–1844. [Google Scholar] [CrossRef] [PubMed]
- Kim, H.; Kim, S.; Lee, S.; Kang, B.B.; Jo, Y.; Kook, G.; Oh, C.; Kim, M.K.; Kim, H.; Lee, H.J. MEMS Transducers for Non-Invasive Ultrasound Brain Stimulation. In Proceedings of the 2019 20th International Conference on Solid-State Sensors, Actuators and Microsystems & Eurosensors XXXIII (TRANSDUCERS & EUROSENSORS XXXIII), Berlin, Germany, 23–27 June 2019; pp. 242–245. [Google Scholar]
- Tang, H.-Y.; Lu, Y.; Jiang, X.; Ng, E.J.; Tsai, J.M.; Horsley, D.A.; Boser, B.E. 3-D Ultrasonic Fingerprint Sensor-on-a-Chip. IEEE J. Solid-State Circuits 2016, 51, 2522–2533. [Google Scholar] [CrossRef]
- Przybyla, R.J.; Tang, H.-Y.; Shelton, S.E.; Horsley, D.A.; Boser, B.E. 12.1 3D Ultrasonic Gesture Recognition. In Proceedings of the 2014 IEEE International Solid-State Circuits Conference Digest of Technical Papers (ISSCC), San Francisco, CA, USA, 9–13 February 2014; pp. 210–211. [Google Scholar]
- Qiu, Y.; Gigliotti, J.V.; Wallace, M.; Griggio, F.; Demore, C.E.M.; Cochran, S.; Trolier-McKinstry, S. Piezoelectric micromachined ultrasound transducer (PMUT) arrays for integrated sensing, actuation and imaging. Sensors 2015, 15, 8020–8041. [Google Scholar] [CrossRef] [PubMed]
- Jiang, X.; Tang, H.-Y.; Lu, Y.; Ng, E.J.; Tsai, J.M.; Boser, B.E.; Horsley, D.A. Ultrasonic Fingerprint Sensor with Transmit Beamforming Based on a PMUT Array Bonded to CMOS Circuitry. IEEE Trans. Ultrason. Ferroelectr. Freq. Control 2017, 64, 1401–1408. [Google Scholar] [CrossRef] [PubMed]
- Lu, Y.; Tang, H.; Fung, S.; Wang, Q.; Tsai, J.M.; Daneman, M.; Boser, B.E.; Horsley, D.A. Ultrasonic fingerprint sensor using a piezoelectric micromachined ultrasonic transducer array integrated with complementary metal oxide semiconductor electronics. Appl. Phys. Lett. 2015, 106, 263503. [Google Scholar] [CrossRef]
- Jiang, X.; Lu, Y.; Tang, H.Y.; Tsai, J.M.; Ng, E.J.; Daneman, M.J.; Boser, B.E.; Horsley, D.A. Monolithic ultrasound fingerprint sensor. Microsyst. Nanoeng. 2017, 3, 1–8. [Google Scholar] [CrossRef] [PubMed]
- Pandian, M.S.; Ferrer, E.M.; Tay, W.S.; Madhaven, V.; Kantimahanti, A.K.; Sobreviela, G.; Uranga, A.; Barniol, N. Thin Film Piezoelectric Devices Integrated on CMOS. In Proceedings of the 2016 Symposium on Piezoelectricity, Acoustic Waves and Device Applications, SPAWDA 2016, Xi’an, China, 21–24 October 2016. [Google Scholar]
- Ledesma, E.; Zamora, I.; Torres, F.; Uranga, A.; Tzanov, V.; Bhd, S. ALN Piezoelectric Micromachined Ultrasonic Transducer Array Monolothically Fabricated on Top of Pre-Processed CMOS Substrates. In Proceedings of the 2019 20th International Conference on Solid-State Sensors, Actuators and Microsystems & Eurosensors XXXIII (TRANSDUCERS & EUROSENSORS XXXIII), Berlin, Germany, 23–27 June 2019; pp. 655–658. [Google Scholar]
- Przybyla, R.J.; Tang, H.-Y.; Guedes, A.; Shelton, S.E.; Horsley, D.A.; Boser, B.E. 3D Ultrasonic Rangefinder on a Chip. IEEE J. Solid-State Circuits 2015, 50, 320–334. [Google Scholar] [CrossRef]
- Chen, K.; Lee, H.-S.; Chandrakasan, A.P.; Sodini, C.G. Ultrasonic Imaging Transceiver Design for CMUT: A Three-Level 30-Vpp Pulse-Shaping Pulser With Improved Efficiency and a Noise-Optimized Receiver. IEEE J. Solid-State Circuits 2013, 48, 2734–2745. [Google Scholar] [CrossRef]
- Lee, J.; Lee, K.; Eovino, B.E.; Park, J.H.; Lin, L.; Yoo, H.; Yoo, J. 11.1 A 5.37mW/Channel Pitch-Matched Ultrasound ASIC with Dynamic-Bit-Shared SAR ADC and 13.2V Charge-Recycling TX in Standard CMOS for Intracardiac Echocardiography. In Proceedings of the IEEE International Solid-State Circuits Conference, San Francisco, CA, USA, 17–21 February 2019; pp. 2018–2020. [Google Scholar]
- Tang, H.-Y.; Seo, D.; Singhal, U.; Li, X.; Maharbiz, M.M.; Alon, E.; Boser, B.E. Miniaturizing Ultrasonic System for Portable Health Care and Fitness. IEEE Trans. Biomed. Circuits Syst. 2015, 9, 767–776. [Google Scholar] [CrossRef] [PubMed]
- Zamora, I.; Ledesma, E.; Uranga, A.; Barniol, N. Fully Integrated CMOS-PMUT Transceiver. In Proceedings of the 2018 25th IEEE International Conference on Electronics Circuits and Systems, Bordeaux, France, 9–12 December 2018; pp. 149–152. [Google Scholar]
- Chen, K.; Lee, H.S.; Sodini, C.G. A Column-Row-Parallel ASIC Architecture for 3-D Portable Medical Ultrasonic Imaging. IEEE J. Solid-State Circuits 2016, 51, 738–751. [Google Scholar]
- Chen, C.; Chen, Z.; Chang, Z.Y.; Pertijs, M.A.P. A Compact 0.135-mW/Channel LNA Array for Piezoelectric Ultrasound Transducers. In Proceedings of the ESSCIRC Conference 2015—41st European Solid-State Circuits Conference (ESSCIRC), Graz, Austria, 14–18 September 2015. [Google Scholar]
- Kang, E.; Ding, Q.; Shabanimotlagh, M.; Kruizinga, P.; Chang, Z.Y.; Noothout, E.; Vos, H.J.; Bosch, J.G.; Verweij, M.D.; De Jong, N.; et al. A Reconfigurable Ultrasound Transceiver ASIC with 24 × 40 Elements for 3-D Carotid Artery Imaging. IEEE J. Solid-State Circuits 2018, 53, 2065–2075. [Google Scholar] [CrossRef]
- Tang, H.; Lu, Y.; Fung, S.; Tsai, J.M.; Daneman, M.; Horsley, D.A.; Boser, B.E. Pulse-Echo Ultrasonic Fingerprint Sensor on a Chip. In Proceedings of the 2015 Transducers—2015 18th International Conference on Solid-State Sensors, Actuators and Microsystems (TRANSDUCERS), Anchorage, AK, USA, 21–25 June 2015; pp. 674–677. [Google Scholar]
- Riverola, M.; Sobreviela, G.; Torres, F.; Uranga, A.; Barniol, N. Single-resonator dual-frequency BEOL-embedded CMOS-MEMS oscillator with low-power and ultra-compact TIA core. IEEE Electron Device Lett. 2017, 38, 273–276. [Google Scholar] [CrossRef]
- Sautto, M.; Savoia, A.S.; Quaglia, F.; Caliano, G.; Mazzanti, A. A comparative analysis of CMUT receiving architectures for the design optimization of integrated transceiver front ends. IEEE Trans. Ultrason. Ferroelectr. Freq. Control 2017, 64, 826–838. [Google Scholar] [CrossRef] [PubMed]


















| MOSFETs | Aspect Ratio (W/L) (µm/µm) |
|---|---|
| M1, M2 | 20/5.75 |
| M3, M4, Msw+, Msw- | 10/4 |
| M5, M6 | 10/5.75 |
| M7, M8, M9, M10 | 4.7/4 |
| M11 | 10/1 |
| M12 | 25/1 |
| M13 | 1/4 |
| M14 | 2.5/4 |
| M15 | 1/3 |
| M16 | 2.5/3 |
| M17 | 10/4.8 |
| M18 | 25/4 |
| M19 | 20/4.8 |
| M20 | 50/4 |
| Parameter | This Work | [13] (2019) | [21] (2017) | [3] (2016) | [16] (2016) |
|---|---|---|---|---|---|
| Process technology | 0.13 μm HV CMOS | 0.18 μm CMOS | 0.18 μm HV BCD8-SOI | 0.18 μm HV CMOS | TSMC 0.18 μm HV CMOS |
| Transducer | PMUT | PMUT | CMUT | PMUT | CMUT |
| Pulsed output voltage (V) | 32 | 5/13.2 | 100 | 24 | 30 |
| Nominal operation frequency (MHz) | 3 | 5 | 10 | 14 | 5 |
| Nominal load capacitance (pF) | 1.2 | N/A | 9.2 | 2 | 2 |
| Area (mm2) | 0.013 | N/A | 0.09 1 | 0.017 1 | 0.016 |
| Rise time (ns) | 2.9 | N/A | 14 | 10.56 2 | 6.6 |
| FOMTX (mA/mm2) | 1018 | - | 730 | 267 | 568 |
| Parameter | This Work | [13] (2019) | [18] (2018) | [16] (2016) | [11] (2015) | [17] (2015) | |
|---|---|---|---|---|---|---|---|
| Topology | VA | CSA | VA | CFVA | TIA | VA | CFVA |
| Process technology | 0.13 μm HV CMOS | 0.13 μm HV CMOS | 0.18 μm CMOS | 0.18 μm HV-BCD | TSMC 0.18 μm HV CMOS | 0.18 μm HV CMOS | 0.18 μm CMOS |
| Transducer | PMUT | PMUT | PMUT | PZT | CMUT | PMUT | PZT |
| Power supply (V) | 1.5 | 1.5 | 1.5 | 1.8 | 1.8 | 1.8 | 1.8 |
| Power consumption (mW) | 0.3 | 0.3 | 0.08 | 0.79 | 1.4 | N/A | 0.135 |
| Area (10−4 mm2) | 6 | 9 | N/A | 30 1 | 280 | 310 | 60 |
| Voltage–voltage gain (dB) | 21.8 | N/A | 29/30/42/53 2 | 18 | N/A | N/A | −12/6/24 |
| Transimpedance gain (dBΩ) | 109.22 at 3 MHz | 99.57 at 3 MHz | N/A | N/A | 116/113.5 110/104 | N/A | N/A |
| Bandwidth (MHz) | 22 | N/A | 10 | 20 | 10.2/10.8 10.6/10.5 | N/A | 9.8 |
| Input current noise (pA/√Hz) | 0.08 at 3 MHz | 0.15 at 3 MHz | N/A | N/A | 0.41 @ 5 MHz | N/A | N/A |
| Input voltage noise (nV/√Hz) | 7.1 at 3 MHz | N/A | N/A | 7.9 at 5 MHz | N/A | 11 at 0.22 MHz | 5.9 at 4 MHz |
| Input dynamic range (dB) | 69 | 71 | 90 | 75 | N/A | N/A | 81 |
| FOMRX_1 (MHz/V2Aµm2) | 16674 | N/A | N/A | 949 | N/A | N/A | 6633 3 |
| FOMRX_2 (Hz/mA3µm2) | N/A | 4.1*109 | N/A | N/A | 0.09*109 3 | N/A | N/A |
© 2020 by the authors. Licensee MDPI, Basel, Switzerland. This article is an open access article distributed under the terms and conditions of the Creative Commons Attribution (CC BY) license (http://creativecommons.org/licenses/by/4.0/).
Share and Cite
Zamora, I.; Ledesma, E.; Uranga, A.; Barniol, N. Miniaturized 0.13-μm CMOS Front-End Analog for AlN PMUT Arrays. Sensors 2020, 20, 1205. https://doi.org/10.3390/s20041205
Zamora I, Ledesma E, Uranga A, Barniol N. Miniaturized 0.13-μm CMOS Front-End Analog for AlN PMUT Arrays. Sensors. 2020; 20(4):1205. https://doi.org/10.3390/s20041205
Chicago/Turabian StyleZamora, Iván, Eyglis Ledesma, Arantxa Uranga, and Núria Barniol. 2020. "Miniaturized 0.13-μm CMOS Front-End Analog for AlN PMUT Arrays" Sensors 20, no. 4: 1205. https://doi.org/10.3390/s20041205
APA StyleZamora, I., Ledesma, E., Uranga, A., & Barniol, N. (2020). Miniaturized 0.13-μm CMOS Front-End Analog for AlN PMUT Arrays. Sensors, 20(4), 1205. https://doi.org/10.3390/s20041205

