Thermal Compensation of Low-Cost MEMS Accelerometers for Tilt Measurements
Abstract
1. Introduction
2. The Low-Cost MEMS IMU
3. Methods
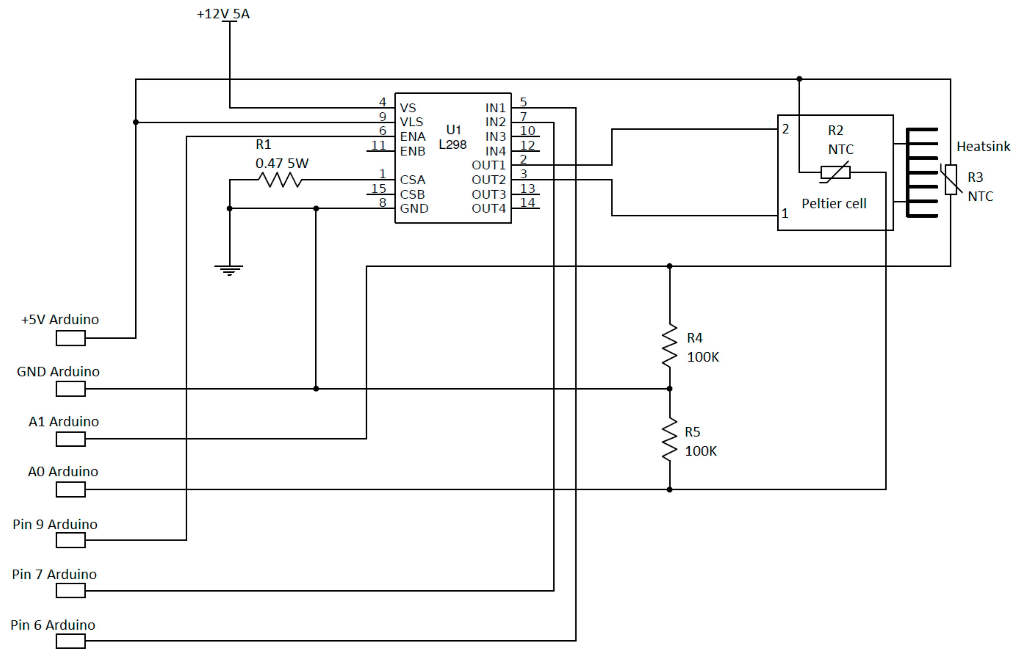
3.1. The Miniaturized Thermal Chamber
3.2. Thermal Calibration Analysis
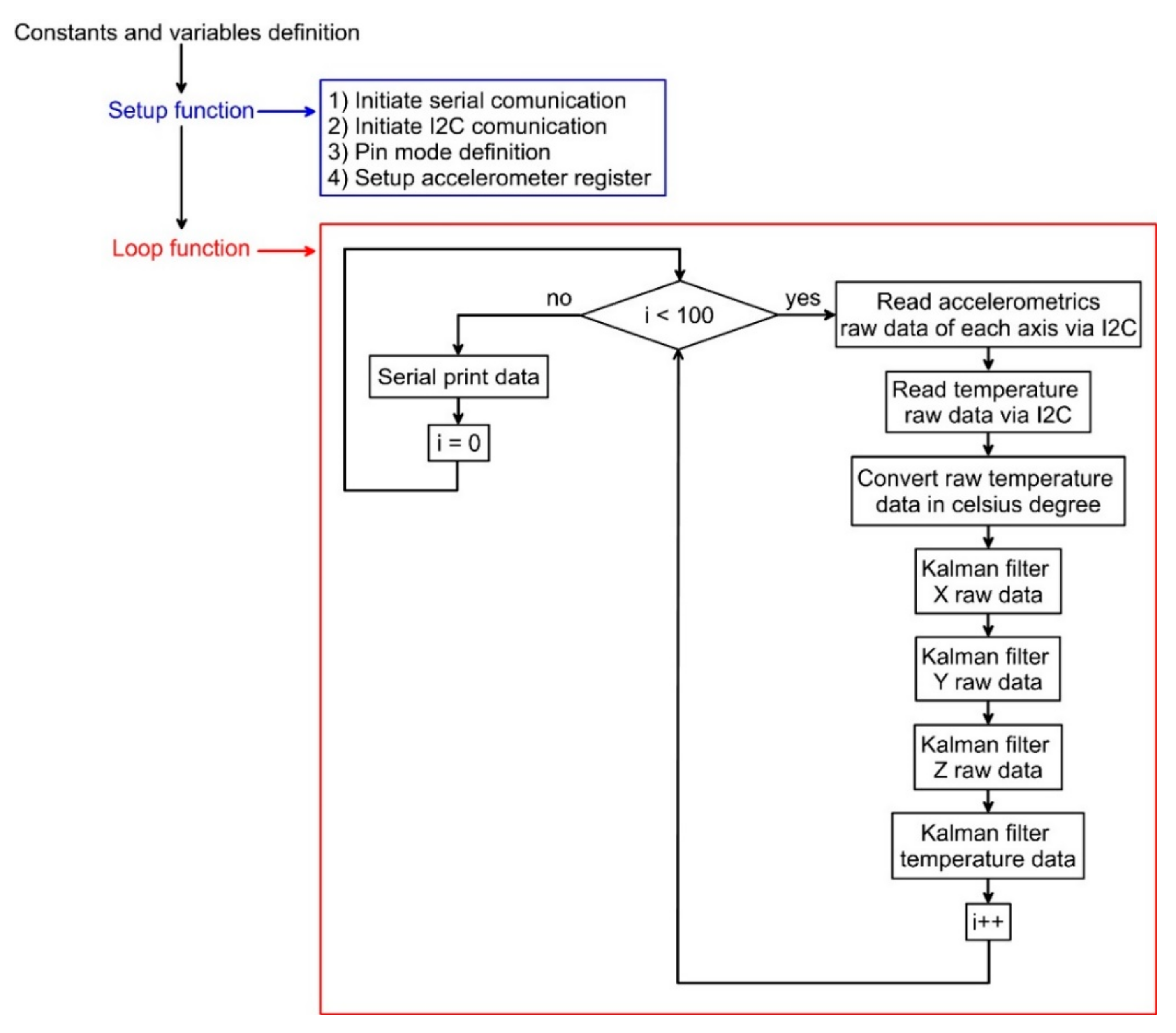
3.3. Thermal Drifting Compensation and Testing
4. Results and Discussions
4.1. Thermal Behaviour of Onboard Accelerometer
4.2. Surfaces of Compensation and Associated Error
4.3. Compensation Application and Evaluation
5. Conclusions
Supplementary Materials
Author Contributions
Funding
Acknowledgments
Conflicts of Interest
References
- Van Emmerik, T.; Steele-Dunne, S.; Hut, R.; Gentine, P.; Guerin, M.; Oliveira, R.S.; Wagner, J.; Selker, J.; van de Giesen, N. Measuring Tree Properties and Responses Using Low-Cost Accelerometers. Sensors 2017, 17, 1098. [Google Scholar] [CrossRef] [PubMed]
- Milne, D.; Le Pen, L.; Watson, G.; Thompson, D.; Powrie, W.; Hayward, M.; Morley, S. Proving MEMS Thechnologies for Smarter Railway Infrastructure. Procedia Eng. 2016, 143, 1077–1084. [Google Scholar] [CrossRef]
- Li, C.; Fernandez-Streeger, T.M.; Link, J.A.B.; May, M.; Azzam, R. Use of Mems Accelerometers as a Geotechnical Monitoring Method for Ground Subsidence. Acta Geodyn. Geomater. 2014, 11, 337–349. [Google Scholar] [CrossRef]
- Huang, H.W.; Zhang, D.M.; Ayyub, B.M. An integrated risk sensing system for geo-structural safety. J. Rock Mech. Geotech. Eng. 2017, 9, 226–238. [Google Scholar] [CrossRef]
- Uchimura, T.; Towhata, I.; Wang, L.; Nishie, S.; Yamaguchi, H.; Seko, I.; Qiao, J. Precaution and early warning of surface failure of slopes using tilt sensors. Soils Found. 2015, 55, 1086–1099. [Google Scholar] [CrossRef]
- Busch-Vishniac, I.J. Electromechanical Sensors and Actuators, 1nd ed.; pp. XVI, 343; Springer: New York, NY, USA, 1999; ISBN 978-1-4612-1434-2. [Google Scholar]
- Machan, G.; Bennet, V. Use of Inclinometer for Geotechnical Instrumentation on Transportation Projects: State of the Practice; Transportation research circular No. E-C129; Transportation Research E-Circular: Washington, DC, USA, 2008. [Google Scholar]
- Fisher, C.J. Using an Accelerometer for Inclination Sensing; AN-1057application note; Analog Devices: Norwood, MA, USA, 2010. [Google Scholar]
- Guerriero, L.; Guerriero, G.; Grelle, G.; Guadagno, F.M.; Revellino, P. Brief Communication: A low-cost Arduino®-based wire extensometer for earth flow monitoring. Nat. Hazards Earth Syst. Sci. 2017, 17, 881–885. [Google Scholar] [CrossRef]
- Bitella, G.; Rossi, R.; Bochicchio, R.; Perniola, M.; Amato, M. A novel low-cost open-hardware platform for monitoring soil water content and multiple soil-air-vegetation parameter. Sensors 2014, 14, 19639–19659. [Google Scholar] [CrossRef] [PubMed]
- Di Gennaro, S.F.; Matese, A.; Mancin, M.; Primicerio, J.; Palliotti, A. An open-source and low-cost monitoring system for precision enology. Sensors 2014, 14, 23388–23397. [Google Scholar] [CrossRef] [PubMed]
- Lockridge, G.; Dzwonkowski, B.; Nelson, R.; Powers, S. Development of a low-cost arduino-based sonde for coastal applications. Sensors 2016, 16, 528. [Google Scholar] [CrossRef] [PubMed]
- Liu, G.; Yang, F.; Bao, X.; Jang, T. Robust Optimization of a MEMS Accelerometer Considering Temperature Variations. Sensors 2015, 15, 6342–6359. [Google Scholar] [CrossRef] [PubMed]
- Kourepenis, A.; Borenstein, J.; Connely, J.; Elliott, R.; Ward, P.; Weinberg, M. Performance of mems inertial sensors. In Proceedings of the IEEE 1998 Position Location and Navigation Symposium, Palm Springs, CA, USA, 20–23 April 1996; IEEE Plans: Piscataway, NJ, USA, 1998. [Google Scholar] [CrossRef]
- Chau, K.H.L.; Lewis, S.R.; Zhao, Y.; Howe, R.T.; Bart, S.F.; Marcheselli, R.G. An integrated Force-ballanced capacitive accelerometer for low-G applications. Sens. Actuators A Phys. 1995, 54, 472–476. [Google Scholar] [CrossRef]
- Haeffer, D.K. MEMS Inertial Sensors: A Tutorial Overview. IEEE Commun. Mag. 2013, 51, 100–109. [Google Scholar] [CrossRef]
- Dai, G.; Li, M.; He, X.; Du, L.; Shao, B.; Su, W. Thermal drift analysis using a multiphysics model of bulk silicon MEMS capacitive accelerometer. Sens. Actuators A Phys. 2011, 172, 369–378. [Google Scholar] [CrossRef]
- Wang, L.; Wang, F. Intelligent Calibration Method of low cost MEMS Inertial Measurement Unit for FPGA-based Navigation System. Int. J. Intell. Eng. Syst. 2011, 4, 32–41. [Google Scholar] [CrossRef]
- Wang, Q.; Li, Y.; Niu, X. Thermal Calibration of Low-cost Inertial Measurement Units. J. Navig. 2016, 69, 373–390. [Google Scholar] [CrossRef]
- Niu, X.; Li, Y.; Zhang, H.; Wang, Q.; Ban, Y. Fast Thermal Calibration of Low-Grade Inertial Sensors and Inertial Measurement Units. Sensors 2013, 13, 12192–12217. [Google Scholar] [CrossRef] [PubMed]
- Luinge, H.J.; Veltink, P.H. Inclination measurement of human movement using a 3-D accelerometer with autocalibration. IEEE Trans. Neural Syst. Rehabil. Eng. 2014, 12, 112–121. [Google Scholar] [CrossRef] [PubMed]
- STMicroelectronics. LSM9DS0, iNEMO Inertial Module: 3D Accelerometer, 3D Gyroscope, 3D Magnetometer; LSM9DS0 datasheet; STMicroelectronics: Geneva, Switzerland, 2013. [Google Scholar]
- Jiménez-Naharro, R.; Gómez-Bravo, F.; Medina-García, J.; Sánchez-Raya, M.; Gómez-Galán, J.A. A Smart Sensor for Defending against Clock Glitching Attacks on the I2C Protocol in Robotic Applications. Sensors 2017, 17, 677. [Google Scholar] [CrossRef] [PubMed]
- Bonnie, C.B. Anti-Aliasing, Analog Filters for Data Acquisition Systems; Application Note AN699; Microchip Technology Inc.: Chandler, AZ, USA, 1999. [Google Scholar]
- Bonnie, B. Filtering? Before or After? EDN: Copenhagen, Denmark, 2003. [Google Scholar]
- Welch, G.; Bishop, G. An Introduction to the Kalman Filter; TR 95-041; UNC-Chapel Hill: Chapel Hill, NC, USA, 2006. [Google Scholar]
- Grewal, M.S.; Andrews, A.P. Kalman Filtering: Theory and Practice Using MATLAB, 2nd ed.; John Wiley & Sons: New York, NY, USA, 2001; ISBN 0-471-26638-8. [Google Scholar]
- Li, C.; Azzam, R.; Fernàndez-Steeger, T.M. Kalman filters in geotechinal monitoring of ground subsidence using data from MEMS sensors. Sensors 2016, 16, 1109. [Google Scholar] [CrossRef] [PubMed]
- Feng, Y.; Li, X.; Zhang, X. An Adaptive Compensation Algorithm for Temperature Drift of Micro-Electro-Mechanical Systems Gyroscopes Using a Strong Tracking Kalman Filter. Sensors 2015, 15, 11222–11238. [Google Scholar] [CrossRef] [PubMed]
- Venkatesh, K.A.; Mathivanan, N. Design of MEMS Accelerometer based Acceleration Measurement System for Automobiles. Meas. Sci. Rev. 2012, 12, 189–194. [Google Scholar] [CrossRef]
- Sabatelli, S.; Galgani, M.; Fanucci, L.; Rocchi, A. A Double-Stage Kalman Filter for Orientation Tracking with an Integrated Processor in 9-D IMU. IEEE Trans. Instrum. Meas. 2013, 62, 590–598. [Google Scholar] [CrossRef]
- Radovan, H.; Martin, P.; Lukáš, R. Analysis of the Appropriateness of the Use of Peltier Cells as Energy Sources. Sensors 2016, 16, 760. [Google Scholar] [CrossRef]
- Barrena, J.A.; Marroyo, L.; Rodrìguez, M.A.; Torrealday, J.R. A Novel PWM Modulation Strategy for DC Voltage Balancing in Cascaded H-Bridge Multilevel Converters. In Proceedings of the EUROCON 2007 International Conference on “Computer as a Tool”, Warsaw, Poland, 9–12 September 2007; IEEE: Piscataway, NJ, USA, 2007. [Google Scholar] [CrossRef]
- STMicroelectronics. L298 Dual Full-Bridge Driver; L298 datasheet; STMicroelectronics: Geneva, Switzerland, 2000. [Google Scholar]
- Andreev, S.K.; Bobev, S.R.; Aleksandrova, M.P.; Videkov, V.H. Programmable setup for Peltier element control with fine smooth regulation of the temperature about testing of semiconductor structures. In Proceedings of the 2016 XXV International Scientific Conference Electronics, Sozopol, Bulgaria, 12–14 September 2016; IEEE: Piscataway, NJ, USA, 2016. [Google Scholar] [CrossRef]
- Sun, J. Pulse-Width Modulation. In Dynamics and Control of Switched Electronic Systems; Vasca, F., Iannelli, L., Eds.; Advances in Industrial Control; Springer: London, UK, 2002. [Google Scholar]
- Theodore, H.R.; Pasindu, L.; Tilak, D.; Christophe, L.T.; Robert, H.M. A Study of Thermistor Performance within a Textile Structure. Sensors 2017, 17, 1804. [Google Scholar] [CrossRef]
- Chengming, L.; Rongshun, C. Optimal Self-Tuning PID Controller Based on Low Power Consumption for a Server Fan Cooling System. Sensors 2015, 15, 11685–11700. [Google Scholar] [CrossRef]
- Bista, D. Understanding and Design of an Arduino-Based PID Controller. Ph.D. Dissertation, Virginia Commonwealth University, Richmond, VA, USA, 2016. [Google Scholar]
- Tusuzki, T. ADXL345 Quick Start Guide; AN-1077 application note; Analog Devices: Norwood, MA, USA, 2010. [Google Scholar]
- Qu, H.; Fang, D.; Xie, H. A monolithic CMOS_MEMS 3-Axis accelerometer with a low-noise, low-power dual-chopper amplifier. IEEE Sens. J. 2008, 8, 1511–1518. [Google Scholar]

















| Register | Setting |
|---|---|
| CTRL_REG1_XM | 100 Hz accelerometer refresh rate |
| CTRL_REG2_XM | Set 50 Hz anti-aliasing filter |
| CTRL_REG5_XM | Enable temperature sensor |
| Warming | Cooling | ||
|---|---|---|---|
| Coefficients (95% Conf. Bounds) | Coefficients (95% Conf. Bounds) | ||
| p00 | 571.5 (571.5, 571.6) | p00 | 582.9 (582.7, 583.1) |
| p10 | −20.23 (−20.24, −20.23) | p10 | −21.29 (−21.3, −21.27) |
| p01 | 1.569 × 10−3 (1.56 × 10−3, 1.579 × 10−3) | p01 | 7.23 × 10−4 (7.535 × 10−4, 7.91 × 10−4) |
| p20 | −0.1044 (−0.1045, −0.1042) | p20 | −7.898 × 10−2 (−7.933 × 10−2, −7.863 × 10−2) |
| p11 | −6.936 × 10−5 (−6.972 × 10−5, −6.9 × 10−5) | p11 | −6.362 × 10−5 (−6.435 × 10−5, −6.29 × 10−5) |
| p02 | 6.327 × 10−9 (5.275 × 10−9, 7.38 × 10−9) | p02 | −7.354 × 10−8 (−7.563 × 10−8, −7144 × 10−8) |
| Goodness of fit | Goodness of fit | ||
| SSE | 2.739 × 106 | SSE | 1.043 × 107 |
| R2 | 0.9998 | R2 | 0.9992 |
| Adjusted R2 | 0.9998 | Adjusted R2 | 0.9992 |
| RMS error | 6.256 | RMS error | 12.32 |
| Warming | Cooling | ||
|---|---|---|---|
| Coefficients (95% Conf. Bounds) | Coefficients (95% Conf. Bounds) | ||
| p00 | 354 (353.8, 354.2) | p00 | 338.1 (337.9, 338.2) |
| p10 | −13.96 (−13.98, −13.95) | p10 | −12.82 (−12.83, −12.81) |
| p01 | 5.747 × 10−3 (5.724 × 10−3, 5.77 × 10−3) | p01 | 4.439 × 10−3 (4.426 × 10−3, 4.453 × 10−3) |
| p20 | −2.931 × 10−3(−3.369 × 10−3, −2.493 × 10−3) | p20 | −3.299 × 10−2 (−3.325 × 10−2, −3.27 × 10−2) |
| p11 | −1.915 × 10−4 (−1.925 × 10−4, −1.91 × 10−4) | p11 | −1.579 × 10−4 (−1.584 × 10−4, −1.57 × 10−4) |
| p02 | −5.363 × 10−8 (−5.633 × 10−8, −5.09 × 10−8) | p02 | −1.455 × 10−8 (−1.613 × 10−8, −1.29 × 10−8) |
| Goodness of fit | Goodness of fit | ||
| SSE | 2.381 × 107 | SSE | 7.744 × 106 |
| R2 | 0.9954 | R2 | 0.9984 |
| Adjusted R2 | 0.9954 | Adjusted R2 | 0.9984 |
| RMS error | 17.37 | RMS error | 10.03 |
| Warming | Cooling | ||
|---|---|---|---|
| Coefficients (95% Conf. Bounds) | Coefficients (95% Conf. Bounds) | ||
| p00 | 1166 (1131, 1201) | p00 | 1499 (1453, 1546) |
| p10 | 1.856 (1.659, 2.052) | p10 | −1.729 (−1.994, −1.463) |
| p01 | −0.1738 (−0.1788, −0.1688) | p01 | −0.2198 (−0.2264, −0.2132) |
| p20 | −0.06327 (−0.06462, −0.06192) | p20 | 0.02335 (0.02152, 0.02518) |
| p11 | −1.532 × 10−5 (−2.831 × 10−5, −2.32 × 10−6) | p11 | 1.106 × 10−5 (−6.469 × 10−6, 2.858 × 10−5) |
| p02 | 6.387 × 10−6 (6.212 × 10−6, 6.562 × 10−6) | p02 | 7.801 × 10−6 (7.569 × 10−6, 8.033 × 10−6) |
| Goodness of fit | Goodness of fit | ||
| SSE | 1.675 × 108 | SSE | 2.895 × 108 |
| R2 | 0.456 | R2 | 0.03082 |
| Adjusted R2 | 0.456 | Adjusted R2 | 0.03074 |
| RMS error | 48.92 | RMS error | 64.9 |
| Warming | Cooling | ||
|---|---|---|---|
| Coefficients (95% Conf. Bounds) | Coefficients (95% Conf. Bounds) | ||
| p00 | −195.6 (−250.4, −140.7) | p00 | −53.65 (−76.05, −31.26) |
| p10 | −1.516 (−1.832, −1.201) | p10 | −4.726 (−4.855, −4.597) |
| p01 | 0.04766 (0.0399, 0.05543) | p01 | 0.009953 (0.006769, 0.01314) |
| p20 | −0.05595 (−0.05815, −0.05375) | p20 | 0.03852 (0.03763, 0.03941) |
| p11 | 1.354 × 10−4 (1.145 × 10−4, 1.563 × 10−4) | p11 | 8.257 × 10−5 (7.409 × 10−5, 9.104 × 10−5) |
| p02 | −2.013 × 10−6 (−2.28 × 10−6, −1.74 × 10−6) | p02 | −3.241 × 10−7 (−4.363 × 10−7, −2.12 × 10−7) |
| Goodness of fit | Goodness of fit | ||
| SSE | 6.002 × 108 | SSE | 8.949 × 107 |
| R2 | 0.1251 | R2 | 0.6632 |
| Adjusted R2 | 0.125 | Adjusted R2 | 0.6632 |
| RMS error | 87.21 | RMS error | 34.11 |
© 2018 by the authors. Licensee MDPI, Basel, Switzerland. This article is an open access article distributed under the terms and conditions of the Creative Commons Attribution (CC BY) license (http://creativecommons.org/licenses/by/4.0/).
Share and Cite
Ruzza, G.; Guerriero, L.; Revellino, P.; Guadagno, F.M. Thermal Compensation of Low-Cost MEMS Accelerometers for Tilt Measurements. Sensors 2018, 18, 2536. https://doi.org/10.3390/s18082536
Ruzza G, Guerriero L, Revellino P, Guadagno FM. Thermal Compensation of Low-Cost MEMS Accelerometers for Tilt Measurements. Sensors. 2018; 18(8):2536. https://doi.org/10.3390/s18082536
Chicago/Turabian StyleRuzza, Giuseppe, Luigi Guerriero, Paola Revellino, and Francesco M. Guadagno. 2018. "Thermal Compensation of Low-Cost MEMS Accelerometers for Tilt Measurements" Sensors 18, no. 8: 2536. https://doi.org/10.3390/s18082536
APA StyleRuzza, G., Guerriero, L., Revellino, P., & Guadagno, F. M. (2018). Thermal Compensation of Low-Cost MEMS Accelerometers for Tilt Measurements. Sensors, 18(8), 2536. https://doi.org/10.3390/s18082536

