Corrosion Inhibition Using Harmal Leaf Extract as an Eco-Friendly Corrosion Inhibitor
Abstract
:1. Introduction
2. Experimental
2.1. Materials
2.1.1. Extraction of Harmal Leaves
2.1.2. Preparation of the Specimens
2.2. Methods
2.2.1. Characterization of Harmal Leaves
2.2.2. Scanning Electron Microscopy
2.2.3. Electrochemical Studies
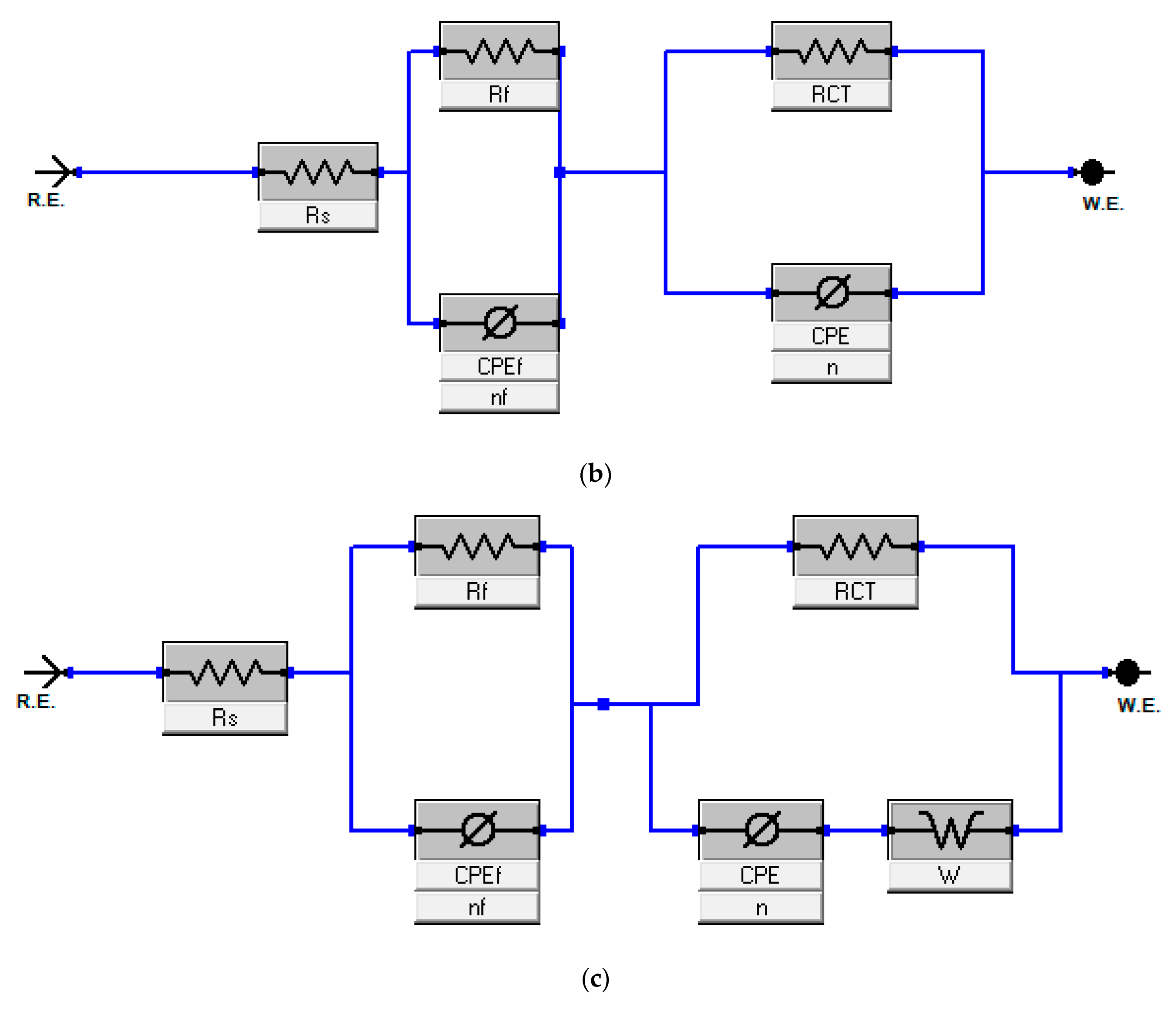
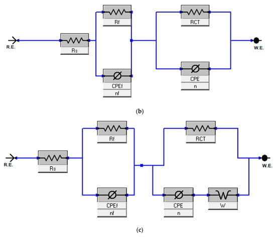
2.2.4. Electrochemical Impedance Study (EIS)
2.2.5. Potentiodynamic Polarization Study (PDP)
3. Results and Discussion
3.1. FT-IR and UV-Visible Spectroscopy of Harmal Extract
3.1.1. FTIR Spectra
3.1.2. UV-Visible Spectra
3.2. Electrochemical Impedance Spectroscopy Measurements (EIS)
3.3. Polarization Curve Measurements
3.4. Comparison of IE%
3.5. Inhibition Mechanism and Adsorption Isotherm
3.6. Surface Analysis
4. Conclusions
Author Contributions
Funding
Acknowledgments
Conflicts of Interest
Sample Availability
References
- Bardal, E. Engineering Materials and Processes; Springer: London, UK; Berlin/Heidelerg, Germany, 2004; pp. 5–10. [Google Scholar]
- Koch, G.H.; Brongers, M.P.H.; Thompson, N.G.; Virmani, Y.P.; Payer, J.H. Corrosion Cost and Preventive Strategies in the United States; Federal Highway Administration: Washington, DC, USA, 2002.
- Guo, L.; Qi, C.; Zheng, X.; Zhang, R.; Shen, X.; Kaya, S. Toward understanding the adsorption mechanism of large size organic corrosion inhibitors on an Fe (110) surface using the DFTB method. RSC Adv. 2017, 7, 29042–29050. [Google Scholar] [CrossRef] [Green Version]
- Zaferani, S.H.; Sharifi, M.; Zaarei, D.; Shishesaz, M.R. Application of eco-friendly products as corrosion inhibitors for metals in acid pickling processes–A review. J. Environ. Chem. Eng. 2013, 1, 652–657. [Google Scholar] [CrossRef]
- Li, X.; Xie, X.; Deng, S.; Du, G. Two phenylpyrimidine derivatives as new corrosion inhibitors for cold rolled steel in hydrochloric acid solution. Corros. Sci. 2014, 87, 27–39. [Google Scholar] [CrossRef]
- Tabesh, R.N.; Abdel-Gaber, A.M.; Hammud, H.H.; Al-Oweini, R. Inhibition of Steel Corrosion in Sulfuric Acid Solution by 1, 10-Phenanthroline, para-Aminobenzoate and their Corresponding Manganese Complex. Z. Für Phys. Chem. 2019, 233, 1553–1569. [Google Scholar] [CrossRef]
- Verma, C.; Olasunkanmi, L.O.; Ebenso, E.E.; Quraishi, M.A. Substituents effect on corrosion inhibition performance of organic compounds in aggressive ionic solutions: A review. J. Mol. Liq. 2018, 251, 100–118. [Google Scholar] [CrossRef]
- Verma, C.; Ebenso, E.E.; Quraishi, M.A. Corrosion inhibitors for ferrous and non-ferrous metals and alloys in ionic sodium chloride solutions: A review. J. Mol. Liq. 2017, 248, 927–942. [Google Scholar] [CrossRef]
- Singh, P.; Makowska-Janusik, M.; Slovensky, P.; Quraishi, M.A. Nicotinonitriles as green corrosion inhibitors for mild steel in hydrochloric acid: Electrochemical, computational and surface morphological studies. J. Mol. Liq. 2016, 220, 71–81. [Google Scholar] [CrossRef]
- Hinton, B.R.W. Corrosion prevention and control. Handb. Phys. Chem. Rare Earths 1995, 21, 29–92. [Google Scholar]
- El-Tabesh, R.N.; Abdel-Gaber, A.M.; Hammud, H.H.; Oweini, R. Effect of Mixed-Ligands Copper Complex on the Corrosion Inhibition of Carbon Steel in Sulfuric Acid Solution. J. Bio Tribo Corros. 2020, 6, 29. [Google Scholar] [CrossRef]
- Umoren, S.A.; Eduok, U.M. Application of carbohydrate polymers as corrosion inhibitors for metal substrates in different media: A review. Carbohydr. Polym. 2016, 140, 314–341. [Google Scholar] [CrossRef] [PubMed]
- Hu, K.; Zhuang, J.; Zheng, C.; Ma, Z.; Yan, L.; Gu, H.; Zeng, X.; Ding, J. Effect of novel cytosine-l-alanine derivative based corrosion inhibitor on steel surface in acidic solution. J. Mol. Liq. 2016, 222, 109–117. [Google Scholar] [CrossRef]
- Dakhil, R.M.; Gaaz, T.S.; Al-Amiery, A.A.; Kadhum, A.A.H. Inhibitive impacts extract of Citrus aurantium leaves of carbon steel in corrosive media. Green Chem. Lett. Rev. 2018, 11, 559–566. [Google Scholar] [CrossRef] [Green Version]
- Raghavendra, N. Latest Exploration on Natural Corrosion Inhibitors for Industrial Important Metals in Hostile Fluid Environments: A Comprehensive Overview. J. Bio-Tribo-Corros. 2019, 5, 54. [Google Scholar] [CrossRef]
- Ji, G.; Anjum, S.; Sundaram, S.; Prakash, R. Musa paradisica peel extract as green corrosion inhibitor for mild steel in HCl solution. Corros. Sci. 2015, 90, 107–117. [Google Scholar] [CrossRef]
- Nasrollahzadeh, M.; Sajadi, S.M.; Khalaj, M. Green synthesis of copper nanoparticles using aqueous extract of the leaves of Euphorbia esula L and their catalytic activity for ligand-free Ullmann-coupling reaction and reduction of 4-nitrophenol. RSC Adv. 2014, 4, 47313–47318. [Google Scholar] [CrossRef]
- Sharghi, H.; Khalifeh, R.; Doroodmand, M.M. Copper nanoparticles on charcoal for multicomponent catalytic synthesis of 1, 2, 3-Triazole derivatives from benzyl halides or alkyl halides, terminal alkynes and sodium azide in water as a ‘Green’ solvent. Adv. Synth. Catal. 2009, 351, 207–218. [Google Scholar] [CrossRef]
- Varma, R.S. Greener and sustainable trends in synthesis of organics and nanomaterials. ACS Sustain. Chem. Eng. 2016, 4, 5866–5878. [Google Scholar] [CrossRef]
- Duan, H.; Wang, D.; Li, Y. Green chemistry for nanoparticle synthesis. Chem. Soc. Rev. 2015, 44, 5778–5792. [Google Scholar] [CrossRef]
- Seo, J.; Lee, S.; Elam, M.L.; Johnson, S.A.; Kang, J.; Arjmandi, B.H. Study to find the best extraction solvent for use with guava leaves (Psidium guajava L.) for high antioxidant efficacy. Food Sci. Nutr. 2015, 2, 174–180. [Google Scholar] [CrossRef]
- Victoria, S.N.; Prasad, R.; Manivannan, R. Psidium guajava leaf extract as green corrosion inhibitor for mild steel in phosphoric acid. Int. J. Electrochem. Sci. 2015, 10, 2220–2238. [Google Scholar]
- Chaudhari, H.G.; Vashi, R.T. The study of henna leaves extract as green corrosion inhibitor for mild steel in acetic acid. J. Fundam. Appl. Sci. 2016, 8, 280–296. [Google Scholar] [CrossRef] [Green Version]
- Aribo, S.; Olusegun, S.J.; Ibhadiyi, L.J.; Oyetunji, A.; Folorunso, D.O. Green inhibitors for corrosion protection in acidizing oilfield environment. J. Assoc. Arab Univ. Basic Appl. Sci. 2017, 24, 34–38. [Google Scholar] [CrossRef] [Green Version]
- Verma, C.; Ebenso, E.E.; Bahadur, I.; Quraishi, M.A. An overview on plant extracts as environmental sustainable and green corrosion inhibitors for metals and alloys in aggressive corrosive media. J. Mol. Liq. 2018, 266, 577–590. [Google Scholar] [CrossRef]
- Soltani, N.; Tavakkoli, N.; Khayatkashani, M.; Jalali, M.R.; Mosavizade, A. Green approach to corrosion inhibition of 304 stainless steel in hydrochloric acid solution by the extract of Salvia officinalis leaves. Corros. Sci. 2012, 62, 122–135. [Google Scholar] [CrossRef]
- Anupama, K.K.; Ramya, K.; Joseph, A. Electrochemical and computational aspects of surface interaction and corrosion inhibition of mild steel in hydrochloric acid by Phyllanthus amarus leaf extract (PAE). J. Mol. Liq. 2016, 216, 146–155. [Google Scholar] [CrossRef]
- Faustin, M.; Maciuk, A.; Salvin, P.; Roos, C.; Lebrini, M. Corrosion inhibition of C38 steel by alkaloids extract of Geissospermum laeve in 1 M hydrochloric acid: Electrochemical and phytochemical studies. Corros. Sci. 2015, 92, 287–300. [Google Scholar] [CrossRef]
- Krishnegowda, P.M.; Venkatesha, V.T.; Krishnegowda, P.K.M.; Shivayogiraju, S.B. Acalypha torta leaf extract as green corrosion inhibitor for mild steel in hydrochloric acid solution. Ind. Eng. Chem. Res. 2013, 52, 722–728. [Google Scholar] [CrossRef]
- Mehdipour, M.; Ramezanzadeh, B.; Arman, S.Y. Electrochemical noise investigation of Aloe plant extract as green inhibitor on the corrosion of stainless steel in 1 M H2SO4. J. Ind. Eng. Chem. 2015, 21, 318–327. [Google Scholar] [CrossRef]
- Hassan, K.H.; Khadom, A.A.; Kurshed, N.H. Citrus aurantium leaves extracts as a sustainable corrosion inhibitor of mild steel in sulfuric acid. S. Afr. J. Chem. Eng. 2016, 22, 1–5. [Google Scholar] [CrossRef] [Green Version]
- Singh, A. Cassia tora Leaves Extract as Mild Steel Corrosion Inhibitor in Sulphuric Acid Solution. Imp. J. Interdiscip. Res. 2016, 2, 698–701. [Google Scholar]
- Sathiyanathan, R.; Maruthamuthu, S.; Selvanayagam, M.; Mohanan, S.; Palaniswamy, N. Corrosion inhibition of mild steel by ethanolic extracts of Ricinus communis leaves. Indian J. Chem. Technol. 2005, 12, 356–360. [Google Scholar]
- Tuaweri, T.J.; Ogbonnaya, E.A.; Onyemaobi, O.O. Corrosion inhibition of heat treated mild steel with neem leave extract in a chloride medium. Int. J. Res. Eng. Technol. 2015, 4, 2321–7308. [Google Scholar]
- Wang, H.; Gao, M.; Guo, Y.; Yang, Y.; Hu, R. A natural extract of tobacco rob as scale and corrosion inhibitor in artificial seawater. Desalination 2016, 398, 198–207. [Google Scholar] [CrossRef]
- Abd-El-Khalek, D.E.; Abdel-Gaberb, A.M. Evaluation of nicotiana leaves extract as corrosion inhibitor for steel in acidic and neutral chloride solutions. Port. Electrochim. Acta 2012, 30, 247–259. [Google Scholar] [CrossRef]
- Anaee, R.A.; Alzuhairi, M.H.; Abdullah, H.A. Corrosion Inhibition of Steel in Petroleum Medium by Ficus Carica Leaves Extract. Asian J. Eng. Technol. 2014, 2, 2321–2462. [Google Scholar]
- Herraiz, T.; González, D.; Ancín-Azpilicueta, C.; Arán, V.J.; Guillén, H. β-Carboline alkaloids in Peganum harmala and inhibition of human monoamine oxidase (MAO). Food Chem. Toxicol. 2010, 48, 839–845. [Google Scholar] [CrossRef] [PubMed]
- Fahmy, S.A.; Issa, M.Y.; Saleh, B.M.; Meselhy, M.R.; Azzazy, H.M.E. Peganum harmala Alkaloids Self-Assembled Supramolecular Nanocapsules with Enhanced Antioxidant and Cytotoxic Activities. ACS Omega 2021, 11, 11954–11963. [Google Scholar] [CrossRef]
- Moloudizargari, M.; Mikaili, P.; Aghaianshakeri, S.; Asghari, M.H.; Shayegh, J. Pharmacological and therapeutic effects of Peganum harmala and its main alkaloids. Pharmacogn. Rev. 2013, 14, 199–212. [Google Scholar] [CrossRef] [Green Version]
- Dao, V.D. An experimental exploration of generating electricity from nature-inspired hierarchical evaporator: The role of electrode materials. Sci. Total Environ. 2021, 759, 143490. [Google Scholar] [CrossRef]
- Dao, V.-D.; Vu, N.H.; Choi, H.-S. All day Limnobium laevigatum inspired nanogenerator self-driven via water evaporation. J. Power Sources 2020, 448, 227388. [Google Scholar] [CrossRef]
- Thomas, K.R.J.; Santos, D. Experimental and DFT studies on the ultrasonic energy-assisted extraction of the phytochemicals of Catharanthus roseus as green corrosion inhibitors for mild steel in NaCl medium. R. Soc. Chem. 2020, 10, 5399. [Google Scholar]
- Hussin, M.H.; Kassim, M.J. The corrosion inhibition and adsorption behavior of Uncaria gambir extract on mild steel in 1 M HCl. Mater. Chem. Phys. 2011, 125, 461–468. [Google Scholar] [CrossRef]
- El Haleem, S.M.A.; El Wanees, S.A.; El Aal, E.E.A.; Farouk, A. Factors affecting the corrosion behaviour of aluminium in acid solutions. I. Nitrogen and/or sulphur-containing organic compounds as corrosion inhibitors for Al in HCl solutions. Corros. Sci. 2013, 68, 1–13. [Google Scholar] [CrossRef]
- Emregul, K.C.; Akay, A.A.; Atakol, O. The corrosion inhibition of steel with Schiff base compounds in 2 M HCl. Mater. Chem. Phys. 2005, 93, 325–329. [Google Scholar] [CrossRef]
- Njokua, D.I.; Chidieberea, M.A.; Oguzieb, K.L.; Ogukwea, C.E.; Oguzie, E.E. Corrosion inhibition of mild steel in hydrochloric acid solution by the leaf extract of Nicotiana tabacum. Adv. Mater. Corros. 2013, 1, 54–61. [Google Scholar]
- Radovanović, M.B.; Tasić, Ž.Z.; Mihajlović, M.B.P.; Simonović, A.T.; Antonijević, M.M. Electrochemical and DFT studies of brass corrosion inhibition in 3% NaCl in the presence of environmentally friendly compounds. Sci. Rep. 2019, 9, 16081. [Google Scholar] [CrossRef] [Green Version]
- Badawy, W.A.; Ismail, K.M.; Fathi, A.M. Corrosion control of Cu–Ni alloys in neutral chloride solutions by amino acids. Electrochim. Acta. 2006, 51, 4182–4189. [Google Scholar] [CrossRef]
- Ismail, K.M. Evaluation of cysteine as environmentally friendly corrosion inhibitor for copper in neutral and acidic chloride solutions. Electrochim. Acta. 2007, 52, 7811–7819. [Google Scholar] [CrossRef]
- Bouyanzer, A.; Hammouti, B.; Majidi, L. Pennyroyal oil from Mentha pulegium as corrosion inhibitor for steel in 1 M HCl. Mater. Lett. 2006, 60, 2840–2843. [Google Scholar] [CrossRef]
- Faiz, M.; Zahari, A.A.; Awanga, K.; Hussin, H. Corrosion inhibition on mild steel in 1 M HCl solution by Cryptocarya nigra extracts and three of its constituents (alkaloids). RSC Adv. 2020, 10, 6547–6562. [Google Scholar] [CrossRef] [Green Version]
- Jacob, K.S.; Parameswaran, G. Corrosion inhibition of mild steel in hydrochloric acid solution by Schiff base furoin thiosemicarbazone. Corros. Sci. 2010, 52, 224–228. [Google Scholar]
- Hussin, M.H.; Kassim, M.J.; Razali, N.N.; Dahon, N.H.; Nasshorudin, D. The effect of Tinospora crispa extracts as a natural mild steel corrosion inhibitor in 1 M HCl solution. Arab. J. Chem. 2016, 9, S616–S624. [Google Scholar] [CrossRef] [Green Version]
- Liping, S.; Lihua, H.; Hui, Z.; Qiang, L.; Pijolat, C. La substituted Sr2MnO4 as a possible cathode material in SOFC. J. Power Sources 2008, 179, 96–100. [Google Scholar] [CrossRef]
- Haque, J.; Ansari, K.R.; Srivastava, V.; Quraishi, M.A.; Obot, I.B. Pyrimidine derivatives as novel acidizing corrosion inhibitors for N80 steel useful for petroleum industry: A combined experimental and theoretical approach. J. Ind. Eng. Chem. 2017, 49, 176–188. [Google Scholar] [CrossRef]
- Zhang, J.T.; Hu, J.M.; Zhang, J.Q.; Cao, C.N. Studies of impedance models and water transport behaviors of polypropylene coated metals in NaCl solution. Prog. Org. Coat. 2004, 49, 293–301. [Google Scholar] [CrossRef]
- Xue, X.-Z.; Tang, S.; Yue, Y.-B.; Liu, J.-K.; Yang, X.-H. One-step crushing and cladding technology and enhanced anticorrosion activity of Zn3(PO4)2@AlH2P3O10 pigment. J. Alloy. Compd. 2018, 744, 837–848. [Google Scholar] [CrossRef]
- Meng, F.; Liu, L.; Tian, W.; Wu, H.; Li, Y.; Zhang, T.; Wang, F. The influence of the chemically bonded interface between fillers and binder on the failure behaviour of an epoxy coating under marine alternating hydrostatic pressure. Corros. Sci. 2015, 101, 139–154. [Google Scholar] [CrossRef]
- Sayed, A.R.; El-Lateef, H.M.A. Thiocarbohydrazones Based on Adamantane and Ferrocene as Efficient Corrosion Inhibitors for Hydrochloric Acid Pickling of C-Steel. Coatings 2020, 10, 1068. [Google Scholar] [CrossRef]
- Ali, A.I.; Mahrousb, Y.S. Corrosion inhibition of C-steel in acidic media from fruiting bodies of Melia azedarach L extract and a synergistic Ni2+ additive. RSC Adv. 2017, 7, 23687–23698. [Google Scholar] [CrossRef] [Green Version]
- Park, K.; Chang, B.-Y.; Hwang, S. Correlation between Tafel Analysis and Electrochemical Impedance Spectroscopy by Prediction of Amperometric Response from EIS. ACS Omega 2019, 4, 19307–19313. [Google Scholar] [CrossRef] [Green Version]
- Karunanithi, B.T.; Chellappa, J. Adsorption and inhibition properties of Tephrosia Purpurea as corrosion inhibitor for mild steel in sulphuric acid solution. J. Dispers. Sci. Technol. 2019, 40, 1441–1450. [Google Scholar] [CrossRef]
- Bhardwai, N.; Prasad, D.; Haldhar, R. Study of the Aegle marmelos as a Green Corrosion Inhibitor for Mild Steel in Acidic Medium: Experimental and Theoretical Approach. J. Bio-Tribo-Corros. 2018, 4, 61. [Google Scholar] [CrossRef]
- Riggs, O.L., Jr. Corrosion Inhibitors; Nathan, C.C., Ed.; NACE: Houston, TX, USA, 1973. [Google Scholar]
- Martinez, S.; Metikoš-Huković, M. A nonlinear kinetic model introduced for the corrosion inhibitive properties of some organic inhibitors. J. Appl. Electrochem. 2003, 33, 1137–1142. [Google Scholar] [CrossRef]
- Hosseini, M.; Mertens, S.F.L.; Arshadi, M.R. Synergism and antagonism in mild steel corrosion inhibition by sodium dodecylbenzenesulphonate and hexamethylenetetramine. Corros. Sci. 2003, 45, 1473–1489. [Google Scholar] [CrossRef]
- Rudresh, H.B.; Mayanna, S.M. Adsorption of n-Decylamine on Zinc from Acidic Chloride Solution. J. Electrochem. Soc. 1977, 124, 340. [Google Scholar] [CrossRef]
- Asadi, N.; Ramezanzadeh, M.; Bahlakeh, G.; Ramezanzadeh, B. Utilizing Lemon Balm extract as an effective green corrosion inhibitor for mild steel in 1M HCl solution: A detailed experimental, molecular dynamics, Monte Carlo and quantum mechanics study. J. Taiwan Inst. Chem. Eng. 2019, 95, 252–272. [Google Scholar] [CrossRef]














| Harmal Extract ppm | RS Ω cm2 | Rct Ω cm2 | ZCPE µΩ−1 sn cm−2 | n | Cdl μF/cm2 | θ | IE% |
|---|---|---|---|---|---|---|---|
| 0 | 15.43 | 7.37 ± 1 | 519.2 | 0.877 | 238.6 | - | - |
| 20.79 | 18.26 | 11.18 ± 2 | 396.5 | 0.851 | 153.5 | 0.340 | 34.0 |
| 41.49 | 13.18 | 13.63 ± 2 | 356.9 | 0.852 | 141.6 | 0.459 | 45.9 |
| 62.11 | 17.88 | 16.37 ± 2 | 328.0 | 0.846 | 126.6 | 0.549 | 54.9 |
| 82.65 | 16.87 | 42.16 ± 4 | 144.3 | 0.840 | 54.74 | 0.825 | 82.5 |
| 204.1 | 16.90 | 59.32 ± 5 | 164.5 | 0.788 | 47.32 | 0.876 | 87.6 |
| 283.4 | 17.54 | 83.40 ± 7 | 148.2 | 0.804 | 50.77 | 0.912 | 91.2 |
| 625.0 | 15.98 | 102.25 ± 10 | 134.4 | 0.768 | 36.74 | 0.928 | 92.8 |
| 826.5 | 18.14 | 121.20 ± 13 | 118.8 | 0.796 | 40.00 | 0.939 | 93.9 |
| Harmal Extract ppm | RS Ω cm2 | Rf Ω cm2 | ZCPEf µΩ−1s n cm−2 | nf | Rct Ω cm2 | ZCPE µΩ−1s n cm−2 | n | Rf + Rct | Cdl μF/cm2 | θ | IE% |
|---|---|---|---|---|---|---|---|---|---|---|---|
| 0 | 3.83 | 5.98 | 359.06 | 1.00 | 1.37 ± 1 | 1150.79 | 0.800 | 7.35 | 229.01 | - | - |
| 20.79 | 4.29 | 10.00 | 292.22 | 0.906 | - | - | 0.145 | - | - | - | - |
| 41.49 | 3.21 | 3.10 | 49,090 | 0.409 | 11.31 ± 2 | 248.46 | 0.926 | 14.41 | 155.36 | 0.879 | 87.9 |
| 62.11 | 4.53 | 16.11 | 311.12 | 0.853 | 0.68 ± 1 | - | 1.00 | 16.78 | - | - | - |
| 82.65 | 4.23 | 15.81 | 274.72 | 0.795 | 25.71 ± 3 | 122.50 | 0.996 | 41.52 | 120.35 | 0.947 | 94.7 |
| 204.1 | 4.16 | 14.00 | 460.91 | 0.708 | 44.03 ± 4 | 108.33 | 0.937 | 58.03 | 76.15 | 0.969 | 96.9 |
| 283.4 | 4.21 | 7.96 | 1269.35 | 0.625 | 73.70 ± 8 | 98.33 | 0.904 | 81.65 | 58.58 | 0.981 | 98.1 |
| 625.0 | 4.00 | 23.94 | 268.35 | 0.727 | 75.61 ± 7 | 96.16 | 0.915 | 99.54 | 60.87 | 0.982 | 98.2 |
| 826.5 | 4.48 | 29.27 | 418.94 | 0.704 | 89.38 ± 9 | 94.89 | 0.916 | 118.65 | 61.27 | 0.985 | 98.5 |
| Harmal Extract ppm | RS Ω cm2 | Rf Ω cm2 | ZCPEf µΩ−1s n cm−2 | nf | Rct Ω cm2 | ZCPE µΩ−1 s n cm−2 | n | W mS s1/2 | Cdl μF/cm2 | θ | IE% |
|---|---|---|---|---|---|---|---|---|---|---|---|
| 0 | 3.78 | 0.60 | 4207.3 | 1.00 | 6.82 ± 1 | 308.7 | 1.00 | 11.47 | 308.73 | - | - |
| 20.79 | 4.51 | 7.83 | 221.2 | 0.975 | 3.97 ± 1 | - | 0.358 | 8.858 | - | - | - |
| 41.49 | 3.24 | 10.38 | 234.3 | 0.946 | 3.80 ± 1 | - | 0.999 | 9.442 | - | - | - |
| 62.11 | 4.41 | 13.01 | 236.9 | 0.924 | 3.87 ± 1 | - | 0.969 | 8.784 | - | - | - |
| 82.65 | 4.11 | 24.63 | 140.0 | 1.00 | 16.91 ± 2 | 113.0 | 0.931 | 4.915 | 71.08 | 0.597 | 59.7 |
| 204.1 | 4.07 | 40.15 | 115.0 | 0.957 | 17.80 ± 2 | 214.8 | 0.828 | 3.623 | 67.59 | 0.617 | 61.7 |
| 283.4 | 4.09 | 58.11 | 115.4 | 0.944 | 23.27 ± 3 | 194.4 | 0.907 | 2.310 | 111.74 | 0.707 | 70.7 |
| 625.0 | 3.94 | 12.59 | 226.0 | 0.786 | 86.87 ± 8 | 82.6 | 0.916 | 4.479 | 52.52 | 0.922 | 92.2 |
| 826.5 | 4.44 | 24.76 | 389.3 | 0.731 | 93.75 ± 9 | 89.2 | 0.925 | 7.970 | 60.53 | 0.927 | 92.7 |
| Harmal Extract ppm | icor mA cm−2 | Ecor (V) vs. SCE | βc mV dec−1 | βa mV dec−1 | θ | IE% |
|---|---|---|---|---|---|---|
| 0 | 12.70 | −642.9 | −580.9 | 794.4 | 0.000 | 0.0 |
| 20.79 | 12.60 | −583.3 | −610.5 | 712.8 | 0.008 | 0.8 |
| 41.19 | 12.41 | −607.1 | −474.1 | 690.7 | 0.023 | 2.3 |
| 62.11 | 10.00 | −666.7 | −480.7 | 705.1 | 0.213 | 21.3 |
| 82.65 | 9.06 | −761.9 | −423.1 | 808.1 | 0.286 | 28.6 |
| 204.10 | 8.12 | −785.7 | −390.8 | 791.1 | 0.361 | 36.1 |
| 283.40 | 6.32 | −738.0 | −364.1 | 680.2 | 0.502 | 50.2 |
| 513.83 | 6.02 | −785.7 | −294.1 | 758.1 | 0.526 | 52.6 |
| 625.00 | 6.65 | −812.5 | −309.7 | 791.8 | 0.477 | 47.7 |
| 826.50 | 6.45 | −785.7 | −340.9 | 748.5 | 0.493 | 49.3 |
| CHarmal (ppm) This Work | IE% | CPsidium Guajava (ppm) [22] | IE% | CTephrosia purpurea (ppm) [63] | IE% | CAegle marmelos (ppm) [64] | IE% |
|---|---|---|---|---|---|---|---|
| 0 | - | 0 | - | 0 | 0 | ||
| 20.79 | - | 20 | 15 | 50 | 56.3 | 100 | 68.05 |
| 41.49 | 87.9 | 50 | 21 | 100 | 65.2 | 200 | 72.21 |
| 62.11 | - | 200 | 49 | 150 | 77.7 | 300 | 74.45 |
| 82.65 | 94.7 | 400 | 80 | 200 | 89.4 | 400 | 76.69 |
| 204.1 | 96.9 | 800 | 82 | 250 | 91.3 | 500 | 81.85 |
| 283.4 | 98.1 | 1200 | 82 | 300 | 92.5 | - | - |
| 625.0 | 98.2 | - | - | 350 | 91.1 | - | - |
| 826.5 | 98.5 | - | - | 400 | 90.9 | - | - |
Publisher’s Note: MDPI stays neutral with regard to jurisdictional claims in published maps and institutional affiliations. |
© 2021 by the authors. Licensee MDPI, Basel, Switzerland. This article is an open access article distributed under the terms and conditions of the Creative Commons Attribution (CC BY) license (https://creativecommons.org/licenses/by/4.0/).
Share and Cite
Al Otaibi, N.; Hammud, H.H. Corrosion Inhibition Using Harmal Leaf Extract as an Eco-Friendly Corrosion Inhibitor. Molecules 2021, 26, 7024. https://doi.org/10.3390/molecules26227024
Al Otaibi N, Hammud HH. Corrosion Inhibition Using Harmal Leaf Extract as an Eco-Friendly Corrosion Inhibitor. Molecules. 2021; 26(22):7024. https://doi.org/10.3390/molecules26227024
Chicago/Turabian StyleAl Otaibi, Nasreen, and Hassan H. Hammud. 2021. "Corrosion Inhibition Using Harmal Leaf Extract as an Eco-Friendly Corrosion Inhibitor" Molecules 26, no. 22: 7024. https://doi.org/10.3390/molecules26227024
APA StyleAl Otaibi, N., & Hammud, H. H. (2021). Corrosion Inhibition Using Harmal Leaf Extract as an Eco-Friendly Corrosion Inhibitor. Molecules, 26(22), 7024. https://doi.org/10.3390/molecules26227024
