Sign in to use this feature.

Years

Between: -

Subjects

remove_circle_outline
remove_circle_outline
remove_circle_outline
remove_circle_outline
remove_circle_outline

Journals

Article Types

Countries / Regions

Search Results (14)

Search Parameters:
Keywords = traveling-wave output circuit

Order results
Result details
Results per page
Select all
Export citation of selected articles as:
9 pages, 1760 KB  
Article
A G-Band Pulsed Wave-Traveling Wave Tube for THz Radar
by Xingwang Bian, Pan Pan, Siji Xian, Di Yang, Lin Zhang, Jun Cai and Jinjun Feng
Electronics 2025, 14(23), 4721; https://doi.org/10.3390/electronics14234721 - 29 Nov 2025
Viewed by 232
Abstract
The growing interest in high-power amplifiers for the terahertz (THz) radar system leads to significant performance improvements of THz wave traveling-wave tubes (TWT). This article presents a detailed development of a G-band pulsed wave TWT with 120 W output power. Three approaches have [...] Read more.
The growing interest in high-power amplifiers for the terahertz (THz) radar system leads to significant performance improvements of THz wave traveling-wave tubes (TWT). This article presents a detailed development of a G-band pulsed wave TWT with 120 W output power. Three approaches have been combined to improve the tube’s output power including proposing the modified folded waveguide (MFWG) slow wave structure (SWS), using large beam current, and adopting phase velocity tapering (PVT). Firstly, the MFWG SWS circuit has an additional degree of freedom that can be used to achieve approximately 36% higher interaction impedance than that in the conventional folded waveguide (CFWG). Subsequently, the electron beam current was increased to approximately 100 mA to boost the DC power of the electron beam. Finally, the PVT technology dramatically enhanced the output power from 98 W to 143 W, concomitant with a notable increase in electronic efficiency from 4.75% to 7.03%. Hot experimental results show that the measured output power can be over 100 W at 20% duty cycle within a bandwidth of 5 GHz when the operation voltage and the current are 22.48 kV and 103.5 mA, respectively. In addition, the maximum power is 121 W with the corresponding electronic efficiency of 5.1%. The proposed G-band 100 W TWT will have broad applications in far-distance high-resolution imaging. Full article
Show Figures

Figure 1

12 pages, 5787 KB  
Article
A Symmetrical Quasi-Synchronous Step-Transition Folded Waveguide Slow Wave Structure for 650 GHz Traveling Wave Tubes
by Duo Xu, Tenglong He, Yuan Zheng, Zhigang Lu, Huarong Gong, Zhanliang Wang, Zhaoyun Duan and Shaomeng Wang
Sensors 2024, 24(16), 5289; https://doi.org/10.3390/s24165289 - 15 Aug 2024
Cited by 1 | Viewed by 1547
Abstract
For the purpose of improving performance and reducing the fabrication difficulty of terahertz traveling wave tubes (TWTs), this paper proposes a novel single-section high-gain slow wave structure (SWS), which is named the symmetrical quasi-synchronous step-transition (SQSST) folded waveguide (FW). The SQSST-FW SWS has [...] Read more.
For the purpose of improving performance and reducing the fabrication difficulty of terahertz traveling wave tubes (TWTs), this paper proposes a novel single-section high-gain slow wave structure (SWS), which is named the symmetrical quasi-synchronous step-transition (SQSST) folded waveguide (FW). The SQSST-FW SWS has an artificially designed quasi-synchronous region (QSR) to suppress self-oscillations for sustaining a high gain in an untruncated circuit. Simultaneously, a symmetrical design can improve the efficiency performance to some extent. A prototype of the SQSST-FW SWS for 650 GHz TWTs is designed based on small-signal analysis and numerical simulation. The simulation results indicate that the maximum saturation gain of the designed 650 GHz SQSST-FW TWT is 39.1 dB in a 34.3 mm slow wave circuit, occurring at the 645 GHz point when a 25.4 kV 15 mA electron beam and a 0.43 mW sinusoidal input signal are applied. In addition, a maximum output power exceeding 4 W is observed at the 648 GHz point using the same beam with an increased input power of around 2.8 mW. Full article
(This article belongs to the Special Issue Millimeter Wave and Terahertz Source, Sensing and Imaging)
Show Figures

Figure 1

38 pages, 33578 KB  
Review
Advances in High–Speed, High–Power Photodiodes: From Fundamentals to Applications
by Qingtao Chen, Xiupu Zhang, Mohammad S. Sharawi and Raman Kashyap
Appl. Sci. 2024, 14(8), 3410; https://doi.org/10.3390/app14083410 - 17 Apr 2024
Cited by 27 | Viewed by 9419
Abstract
High–speed, high–power photodiodes play a key role in wireless communication systems for the generation of millimeter wave (MMW) and terahertz (THz) waves based on photonics–based techniques. Uni–traveling–photodiode (UTC–PD) is an excellent candidate, not only meeting the above–mentioned requirements of broadband (3 GHz~1 THz) [...] Read more.
High–speed, high–power photodiodes play a key role in wireless communication systems for the generation of millimeter wave (MMW) and terahertz (THz) waves based on photonics–based techniques. Uni–traveling–photodiode (UTC–PD) is an excellent candidate, not only meeting the above–mentioned requirements of broadband (3 GHz~1 THz) and high–frequency operation, but also exhibiting the high output power over mW–level at the 300 GHz band. This paper reviews the fundamentals of high–speed, high–power photodiodes, mirror–reflected photodiodes, microstructure photodiodes, photodiode–integrated devices, the related equivalent circuits, and design considerations. Those characteristics of photodiodes and the related photonic–based devices are analyzed and reviewed with comparisons in detail, which provides a new path for these devices with applications in short–range wireless communications in 6G and beyond. Full article
(This article belongs to the Special Issue Advanced Optical-Fiber-Related Technologies)
Show Figures

Figure 1

12 pages, 6018 KB  
Article
Theoretical Design of a Dual-Band TE01/TE02 Mode Gyrotron Traveling Wave Tube
by Rutai Chen, Tianzhong Zhang, Qixiang Zhao and Sheng Yu
Electronics 2023, 12(15), 3282; https://doi.org/10.3390/electronics12153282 - 30 Jul 2023
Cited by 1 | Viewed by 1883
Abstract
A dual-band (K/Ka) TE01/TE02 mode gyrotron traveling wave tube is presented in this article. To suppress parasitic oscillations, a lossy-dielectric-loaded interaction circuit is employed. The particle-in-cell simulation results show that when it operates in K-band, the operating mode is the [...] Read more.
A dual-band (K/Ka) TE01/TE02 mode gyrotron traveling wave tube is presented in this article. To suppress parasitic oscillations, a lossy-dielectric-loaded interaction circuit is employed. The particle-in-cell simulation results show that when it operates in K-band, the operating mode is the TE01 mode, with a peak output power of 87.1 kW, a saturated gain of 42.74 dB, and a −3 dB bandwidth of 0.7 GHz, and when it operates in Ka-band, the operating mode is the TE02 mode, with a peak output power of 62 kW, a saturated gain of 60.76 dB, and a −3 dB bandwidth of 2 GHz. Moreover, in the operating frequency range of the Ka-band, the overall gain is greater than 57 dB. To meet the requirements of dual-band operating, a dual-state magnetic injection gun is designed, a dual-mode coaxial cavity input coupler is proposed, and a dual-band output system is developed. All of these components showed excellent performance in simulations. Full article
(This article belongs to the Special Issue Microwave, Millimeter and Terahertz Wave Power Electronic Devices)
Show Figures

Figure 1

16 pages, 7425 KB  
Article
A Broadband Analog Predistortion Linearizer Based on GaAs MMIC for Ka-Band TWTAs
by Ting Liu, Xiaobao Su, Gang Wang, Bin Zhao, Rui Fu and Dan Zhu
Electronics 2023, 12(6), 1503; https://doi.org/10.3390/electronics12061503 - 22 Mar 2023
Cited by 5 | Viewed by 3078
Abstract
In this article, a Ka-band broadband analog predistortion (APD) microwave monolithic integrated circuit (MMIC) with independent tunability based on a 0.15 μm GaAs pHEMT process is proposed, which can be cascaded in front of traveling wave tube amplifiers (TWTAs) to improve their linearity. [...] Read more.
In this article, a Ka-band broadband analog predistortion (APD) microwave monolithic integrated circuit (MMIC) with independent tunability based on a 0.15 μm GaAs pHEMT process is proposed, which can be cascaded in front of traveling wave tube amplifiers (TWTAs) to improve their linearity. The influence of different diode sizes on the parameters of Schottky diodes is analyzed and used to design the gain and phase nonlinear branches. The broadband APD MMIC is realized based on a dual-branch vector synthesis design and nonlinear frequency adjust module (NFAM). The independent tunability and broadband characteristics of the APD MMIC are verified by simulated and measured results with an error of less than 5%. Furthermore, a Ka-band 60 W TWTA is linearized by the APD MMIC, and the gain and phase compressions are reduced from 8 dB and 50° to within 3 dB and 12°, respectively. The third-order intermodulation (C/IM3) is greater than 28 dBc and noise power ratio (NPR) is greater than 15.7 dBc at 3 dB output power backoff (OPBO) over the operating band of 25.1~27.5 GHz, indicating that the APD MMIC can improve the nonlinearity of TWTA effectively under broadband signals. Full article
(This article belongs to the Special Issue RF/Microwave Circuits for 5G and Beyond, Volume II)
Show Figures

Figure 1

15 pages, 11606 KB  
Article
A Design Method of Traveling Wave Rotary Ultrasonic Motors Driving Circuit under High Voltage Using Single-Sided Hertzian Contact Forced Oscillator Model
by Xiaoniu Li, Tianlu Huang, Ning Zhao, Youtao Shen, Jiada Huang, Xuan Li, Jiayi Li and Lin Yang
Micromachines 2023, 14(1), 64; https://doi.org/10.3390/mi14010064 - 26 Dec 2022
Cited by 4 | Viewed by 3092
Abstract
Traveling wave rotary ultrasonic motors (TRUMs) are widely used in various industrial processes due to their attractive features, such as compact structure, high accuracy, and fast response. However, the major limiting factors of the operational performance of TRUMs under high-voltage excitation are the [...] Read more.
Traveling wave rotary ultrasonic motors (TRUMs) are widely used in various industrial processes due to their attractive features, such as compact structure, high accuracy, and fast response. However, the major limiting factors of the operational performance of TRUMs under high-voltage excitation are the nonlinear behavior caused by the nonlinearities of the piezoelectric materials and the friction between the stator and rotor of the motor. In this study, a nonlinear dynamics model and an identification method are presented to directly design the driver circuit for suppressing the nonlinear behavior under high voltage excitation. Firstly, by studying the time–frequency characteristics of the isolated electrode voltage, a single-sided Hertzian contact forced oscillator model of TRUMs is established, involving the nonlinearities of the piezoelectric material and friction. Secondly, a harmonic balance nonlinear identification is proposed in the time domain for TRUMs. The influence of the voltage and preload on the nonlinear phenomena is discussed. Lastly, a novel driver circuit is proposed to suppress the nonlinearities using feedback from the isolated electrode. Experiments showed that the total harmonic distortion decreased by 89.4% under 500 Vpp. The proposed drive circuit design method is used to find a high excitation voltage and preload to achieve greater motor output power. Full article
(This article belongs to the Special Issue Recent Advance in Piezoelectric Actuators and Motors)
Show Figures

Figure 1

8 pages, 6685 KB  
Article
G-Band Broad Bandwidth Extended Interaction Klystron with Traveling-Wave Output Structure
by Xiaotao Xu, Hengliang Li, Xuesong Yuan, Qingyun Chen, Yifan Zu, Hailong Li, Yong Yin and Yang Yan
Electronics 2022, 11(19), 3153; https://doi.org/10.3390/electronics11193153 - 30 Sep 2022
Cited by 1 | Viewed by 2143
Abstract
In this paper, we investigate a large-sized beam tunnel, G-band extended interaction klystron (EIK) with a traveling wave output structure for the development of broad bandwidth EIKs. The high-quality factor F was introduced to estimate the bandwidth characteristics of the cluster cavities, and [...] Read more.
In this paper, we investigate a large-sized beam tunnel, G-band extended interaction klystron (EIK) with a traveling wave output structure for the development of broad bandwidth EIKs. The high-quality factor F was introduced to estimate the bandwidth characteristics of the cluster cavities, and the optimal cluster cavity structure parameters were obtained based on this factor. The simulation mode of the device was designed by the 3D particle-in-cell (PIC) commercial simulation software. Four cluster cavities with a staggered distribution of frequencies were employed to expand the bunching bandwidth, and two traveling wave modes, 2π−π/10 and 2π−2π/10, were used as the operating modes in the output structure, effectively increasing the output bandwidth. The simulation findings show that the maximum output power is 170 W, the corresponding gain is 37.5 dB, and the 3-dB bandwidth is up to 1.25 GHz. The three-hole coupling structure with a large-sized beam tunnel provides convenience for the fabrication of devices in the G-band, and our study shows a potential method for the realization of a G-band broadband EIK. Full article
Show Figures

Figure 1

10 pages, 3506 KB  
Article
Investigation of a Miniaturized E-Band Cosine-Vane Folded Waveguide Traveling-Wave Tube for Wireless Communication
by Kexin Ma, Jun Cai and Jinjun Feng
Electronics 2021, 10(24), 3054; https://doi.org/10.3390/electronics10243054 - 7 Dec 2021
Cited by 3 | Viewed by 2711
Abstract
To realize the miniaturization of E-band traveling-wave tubes (TWTs), the size analysis and optimization design were carried out based on an improved cosine-vane folded waveguide (CV-FWG) slow-wave structure (SWS) that operates in a low voltage. In addition, a novel miniaturized T-shaped coupler was [...] Read more.
To realize the miniaturization of E-band traveling-wave tubes (TWTs), the size analysis and optimization design were carried out based on an improved cosine-vane folded waveguide (CV-FWG) slow-wave structure (SWS) that operates in a low voltage. In addition, a novel miniaturized T-shaped coupler was proposed to achieve a good voltage standing wave rate (VSWR) in a broad bandwidth. The coupler length was reduced by as much as 77% relative to an original design. With higher coupling impedance, the radius and length of the shortened SWS were optimized as 1.3 mm and 50 mm, respectively. Using microwave tube simulator suit (MTSS) and CST particle studio (PS), 3D beam–wave simulations at 9400 V, 20 mA predicted a gain of 20 dB and a saturated output power of 9 W. The simulation results for CV-FWG TWTs were compared with conventional FWG TWTs from 81 GHz to 86 GHz, showing significant performance advantages with excellent flatness for high-rate wireless communication in the future. The CV-FWG SWS circuit will be fabricated by 3D printing, and this work is underway. Full article
(This article belongs to the Special Issue High-Frequency Vacuum Electron Devices)
Show Figures

Figure 1

9 pages, 3463 KB  
Article
A 340 GHz High-Power Multi-Beam Overmoded Flat-Roofed Sine Waveguide Traveling Wave Tube
by Jinjing Luo, Jin Xu, Pengcheng Yin, Ruichao Yang, Lingna Yue, Zhanliang Wang, Lin Xu, Jinjun Feng, Wenxin Liu and Yanyu Wei
Electronics 2021, 10(23), 3018; https://doi.org/10.3390/electronics10233018 - 3 Dec 2021
Cited by 8 | Viewed by 2413
Abstract
A phase shift that is caused by the machining errors of independent circuits would greatly affect the efficiency of the power combination in traditional multi-beam structures. In this paper, to reduce the influence of the phase shift and improve the output power, a [...] Read more.
A phase shift that is caused by the machining errors of independent circuits would greatly affect the efficiency of the power combination in traditional multi-beam structures. In this paper, to reduce the influence of the phase shift and improve the output power, a multi-beam shunted coupling sine waveguide slow wave structure (MBSC-SWG-SWS) has been proposed, and a multi-beam overmoded flat-roofed SWG traveling wave tube (TWT) based on the MBSC-SWG-SWS was designed and analyzed. A TE10-TE30 mode convertor was designed as the input/output coupler in this TWT. The results of the 3D particle-in-cell (PIC) simulation with CST software show that more than a 50 W output power can be produced at 342 GHz, and the 3 dB bandwidth is about 13 GHz. Furthermore, the comparison between the single-beam sine waveguide (SWG) TWT and the multi-beam overmoded SWG TWT indicates that the saturated output power of the multi-beam overmoded SWG TWT is three times more than that of the single beam SWG TWT. Full article
(This article belongs to the Special Issue High-Frequency Vacuum Electron Devices)
Show Figures

Figure 1

14 pages, 15660 KB  
Article
Design and Optimization of a Novel SAW Gyroscope Structure Based on Amplitude Modulation with 1-D Phononic Crystals
by Fei Ge, Liye Zhao and Yang Zhang
Micromachines 2021, 12(12), 1485; https://doi.org/10.3390/mi12121485 - 30 Nov 2021
Cited by 4 | Viewed by 2689
Abstract
Surface acoustic wave gyroscopes (SAWGs), as a kind of all-solid-state micro-electro-mechanical system (MEMS) gyroscopes, can work normally under extremely high-impact environmental conditions. Among the current SAWGs, amplitude-modulated gyroscopes (AMGs) are all based on the same gyro effect, which was proved weak, and their [...] Read more.
Surface acoustic wave gyroscopes (SAWGs), as a kind of all-solid-state micro-electro-mechanical system (MEMS) gyroscopes, can work normally under extremely high-impact environmental conditions. Among the current SAWGs, amplitude-modulated gyroscopes (AMGs) are all based on the same gyro effect, which was proved weak, and their sensitivity and intensity of the output are both lower than frequency-modulated gyroscopes (FMGs). However, because FMGs need to process a series of frequency signals, their signal processing and circuits are far less straightforward and simple than AMGs. In order to own both high-sensitivity and simple signal processing, a novel surface acoustic traveling wave gyroscope based on amplitude modulation is proposed, using one-dimensional phononic crystals (PCs) in this paper. In view of its specific structure, the proposed gyroscope consists of a surface acoustic wave oscillator and a surface acoustic wave delay line within a one-dimensional phononic crystal with a high-Q defect mode. In this paper, the working principle is analyzed theoretically through the partial wave method (PWM), and the gyroscopes with different numbers of PCs are also designed and studied by using the finite element method (FEM) and multiphysics simulation. The research results demonstrate that under a 1 V oscillator voltage output, the higher sensitivity of −23.1 mV·(rad/s)−1 in the linear range from −8 rad/s to 8 rad/s is reached when the gyro with three PC walls, and the wider linear range from −15 rad/s to 17.5 rad/s with the sensitivity of −6.7 mV·(rad/s)−1 with only one PC wall. Compared with the existing AMGs using metal dots to enhance the gyro effect, the sensitivity of the proposed gyro is increased by 15 to 112 times, and the linear range is increased by 4.6 to 186 times, even without the enhancement of the metal dots. Full article
Show Figures

Figure 1

8 pages, 2245 KB  
Article
Broadband and Integratable 2 × 2 TWT Amplifier Unit for Millimeter Wave Phased Array Radar
by Guo Guo, Zhenlin Yan, Zhenzhen Sun, Jianwei Liu, Ruichao Yang, Yubin Gong and Yanyu Wei
Electronics 2021, 10(22), 2808; https://doi.org/10.3390/electronics10222808 - 16 Nov 2021
Cited by 4 | Viewed by 2295
Abstract
A novel power amplifier unit for a phased array radar with 2 × 2 output ports for a vacuum electron device is proposed. Double parallel connecting microstrip meander-lines are employed as the slow-wave circuits of a large power traveling wave tube operate in [...] Read more.
A novel power amplifier unit for a phased array radar with 2 × 2 output ports for a vacuum electron device is proposed. Double parallel connecting microstrip meander-lines are employed as the slow-wave circuits of a large power traveling wave tube operate in a Ka-band. The high frequency characteristics, the transmission characteristics, and the beam–wave interaction processes for this amplifier are simulated and optimized. For each output port of one channel, the simulation results reveal that the output power, saturated gain, and 3-dB bandwidth can reach 566 W, 27.5 dB, and 7 GHz, respectively. Additionally, the amplified signals of four output ports have favorable phase congruency. After fabrication and assembly, transmission tests for the 80-period model are performed preliminarily. The tested “cold” S-parameters match well with the simulated values. This type of integratable amplifier combined with a vacuum device has broad application prospects in the field of high power and broad bandwidth on a millimeter wave phased array radar. Full article
(This article belongs to the Special Issue High-Frequency Vacuum Electron Devices)
Show Figures

Figure 1

11 pages, 3740 KB  
Article
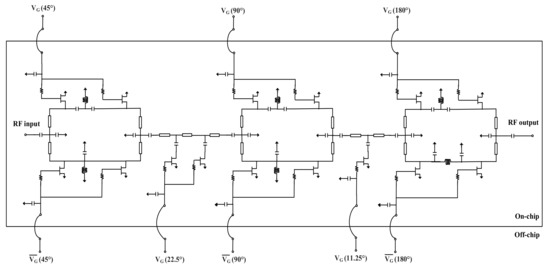
A 5-Bit X-Band GaN HEMT-Based Phase Shifter
by Hsien-Chin Chiu, Chun-Ming Chen, Li-Chun Chang and Hsuan-Ling Kao
Electronics 2021, 10(6), 658; https://doi.org/10.3390/electronics10060658 - 11 Mar 2021
Cited by 13 | Viewed by 4285
Abstract
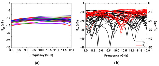
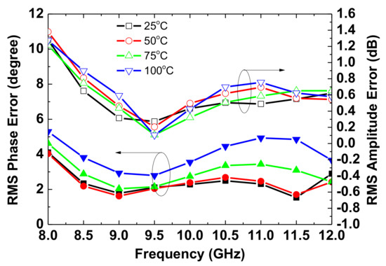
In this study, we propose a 5-bit X-band gallium nitride (GaN) high electron mobility transistor (HEMT)-based phased shifter monolithic microwave integrated circuit for a phased-array technique. The design includes high-pass/low-pass networks for the 180° phase bit, two high-pass/bandpass networks separated for the 45° [...] Read more.
In this study, we propose a 5-bit X-band gallium nitride (GaN) high electron mobility transistor (HEMT)-based phased shifter monolithic microwave integrated circuit for a phased-array technique. The design includes high-pass/low-pass networks for the 180° phase bit, two high-pass/bandpass networks separated for the 45° and 90° phase bits, and two transmission lines based on traveling wave switch and capacitive load networks that are separated for the 11.25° and 22.5° phase bits. The state-to-state variation in the insertion loss is 11.8 ± 3.45 dB, and an input/output return loss of less than 8 dB was obtained in a frequency range of 8–12 GHz. Moreover, the phase shifter achieved a low root mean square (RMS) phase error and RMS amplitude error of 6.23° and 1.15 dB, respectively, under the same frequency range. The measured input-referred P1dB of the five primary phase shift states were larger than 29 dBm at 8 GHz. The RMS phase error and RMS amplitude error slightly increased when the temperature increased from 25 to 100 °C. The on-chip phase shifter exhibited no dc power consumption and occupied an area of 2 × 3 mm2. Full article
(This article belongs to the Section Microelectronics)
Show Figures

Figure 1

15 pages, 3564 KB  
Article
Duty-Cycled Wireless Power Transmission for Millimeter-Sized Biomedical Implants
by Muhammad Abrar Akram, Kai-Wen Yang and Sohmyung Ha
Electronics 2020, 9(12), 2130; https://doi.org/10.3390/electronics9122130 - 12 Dec 2020
Cited by 10 | Viewed by 5053
Abstract
Wireless power transmission (WPT) using an inductively coupled link is one of the most popular approaches to deliver power wirelessly to biomedical implants. As the electromagnetic wave travels through the tissue, it is attenuated and absorbed by the tissue, resulting in much weaker [...] Read more.
Wireless power transmission (WPT) using an inductively coupled link is one of the most popular approaches to deliver power wirelessly to biomedical implants. As the electromagnetic wave travels through the tissue, it is attenuated and absorbed by the tissue, resulting in much weaker electromagnetic coupling than in the air. As a result, the received input power on the implant is very weak, and so is the input voltage at the rectifier, which is the first block that receives the power on the implant. With such a small voltage amplitude, the rectifier inevitably has a very poor power conversion efficiency (PCE), leading to a poor power transfer efficiency (PTE) of the overall WPT system. To address this challenge, we propose a new system-level WPT method based on duty cycling of the power transmission for millimeter-scale implants. In the proposed method, the power transmitter (TX) transmits the wave with a duty cycle. It transmits only during a short period of time and pauses for a while instead of transmitting the wave continuously. In doing so, the TX power during the active period can be increased while preserving the average TX power and the specific absorption rate (SAR). Then, the incoming voltage becomes significantly larger at the rectifier, so the rectifier can rectify the input with a higher PCE, leading to improved PTE. To investigate the design challenges and applicability of the proposed duty-cycled WPT method, a case for powering a 1 × 1-mm2-sized neural implant through the skull is constructed. The implant, a TX, and the associated environment are modeled in High-Frequency Structure Simulator (HFSS), and the circuit simulations are conducted in Cadence with circuit components in a 180-nm CMOS process. At a load resistor of 100 kΩ, an output capacitor of 4 nF, and a carrier frequency of 144 MHz, the rectifier’s DC output voltage and PCE are increased by 300% (from 1.5 V to 6 V) and by 50% (from 14% to 64%), respectively, when the duty cycle ratio of the proposed duty-cycled power transmission is varied from 100% to 5%. Full article
(This article belongs to the Special Issue Wireless Power/Data Transfer, Energy Harvesting System Design)
Show Figures

Figure 1

16 pages, 4567 KB  
Article
PSO-Algorithm-Based Optimal Design of LCLC Resonant Converters for Space Travelling-Wave Tube Amplifiers Applications
by Bin Zhao and Gang Wang
Energies 2019, 12(12), 2444; https://doi.org/10.3390/en12122444 - 25 Jun 2019
Cited by 3 | Viewed by 4305
Abstract
Due to the advantages of zero-voltage-switching (ZVS) and zero-current-switching (ZCS), LCLC resonant converters are universally applied in two-stage electronic power conditioners (EPCs) of space travelling-wave tube amplifiers (TWTAs). In two-stage EPCs, as the output voltage is regulated by the first stage, the main [...] Read more.
Due to the advantages of zero-voltage-switching (ZVS) and zero-current-switching (ZCS), LCLC resonant converters are universally applied in two-stage electronic power conditioners (EPCs) of space travelling-wave tube amplifiers (TWTAs). In two-stage EPCs, as the output voltage is regulated by the first stage, the main functions of LCLC resonant converters are to boost the input voltage, provide galvanic isolation, and maintain high efficiency. However, the total power loss of an LCLC resonant converter is very challenging because of the multiple resonant components and their mutual couplings. In order to solve this problem, in this paper, a PSO (Particle Swarm Optimization)-algorithm-based, efficiency-oriented optimal design method of an LCLC resonant converter is proposed. Based on an analysis of working principles, the total power loss (with consideration of all the power losses, including the driving loss and the conduction loss of the main switches), transformer loss, and power loss of the rectifiers is calculated. After that, the total power loss is appointed as the objective function of the PSO algorithm, where the optimal circuit parameters are derived to minimize the total power loss. After the optimal circuit parameters are obtained, an LCLC resonant converter with the desired parameters is built. Finally, the proposed PSO-algorithm-based, efficiency-oriented optimal design method is validated by an example. Full article
(This article belongs to the Section F: Electrical Engineering)
Show Figures

Figure 1

Back to TopTop