A 5-Bit X-Band GaN HEMT-Based Phase Shifter
Abstract
1. Introduction
2. Circuit Design
2.1. High/Low-Pass Phase Shifter
2.2. High/Band-Pass Phase Shifter
2.3. Transmission Line with Traveling Wave Switch and Capacitive Loaded Phase Shifter
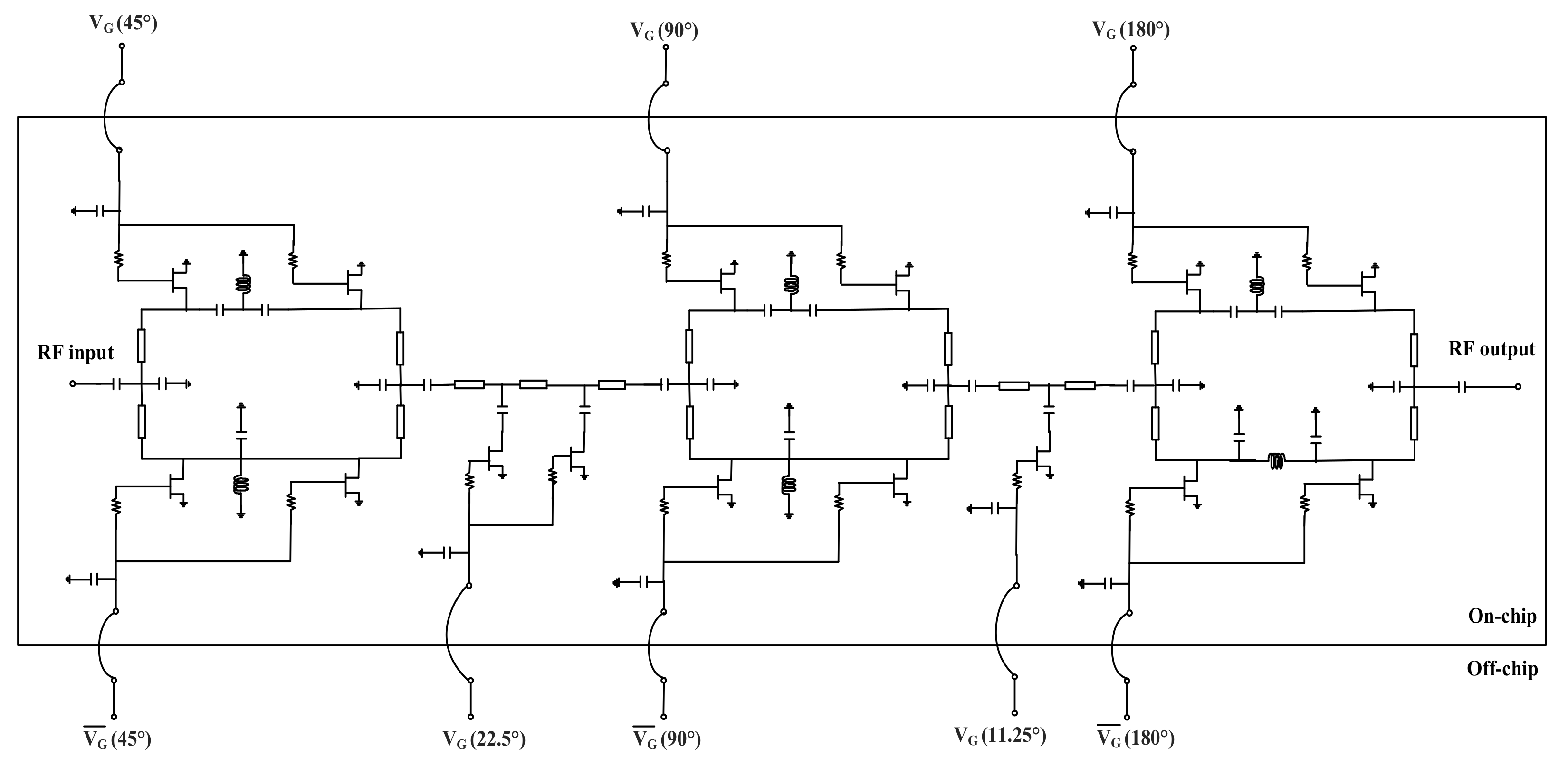
2.4. Design of 5-Bit X-Band Phase Shifter
3. Results and Discussion
4. Conclusions
Author Contributions
Funding
Data Availability Statement
Acknowledgments
Conflicts of Interest
References
- Bai, C.X.; Cheng, Y.J.; Ding, Y.R.; Zhang, J.F. A Metamaterial-Based S/X-Band Shared-Aperture Phased-Array Antenna With Wide Beam Scanning Coverage. IEEE Trans. Antennas Propag. 2020, 68, 4283–4292. [Google Scholar] [CrossRef]
- Wang, Z.; Pan, X.; Yang, F.; Xu, S.; Li, M. Real-Time Mode Switching and Beam Scanning of High-Gain OAM Waves Using a 1-Bit Reconfigurable Reflectarray Antenna. Electronics 2020, 9, 2181. [Google Scholar] [CrossRef]
- Guoming, L.; Sabirova, F.M.; Morozov, A.V. Simulation and experimental measurement of digital multi-beamforming phased antenna array in the frequency range C. Results Phys. 2019, 13, 102310. [Google Scholar] [CrossRef]
- Wang, L.; You, Y.; Mikul, A.; Bonebright, R.; Kromholtz, G.; Heo, D.; Sun, P. Highly Linear Ku -Band SiGe PIN Diode Phase Shifter in Standard SiGe BiCMOS Process. IEEE Microw. Wirel. Compon. Lett. 2009, 20, 37–39. [Google Scholar] [CrossRef]
- Kim, T.T.; Feng, J.; Shehab, S.H.; Karmakar, N.C. 1.4 GHz Low-Cost PIN Diode Phase Shifter for L -Band Radiometer Antenna. IEEE Access 2019, 7, 2181. [Google Scholar]
- Moshaev, V.; Leibin, Y.; Malka, D. Optimizations of Si PIN diode phase-shifter for controlling MZM quadrature bias point using SOI rib waveguide technology. Opt. Laser Technol. 2021, 138, 106844. [Google Scholar] [CrossRef]
- Kang, D.-W.; Lee, H.D.; Kim, C.-H.; Hong, S. Ku-band MMIC phase shifter using a parallel resonator with 0.18-/spl mu/m CMOS technology. IEEE Trans. Microw. Theory Tech. 2006, 54, 294–301. [Google Scholar] [CrossRef]
- Sim, S.; Jeon, L.; Kim, J.-G. A Compact X-Band Bi-Directional Phased-Array T/R Chipset in 0.13 muhboxm CMOS Technology. IEEE Trans. Microw. Theory Tech. 2013, 61, 562–569. [Google Scholar] [CrossRef]
- Lee, H.; Kim, Y.; Lee, I.; Kim, D.; Park, K.; Jeon, S. A Ku-Band GaAs Multifunction Transmitter and Receiver Chipset. Electronics 2020, 9, 1327. [Google Scholar] [CrossRef]
- Tsai, J.-H.; Kuo, Y.-T.; Yu, H.-C. A Ku-Band 3-Bit Phase Shifter MMIC using GaAs pHEMT Technology for Phased Array System. Microw. Opt. Technol. Lett. 2014, 57, 771–774. [Google Scholar] [CrossRef]
- Hettak, K.; Ross, T.K.; Gratton, D.; Wight, J. A New Type of GaN HEMT Based High Power High-Pass/Low-Pass Phase Shifter at X Band. In Proceedings of the IEEE MTT-S International Microwave Symposium, Montreal, QC, Canada, 17–22 June 2012. [Google Scholar]
- Ross, T.N.; Cormier, G.; Hettak, K.; Wight, J.S. High-Power X-Band GaN Switched-Filter Phase Shifter. In Proceedings of the IEEE MTT-S International Microwave Symposium, Tampa, FL, USA, 1–6 June 2014. [Google Scholar]
- Sun, P.; Liu, H.; Zhang, Z.; Geng, M.; Zhang, R.; Luo, W. X-band 5-bit MMIC phase shifter with GaN HEMT technology. Solid-state Electron. 2017, 136, 18–23. [Google Scholar] [CrossRef]
- Kingsley, N.; Papapolymerou, J. Organic “Wafer-Scale” packaged miniature 4-bit RF MEMS phase shifter. IEEE Trans. Microw. Theory Tech. 2006, 54, 1229–1236. [Google Scholar] [CrossRef]
- Malczewski, A.; Eshelman, S.; Pillans, B.; Ehmke, J.; Goldsmith, C.L. X-band RF MEMS phase shifters for phased array applications. IEEE Microw. Guided Wave Lett. 1999, 9, 517–519. [Google Scholar] [CrossRef]
- Atwater, H. Circuit Design of the Loaded-Line Phase Shifter. IEEE Trans. Microw. Theory Tech. 1985, 33, 626–634. [Google Scholar] [CrossRef]
- Garver, R. Broad-Band Diode Phase Shifters. IEEE Trans. Microw. Theory Tech. 1972, 20, 314–323. [Google Scholar] [CrossRef]
- Wang, Z.; Pan, X.; Yang, F.; Xu, S.; Li, M. A New Type of Robust Broadband, GaN HEMT-Based High Power High-pass/Low-pass 22.5° Phase Shifter. Microw. Opt. Technol. Lett. 2014, 56, 347–349. [Google Scholar]
- Zhou, S.; Zhou, S.; Zhang, J.; Wu, J.; Yang, H.; Wang, Z. A 7.5–9 GHz GaAs Two-Channel Multi-Function Chip. Electronics 2019, 8, 395. [Google Scholar] [CrossRef]
- Florian, C.; Gibiino, G.P.; Santarelli, A. Characterization and Modeling of RF GaN Switches Accounting for Trap-Induced Degradation Under Operating Regimes. IEEE Trans. Microw. Theory Tech. 2018, 66, 5491–5500. [Google Scholar] [CrossRef]
- Hong, J.-S.; Lancaster, M.J. Microstrip Filters for RF/Microwave Applications; JohnWiley and Sons: Hoboken, NJ, USA, 2004; Volume 167. [Google Scholar]
- Lin, K.-Y.; Tu, W.-H.; Chen, P.-Y.; Chang, H.-Y.; Wang, H.; Wu, R.-B. Millimeter-Wave MMIC Passive HEMT Switches Using Traveling-Wave Concept. IEEE Trans. Microw. Theory Tech. 2004, 52, 1798–1808. [Google Scholar] [CrossRef]
- Alsuraisry, H.; Cheng, J.-H.; Wang, H.-W.; Zhong, J.-Y.; Tsai, J.-H.; Huang, T.-W. A X-band digitally controlled 5-bit phase shifter in 0.18-μm CMOS technology. In Proceedings of the 2015 Asia-Pacific Microwave Conference (APMC), Nanjing, China, 6–9 December 2015; Volume 2, pp. 1–3. [Google Scholar] [CrossRef]
- Yang, H.-J.; Yuan, J.; Li, Y.; Hou, Z.-L.; Jin, H.-B.; Fang, X.-Y.; Cao, M.-S. Silicon carbide powders: Temperature-dependent dielectric properties and enhanced microwave absorption at gigahertz range. Solid State Commun. 2013, 163, 1–6. [Google Scholar] [CrossRef]












| VG | 45° | 22.5° | 90° | 11.25° | 180° |
|---|---|---|---|---|---|
| 11.25° | 0 (off) | 0 | 0 | −5 | 0 |
| 22.5° | 0 | −5 | 0 | 0 | 0 |
| 45° | −5 (on) | 0 | 0 | 0 | 0 |
| 90° | 0 | 0 | −5 | 0 | 0 |
| 180° | 0 | 0 | 0 | 0 | −5 |
| Frequency (GHz) | 8–12 | 8–11.5 | 9.5 | 11 |
|---|---|---|---|---|
| Insertion loss (dB) | 11.8 ± 3.45 | 11.7 ± 3.26 | 11.5 ± 2.24 | 11.2 ± 2.54 |
| Return loss (dB) | >8 | >8 | >8 | >8 |
| RMS phase error (deg.) | <6.23 | <4.84 | 3.91 | 2.52 |
| Absolute phase error (deg.) | <6.58 | <4.77 | 2.28 | 1.93 |
| RMS amplitude error (dB) | <1.15 | <0.67 | 0.41 | 0.49 |
| Absolute amplitude error (dB) | <1.35 | <1.35 | 0.33 | 0.34 |
| Ref. | [7] | [10] | [13] | [23] | This Work |
|---|---|---|---|---|---|
| Process | 0.18 μm CMOS | 0.15 μm pHEMT | 0.25 μm GaN HEMT | 0.18 μm CMOS | 0.25 μm GaN HEMT |
| Bandwidth (GHz) | 9–15 | 10–14 | 8–12 (8–11.5) | 8–12 (8–11.5) | 8–12 (8–11.5) |
| Phase resolution (bit) | 5 | 3 | 5 | 5 | 5 |
| Insertion loss (dB) | 15.5 ± 3.5 | 6.5 ± 1.5 | 9.95 ± 2.05 | 14 ± 3 | 11.65 ± 3.45 |
| Return loss (dB) | 8 | 7 | 8.5 | 8 | 8 |
| RMS phase error (deg.) | 6.19–12.2 | 2.22–15.36 | 3.67–5.64 (3.66–5.63) | 7.24–9.16 (7.55–9.16) | 2.52–6.23 (2.52–4.84) |
| RMS amplitude error (dB) | 0.25–2.12 | 0.25–1.11 | 0.38–0.77 (0.37–0.77) | 0.43–1.25 (0.43–1.17) | 0.41–1.16 (0.41–1.16) |
| P1dB power handing (dBm) | - | 32 | - | 29 | |
| Size (mm2) | 3.41 | 1.5 | 8.55 | 0.81 | 6 |
Publisher’s Note: MDPI stays neutral with regard to jurisdictional claims in published maps and institutional affiliations. |
© 2021 by the authors. Licensee MDPI, Basel, Switzerland. This article is an open access article distributed under the terms and conditions of the Creative Commons Attribution (CC BY) license (http://creativecommons.org/licenses/by/4.0/).
Share and Cite
Chiu, H.-C.; Chen, C.-M.; Chang, L.-C.; Kao, H.-L. A 5-Bit X-Band GaN HEMT-Based Phase Shifter. Electronics 2021, 10, 658. https://doi.org/10.3390/electronics10060658
Chiu H-C, Chen C-M, Chang L-C, Kao H-L. A 5-Bit X-Band GaN HEMT-Based Phase Shifter. Electronics. 2021; 10(6):658. https://doi.org/10.3390/electronics10060658
Chicago/Turabian StyleChiu, Hsien-Chin, Chun-Ming Chen, Li-Chun Chang, and Hsuan-Ling Kao. 2021. "A 5-Bit X-Band GaN HEMT-Based Phase Shifter" Electronics 10, no. 6: 658. https://doi.org/10.3390/electronics10060658
APA StyleChiu, H.-C., Chen, C.-M., Chang, L.-C., & Kao, H.-L. (2021). A 5-Bit X-Band GaN HEMT-Based Phase Shifter. Electronics, 10(6), 658. https://doi.org/10.3390/electronics10060658

