Sign in to use this feature.

Years

Between: -

Subjects

remove_circle_outline
remove_circle_outline
remove_circle_outline
remove_circle_outline
remove_circle_outline
remove_circle_outline

Journals

Article Types

Countries / Regions

Search Results (13)

Search Parameters:
Keywords = thermal receiver optimisation

Order results
Result details
Results per page
Select all
Export citation of selected articles as:
37 pages, 46714 KB  
Review
Parabolic Dish Collectors for Concentrated Solar Power: A Comprehensive Review on Their Subsystems and Overall Integration
by Judit García-Ferrero, Rosa Pilar Merchán Corral, Jesús Alberto Moctezuma-Hernández, David Pérez-Gallego, Simin Anvari, Julian González-Ayala, Antonio Calvo-Hernández, José Miguel Mateos Roco, María Jesús Santos and Alejandro Medina
Energies 2025, 18(24), 6596; https://doi.org/10.3390/en18246596 - 17 Dec 2025
Viewed by 1464
Abstract
Parabolic dish collectors (PDCs) focus solar radiation onto a small area, minimizing the heat-loss area of the solar receiver and improving the heating of the working fluid. This fluid usually drives a Stirling-like or micro-gas turbine (Brayton-like) power generator. PDCs, initially intended for [...] Read more.
Parabolic dish collectors (PDCs) focus solar radiation onto a small area, minimizing the heat-loss area of the solar receiver and improving the heating of the working fluid. This fluid usually drives a Stirling-like or micro-gas turbine (Brayton-like) power generator. PDCs, initially intended for small-capacity applications, are well-suited for electricity and heat generation in remote rural areas, working alone and/or as parabolic dish arrays. PDCs have received considerable attention among solar thermal collectors due to their high concentration ratios and the high temperatures they achieve. However, nowadays, they are the least developed and least commissioned among concentrated solar power configurations, lacking a well-established technology. This review aims to compile the evolution of research on PDCs over recent years from a global perspective and is mainly focused on the subsystems constituting a PDC plant, their integration, and overall system optimisation, thereby addressing a gap in the current literature. Methodological tools used in the field are comprehensively revised, and recent related projects are summarized. Some innovative and promising applications are also highlighted. Full article
(This article belongs to the Special Issue Solar Energy Conversion and Storage Technologies)
Show Figures

Figure 1

61 pages, 28025 KB  
Article
A Study on the Perception Evaluation of Public Spaces in Urban Historic Waterfront Areas Based on AHP–Cloud Modelling: The Case of the Xiaoqinhuai Riverside Area in Yangzhou
by Jizhou Chen, Xinyu Duan, Wanli Zhang, Xiaobin Li, Hao Feng, Ren Zhou and Rong Zhu
Land 2025, 14(12), 2402; https://doi.org/10.3390/land14122402 - 11 Dec 2025
Cited by 3 | Viewed by 1116
Abstract
With the acceleration of global urbanisation, the pace of evolution in urban waterfront areas has intensified, consequently hastening the renewal rate of their constituent public spaces. Compared to the macro-level planning and regulation of traditional port and coastal waterfronts, balancing the historical preservation [...] Read more.
With the acceleration of global urbanisation, the pace of evolution in urban waterfront areas has intensified, consequently hastening the renewal rate of their constituent public spaces. Compared to the macro-level planning and regulation of traditional port and coastal waterfronts, balancing the historical preservation of urban heritage waterfront public spaces with contemporary demands has emerged as a critical issue in urban regeneration. This study examines the historical waterfront area of the Xiaoqinhuai River in Yangzhou, establishing a public space perception evaluation framework encompassing five dimensions: spatial structure, landscape elements, environmental perception, socio-cultural context, and facility systems. This framework comprises 33 secondary indicators. The perception assessment system was developed through a literature review, field research, and expert interviews, refined using the Delphi method, and weighted via the Analytic Hierarchy Process (AHP). Finally, cloud modelling was employed to evaluate perceptions among residents and visitors. Findings indicate that spatial structure and socio-cultural dimensions received high perception ratings, highlighting historical layout and cultural identity as strengths of the Xiaoqinhuai Riverfront public space, while significant shortcomings were noted in terms of landscape elements, environmental perception, and facilities. These deficiencies manifest primarily in limited vegetation diversity, inadequate hard paving and surface materials, insufficient landscape node design, poor thermal comfort, suboptimal air quality and olfactory perception, uncomfortable resting facilities, limited activity diversity, and inadequate slip-resistant surfaces. Further analysis reveals perceptual differences between residents and visitors: the former prioritise daily living needs, while the latter emphasise cultural experiences and recreational facilities. Based on these findings, this paper proposes targeted optimisation strategies emphasising the continuity of historical context and enhancement of spatial inclusivity. It recommends improving public space quality through multi-dimensional measures including environmental perception enhancement, landscape system restructuring, and the tiered provision of facilities. This research offers an actionable theoretical framework and practical pathway for the protective renewal, public space reconstruction, and optimisation of contemporary urban historic waterfront areas, demonstrating broad transferability and applicability. Full article
(This article belongs to the Topic Contemporary Waterfronts, What, Why and How?)
Show Figures

Figure 1

32 pages, 9121 KB  
Review
Generative Design of Concentrated Solar Thermal Tower Receivers—State of the Art and Trends
by Jorge Moreno García-Moreno and Kypros Milidonis
Energies 2025, 18(22), 5890; https://doi.org/10.3390/en18225890 - 8 Nov 2025
Viewed by 1001
Abstract
The rapid advances in artificial intelligence (AI) and high-performance computing (HPC) are transforming the landscape of engineering design, and the concentrated solar power (CSP) tower sector is no exception. As these technologies increasingly penetrate the energy domain, they bring new capabilities for addressing [...] Read more.
The rapid advances in artificial intelligence (AI) and high-performance computing (HPC) are transforming the landscape of engineering design, and the concentrated solar power (CSP) tower sector is no exception. As these technologies increasingly penetrate the energy domain, they bring new capabilities for addressing the complex, multi-variable nature of receiver design and optimisation. This review explores the application of AI-driven generative design techniques in the context of CSP tower receivers, with a particular focus on the use of metaheuristic algorithms and machine learning models. A structured classification is presented, highlighting the most commonly employed methods, such as Genetic Algorithms (GAs), Particle Swarm Optimisation (PSO), and Artificial Neural Networks (ANNs), and mapping them to specific receiver types: cavity, external, and volumetric. GAs are found to dominate multi-objective optimisation tasks, especially those involving trade-offs between thermal efficiency and heat flux uniformity, while ANNs offer strong potential as surrogate models for accelerating design iterations. The review also identifies existing gaps in the literature and outlines future opportunities, including the integration of high-fidelity simulations and experimental validation into AI design workflows. These insights demonstrate the growing relevance and impact of AI in advancing the next generation of high-performance CSP receiver systems. Full article
Show Figures

Figure 1

37 pages, 9322 KB  
Review
Bio-Based Composites with Encapsulated Phase Change Materials for Sustainable Thermal Energy Storage: A Review
by Gunasilan Manar, Mohamed Shalaby, Mohd Supian Abu Bakar, Bisma Parveez, Muhammad Imran Najeeb, Mohd Khair Hassan, Sulaiman Al-Sowayan and Mohamad A. Alawad
Polymers 2025, 17(21), 2925; https://doi.org/10.3390/polym17212925 - 31 Oct 2025
Cited by 5 | Viewed by 3586
Abstract
Thermal energy storage (TES) plays a vital role in advancing energy efficiency and sustainability, with phase change materials (PCMs) receiving significant attention due to their high latent heat storage capacity. Nevertheless, conventional PCMs face critical challenges such as leakage, phase separation, and low [...] Read more.
Thermal energy storage (TES) plays a vital role in advancing energy efficiency and sustainability, with phase change materials (PCMs) receiving significant attention due to their high latent heat storage capacity. Nevertheless, conventional PCMs face critical challenges such as leakage, phase separation, and low thermal conductivity, which hinder large-scale applications. Encapsulation strategies have been developed to address these issues, and bio-based composite materials are increasingly recognised as sustainable alternatives. Materials such as lignin, nanocellulose, and biochar, as well as hybrid formulations with graphene and aerogels, show promise in improving thermal conductivity, mechanical integrity, and environmental performance. This review evaluates bio-based encapsulation approaches for PCMs, examining their effectiveness in enhancing heat transfer, durability under thermal cycling, and scalability. Applications in solar energy systems, building insulation, and electronic thermal regulation are highlighted, as are emerging AI-driven modelling tools for optimising encapsulation performance. Although bio-based PCM composites outperform conventional systems in terms of thermal stability and multifunctionality, they still face persistent challenges in terms of cost-effectiveness, scalability, and long-term reliability. Future research on smart, multifunctional PCMs and advanced bio-nanocomposites is essential for realising next-generation TES solutions that combine sustainability, efficiency, and durability. Full article
(This article belongs to the Special Issue Biobased and Biodegradable Polymer Blends and Composites II)
Show Figures

Figure 1

16 pages, 2478 KB  
Article
On the Influence of PV Cell and Diode Configurations on the Performance of a CPVT Collector: A Comparative Analysis
by João Gomes, Juan Pablo Santana, Damu Murali, George Pius and Iván P. Acosta-Pazmiño
Energies 2025, 18(13), 3479; https://doi.org/10.3390/en18133479 - 1 Jul 2025
Viewed by 761
Abstract
Concentrating photovoltaic-thermal (CPVT) collectors use reflective surfaces to focus sunlight onto a smaller receiver area, increasing thermal energy output while maintaining annual energy efficiency. Ray-tracing simulations are employed in this study using Tonatiuh to optimise the characteristics of the Double MaReCo (DM) collector, [...] Read more.
Concentrating photovoltaic-thermal (CPVT) collectors use reflective surfaces to focus sunlight onto a smaller receiver area, increasing thermal energy output while maintaining annual energy efficiency. Ray-tracing simulations are employed in this study using Tonatiuh to optimise the characteristics of the Double MaReCo (DM) collector, which is an improved version of the commercially available Solarus Power Collector (PC). Focused on enhancing electrical performance, the photovoltaic (PV) cell configurations are varied on the bottom side of the receiver, while the top-side PV cells remain constant. The study also analyses the influence of diodes and transparent gables on the annual solar irradiance received by the PV cells. From the analysis, it is observed that the specific annual irradiance received by the PV cells in the DM collector with transparent gables is nearly 64% more compared to that of the PC counterpart. It is also observed that the transparency of gables becomes significant only when the whole area of the receiver is covered by PV cells. With the goal of improving performance while lowering the cost and complexity of the DM collector, the study investigates various collector design characteristics that may shed more light on optimising the current model. Full article
(This article belongs to the Section A2: Solar Energy and Photovoltaic Systems)
Show Figures

Figure 1

18 pages, 13816 KB  
Article
Structural Performance-Based Design Optimisation of a Secondary Mirror for a Concentrated Solar Power (CSP) Plant
by Lucio Pinello, Massimo Fossati, Marco Giglio, Francesco Cadini, Carla Bevilacqua, Mario Cilento, Fulvio Bassetti and Raffaello Magaldi
Energies 2023, 16(16), 6000; https://doi.org/10.3390/en16166000 - 16 Aug 2023
Cited by 4 | Viewed by 3409
Abstract
Concentrated Solar Power (CSP) plants use mirrors to reflect and concentrate sunlight onto a receiver, to heat a fluid and store thermal energy, at high temperature and energy density, to produce dispatchable heat and/or electricity. The secondary mirror is a critical component in [...] Read more.
Concentrated Solar Power (CSP) plants use mirrors to reflect and concentrate sunlight onto a receiver, to heat a fluid and store thermal energy, at high temperature and energy density, to produce dispatchable heat and/or electricity. The secondary mirror is a critical component in the optical system of certain Solar Power Tower plants (SPT), as it redirects the concentrated sunlight from the primary mirror onto the receiver, which can be arranged at ground level. In this study, we propose a design optimisation for the secondary mirror of a CSP plant. The design optimisation method consists of two steps. The first step involves the use of the finite element simulation software Abaqus 2022 to analyse the structural performance of the secondary mirror under thermal loads and wind. The second step consists of the use of simulation results to identify the combination of design parameters and best performances, with respect to both design constraints and structural safety. This is carried out by developing an algorithm that selects those configurations which satisfy the constraints by using safety coefficients. The proposed optimisation method is applied to the design of a potential configuration of a secondary mirror for the beam-down of the CSP Magaldi STEM® technology, although the methodology can be extended to other components of CSP plants, such as primary mirrors and receivers, to further enhance the structural performance of these systems. Full article
Show Figures

Figure 1

17 pages, 3215 KB  
Article
Thermoeconomic Analysis of Concentrated Solar Power Plants Based on Supercritical Power Cycles
by María José Montes, Rafael Guedez, David D’Souza and José Ignacio Linares
Appl. Sci. 2023, 13(13), 7836; https://doi.org/10.3390/app13137836 - 3 Jul 2023
Cited by 7 | Viewed by 2951
Abstract
Solar thermal power plants are an alternative for the future energy context, allowing for a progressive decarbonisation of electricity production. One way to improve the performance of such plants is the use of supercritical CO2 power cycles. This article focuses on a [...] Read more.
Solar thermal power plants are an alternative for the future energy context, allowing for a progressive decarbonisation of electricity production. One way to improve the performance of such plants is the use of supercritical CO2 power cycles. This article focuses on a solar thermal plant with a central solar receiver coupled to a partial cooling cycle, and it conducts a comparative study from both a thermal and economic perspective with the aim of optimising the configuration of the receiver. The design of the solar receiver is based on a radial configuration, with absorber panels converging on the tower axis; the absorber panels are compact structures through which a pressurised gas circulates. The different configurations analysed keep a constant thermal power provided by the receiver while varying the number of panels and their dimensions. The results demonstrate the existence of an optimal configuration that maximises the exergy efficiency of the solar subsystem, taking into account both the receiver exergy efficiency and the heliostat field optical efficiency. The evolution of electricity generation cost follows a similar trend to that of the exergy efficiency, exhibiting minimum values when this efficiency is at its maximum. Full article
Show Figures

Figure 1

29 pages, 14903 KB  
Review
Historical Review of Advancements in Insulated Cross-Arm Technology
by Matiullah Ahsan, Md Nor Ramdon Bin Baharom, Zainab Zainal, Luqman Hakim Mahmod, Irshad Ullah, Mohd Fairouz Mohd Yousof, Nor Akmal Mohd Jamail, Muhammad Saufi Kamarudin and Rahisham Abd Rahman
Energies 2022, 15(21), 8221; https://doi.org/10.3390/en15218221 - 3 Nov 2022
Cited by 12 | Viewed by 5860
Abstract
High-voltage transmission technology has advanced quickly with the overall development and increased use of renewable energy. More demands on the insulating system are made when high-voltage power systems evolve. One of the significant factors is the sharp rise in population density, which led [...] Read more.
High-voltage transmission technology has advanced quickly with the overall development and increased use of renewable energy. More demands on the insulating system are made when high-voltage power systems evolve. One of the significant factors is the sharp rise in population density, which led to the high demand for electricity. Right-of-way infringement is a problem that frequently occurs these days. Transmission is done over a rated capacity; as a result, the transmission line heats up, the insulation ages, and the electric field becomes distorted. The insulating system is prone to fail too soon when the operating voltage inverses or when there is a significant temperature differential. Environmentally friendly insulating materials have received much attention recently. A synergistic optimisation of heat resistance properties, mechanical properties, and dielectric properties must be accomplished before these materials can be used in high-voltage transmission systems. They must also withstand harsh electrical and thermal shocks such as overvoltage and short-circuit faults. One of the developments that has become a popular research topic is the constantly evolving tower design. This review article presents advancements in cross-arm technology in high-voltage transmission systems to elaborate on the limitations and contributions of different research work. Full article
(This article belongs to the Section F6: High Voltage)
Show Figures

Figure 1

18 pages, 2995 KB  
Article
Electrical Efficiency Increase in CPVT Collectors by Spectral Splitting
by Alois Resch and Robert Höller
Energies 2021, 14(23), 8128; https://doi.org/10.3390/en14238128 - 3 Dec 2021
Cited by 4 | Viewed by 2626
Abstract
Concentrating photovoltaic-thermal (CPVT) collectors have to face the challenge of contrary temperature requirements in the single receiver parts. The PV cells require low temperatures to achieve high efficiency, whereas the thermal part should generate high temperatures for providing industrial heat. The approach of [...] Read more.
Concentrating photovoltaic-thermal (CPVT) collectors have to face the challenge of contrary temperature requirements in the single receiver parts. The PV cells require low temperatures to achieve high efficiency, whereas the thermal part should generate high temperatures for providing industrial heat. The approach of “Spectral Splitting” can offer a solution for compact CPVT receivers; however, a clear quantification of the expected conversion efficiency is difficult. Therefore, this paper describes a modelling methodology for obtaining electrical and thermal performance parameters for a Spectral Splitting configuration using semiconductor-doped glass combined with appropriate heat transfer fluid. The PV technologies c-Si, CIGS and CdTe are considered. The presented model yields distinct results for maximising the electrical efficiency, calculates the reduction in waste heat dissipation within the cells and assesses the impacts of concentration factor and cell temperature. An optimised configuration could be found with CIGS cells, impinged by a selected wavelength spectrum between 868 nm and 1100 nm, where the theoretical efficiency reaches 42.9%. The waste heat dissipation within the cells is reduced by 84.9%, compared to a full-spectrum operation. The depicted CPVT receiver design using bendable thin-film PV cells will be realised as a prototype in a subsequent project phase. Full article
Show Figures

Figure 1

27 pages, 6610 KB  
Article
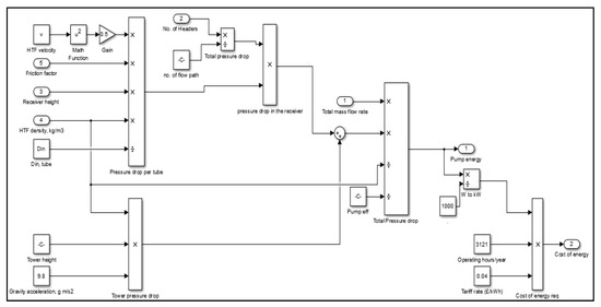
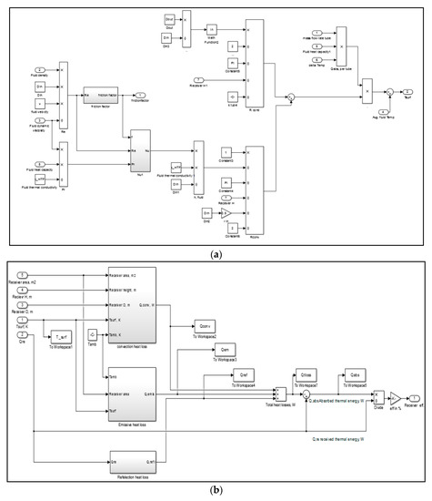
Performance Assessment and Improvement of Central Receivers Used for Solar Thermal Plants
by Alhussein Albarbar and Abdullah Arar
Energies 2019, 12(16), 3079; https://doi.org/10.3390/en12163079 - 9 Aug 2019
Cited by 29 | Viewed by 5626
Abstract
In this work, the energy status and supply plans of Saudi Arabia are discussed with a focus on concentrated solar power (CSP) technologies. Subsequently, optimal designs for a 20 MWe solar power plant external receiver, combined with a 15 h thermal energy storage [...] Read more.
In this work, the energy status and supply plans of Saudi Arabia are discussed with a focus on concentrated solar power (CSP) technologies. Subsequently, optimal designs for a 20 MWe solar power plant external receiver, combined with a 15 h thermal energy storage unit, operating under the weather conditions of Neom City, located in northeast Saudi Arabia, is proposed. The effects of receiver tube diameters, tube thicknesses, tube thermal conductivity and receiver’s performance are studied in detail and compared to those used in a well know operational CSP plant. Results show that a smaller tube diameter and thickness give higher receiver thermal efficiency but increase the annual cost of pumping energy. However, that increment in cost is negligible compared to the total energy gained. Furthermore, the aspect ratio is investigated and it was found that a higher aspect ratio gives a higher thermal efficiency. The thermal efficiency of the optimised receiver was increased by about 1% more than the reference plant. In addition, the new design decreases the total estimated cost of tube material by approximately 43%. It is anticipated that the reported results could pave the path for more efficient solar thermal power plants. Full article
(This article belongs to the Section A2: Solar Energy and Photovoltaic Systems)
Show Figures

Graphical abstract

17 pages, 1574 KB  
Article
Optimisation of a Quasi-Steady Model of a Free-Piston Stirling Engine
by Ayodeji Sowale, Edward J. Anthony and Athanasios John Kolios
Energies 2019, 12(1), 72; https://doi.org/10.3390/en12010072 - 27 Dec 2018
Cited by 15 | Viewed by 5263
Abstract
Energy from waste heat recovery is receiving considerable attention due to the demand for power systems that are less polluting. This has led to the investigation of external combustion engines such as the free-piston Stirling engine (FPSE) due to its ability to generate [...] Read more.
Energy from waste heat recovery is receiving considerable attention due to the demand for power systems that are less polluting. This has led to the investigation of external combustion engines such as the free-piston Stirling engine (FPSE) due to its ability to generate power from any source of heat and, especially, waste heat. However, there are still some limitations in the modelling, design and practical utilisation of this type of engine. Modelling of the FPSE has proved to be a difficult task due to the lack of mechanical linkages in its configuration, which poses problems for achieving stability. Also, a number of studies have been reported that attempt to optimise the output performance considering the characteristics of the engine configuration. In this study the optimisation of the second-order quasi-steady model of the gamma-type FPSE is carried out using the genetic algorithm (GA) to maximise the performance in terms of power output, and considering the design parameters of components such as piston and displacer damper, geometry of heat exchangers, and regenerator porosity. This present study shows that the GA optimisation of the RE-1000 FPSE design parameters improved its performance from work done and output power of 33.2 J and 996 W, respectively, with thermal efficiency of 23%, to 44.2 J and 1326 W with thermal efficiency of 27%. Full article
(This article belongs to the Section A: Sustainable Energy)
Show Figures

Figure 1

26 pages, 3787 KB  
Review
Thermal Performance through Heat Retention in Integrated Collector-Storage Solar Water Heaters: A Review
by Ruth M. Saint, Céline Garnier, Francesco Pomponi and John Currie
Energies 2018, 11(6), 1615; https://doi.org/10.3390/en11061615 - 20 Jun 2018
Cited by 13 | Viewed by 8569
Abstract
Solar thermal systems are a long-standing technology that is receiving increased attention, in terms of research and development, due to ambitious climate change targets and the need for renewable energy solutions. Integrated collector-storage solar water heaters (ICSSWHs) are a potential contributing solution and [...] Read more.
Solar thermal systems are a long-standing technology that is receiving increased attention, in terms of research and development, due to ambitious climate change targets and the need for renewable energy solutions. Integrated collector-storage solar water heaters (ICSSWHs) are a potential contributing solution and numerous studies have focussed on the optimisation of their thermal performance and efficiency. A major drawback of these systems is the heavy heat losses experienced during non-collection periods. To combat this, various heat retention strategies have been proposed and evaluated, including baffles plates, additional insulation, multiple glazing layers, selective coatings, and phase change materials. This paper aims to bring together these studies through a systematic review of the existing literature surrounding the performance of ICSSWH systems, focusing on heat retention. This review provides a comprehensive and up-to-date point of reference on relevant research and developments for researchers in this field. Full article
Show Figures

Figure 1

15 pages, 541 KB  
Article
Bio-Refining of Carbohydrate-Rich Food Waste for Biofuels
by Hoang-Tuong Nguyen Hao, Obulisamy Parthiba Karthikeyan and Kirsten Heimann
Energies 2015, 8(7), 6350-6364; https://doi.org/10.3390/en8076350 - 25 Jun 2015
Cited by 36 | Viewed by 12347
Abstract
The global dependence on finite fossil fuel-derived energy is of serious concern given the predicted population increase. Over the past decades, bio-refining of woody biomass has received much attention, but data on food waste refining are sorely lacking, despite annual and global deposition [...] Read more.
The global dependence on finite fossil fuel-derived energy is of serious concern given the predicted population increase. Over the past decades, bio-refining of woody biomass has received much attention, but data on food waste refining are sorely lacking, despite annual and global deposition of 1.3 billion tons in landfills. In addition to negative environmental impacts, this represents a squandering of valuable energy, water and nutrient resources. The potential of carbohydrate-rich food waste (CRFW) for biofuel (by Rhodotorulla glutinis fermentation) and biogas production (by calculating theoretical methane yield) was therefore investigated using a novel integrated bio-refinery approach. In this approach, hydrolyzed CRFW from three different conditions was used for Rhodotorulla glutinis cultivation to produce biolipids, whilst residual solids after hydrolysis were characterized for methane recovery potential via anaerobic digestion. Initially, CRFW was hydrolysed using thermal- (Th), chemical- (Ch) and Th-Ch combined hydrolysis (TCh), with the CRFW-leachate serving as a control (Pcon). Excessive foaming led to the loss of TCh cultures, while day-7 biomass yields were similar (3.4–3.6 g dry weight (DW) L−1) for the remaining treatments. Total fatty acid methyl ester (FAME) content of R. glutinis cultivated on CRFW hydrolysates were relatively low (~6.5%) but quality parameters (i.e., cetane number, density, viscosity and higher heating values) of biomass extracted biodiesel complied with ASTM standards. Despite low theoretical RS-derived methane potential, further research under optimised and scaled conditions will reveal the potential of this approach for the bio-refining of CRFW for energy recovery and value-added co-product production. Full article
(This article belongs to the Special Issue Bioenergy and Biorefining)
Show Figures

Figure 1

Back to TopTop