Sign in to use this feature.

Years

Between: -

Subjects

remove_circle_outline
remove_circle_outline
remove_circle_outline
remove_circle_outline
remove_circle_outline
remove_circle_outline
remove_circle_outline

Journals

Article Types

Countries / Regions

Search Results (26)

Search Parameters:
Keywords = soil welding

Order results
Result details
Results per page
Select all
Export citation of selected articles as:
21 pages, 2279 KB  
Article
Improving the Wear Resistance of the Coulter Anchor for the Placement of Seeds and Fertilizers at Different Specified Depths
by Kanat Uteulov, Mubarak Aduov, Talgat Tulegenov, Kazbek Isenov, Kadirbek Volodya and Saule Nukusheva
AgriEngineering 2026, 8(3), 81; https://doi.org/10.3390/agriengineering8030081 - 26 Feb 2026
Cited by 1 | Viewed by 431
Abstract
The working parts of soil cultivation and sowing machines operate under conditions of intense abrasive wear. As wear on the working parts increases, the relative unevenness of their travel depth increases, leading to higher traction resistance and, consequently, higher specific fuel consumption. It [...] Read more.
The working parts of soil cultivation and sowing machines operate under conditions of intense abrasive wear. As wear on the working parts increases, the relative unevenness of their travel depth increases, leading to higher traction resistance and, consequently, higher specific fuel consumption. It has been established that the intensity of changes in the mass, wear volume, and geometric characteristics of working parts is determined by the combined influence of the treated area and the soil’s mechanical and physical properties, leading to differences in the service life before reaching the critical wear threshold. Studies based on scientific articles have shown that modern strengthening methods can significantly increase the service life of agricultural machinery working parts by 1.5 to 5 times. There are various methods for restoring and strengthening working parts, increasing their wear resistance and durability. New materials are used to increase the service life of working parts; they are hardened during manufacture and, during operation, restored and made more wear-resistant. This research aims to increase the wear resistance of the coulter anchor for seed and fertilizer application by welding a T-620 electrode to its working surface. The following steps were taken to achieve this goal: theoretical research, calculations, the verification of the results using computer modeling (Rocky DEM 2024 R1.1 software package) to predict the abrasive wear of hard surfaces, as well as laboratory and field tests to confirm the results of the theoretical and experimental scientific research. Full article
Show Figures

Figure 1

19 pages, 6948 KB  
Article
Shielding Effect of Rubber Disbond on DCVG Signal Magnitude for Coating Defect Detection in Pipes Buried in Soil: A Simulation Analysis
by Young-Ran Yoo, Seung-Heon Choi, Ki-Tae Kim, Bu-Teak Lim, Dae-Young Lee, Young-Cheon Kim and Young-Sik Kim
Coatings 2025, 15(5), 508; https://doi.org/10.3390/coatings15050508 - 24 Apr 2025
Cited by 1 | Viewed by 1090
Abstract
Many pipelines are buried and operated underground in nuclear and chemical plants. Since these pipelines are welded on-site and subsequently coated, ensuring the integrity of these coatings is crucial. Over time, rubber coatings can disbond due to factors such as soil pressure, creating [...] Read more.
Many pipelines are buried and operated underground in nuclear and chemical plants. Since these pipelines are welded on-site and subsequently coated, ensuring the integrity of these coatings is crucial. Over time, rubber coatings can disbond due to factors such as soil pressure, creating gaps that lead to defects and may expose weld joints to electrolytes locally. Thus, effective detection of coating defects in buried pipelines is crucial for maintaining pipelines’ structural integrity and preventing corrosion. This study examines the shielding effect of rubber disbond on DCVG signal magnitude using the Direct Current Voltage Gradient (DCVG) technique. Simulations conducted with COMSOL Multiphysics®, considering variables such as soil resistivity (1–19 kΩ·cm), defect exposure size (100 cm2 and 1 cm2), detection electrode distance, and applied voltage, show that the DCVG signal generally increases as soil resistivity decreases and as defect size and electrode spacing increase. This is due to a stronger current distribution resulting from the higher applied voltages. However, shielded defects consistently produce lower DCVG signals than unshielded ones, a phenomenon that stems from the insulating shielding layer around the defect, which restricts the flow of the inspection current. These findings highlight how the shielding layer significantly influences the distribution of the inspection current. Full article
Show Figures

Figure 1

26 pages, 7700 KB  
Article
Assessment of Structural Integrity Through On-Site Decision-Making Analysis for a Jacket-Type Offshore Platform
by Rodrigo Daniel Álvarez Bello Martínez, Juan Antonio Álvarez-Arellano and Youness El Hamzaoui
Appl. Sci. 2025, 15(7), 3418; https://doi.org/10.3390/app15073418 - 21 Mar 2025
Viewed by 3974
Abstract
This paper presents a comprehensive on-site decision-making framework for assessing the structural integrity of a jacket-type offshore platform in the Gulf of Mexico, installed at a water depth of 50 m. Six critical analyses—(i) static operation and storm, (ii) dynamic storm, (iii) strength-level [...] Read more.
This paper presents a comprehensive on-site decision-making framework for assessing the structural integrity of a jacket-type offshore platform in the Gulf of Mexico, installed at a water depth of 50 m. Six critical analyses—(i) static operation and storm, (ii) dynamic storm, (iii) strength-level seismic, (iv) seismic ductility (pushover), (v) maximum wave resistance (pushover), and (vi) spectral fatigue—are performed using SACS V16 software to capture both linear and nonlinear interactions among the soil, piles, and superstructure. The environmental conditions include multi-directional wind, waves, currents, and seismic loads. In the static linear analyses (i, ii, and iii), the overall results confirm that the unity checks (UCs) for structural members, tubular joints, and piles remain below allowable thresholds (UC < 1.0), thus meeting API RP 2A-WSD, AISC, IMCA, and Pemex P.2.0130.01-2015 standards for different load demands. However, these three analyses also show hydrostatic collapse due to water pressure on submerged elements, which is mitigated by installing stiffening rings in the tubular components. The dynamic analyses (ii and iii) reveal how generalized mass and mass participation factors influence structural behavior by generating various vibration modes with different periods. They also include a load comparison under different damping values, selecting the most unfavorable scenario. The nonlinear analyses (iv and v) provide collapse factors (Cr = 8.53 and RSR = 2.68) that exceed the minimum requirements; these analyses pinpoint the onset of plasticization in specific elements, identify their collapse mechanism, and illustrate corresponding load–displacement curves. Finally, spectral fatigue assessments indicate that most tubular joints meet or exceed their design life, except for one joint (node 370). This joint’s service life extends from 9.3 years to 27.0 years by applying a burr grinding weld-profiling technique, making it compliant with the fatigue criteria. By systematically combining linear, nonlinear, and fatigue-based analyses, the proposed framework enables robust multi-hazard verification of marine platforms. It provides operators and engineers with clear strategies for reinforcing existing structures and guiding future developments to ensure safe long-term performance. Full article
Show Figures

Figure 1

18 pages, 14258 KB  
Article
Failure Analysis of Girth Weld Cracking in Gas Transmission Pipelines Subjected to Ground Subsidence and Traffic Loads
by Lifeng Li, Xiangzhen Yan, Lixia Zhu, Gang Wu and Shuxin Zhang
Materials 2024, 17(22), 5495; https://doi.org/10.3390/ma17225495 - 11 Nov 2024
Cited by 3 | Viewed by 1660
Abstract
Girth welds are weak points in pipelines, and failures occur frequently. In a gas transmission pipeline, a girth weld experienced cracking, prompting a failure analysis using experimental methods and finite element analysis (FEA). Experimental results showed that X-ray non-destructive testing (NDT) revealed cracks, [...] Read more.
Girth welds are weak points in pipelines, and failures occur frequently. In a gas transmission pipeline, a girth weld experienced cracking, prompting a failure analysis using experimental methods and finite element analysis (FEA). Experimental results showed that X-ray non-destructive testing (NDT) revealed cracks, porosity, and lack of fusion in the girth weld. However, the hardness and microstructure of the material showed no abnormalities. During operation, the pipeline experienced an increase in soil cover and was subjected to ground subsidence and vehicle loads. Finite element analysis was conducted on the defective girth weld under different conditions, including varying soil cover depths, different levels of subsidence, and varying vehicle loads, to examine the pipeline’s stress response. The results indicated that the combination of soil cover, subsidence, and vehicle loads led to pipeline failure, whereas none of these factors alone was sufficient to cause girth weld failure. To prevent such failures from occurring again, the following measures are recommended: strengthen on-site welding quality control of girth welds, conduct inspections for defects in girth welds of in-service pipelines, and promptly address any defects that exceed acceptable limits. Full article
(This article belongs to the Special Issue Research on Material Durability and Mechanical Properties)
Show Figures

Figure 1

11 pages, 2748 KB  
Article
Morphographic Changes in the Electrocardiogram of Colossoma macropomum Caused by Exposure to Manganese
by Lorena Meirelis do Nascimento, Murilo Farias dos Santos, Clarissa Araújo da Paz, Daniella Bastos de Araújo, Rayllan da Cunha Ferreira, Yris da Silva Deiga, Luana Vasconcelos de Souza, Tays Mata Câmara, Rodrigo Gonçalves dos Santos, Anara de Sousa Barbosa, Maria Klara Otake Hamoy, Anthony Lucas Gurgel do Amaral, Luciana Eiró-Quirino, Tárcio dos Santos Cabral, Maria Adrina Paixão de Souza da Silva, Nilton Akio Muto and Moisés Hamoy
Int. J. Mol. Sci. 2024, 25(16), 8910; https://doi.org/10.3390/ijms25168910 - 16 Aug 2024
Cited by 1 | Viewed by 1418
Abstract
Manganese (Mn2+) is an abundant chemical element in the earth’s crust and is present in soil, water, and industrial environments, including mining, welding, and battery manufacturing. Manganese (Mn) is an essential metal needed as a cofactor for many enzymes to maintain [...] Read more.
Manganese (Mn2+) is an abundant chemical element in the earth’s crust and is present in soil, water, and industrial environments, including mining, welding, and battery manufacturing. Manganese (Mn) is an essential metal needed as a cofactor for many enzymes to maintain proper biological functions. Excessive exposure to Mn in high doses can result in a condition known as manganism, which results in disorders of the neurological, cardiac, and pulmonary systems. The aim of this study was to assess cardiac susceptibility to manganese intoxication in Colossoma macropomum subjected to a fixed concentration of 4 mg/mL for a period of up to 96 h. This study used 45 Tambaquis (30.38 ± 3.5 g) divided into five groups of 9 animals/treatment. The treated groups were exposed to the manganese concentration for a period of 24, 48, 72, and 96 h, after which the animals’ ECGs were recorded, showing heart rate, R-R interval, P-Q interval, QRS complex duration and S-T interval. The results showed that cardiac activity decreased as the contact time increased, with an increase in the P-Q and S-T intervals. This indicates that the breakdown of circulatory homeostasis in these animals was caused by contact time with manganese. Full article
(This article belongs to the Special Issue Toxicity of Heavy Metal Compounds)
Show Figures

Figure 1

22 pages, 23988 KB  
Article
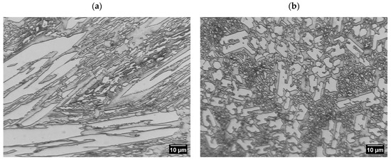
Analysis of Tribological Properties of Hardfaced High-Chromium Layers Subjected to Wear in Abrasive Soil Mass
by Magdalena Lemecha, Krzysztof Ligier, Jerzy Napiórkowski and Oleksandr Vrublevskyi
Materials 2024, 17(14), 3461; https://doi.org/10.3390/ma17143461 - 12 Jul 2024
Cited by 3 | Viewed by 1185
Abstract
This article presents the results of abrasion wear resistance tests of wear-resistant steel and surfacing under laboratory conditions and natural operation. Abrasion wear resistance determined on the basis of the study by determining geometrical characteristics of the alloying additives using computer image analysis [...] Read more.
This article presents the results of abrasion wear resistance tests of wear-resistant steel and surfacing under laboratory conditions and natural operation. Abrasion wear resistance determined on the basis of the study by determining geometrical characteristics of the alloying additives using computer image analysis methods, as well as examining the changes occurring on the surface of the workpieces and their wear intensity. Based on the results obtained from laboratory tests, it was noted that AR steel exhibited 14 times greater wear than the padding weld. This wear is affected by alloy additives, which, for the padding weld, are chromium additives. The microstructure image shows that soil mass had a destructive effect mainly on the matrix of the material, whereas in the areas with high concentrations of chromium precipitates, this effect was significantly weaker. The operational test results showed that within the area of the tine subjected to hardfacing, the material loss was lower than that for the same area of the tine in the as-delivered state. For the hardfaced tine, a 7% loss of volume was noted in relation to the operating part before testing and following the friction process. However, for the operating part in the as-delivered state, this difference amounted to 12%. Full article
Show Figures

Figure 1

15 pages, 3929 KB  
Article
Durability of Prestressed Piles in a Leachate Environment
by Yu Wang, Min Deng, Rihong Zhang, Xuming Yu, Junzhong Xue and Jing Zhang
Materials 2024, 17(11), 2497; https://doi.org/10.3390/ma17112497 - 22 May 2024
Cited by 3 | Viewed by 1528
Abstract
Prestressed pipe piles are common concrete components characterized by dense concrete structures and favorable mechanical properties, and thus, extensively used as coastal soft soil foundations. However, their durability in harsh environments has not been fully clarified. In this study, leachate from an actual [...] Read more.
Prestressed pipe piles are common concrete components characterized by dense concrete structures and favorable mechanical properties, and thus, extensively used as coastal soft soil foundations. However, their durability in harsh environments has not been fully clarified. In this study, leachate from an actual landfill site was collected from the east coast of China as the corrosive medium, and the corrosion process was accelerated by electrifying prestressed pipe piles. The results demonstrated that the concentration of chloride ions in the concrete of the prestressed pile increased with the increase in corrosion time. Moreover, the experimental corrosion of these prestressed piles in the drying–wetting cycle proved to be the most severe. However, a protective layer of epoxy resin coating can effectively inhibit the diffusion of chloride ions into the interior of the piles. The final theoretical corrosion amounts of the piles were 1.55 kg, 1.20 kg, and 1.64 kg under immersion, epoxy resin protection, and a drying–wetting cycle environment. The application of epoxy resin reduced chloride penetration by 22.6%, and the drying–wetting cycle increased chloride penetration by 5.8%, respectively, with corresponding corrosion potentials following similar patterns. The actual corrosion depth of the welding seam was 3.20 mm, and there was a large corrosion allowance compared with the requirement (6.53 mm) for the ultimate bending moment. In summary, these prestressed piles exhibited good durability in a leachate environment. Full article
(This article belongs to the Special Issue Reaction Mechanism and Properties of Cement-Based Materials)
Show Figures

Figure 1

20 pages, 2843 KB  
Article
Corrosion of API 5L X60 Pipeline Steel in Soil and Surface Defects Detection by Ultrasonic Analysis
by Fatima Benkhedda, Ismail Bensaid, Abderrahim Benmoussat, Sid Ahmed Benmansour and Abdeldjelil Amara Zenati
Metals 2024, 14(4), 388; https://doi.org/10.3390/met14040388 - 26 Mar 2024
Cited by 10 | Viewed by 3667
Abstract
The corrosion steels phenomenon is one of the main problems in the oil industry, such as in buried transmission pipelines used for high gas pressure for long distances. Steels are protected from the external soil corrosion through a bituminous coating, whose action is [...] Read more.
The corrosion steels phenomenon is one of the main problems in the oil industry, such as in buried transmission pipelines used for high gas pressure for long distances. Steels are protected from the external soil corrosion through a bituminous coating, whose action is coupled with a cathodic protection system, which aims to maintain steel in its protection field and thus to avoid any corrosion risk. However, steels in service may experience external surface defects like corrosion pitting and cracking due to electrochemical or mechanical interactions of bare steel with an aggressive soil solution after steel protection failure. These are concerning phenomena and are the major threats of the pipeline transmission system’s reliability and ecological safety. Corrosion mechanisms are varied and can be evaluated by different methods, such as electrochemical measurements, which are influenced by various factors like temperature, pH, soil characteristics, resistivity, water content, and as well mechanical stresses. Corrosion results from simulated artificial soil solutions showed that steel is sensitive to corrosion by soil. Surface defects detection was carried out using an ultrasonic non-destructive method such as C-Scan Emission testing and the time of flight diffraction technique (TOFD) ultrasonic non-contact testing method. After propagation of the ultrasonic waves, the diffracted ultrasonic reflected wave occurring at the edges of the defects appears due to the presence of a corrosion defect by generating defect echoes. The C-Scan ultrasonic image shows surface reflection, including corrosion defects on interfaces with varying acoustic impedances. The cross-transverse speed ultrasonic propagation through the plate including defect is modified, revealing more surface defects, and cross-transverse speed is shown to increase ultrasonic detection presents some advantages, such as precision and speed of detection without alteration to the structure. This method can be used in the industrial context as an intelligent industrial robotics technique. Full article
(This article belongs to the Special Issue Environmentally-Assisted Degradation of Metals and Alloys)
Show Figures

Figure 1

24 pages, 10168 KB  
Article
Comprehensive Evaluation of Lateral Performance of Innovative Post in Sand
by Abdelrahman Abouzaid, Mohamed Hesham El Naggar and Osama Drbe
Appl. Sci. 2024, 14(6), 2442; https://doi.org/10.3390/app14062442 - 14 Mar 2024
Cited by 2 | Viewed by 2312
Abstract
Under environmental loads such as wind and earthquakes, piles are subjected to large lateral loads. A foundation system denoted Innovative Post (IP) that is composed of an H-pile shaft and one or two steel plates (paddles) welded to its flanges, has been developed [...] Read more.
Under environmental loads such as wind and earthquakes, piles are subjected to large lateral loads. A foundation system denoted Innovative Post (IP) that is composed of an H-pile shaft and one or two steel plates (paddles) welded to its flanges, has been developed to resist large lateral loads on sound wall systems. The present study evaluates the performance of IP installed in layered cohesionless soils through a comprehensive full-scale lateral load testing program and finite element (FE) analysis considering various pile and plate configurations. The developed FE model was validated employing the field test data and was then employed to conduct a parametric study to evaluate the performance of IP considering different paddles geometry (i.e., number of paddles, single or double, width, and length). The results demonstrated that adding the plates significantly increased the lateral capacity of H-piles. A positive relationship was identified between paddle’s width and length and the load efficiency. Optimal parameter values for paddles are established based on the experimental and numerical results proposed. Full article
Show Figures

Figure 1

17 pages, 1784 KB  
Article
Exposure and Health Risks Posed by Potentially Toxic Elements in Soils of Metal Fabrication Workshops in Mbarara City, Uganda
by Eunice Nuwamanya, Denis Byamugisha, Caroline K. Nakiguli, Christopher Angiro, Alice V. Khanakwa, Timothy Omara, Simon Ocakacon, Patrick Onen, Daniel Omoding, Boniface Opio, Daniel Nimusiima and Emmanuel Ntambi
J. Xenobiot. 2024, 14(1), 176-192; https://doi.org/10.3390/jox14010011 - 30 Jan 2024
Cited by 11 | Viewed by 4723
Abstract
Metal fabrication workshops (MFWs) are common businesses in Ugandan cities, and especially those producing metallic security gates, window and door frames (burglar-proof), and balcony and staircase rails. The objective of this study was to comparatively assess the pollution levels and potential health risks [...] Read more.
Metal fabrication workshops (MFWs) are common businesses in Ugandan cities, and especially those producing metallic security gates, window and door frames (burglar-proof), and balcony and staircase rails. The objective of this study was to comparatively assess the pollution levels and potential health risks of manganese (Mn), chromium (Cr), cadmium (Cd), lead (Pd) and nickel (Ni) in pooled surface soil samples from four 5-, 7-, 8-, and 10-year-old MFWs (n = 28) and a control site (n = 8) in Mbarara City, Uganda. The concentration of the potentially toxic elements (PTEs) was determined using inductively coupled plasma–optical emission spectrometry. Contamination, ecological, and human health risk assessment indices and models were used to identify any risks that the PTEs could pose to the pristine environment and humans. Our results showed that PTE pollution of soils is occuring in the MFWs than at the control site. The mean concentrations of the PTEs (mg kg−1) in the samples were: Mn (2012.75 ± 0.23–3377.14 ± 0.31), Cr (237.55 ± 0.29–424.93 ± 0.31), Cd (0.73 ± 0.13–1.29 ± 0.02), Pb (107.80 ± 0.23–262.01 ± 0.19), and Ni (74.85 ± 0.25–211.37 ± 0.14). These results indicate that the PTEs could plausibly derive from the fabrication activities in these workshops, which is supported by the high values of contamination factors, index of geoaccumulation, and the overall increase in pollution load indices with the number of years of operation of the MFWs. Human health risk assessment showed that there are non-carcinogenic health risks that could be experienced by children who ingest PTEs in the soils from the 7-, 8- and 10-year-old MFWs. The incremental life cancer risk assessment suggested that there are potential cancerous health effects of Cd and Ni that could be experienced in children (who ingest soils from all the four MFWs) and adults (ingesting soils from the 8- and 10-year-old MFWs). This study underscores the need to implement regulatory guidelines on the operation and location of MFWs in Uganda. Further research should be undertaken to investigate the emission of the PTEs during welding operations in the MFWs. Full article
Show Figures

Figure 1

22 pages, 6759 KB  
Article
Deep Learning Enriched Automation in Damage Detection for Sustainable Operation in Pipelines with Welding Defects under Varying Embedment Conditions
by Li Shang, Zi Zhang, Fujian Tang, Qi Cao, Nita Yodo, Hong Pan and Zhibin Lin
Computation 2023, 11(11), 218; https://doi.org/10.3390/computation11110218 - 2 Nov 2023
Cited by 14 | Viewed by 3459
Abstract
Welded joints in metallic pipelines and other structures are used to connect metallic structures. Welding defects, such as cracks and lack of fusion, are vulnerable to initiating early-age cracking and corrosion. The present damage identification techniques use ultrasonic-guided wave procedures, which depend on [...] Read more.
Welded joints in metallic pipelines and other structures are used to connect metallic structures. Welding defects, such as cracks and lack of fusion, are vulnerable to initiating early-age cracking and corrosion. The present damage identification techniques use ultrasonic-guided wave procedures, which depend on the change in the physical characteristics of waveforms as they propagate to determine damage states. However, the complexity of geometry and material discontinuity (e.g., the roughness of a weldment with or without defects) could lead to complicated wave reflection and scatters, thus increasing the difficulty in the signal processing. Artificial intelligence and machine learning exhibit their capability for data fusion, including processing signals originally from ultrasonic-guided waves. This study aims to utilize deep learning approaches, including a convolutional neural network (CNN), Long-short term memory network (LSTM), or hybrid CNN-LSTM model, to demonstrate the capability in automation for damage detection for pipes with welded joints embedded in soil. The damage features in terms of welding defect types and severity as well as multiple defects are used to understand the effectiveness of the hybrid CNN-LSTM model, which is further compared to the two commonly used deep learning approaches, CNN and LSTM. The results showed the hybrid CNN-LSTM model has much higher classification accuracy for damage states under all scenarios in comparison with the CNN and LSTM models. Furthermore, the impacts of the pipelines embedded in different types of materials, ranging from loose sand to stiff soil, on signal processing and data classification were further calibrated. The results demonstrated these deep learning approaches can still perform well to detect various pipeline damage under varying embedment conditions. However, the results demonstrate when concrete is used as an embedding material, high attention to absorbing the signal energy of concrete could pose a challenge for the signal processing, particularly under high noise levels. Full article
(This article belongs to the Special Issue 10th Anniversary of Computation—Computational Engineering)
Show Figures

Figure 1

18 pages, 6294 KB  
Article
The Effect of the Dilution Level on Microstructure and Wear Resistance of Fe-Cr-CV Hardfacing Coatings Deposited by PTA-P
by Thais Andrezza Passos, Henara Costa, Felipe Kevin Correa Luz and Giuseppe Pintaude
Coatings 2022, 12(12), 1835; https://doi.org/10.3390/coatings12121835 - 27 Nov 2022
Cited by 10 | Viewed by 3209
Abstract
Soil preparation tools are subject to severe abrasion. The wear resistance of various industrial components can be improved using the hardfacing technique. The improvement in hardfacing wear resistance depends on the microstructure, i.e., the chemical composition of the alloys, the method of overlay, [...] Read more.
Soil preparation tools are subject to severe abrasion. The wear resistance of various industrial components can be improved using the hardfacing technique. The improvement in hardfacing wear resistance depends on the microstructure, i.e., the chemical composition of the alloys, the method of overlay, and the parameters of the selected process. The Plasma Transferred Arc with Powder (PTA-P) welding process is interesting as a hardfacing technique since it promotes very low dilution of the substrate in the coating. In this article, the PTA-P welding process was used for the deposition of Fe-Cr-C-based hard coatings with the addition of vanadium onto cheap and relatively soft low-carbon steel substrates. Rubber-wheel abrasion tests were performed to compare the abrasion resistance between commercial anti-wear steel and weld-deposited Fe-Cr-C-V hard coatings. In addition, the microstructure, dilution, and wear mechanisms were investigated. The dilution of the coatings affected the microstructure, in particular, the free mean path of the vanadium carbides, but it only affected abrasion resistance when the wear mechanism involved rolling abrasion. The deposited coatings proved to be at least three times stronger than a commercial abrasion-resistant steel due to the distribution and morphology of the vanadium carbides formed in the coatings. Full article
(This article belongs to the Special Issue Tribological and Mechanical Properties of Coatings)
Show Figures

Figure 1

17 pages, 23344 KB  
Article
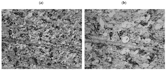
Analysis of Wear Properties of Powder Metallurgy Steel in Abrasive Soil Mass
by Magdalena Lemecha, Jerzy Napiórkowski, Krzysztof Ligier, Wojciech Tarasiuk and Krzysztof Sztukowski
Materials 2022, 15(19), 6888; https://doi.org/10.3390/ma15196888 - 4 Oct 2022
Cited by 7 | Viewed by 2599
Abstract
This study presents the results of testing for abrasive wear of Vanadis 60 SuperClean powder metallurgy steel as compared to Hardox 600 steel and PMFe60P padding weld. The testing was conducted by the “rotating bowl” method using natural abrasive soil masses. Two types [...] Read more.
This study presents the results of testing for abrasive wear of Vanadis 60 SuperClean powder metallurgy steel as compared to Hardox 600 steel and PMFe60P padding weld. The testing was conducted by the “rotating bowl” method using natural abrasive soil masses. Two types of abrasive masses with particle size distributions corresponding to light soil and medium soil were used. The obtained results enable the conclusion that the weight loss for Vanadis 60 SuperClean powder steel in both types of abrasive mass was approximately seven times lower than that for Hardox 600 steel and two times lower than PMFe60P padding weld. The high resistance of powder steel to abrasive wear in abrasive soil masses is related to the presence of a large number of fine M6C (tungsten-molybdenum) and MC (vanadium) carbide precipitates in its microstructure. The obtained test results indicate that the application of Vanadis 60 SuperClean steel may be extended to working elements operating in mineral abrasive environments. Full article
Show Figures

Figure 1

11 pages, 432 KB  
Commentary
Sources of Lead Exposure in West Africa
by Emmanuel Obeng-Gyasi
Sci 2022, 4(3), 33; https://doi.org/10.3390/sci4030033 - 22 Aug 2022
Cited by 12 | Viewed by 8798
Abstract
This commentary is an investigation of sources of lead (Pb) exposure in West Africa. Pb is generally acknowledged as one of the most widespread environmental health hazards in West Africa, and there is heightened concern over adverse health effects at various levels of [...] Read more.
This commentary is an investigation of sources of lead (Pb) exposure in West Africa. Pb is generally acknowledged as one of the most widespread environmental health hazards in West Africa, and there is heightened concern over adverse health effects at various levels of exposure (at doses once considered safe) in the West African region. A literature review for the possible health implications of Pb exposure on human health showed nervous system dysfunction, anemia, and potential cognitive diseases as the major health issues among children, while adults were found to suffer more from cardiovascular dysfunction, neurological decline, and reproductive diseases. Despite a decline in blood lead levels (BLLs), lead exposure continues to be a major public health concern as no level of Pb exposure can be considered safe. Moreover, lowering BLLs entails identifying various lead sources such as gasoline emissions, leaded paint, canned foods, and beverages, as well as plausible biological pathways of lead exposure and response. However, only countries such as Nigeria and Ghana have extensive research available regarding the different sources of Pb exposure. Further, it is not apparent which country is affected the most by Pb exposure. Therefore, this commentary was aimed to explore different literature sources to describe and list the different sources of Pb exposure in 15 West African countries. The findings indicated water, food, and occupational exposure as the major sources of Pb exposure in the region. People with occupations such as e-waste and Pb acid battery recycling, auto mechanics, fuel attending, welding, electronic repairing, farming/spraying, and mining were found to be at immediate risk. Tobacco, spices and paints constituted additional potential sources of exposure. For residents living near landfills or urban area, the major sources of Pb exposure were soil, air, and dust particles. The review revealed a vast research gap on the sources and implications of Pb exposure. Exposure to Pb could further increase due to uncontrolled traffic, urban growth, inadequate urban planning, and the inadequate enforcement of regulations. Therefore, more extensive research on the changing trends of Pb exposure among West African populations is needed. Full article
Show Figures

Figure 1

15 pages, 1075 KB  
Article
Epidemiologic Investigation of Two Welder’s Anthrax Cases Caused by Bacillus cereus Group Bacteria: Occupational Link Established by Environmental Detection
by Patrick Dawson, Johanna S. Salzer, Caroline A. Schrodt, Karl Feldmann, Cari B. Kolton, Jay E. Gee, Chung K. Marston, Christopher A. Gulvik, Mindy G. Elrod, Aaron Villarma, Rita M. Traxler, María E. Negrón, Kate A. Hendricks, Heather Moulton-Meissner, Laura J. Rose, Paul Byers, Kathryn Taylor, Daphne Ware, Gary A. Balsamo, Theresa Sokol, Bret Barrett, Erica Payne, Saad Zaheer, Ga On Jung, Stephen Long, Ricardo Quijano, Lindsey LeBouf, Briana O’Sullivan, Erin Swaney, James M. Antonini, Marie A. de Perio, Zachary Weiner, William A. Bower and Alex R. Hoffmasteradd Show full author list remove Hide full author list
Pathogens 2022, 11(8), 825; https://doi.org/10.3390/pathogens11080825 - 23 Jul 2022
Cited by 7 | Viewed by 4607
Abstract
Bacillus cereus group bacteria containing the anthrax toxin genes can cause fatal anthrax pneumonia in welders. Two welder’s anthrax cases identified in 2020 were investigated to determine the source of each patient’s exposure. Environmental sampling was performed at locations where each patient had [...] Read more.
Bacillus cereus group bacteria containing the anthrax toxin genes can cause fatal anthrax pneumonia in welders. Two welder’s anthrax cases identified in 2020 were investigated to determine the source of each patient’s exposure. Environmental sampling was performed at locations where each patient had recent exposure to soil and dust. Samples were tested for the anthrax toxin genes by real-time PCR, and culture was performed on positive samples to identify whether any environmental isolates matched the patient’s clinical isolate. A total of 185 environmental samples were collected in investigation A for patient A and 108 samples in investigation B for patient B. All samples from investigation B were real-time PCR-negative, but 14 (8%) samples from investigation A were positive, including 10 from patient A’s worksite and 4 from his work-related clothing and gear. An isolate genetically matching the one recovered from patient A was successfully cultured from a worksite soil sample. All welder’s anthrax cases should be investigated to determine the source of exposure, which may be linked to their worksite. Welding and metalworking employers should consider conducting a workplace hazard assessment and implementing controls to reduce the risk of occupationally associated illnesses including welder’s anthrax. Full article
(This article belongs to the Special Issue Anthrax—a Threat beyond Bacillus anthracis)
Show Figures

Figure 1

Back to TopTop