Sign in to use this feature.

Years

Between: -

Subjects

remove_circle_outline
remove_circle_outline
remove_circle_outline
remove_circle_outline

Journals

Article Types

Countries / Regions

Search Results (13)

Search Parameters:
Keywords = multivariate permutation entropy

Order results
Result details
Results per page
Select all
Export citation of selected articles as:
22 pages, 1985 KB  
Article
Non-Parametric Goodness-of-Fit Tests Using Tsallis Entropy Measures
by Mehmet Siddik Cadirci
Entropy 2025, 27(12), 1210; https://doi.org/10.3390/e27121210 - 28 Nov 2025
Viewed by 339
Abstract
We develop goodness-of-fit (GOF) procedures rooted in Tsallis entropy, with a particular emphasis on multivariate exponential-power (generalized Gaussian) and q-Gaussian models. The GOF statistic compares a closed-form Tsallis entropy under the null with a non-parametric k-nearest-neighbor (k-NN) estimator. We [...] Read more.
We develop goodness-of-fit (GOF) procedures rooted in Tsallis entropy, with a particular emphasis on multivariate exponential-power (generalized Gaussian) and q-Gaussian models. The GOF statistic compares a closed-form Tsallis entropy under the null with a non-parametric k-nearest-neighbor (k-NN) estimator. We establish consistency and mean-square convergence of the estimator under mild regularity and tail assumptions, discuss an asymptotic normality regime as q1, and calibrate critical values by parametric bootstrap/permutation. Extensive Monte Carlo experiments report empirical size, power, and runtime. These are reported across dimensions, k, and q. An applied example illustrates practical calibration and sensitivity, which are essential for accurate measurement. Full article
Show Figures

Figure 1

34 pages, 16782 KB  
Article
Ultra-Short-Term Prediction of Monopile Offshore Wind Turbine Vibration Based on a Hybrid Model Combining Secondary Decomposition and Frequency-Enhanced Channel Self-Attention Transformer
by Zhenju Chuang, Yijie Zhao, Nan Gao and Zhenze Yang
J. Mar. Sci. Eng. 2025, 13(9), 1760; https://doi.org/10.3390/jmse13091760 - 11 Sep 2025
Viewed by 648
Abstract
Ice loads continue to pose challenges to the structural safety of offshore wind turbines (OWTs), while the rapid development of offshore wind power in cold regions is enabling the deployment of OWTs in deeper waters. To accurately simulate the dynamic response of an [...] Read more.
Ice loads continue to pose challenges to the structural safety of offshore wind turbines (OWTs), while the rapid development of offshore wind power in cold regions is enabling the deployment of OWTs in deeper waters. To accurately simulate the dynamic response of an OWT under combined ice–wind loading, this paper proposes a Discrete Element Method–Wind Turbine Integrated Analysis (DEM-WTIA) framework. The framework can synchronously simulate discontinuous ice-crushing processes and aeroelastic–structural dynamic responses through a holistic turbine model that incorporates rotor dynamics and control systems. To address the issue of insufficient prediction accuracy for dynamic responses, we introduced a multivariate time series forecasting method that integrates a secondary decomposition strategy with a hybrid prediction model. First, we developed a parallel signal processing mechanism, termed Adaptive Complete Ensemble Empirical Mode Decomposition with Improved Singular Spectrum Analysis (CEEMDAN-ISSA), which achieves adaptive denoising via permutation entropy-driven dynamic window optimization and multi-feature fusion-based anomaly detection, yielding a noise suppression rate of 76.4%. Furthermore, we propose the F-Transformer prediction model, which incorporates a Frequency-Enhanced Channel Attention Mechanism (FECAM). By integrating the Discrete Cosine Transform (DCT) into the Transformer architecture, the F-Transformer mines hidden features in the frequency domain, capturing potential periodicities in discontinuous data. Experimental results demonstrate that signals processed by ISSA exhibit increased signal-to-noise ratios and enhanced fidelity. The F-Transformer achieves a maximum reduction of 31.86% in mean squared error compared to the standard Transformer and maintains a coefficient of determination (R2) above 0.91 under multi-condition coupled testing. By combining adaptive decomposition and frequency-domain enhancement techniques, this framework provides a precise and highly adaptable ultra-short-term response forecasting tool for the safe operation and maintenance of offshore wind power in cold regions. Full article
(This article belongs to the Section Coastal Engineering)
Show Figures

Figure 1

17 pages, 6330 KB  
Article
A Short-Term Load Forecasting Method Considering Multiple Factors Based on VAR and CEEMDAN-CNN-BILSTM
by Bao Wang, Li Wang, Yanru Ma, Dengshan Hou, Wenwu Sun and Shenghu Li
Energies 2025, 18(7), 1855; https://doi.org/10.3390/en18071855 - 7 Apr 2025
Cited by 8 | Viewed by 1124
Abstract
Short-term load is influenced by multiple external factors and shows strong nonlinearity and volatility, which increases the forecasting difficulty. However, most of existing short-term load forecasting methods rely solely on the original load data or take into account a single external factor, which [...] Read more.
Short-term load is influenced by multiple external factors and shows strong nonlinearity and volatility, which increases the forecasting difficulty. However, most of existing short-term load forecasting methods rely solely on the original load data or take into account a single external factor, which results in significant forecasting errors. To improve the forecasting accuracy, this paper proposes a short-term load forecasting method considering multiple contributing factors based on VAR and CEEMDAN-CNN- BILSTM. Firstly, multiple contributing factors strongly correlated with the short-term load are selected based on the Spearman correlation analysis, the vector autoregressive (VAR) model with multivariate input is derived, and the Levenberg–Marquardt algorithm is introduced to estimate the model parameters. Secondly, the complete ensemble empirical mode decomposition with adaptive noise (CEEMDAN) algorithm and permutation entropy (PE) criterion are combined to decompose and reconstruct the original load data into multiple relatively stationary mode components, which are respectively input into the CNN-BILTSM network for forecasting. Finally, the sine–cosine and Cauchy mutation sparrow search algorithm (SCSSA) is used to optimize the parameters of the combinative model to improve the forecasting accuracy. The actual simulation results utilizing the Australian data validate the forecasting accuracy of the proposed model, achieving reduction in the root mean square error by 31.21% and 18.04% compared to the VAR and CEEMDAN-CNN-BILSTM, respectively. Full article
(This article belongs to the Section F: Electrical Engineering)
Show Figures

Figure 1

18 pages, 7787 KB  
Article
Use of Composite Multivariate Multiscale Permutation Fuzzy Entropy to Diagnose the Faults of Rolling Bearing
by Qiang Yuan, Mingchen Lv, Ruiping Zhou, Hong Liu, Chongkun Liang and Lijiao Cheng
Entropy 2023, 25(7), 1049; https://doi.org/10.3390/e25071049 - 12 Jul 2023
Cited by 8 | Viewed by 2042
Abstract
The study focuses on the fault signals of rolling bearings, which are characterized by nonlinearity, periodic impact, and low signal-to-noise ratio. The advantages of entropy calculation in analyzing time series data were combined with the high calculation accuracy of Multiscale Fuzzy Entropy (MFE) [...] Read more.
The study focuses on the fault signals of rolling bearings, which are characterized by nonlinearity, periodic impact, and low signal-to-noise ratio. The advantages of entropy calculation in analyzing time series data were combined with the high calculation accuracy of Multiscale Fuzzy Entropy (MFE) and the strong noise resistance of Multiscale Permutation Entropy (MPE), a multivariate coarse-grained form was introduced, and the coarse-grained process was improved. The Composite Multivariate Multiscale Permutation Fuzzy Entropy (CMvMPFE) method was proposed to solve the problems of low accuracy, large entropy perturbation, and information loss in the calculation process of fault feature parameters. This method extracts the fault characteristics of rolling bearings more comprehensively and accurately. The CMvMPFE method was used to calculate the entropy value of the rolling bearing experimental fault data, and Support Vector Machine (SVM) was used for fault diagnosis analysis. By comparing with MPFE, the Composite Multiscale Permutation Fuzzy Entropy (CMPFE) and the Multivariate Multiscale Permutation Fuzzy Entropy (MvMPFE) methods, the results of the calculations show that the CMvMPFE method can extract rolling bearing fault characteristics more comprehensively and accurately, and it also has good robustness. Full article
(This article belongs to the Special Issue Entropy in Machine Learning Applications)
Show Figures

Figure 1

20 pages, 3271 KB  
Article
Distinguish between Stochastic and Chaotic Signals by a Local Structure-Based Entropy
by Zelin Zhang, Jun Wu, Yufeng Chen, Ji Wang and Jinyu Xu
Entropy 2022, 24(12), 1752; https://doi.org/10.3390/e24121752 - 30 Nov 2022
Cited by 4 | Viewed by 2734
Abstract
As a measure of complexity, information entropy is frequently used to categorize time series, such as machinery failure diagnostics, biological signal identification, etc., and is thought of as a characteristic of dynamic systems. Many entropies, however, are ineffective for multivariate scenarios due to [...] Read more.
As a measure of complexity, information entropy is frequently used to categorize time series, such as machinery failure diagnostics, biological signal identification, etc., and is thought of as a characteristic of dynamic systems. Many entropies, however, are ineffective for multivariate scenarios due to correlations. In this paper, we propose a local structure entropy (LSE) based on the idea of a recurrence network. Given certain tolerance and scales, LSE values can distinguish multivariate chaotic sequences between stochastic signals. Three financial market indices are used to evaluate the proposed LSE. The results show that the LSEFSTE100 and LSES&P500 are higher than LSESZI, which indicates that the European and American stock markets are more sophisticated than the Chinese stock market. Additionally, using decision trees as the classifiers, LSE is employed to detect bearing faults. LSE performs higher on recognition accuracy when compared to permutation entropy. Full article
(This article belongs to the Topic Advances in Nonlinear Dynamics: Methods and Applications)
Show Figures

Figure 1

16 pages, 4104 KB  
Article
A Novel Multivariate Cutting Force-Based Tool Wear Monitoring Method Using One-Dimensional Convolutional Neural Network
by Xu Yang, Rui Yuan, Yong Lv, Li Li and Hao Song
Sensors 2022, 22(21), 8343; https://doi.org/10.3390/s22218343 - 30 Oct 2022
Cited by 24 | Viewed by 3977
Abstract
Tool wear condition monitoring during the machining process is one of the most important considerations in precision manufacturing. Cutting force is one of the signals that has been widely used for tool wear condition monitoring, which contains the dynamical information of tool wear [...] Read more.
Tool wear condition monitoring during the machining process is one of the most important considerations in precision manufacturing. Cutting force is one of the signals that has been widely used for tool wear condition monitoring, which contains the dynamical information of tool wear conditions. This paper proposes a novel multivariate cutting force-based tool wear monitoring method using one-dimensional convolutional neural network (1D CNN). Firstly, multivariate variational mode decomposition (MVMD) is used to process the multivariate cutting force signals. The multivariate band-limited intrinsic mode functions (BLIMFs) are obtained, which contain a large number of nonlinear and nonstationary tool wear characteristics. Afterwards, the proposed modified multiscale permutation entropy (MMPE) is used to measure the complexity of multivariate BLIMFs. The entropy values on multiple scales are calculated as condition indicators in tool wear condition monitoring. Finally, the one-dimensional feature vectors are constructed and employed as the input of 1D CNN to achieve accurate and stable tool wear condition monitoring. The results of the research in this paper demonstrate that the proposed approach has broad prospects in tool wear condition monitoring. Full article
(This article belongs to the Special Issue Intelligent Systems for Fault Diagnosis and Prognosis)
Show Figures

Figure 1

19 pages, 6766 KB  
Article
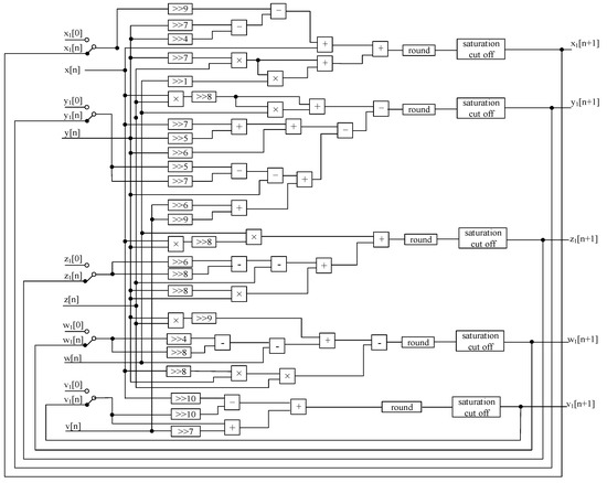
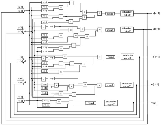
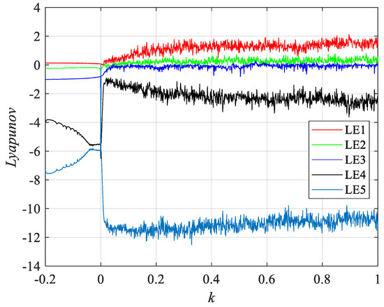
FPGA-Based Implementation and Synchronization Design of a New Five-Dimensional Hyperchaotic System
by Ya Wang, Xinyu Li, Xiaodong Li, Yerui Guang, Yanan Wu and Qun Ding
Entropy 2022, 24(9), 1179; https://doi.org/10.3390/e24091179 - 24 Aug 2022
Cited by 10 | Viewed by 2320
Abstract
Considering the security of a communication system, designing a high-dimensional complex chaotic system suitable for chaotic synchronization has become a key problem in chaotic secure communication. In this paper, a new 5-D hyperchaotic system with high order nonlinear terms was constructed and proved [...] Read more.
Considering the security of a communication system, designing a high-dimensional complex chaotic system suitable for chaotic synchronization has become a key problem in chaotic secure communication. In this paper, a new 5-D hyperchaotic system with high order nonlinear terms was constructed and proved to be hyperchaotic by dynamical characterization characteristics, the maximum Lyapunov exponent was close to 2, and there was a better permutation entropy index, while a valid chaotic sequence could be generated in three cycles in the FPGA (Field Programmable Gate Array)-based implementation. A multivariable nonlinear feedback synchronous controller based on FPGA was proposed to design and implement synchronization of high order complex hyperchaotic systems. The results show that the error signal converged to 0 rapidly under the effect of the nonlinear feedback synchronous controller. This lays the foundation for the synchronization of high order complex chaotic systems. Full article
Show Figures

Figure 1

16 pages, 30572 KB  
Article
Composite Multivariate Multi-Scale Permutation Entropy and Laplacian Score Based Fault Diagnosis of Rolling Bearing
by Wanming Ying, Jinyu Tong, Zhilin Dong, Haiyang Pan, Qingyun Liu and Jinde Zheng
Entropy 2022, 24(2), 160; https://doi.org/10.3390/e24020160 - 21 Jan 2022
Cited by 31 | Viewed by 3948
Abstract
As a powerful tool for measuring complexity and randomness, multivariate multi-scale permutation entropy (MMPE) has been widely applied to the feature representation and extraction of multi-channel signals. However, MMPE still has some intrinsic shortcomings that exist in the coarse-grained procedure, and it lacks [...] Read more.
As a powerful tool for measuring complexity and randomness, multivariate multi-scale permutation entropy (MMPE) has been widely applied to the feature representation and extraction of multi-channel signals. However, MMPE still has some intrinsic shortcomings that exist in the coarse-grained procedure, and it lacks the precise estimation of entropy value. To address these issues, in this paper a novel non-linear dynamic method named composite multivariate multi-scale permutation entropy (CMMPE) is proposed, for optimizing insufficient coarse-grained process in MMPE, and thus to avoid the loss of information. The simulated signals are used to verify the validity of CMMPE by comparing it with the often-used MMPE method. An intelligent fault diagnosis method is then put forward on the basis of CMMPE, Laplacian score (LS), and bat optimization algorithm-based support vector machine (BA-SVM). Finally, the proposed fault diagnosis method is utilized to analyze the test data of rolling bearings and is then compared with the MMPE, multivariate multi-scale multiscale entropy (MMFE), and multi-scale permutation entropy (MPE) based fault diagnosis methods. The results indicate that the proposed fault diagnosis method of rolling bearing can achieve effective identification of fault categories and is superior to comparative methods. Full article
Show Figures

Figure 1

19 pages, 1004 KB  
Article
Variational Embedding Multiscale Sample Entropy: A Tool for Complexity Analysis of Multichannel Systems
by Hongjian Xiao and Danilo P. Mandic
Entropy 2022, 24(1), 26; https://doi.org/10.3390/e24010026 - 24 Dec 2021
Cited by 11 | Viewed by 4705
Abstract
Entropy-based methods have received considerable attention in the quantification of structural complexity of real-world systems. Among numerous empirical entropy algorithms, conditional entropy-based methods such as sample entropy, which are associated with amplitude distance calculation, are quite intuitive to interpret but require excessive data [...] Read more.
Entropy-based methods have received considerable attention in the quantification of structural complexity of real-world systems. Among numerous empirical entropy algorithms, conditional entropy-based methods such as sample entropy, which are associated with amplitude distance calculation, are quite intuitive to interpret but require excessive data lengths for meaningful evaluation at large scales. To address this issue, we propose the variational embedding multiscale sample entropy (veMSE) method and conclusively demonstrate its ability to operate robustly, even with several times shorter data than the existing conditional entropy-based methods. The analysis reveals that veMSE also exhibits other desirable properties, such as the robustness to the variation in embedding dimension and noise resilience. For rigor, unlike the existing multivariate methods, the proposed veMSE assigns a different embedding dimension to every data channel, which makes its operation independent of channel permutation. The veMSE is tested on both stimulated and real world signals, and its performance is evaluated against the existing multivariate multiscale sample entropy methods. The proposed veMSE is also shown to exhibit computational advantages over the existing amplitude distance-based entropy methods. Full article
(This article belongs to the Special Issue Statistical Methods for Complex Systems)
Show Figures

Figure 1

19 pages, 2752 KB  
Article
A Modified Multivariable Complexity Measure Algorithm and Its Application for Identifying Mental Arithmetic Task
by Dizhen Ma, Shaobo He and Kehui Sun
Entropy 2021, 23(8), 931; https://doi.org/10.3390/e23080931 - 22 Jul 2021
Cited by 6 | Viewed by 2574
Abstract
Properly measuring the complexity of time series is an important issue. The permutation entropy (PE) is a widely used as an effective complexity measurement algorithm, but it is not suitable for the complexity description of multi-dimensional data. In this paper, in order to [...] Read more.
Properly measuring the complexity of time series is an important issue. The permutation entropy (PE) is a widely used as an effective complexity measurement algorithm, but it is not suitable for the complexity description of multi-dimensional data. In this paper, in order to better measure the complexity of multi-dimensional time series, we proposed a modified multivariable PE (MMPE) algorithm with principal component analysis (PCA) dimensionality reduction, which is a new multi-dimensional time series complexity measurement algorithm. The analysis results of different chaotic systems verify that MMPE is effective. Moreover, we applied it to the comlexity analysis of EEG data. It shows that the person during mental arithmetic task has higher complexity comparing with the state before mental arithmetic task. In addition, we also discussed the necessity of the PCA dimensionality reduction. Full article
(This article belongs to the Special Issue Shannon Information and Kolmogorov Complexity)
Show Figures

Figure 1

25 pages, 2770 KB  
Article
A Novel Microwave Treatment for Sleep Disorders and Classification of Sleep Stages Using Multi-Scale Entropy
by Daoshuang Geng, Daoguo Yang, Miao Cai and Lixia Zheng
Entropy 2020, 22(3), 347; https://doi.org/10.3390/e22030347 - 17 Mar 2020
Cited by 9 | Viewed by 5190
Abstract
The aim of this study was to develop an integrated system of non-contact sleep stage detection and sleep disorder treatment for health monitoring. Hence, a method of brain activity detection based on microwave scattering technology instead of scalp electroencephalogram was developed to evaluate [...] Read more.
The aim of this study was to develop an integrated system of non-contact sleep stage detection and sleep disorder treatment for health monitoring. Hence, a method of brain activity detection based on microwave scattering technology instead of scalp electroencephalogram was developed to evaluate the sleep stage. First, microwaves at a specific frequency were used to penetrate the functional sites of the brain in patients with sleep disorders to change the firing frequency of the activated areas of the brain and analyze and evaluate statistically the effects on sleep improvement. Then, a wavelet packet algorithm was used to decompose the microwave transmission signal, the refined composite multiscale sample entropy, the refined composite multiscale fluctuation-based dispersion entropy and multivariate multiscale weighted permutation entropy were obtained as features from the wavelet packet coefficient. Finally, the mutual information-principal component analysis feature selection method was used to optimize the feature set and random forest was used to classify and evaluate the sleep stage. The results show that after four times of microwave modulation treatment, sleep efficiency improved continuously, the overall maintenance was above 80%, and the insomnia rate was reduced gradually. The overall classification accuracy of the four sleep stages was 86.4%. The results indicate that the microwaves with a certain frequency can treat sleep disorders and detect abnormal brain activity. Therefore, the microwave scattering method is of great significance in the development of a new brain disease treatment, diagnosis and clinical application system. Full article
(This article belongs to the Section Entropy and Biology)
Show Figures

Figure 1

14 pages, 9380 KB  
Article
Multivariate Multiscale Complexity Analysis of Self-Reproducing Chaotic Systems
by Shaobo He, Chunbiao Li, Kehui Sun and Sajad Jafari
Entropy 2018, 20(8), 556; https://doi.org/10.3390/e20080556 - 27 Jul 2018
Cited by 51 | Viewed by 4368
Abstract
Designing a chaotic system with infinitely many attractors is a hot topic. In this paper, multiscale multivariate permutation entropy (MMPE) and multiscale multivariate Lempel–Ziv complexity (MMLZC) are employed to analyze the complexity of those self-reproducing chaotic systems with one-directional and two-directional infinitely many [...] Read more.
Designing a chaotic system with infinitely many attractors is a hot topic. In this paper, multiscale multivariate permutation entropy (MMPE) and multiscale multivariate Lempel–Ziv complexity (MMLZC) are employed to analyze the complexity of those self-reproducing chaotic systems with one-directional and two-directional infinitely many chaotic attractors. The analysis results show that complexity of this class of chaotic systems is determined by the initial conditions. Meanwhile, the values of MMPE are independent of the scale factor, which is different from the algorithm of MMLZC. The analysis proposed here is helpful as a reference for the application of the self-reproducing systems. Full article
Show Figures

Figure 1

17 pages, 279 KB  
Article
Multivariate Multi-Scale Permutation Entropy for Complexity Analysis of Alzheimer’s Disease EEG
by Francesco Carlo Morabito, Domenico Labate, Fabio La Foresta, Alessia Bramanti, Giuseppe Morabito and Isabella Palamara
Entropy 2012, 14(7), 1186-1202; https://doi.org/10.3390/e14071186 - 4 Jul 2012
Cited by 245 | Viewed by 18474
Abstract
An original multivariate multi-scale methodology for assessing the complexity of physiological signals is proposed. The technique is able to incorporate the simultaneous analysis of multi-channel data as a unique block within a multi-scale framework. The basic complexity measure is done by using Permutation [...] Read more.
An original multivariate multi-scale methodology for assessing the complexity of physiological signals is proposed. The technique is able to incorporate the simultaneous analysis of multi-channel data as a unique block within a multi-scale framework. The basic complexity measure is done by using Permutation Entropy, a methodology for time series processing based on ordinal analysis. Permutation Entropy is conceptually simple, structurally robust to noise and artifacts, computationally very fast, which is relevant for designing portable diagnostics. Since time series derived from biological systems show structures on multiple spatial-temporal scales, the proposed technique can be useful for other types of biomedical signal analysis. In this work, the possibility of distinguish among the brain states related to Alzheimer’s disease patients and Mild Cognitive Impaired subjects from normal healthy elderly is checked on a real, although quite limited, experimental database. Full article
(This article belongs to the Special Issue Concepts of Entropy and Their Applications)
Show Figures

Figure 1

Back to TopTop