Sign in to use this feature.

Years

Between: -

Subjects

remove_circle_outline
remove_circle_outline
remove_circle_outline
remove_circle_outline
remove_circle_outline
remove_circle_outline
remove_circle_outline
remove_circle_outline

Journals

Article Types

Countries / Regions

Search Results (27)

Search Parameters:
Keywords = microswitch

Order results
Result details
Results per page
Select all
Export citation of selected articles as:
27 pages, 10207 KB  
Article
Failure Mechanism and Biomimetic Wiping Self-Cleaning Design of Micro-Current Snap-Action Limit Switches for Marine Environments
by Yuhang Zhong, Xiaolong Zhao, Chengfei Zhang, Yuliang Teng, Zhuxin Zhang and Dingxuan Zhao
Actuators 2026, 15(2), 89; https://doi.org/10.3390/act15020089 - 2 Feb 2026
Viewed by 147
Abstract
In marine hot–humid and salt spray environments, shipborne snap-action limit switches operating under micro-current loads are prone to triggering failures caused by the accumulation of heterogeneous films on electrical contact interfaces, which can induce abnormal behavior in electromechanical systems. To address this issue, [...] Read more.
In marine hot–humid and salt spray environments, shipborne snap-action limit switches operating under micro-current loads are prone to triggering failures caused by the accumulation of heterogeneous films on electrical contact interfaces, which can induce abnormal behavior in electromechanical systems. To address this issue, this study systematically investigates the failure mechanisms of micro-current limit switches using multimodal diagnostic approaches. The results demonstrate that the migration and accumulation of corrosion products and foreign contaminants within the microswitch unit promote the formation of high-resistance heterogeneous films at the electrical contact interfaces, severely impairing reliable electrical conduction. Electrical contact experiments further reveal that the contact behavior is strongly dependent on the current magnitude. When the current exceeds 2A, arc discharge generated during contact closure can effectively disrupt and remove the heterogeneous films, thereby restoring the electrical functionality of previously failed switches under subsequent micro-current operating conditions. Based on the identified failure mechanism, and inspired by the natural eye-cleaning behavior of crabs, a biomimetic press-and-wipe self-cleaning dual-redundant limit switch design is proposed. The design enables autonomous surface cleaning through controlled reciprocal wiping between the moving and stationary electrical contacts, effectively suppressing the formation and accumulation of high-resistance films at the source. Comparative salt spray and damp heat storage tests demonstrate that the proposed self-cleaning limit switch maintains stable and reliable electrical contact performance in simulated marine environments, significantly improving operational reliability and service life under micro-current loads. This work provides both mechanistic insights and a practical structural solution for enhancing the reliability of electrical contact components operating under low-current conditions in harsh marine environments. Full article
Show Figures

Figure 1

25 pages, 1693 KB  
Review
Small-Molecule Ligands of Rhodopsin and Their Therapeutic Potential in Retina Degeneration
by Zaiddodine Pashandi and Beata Jastrzebska
Int. J. Mol. Sci. 2025, 26(18), 8964; https://doi.org/10.3390/ijms26188964 - 15 Sep 2025
Viewed by 1984
Abstract
Rhodopsin, the prototypical Class A G protein-coupled receptor (GPCR) and visual pigment of rod photoreceptors, has long served as a structural and mechanistic model for GPCR biology. Mutations in rhodopsin are the leading cause of autosomal dominant retinitis pigmentosa (adRP), making this receptor [...] Read more.
Rhodopsin, the prototypical Class A G protein-coupled receptor (GPCR) and visual pigment of rod photoreceptors, has long served as a structural and mechanistic model for GPCR biology. Mutations in rhodopsin are the leading cause of autosomal dominant retinitis pigmentosa (adRP), making this receptor a critical therapeutic target. In this review, we summarize the chemical, structural, and biophysical features of small-molecule modulators of this receptor, spanning both classical retinoid analogs and emerging non-retinoid scaffolds. These ligands reveal recurrent binding modes within the orthosteric chromophore pocket as well as peripheral allosteric and bitopic sites, where they mediate folding, rescue trafficking, photocycle modulation, and mutant stabilization. We organize ligand performance into a three-tier framework linking binding affinity, cellular rescue potency, and stability gains. Chemotypes in tier 2, which show sub-micromolar to low-micromolar activity with broad mutant coverage, emerge as promising candidates for optimization into next-generation scaffolds. Across scaffolds, a recurring minimal pharmacophore is evident by a contiguous hydrophobic π-surface anchored in the β-ionone region, coupled with a strategically oriented polar handle that modulates the Lys296/Glu113 microenvironment, offering tractable design vectors for non-retinoid chemotypes. Beyond the chromophore binding pocket, we highlight opportunities to exploit extracellular loop epitopes, cytoplasmic microswitch clefts, dimer/membrane interfaces, and ion co-binding sites to engineer safer, state-biased control with fewer photochemical liabilities. By integrating rhodopsin photobiophysics with environment-aware, multi-state medicinal chemistry, and by addressing current translational challenges in drug delivery, this review outlines a rational framework for advancing rhodopsin-targeted therapeutics toward clinically credible interventions for RP and related retinal degenerations. Full article
(This article belongs to the Section Molecular Pathology, Diagnostics, and Therapeutics)
Show Figures

Figure 1

22 pages, 5496 KB  
Article
Design Optimization of RF MEMS-Driven Triangular Resonators with Sierpinski Geometry for Dual-Band Applications
by Alina Cismaru, Flavio Giacomozzi, Mircea Pasteanu and Romolo Marcelli
Micromachines 2025, 16(4), 446; https://doi.org/10.3390/mi16040446 - 9 Apr 2025
Cited by 1 | Viewed by 2601
Abstract
This paper proposes a detailed design study of resonating high-frequency notch filters driven by RF MEMS switches and their optimization for dual-band operation in the X-Band. Microstrip configurations will be considered for single and dual-band applications. An SPDT (single-pole-double-thru) switch composed of double-clamped [...] Read more.
This paper proposes a detailed design study of resonating high-frequency notch filters driven by RF MEMS switches and their optimization for dual-band operation in the X-Band. Microstrip configurations will be considered for single and dual-band applications. An SPDT (single-pole-double-thru) switch composed of double-clamped ohmic microswitches has been introduced to connect triangular resonators with Sierpinski geometry, symmetrically placed with respect to a microstrip line to obtain a dual notch response. Close frequencies or spans as wide as 2 GHz can be obtained depending on the internal complexity and the edge side. The internal complexity has been modified to introduce the possibility of using the same edge size for the frequency tuning of an elementary cell, maintaining a fixed footprint, and allowing coupled structures to implement high-frequency filters of the same size and variable operational frequencies. Preliminary experimental results have been obtained as a confirmation of the predicted device functionality. Full article
(This article belongs to the Special Issue The 15th Anniversary of Micromachines)
Show Figures

Figure 1

12 pages, 5496 KB  
Article
Improved Test Fixture for Collecting Microcontact Performance and Reliability Data
by Turja Nandy, Ronald A. Coutu and Rafee Mahbub
Micromachines 2024, 15(5), 597; https://doi.org/10.3390/mi15050597 - 29 Apr 2024
Viewed by 3270
Abstract
Microelectromechanical systems (MEMS) ohmic contact switches are considered to be a promising candidate for wireless communication applications. The longevity of MEMS switches is directly related to the reliability and performance of microcontacts. In this work, an improved microcontact test fixture with high actuation [...] Read more.
Microelectromechanical systems (MEMS) ohmic contact switches are considered to be a promising candidate for wireless communication applications. The longevity of MEMS switches is directly related to the reliability and performance of microcontacts. In this work, an improved microcontact test fixture with high actuation rates (KHz) and highly precise position control (nm) and force (nN) control was developed. Here, we collected microcontact performance data from initial contact tests (ICT) and microcontact reliability data from cold switched tests (CST). To perform these tests with our test fixture, we fabricated MEMS microcontact test structures with relatively high Young’s modulus electroplated Nickel (Ni)-based, fixed–fixed beam structure with Au/RuO2 bimetallic microcontacts. These structures were characterized for forces ranging from 200–1000 µN in ICT tests. In a CST test, the tested microcontact survived more than 200 million cycles at a 1 KHz cycle rate, with a stable contact resistance value ranging between 3.8–5.2 Ω. These experiments validate the potentiality of our microcontact test fixture, and will facilitate further investigation on advanced microcontacts to enhance the MEMS switch’s reliability. Full article
(This article belongs to the Special Issue Feature Papers from Micromachines Reviewers 2023)
Show Figures

Figure 1

18 pages, 8903 KB  
Article
ZX Fusion: A ZX Spectrum Implementation on an FPGA with Modern Peripherals
by Gustavo Jacinto and Rui Policarpo Duarte
Electronics 2024, 13(2), 450; https://doi.org/10.3390/electronics13020450 - 22 Jan 2024
Viewed by 5679
Abstract
The ZX Spectrum was a popular 8-bit home computer by Sinclair Research in the 1980s. Even though some of these computers may still work, the audio tapes, the TV with an analog tuner, and the micro-switch joystick that were used with the original [...] Read more.
The ZX Spectrum was a popular 8-bit home computer by Sinclair Research in the 1980s. Even though some of these computers may still work, the audio tapes, the TV with an analog tuner, and the micro-switch joystick that were used with the original ZX Spectrum are outdated and hard to find in good working order or to replicate. As many other old closed systems are also very difficult to update to support modern peripherals there is a necessity to provide a methodology to adapt such systems to support new peripherals while being compatible with existing software. This implementation is a means by which to validate the methodology before applying it to a physical system. The work proposed in this paper focused on recreating a ZX Spectrum+/48K computer and interfacing it with modern peripherals on an FPGA. This was accomplished by adding a co-processor to assist with the control of the more complex peripherals. Otherwise, the original system would require complex architectural changes and would perform poorly due to the low performance of the Z80 CPU. This work distanced itself from previous works on emulating a ZX Spectrum, as it focused on the use of different upgraded peripherals and the use of a NIOS II soft processor as a co-processor to manage the SD card accesses and save-state functionality. A demonstration of the proposed modernized architecture was made by successfully running a diagnostics ROM and playing original ZX Spectrum games from an SD card for games with a PS/2 keyboard and a pair of joysticks. Full article
(This article belongs to the Special Issue FPGAs Based Hardware Design)
Show Figures

Figure 1

16 pages, 280 KB  
Article
Assessing the Tool-Use Learning Process in Persons with Profound Intellectual and Multiple Disabilities
by Christina Modh, Ann-Marie Öhrvall and Lisbeth Nilsson
Disabilities 2023, 3(4), 477-492; https://doi.org/10.3390/disabilities3040030 - 18 Oct 2023
Cited by 1 | Viewed by 3085
Abstract
The aim of the study was to explore inter-rater reliability and rater experiences of applying the universal instrument Assessment of Learning Process (ALP) with persons with profound intellectual and multiple disabilities. The study used a mixed-methods design. Inter-rater reliability was tested by eight [...] Read more.
The aim of the study was to explore inter-rater reliability and rater experiences of applying the universal instrument Assessment of Learning Process (ALP) with persons with profound intellectual and multiple disabilities. The study used a mixed-methods design. Inter-rater reliability was tested by eight clinical raters who assessed 23 video clips of people learning to use a powered AKKA mobility platform with a line-follower system. The raters were four occupational therapists, two special education teachers, and two speech-language therapists. The qualitative Think-aloud method explored three of the raters experiences of applying the ALP instrument. The inter-rater reliability test of the universal ALP instrument showed a moderate linear weighted kappa value (0.45). All eight raters’ estimated the degree of difficulty or confidence for each assessment. Content analysis of Think-aloud data elucidated three of the raters experiences of observing performance characteristics and interpreting tool-use understanding. The reported inter-rater reliability of the universal ALP instrument can be considered acceptable for an observational study involving persons with profound intellectual and multiple disabilities. Thereby, the results suggest that the ALP can be applied to this population. This is important as assessing a person’s phase in the learning process guides the choice of ALP-facilitating strategies supporting progress in tool-use learning, which in turn may expand a person’s activity repertoire and participation. Full article
Show Figures

Graphical abstract

14 pages, 3399 KB  
Article
Quick Identification of Open/Closed State of GIS Switch Based on Vibration Detection and Deep Learning
by Kun Zhang, Yong Zhang, Junjie Wu and Zhizhong Li
Electronics 2023, 12(14), 3204; https://doi.org/10.3390/electronics12143204 - 24 Jul 2023
Cited by 10 | Viewed by 2187
Abstract
The rapid and accurate identification of the opening and closing state of the knife switch in a gas insulated switchgear (GIS) is very important for the timely detection of equipment faults and for the reduction of related accidents. However, existing technologies, such as [...] Read more.
The rapid and accurate identification of the opening and closing state of the knife switch in a gas insulated switchgear (GIS) is very important for the timely detection of equipment faults and for the reduction of related accidents. However, existing technologies, such as image recognition, are vulnerable to weather or light intensity, while microswitch, attitude sensing and other methods are unable to induce equipment power failure with sufficient speed, which brings many new challenges to the operation and maintenance of a GIS. Therefore, this research designs a GIS shell vibration detection system for knife switch state discrimination, introduces a deep learning algorithm for knife switch vibration signal analysis, and proposes a fast convolutional neural network (FCNN) to identify the knife switch state. For the designed FCNN, a normalization layer and a nonlinear activation layer are used after each convolution layer to obviously reduce feature quantity and increase algorithm efficiency. In order to test the recognition performance based on the vibration detection system, this study carried out two kinds of knife switch opening and closing experiments. One group with artificial noise was added, the other group did not include artifical noise, and a corresponding data set was constructed. The experimental results show that the recognition accuracy for both datasets reaches 100%, and the FCNN algorithm is better than the five classical algorithms in terms of prediction efficiency. This study shows that the vibration detection technology based on deep learning can be used to effectively identify the opening and closing state of a GIS knife switch, and is expected to be promoted and applied. Full article
(This article belongs to the Special Issue Recent Advances in Applied Deep Neural Network)
Show Figures

Figure 1

14 pages, 6727 KB  
Article
Resonant Self-Actuation Based on Bistable Microswitching
by Joel Joseph, Makoto Ohtsuka, Hiroyuki Miki and Manfred Kohl
Actuators 2023, 12(6), 245; https://doi.org/10.3390/act12060245 - 13 Jun 2023
Cited by 1 | Viewed by 2869
Abstract
We present the design, simulation, and characterization of a magnetic shape-memory alloy (MSMA) film actuator that transitions from bistable switching to resonant self-actuation when subjected to a stationary heat source. The actuator design comprises two Ni-Mn-Ga films of 10 µm thickness integrated at [...] Read more.
We present the design, simulation, and characterization of a magnetic shape-memory alloy (MSMA) film actuator that transitions from bistable switching to resonant self-actuation when subjected to a stationary heat source. The actuator design comprises two Ni-Mn-Ga films of 10 µm thickness integrated at the front on either side of an elastic cantilever that moves freely between two heatable miniature permanent magnets and, thus, forms a bistable microswitch. Switching between the two states is induced by selectively heating the MSMA films above their Curie temperature Tc. When continuously heating the permanent magnets above Tc, the MSMA film actuator exhibits an oscillatory motion in between the magnets with large oscillation stroke in the frequency range of 50–60 Hz due to resonant self-actuation. A lumped-element model (LEM) is introduced to describe the coupled thermo-magnetic and magneto-mechanical performance of the actuator. We demonstrate that this performance can be used for the thermomagnetic energy generation of low-grade waste heat (T < 150 °C) with a high power output per footprint in the order of 2.3 µW/cm2. Full article
(This article belongs to the Special Issue Cooperative Microactuator Devices and Systems)
Show Figures

Figure 1

16 pages, 7633 KB  
Article
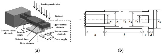
Highly Sensitive Inertial Micro-Switch for Achieving Adjustable Multi-Threshold Acceleration
by Jufeng Deng, Dian Song and Shijie Su
Actuators 2023, 12(2), 53; https://doi.org/10.3390/act12020053 - 26 Jan 2023
Cited by 4 | Viewed by 2495
Abstract
An inertial micro-switch with multi-threshold acceleration detection capability has been proposed, taking advantage of electromechanical coupling behavior. A mathematical model of electromechanical coupling behavior was established to display the dependence of highly sensitivity on pull-in characteristic and show the ability to detect threshold [...] Read more.
An inertial micro-switch with multi-threshold acceleration detection capability has been proposed, taking advantage of electromechanical coupling behavior. A mathematical model of electromechanical coupling behavior was established to display the dependence of highly sensitivity on pull-in characteristic and show the ability to detect threshold acceleration by controlling the voltage applied to the inertial micro-switch. The capability of sensitivity and detection that was described in mathematical model was implemented to occur at the inertial switch and showed agreement with that of a simulation. Inertia switches that were comprised of various microstructures with dimensions ranging 3.5 µm from 180 µm were manufactured by means of the micro-electro-mechanical system (MEMS) manufacturing process, and their functions were evaluated by a dropping system. The control method related to the manufacturing of inertial switches was obtained by analyzing the effect of the structural parameters of the inertial switch on threshold voltage and threshold acceleration, resulting in a relatively small error between simulation and experiment. The inertial micro-switch showed high sensitivity to achieving the pull-in effect at 30 V, sense multi-threshold acceleration ranging from 500 g to 2000 g in 2.46 ms and provided enough time for outputting the acceleration signal. Furthermore, the multi-threshold acceleration can be adjusted by controlling the voltage applied to inertial micro-switches. In addition, other functions of inertial micro-switches, such as lower residual stress, high recoverability, and repeatability, have been displayed. Full article
Show Figures

Figure 1

12 pages, 6577 KB  
Article
Liquid-Metal-Based Magnetic Controllable Soft Microswitch with Rapid and Reliable Response for Intelligent Soft Systems
by Qin Jiang, Zhitong Hu, Yaping Xie, Kefan Wu, Shuo Zhang and Zhigang Wu
Micromachines 2022, 13(12), 2255; https://doi.org/10.3390/mi13122255 - 18 Dec 2022
Cited by 4 | Viewed by 3022
Abstract
When combined with diverse sensors, soft robots significantly improve their functionalities and intelligence levels. However, most of the existing soft sensors require complex signal analysis devices or algorithms, which severely increase the complexity of soft robot systems. Here, based on the unique fluidic [...] Read more.
When combined with diverse sensors, soft robots significantly improve their functionalities and intelligence levels. However, most of the existing soft sensors require complex signal analysis devices or algorithms, which severely increase the complexity of soft robot systems. Here, based on the unique fluidic property of liquid metal, we propose a magnet-controllable soft microswitch that can be well-integrated into a soft robot system, e.g., a soft gripper to help it facilely detect and precisely grab objects. The microswitch consists of a flexible soft beam electrode and a fixed electrode, forming a soft microsystem. By tuning the cohesion force of the liquid metal between the electrodes, the microswitch can convert its states between an individual and a self-locking state. The microswitch can achieve a reasonable rapid response (~12 ms) and high switching frequency (~95 Hz). Furthermore, soft microswitches can be customized into logic units and also coupled to control a digital tube showing various numbers. Our work provides a new simple soft sensor unit that may enhance the intelligence of soft systems. Full article
(This article belongs to the Section A:Physics)
Show Figures

Figure 1

23 pages, 7283 KB  
Article
In Search of Synergistic Insect Repellents: Modeling of Muscarinic GPCR Interactions with Classical and Bitopic Photoactive Ligands
by Beata Niklas, Bruno Lapied and Wieslaw Nowak
Molecules 2022, 27(10), 3280; https://doi.org/10.3390/molecules27103280 - 20 May 2022
Cited by 4 | Viewed by 2915
Abstract
Insect vector-borne diseases pose serious health problems, so there is a high demand for efficient molecules that could reduce transmission. Using molecular docking and molecular dynamics (MD) simulation, we studied a series of compounds acting on human and insect muscarinic acetylcholine receptors (mAChRs), [...] Read more.
Insect vector-borne diseases pose serious health problems, so there is a high demand for efficient molecules that could reduce transmission. Using molecular docking and molecular dynamics (MD) simulation, we studied a series of compounds acting on human and insect muscarinic acetylcholine receptors (mAChRs), a novel target of synergistic agents in pest control. We characterized early conformational changes of human M1 and fruit fly type-A mAChR G protein-coupled receptors (GPCRs) in response to DEET, IR3535, and muscarine binding based on the MD analysis of the activation microswitches known to form the signal transduction pathway in class A GPCRs. We indicated groups of microswitches that are the most affected by the presence of a ligand. Moreover, to increase selectivity towards insects, we proposed a new, bitopic, photoswitchable mAChR ligand—BQCA-azo-IR353 and studied its interactions with both receptors. Modeling data showed that using a bitopic ligand may be a promising strategy in the search for better insect control. Full article
Show Figures

Figure 1

21 pages, 3100 KB  
Review
Signal Transduction by VIP and PACAP Receptors
by Ingrid Langer, Jérôme Jeandriens, Alain Couvineau, Swapnil Sanmukh and Dorota Latek
Biomedicines 2022, 10(2), 406; https://doi.org/10.3390/biomedicines10020406 - 9 Feb 2022
Cited by 46 | Viewed by 7466
Abstract
Homeostasis of the human immune system is regulated by many cellular components, including two neuropeptides, VIP and PACAP, primary stimuli for three class B G protein-coupled receptors, VPAC1, VPAC2, and PAC1. Vasoactive intestinal peptide (VIP) and pituitary adenylate cyclase-activating polypeptide (PACAP) regulate intestinal [...] Read more.
Homeostasis of the human immune system is regulated by many cellular components, including two neuropeptides, VIP and PACAP, primary stimuli for three class B G protein-coupled receptors, VPAC1, VPAC2, and PAC1. Vasoactive intestinal peptide (VIP) and pituitary adenylate cyclase-activating polypeptide (PACAP) regulate intestinal motility and secretion and influence the functioning of the endocrine and immune systems. Inhibition of VIP and PACAP receptors is an emerging concept for new pharmacotherapies for chronic inflammation and cancer, while activation of their receptors provides neuroprotection. A small number of known active compounds for these receptors still impose limitations on their use in therapeutics. Recent cryo-EM structures of VPAC1 and PAC1 receptors in their agonist-bound active state have provided insights regarding their mechanism of activation. Here, we describe major molecular switches of VPAC1, VPAC2, and PAC1 that may act as triggers for receptor activation and compare them with similar non-covalent interactions changing upon activation that were observed for other GPCRs. Interhelical interactions in VIP and PACAP receptors that are important for agonist binding and/or activation provide a molecular basis for the design of novel selective drugs demonstrating anti-inflammatory, anti-cancer, and neuroprotective effects. The impact of genetic variants of VIP, PACAP, and their receptors on signalling mediated by endogenous agonists is also described. This sequence diversity resulting from gene splicing has a significant impact on agonist selectivity and potency as well as on the signalling properties of VIP and PACAP receptors. Full article
(This article belongs to the Special Issue Neuropeptides in Biomedicines)
Show Figures

Figure 1

12 pages, 510 KB  
Review
A Comprehensive Approach to Rehabilitation Interventions in Patients with Angelman Syndrome: A Systematic Review of the Literature
by Maddalena Sommese and Bruno Corrado
Neurol. Int. 2021, 13(3), 359-370; https://doi.org/10.3390/neurolint13030036 - 28 Jul 2021
Cited by 9 | Viewed by 7278
Abstract
Angelman syndrome is a rare genetic disease affecting the central nervous system and neurobehavioral development causing severe mental, linguistic, and physical disabilities. The purpose of this review was to analyze the most recent evidence regarding the rehabilitation of subjects affected by this syndrome. [...] Read more.
Angelman syndrome is a rare genetic disease affecting the central nervous system and neurobehavioral development causing severe mental, linguistic, and physical disabilities. The purpose of this review was to analyze the most recent evidence regarding the rehabilitation of subjects affected by this syndrome. The review was carried out in accordance with the preferred reporting items for systematic reviews and meta-analyses. A total of 3661 studies were identified in the databases. Once the inclusion/exclusion criteria were applied, 15 studies were considered for the paper’s preparation. The level of evidence of the studies was established according to the criteria of the Oxford Center for Evidence-Based Medicine—Levels of Evidence. From the selected studies, five rehabilitative approaches emerged: physiotherapy, applied behavioral analysis, toilet training, microswitch-cluster technology, and augmentative and alternative communication. Although the studies did not have a high level of evidence, the reported results appear to be encouraging and pave the way for further studies. It seems that individualized and multidisciplinary rehabilitation interventions help to improve patients’ autonomy and quality of life. In some studies, the caregivers’ role was fundamental to identify preferences and long-term improvements. Further studies on larger populations and with better methodological quality are needed to confirm the results. Full article
Show Figures

Figure 1

11 pages, 6332 KB  
Article
The Design, Simulation and Fabrication of an Omnidirectional Inertial Switch with Rectangular Suspension Spring
by Wenguo Chen, Rui Wang, Huiying Wang and Shulei Sun
Micromachines 2021, 12(4), 440; https://doi.org/10.3390/mi12040440 - 15 Apr 2021
Cited by 6 | Viewed by 3019
Abstract
An omnidirectional inertial switch with rectangular spring is proposed in this paper, and the prototype has been fabricated by surface micromachining technology. To evaluate the threshold consistency and stability of omnidirectional inertia switch, the stiffness of rectangular suspension springs is analyzed. The simulation [...] Read more.
An omnidirectional inertial switch with rectangular spring is proposed in this paper, and the prototype has been fabricated by surface micromachining technology. To evaluate the threshold consistency and stability of omnidirectional inertia switch, the stiffness of rectangular suspension springs is analyzed. The simulation result shows that the coupling stiffness of the rectangular spring suspension system in the non-sensitive direction is a little more than that in the sensitive direction, which indicated that the omnidirectional switching system’s stability is reinforced, attributed to the design of rectangular springs. The dynamic response simulation shows that the threshold of the omnidirectional inertial switch using the rectangular suspension spring has high consistency in the horizontal direction. The prototype of an inertial switch is fabricated and tested successfully. The testing results indicate even threshold distribution in the horizontal direction. The threshold acceleration of the designed inertial switch is about 58 g in the X direction and 37 g in the Z direction; the contact time is about 18 μs. Full article
Show Figures

Figure 1

26 pages, 5437 KB  
Review
In Silico Drug Design for Purinergic GPCRs: Overview on Molecular Dynamics Applied to Adenosine and P2Y Receptors
by Veronica Salmaso and Kenneth A. Jacobson
Biomolecules 2020, 10(6), 812; https://doi.org/10.3390/biom10060812 - 26 May 2020
Cited by 17 | Viewed by 5648
Abstract
Molecular modeling has contributed to drug discovery for purinergic GPCRs, including adenosine receptors (ARs) and P2Y receptors (P2YRs). Experimental structures and homology modeling have proven to be useful in understanding and predicting structure activity relationships (SAR) of agonists and antagonists. This review provides [...] Read more.
Molecular modeling has contributed to drug discovery for purinergic GPCRs, including adenosine receptors (ARs) and P2Y receptors (P2YRs). Experimental structures and homology modeling have proven to be useful in understanding and predicting structure activity relationships (SAR) of agonists and antagonists. This review provides an excursus on molecular dynamics (MD) simulations applied to ARs and P2YRs. The binding modes of newly synthesized A1AR- and A3AR-selective nucleoside derivatives, potentially of use against depression and inflammation, respectively, have been predicted to recapitulate their SAR and the species dependence of A3AR affinity. P2Y12R and P2Y1R crystallographic structures, respectively, have provided a detailed understanding of the recognition of anti-inflammatory P2Y14R antagonists and a large group of allosteric and orthosteric antagonists of P2Y1R, an antithrombotic and neuroprotective target. MD of A2AAR (an anticancer and neuroprotective target), A3AR, and P2Y1R has identified microswitches that are putatively involved in receptor activation. The approach pathways of different ligands toward A2AAR and P2Y1R binding sites have also been explored. A1AR, A2AAR, and A3AR were utilizes to study allosteric phenomena, but locating the binding site of structurally diverse allosteric modulators, such as an A3AR enhancer LUF6000, is challenging. Ligand residence time, a predictor of in vivo efficacy, and the structural role of water were investigated through A2AAR MD simulations. Thus, new MD and other modeling algorithms have contributed to purinergic GPCR drug discovery. Full article
Show Figures

Graphical abstract

Back to TopTop