Sign in to use this feature.

Years

Between: -

Subjects

remove_circle_outline
remove_circle_outline
remove_circle_outline
remove_circle_outline
remove_circle_outline
remove_circle_outline
remove_circle_outline
remove_circle_outline
remove_circle_outline

Journals

remove_circle_outline
remove_circle_outline
remove_circle_outline
remove_circle_outline

Article Types

Countries / Regions

remove_circle_outline
remove_circle_outline
remove_circle_outline
remove_circle_outline
remove_circle_outline

Search Results (327)

Search Parameters:
Keywords = heuristic approximation

Order results
Result details
Results per page
Select all
Export citation of selected articles as:
29 pages, 880 KB  
Article
A Mathematical Framework for Radio Resource Assignment in UAV-Aided Vehicular Communications
by Francesca Conserva and Chiara Buratti
Drones 2026, 10(3), 156; https://doi.org/10.3390/drones10030156 - 24 Feb 2026
Viewed by 16
Abstract
Unmanned Aerial Vehicle (UAV), when equipped as communication relays, offer a flexible solution to extend Vehicle-to-Vehicle (V2V) communications beyond fixed infrastructure and Non-Line-of-Sight constraints. In this setting, the allocation of radio resources, across time, frequency and space through beamforming, is challenged by the [...] Read more.
Unmanned Aerial Vehicle (UAV), when equipped as communication relays, offer a flexible solution to extend Vehicle-to-Vehicle (V2V) communications beyond fixed infrastructure and Non-Line-of-Sight constraints. In this setting, the allocation of radio resources, across time, frequency and space through beamforming, is challenged by the mobility of Connected and Autonomous Vehicles (CAVs) and their temporal dependencies, as access opportunities depend on prior transmission outcomes such as queue backlog or failed attempts. This paper proposes a Radio Resource Assignment (RRA) framework for UAV-aided V2V networks with beamforming-capable UAV relays. The model discretizes time and space to account for mobility and to track the movement of groups of CAVs across beam segments. The model also incorporates Time Division Multiple Access (TDMA)-based scheduling, beam activation constraints, and realistic traffic generation patterns. Analytical expressions are derived for per-user success probability and system throughput under both, ideal and realistic conditions, and they are validated against simulations, confirming the accuracy of the proposed approximations. Numerical results highlight trade-offs involving UAV altitude and resource allocation interval, while a heuristic beam-activation optimization strategy is shown to further enhance performance, achieving up to 12% throughput gain over uniform activation. Full article
(This article belongs to the Section Drone Communications)
33 pages, 4132 KB  
Article
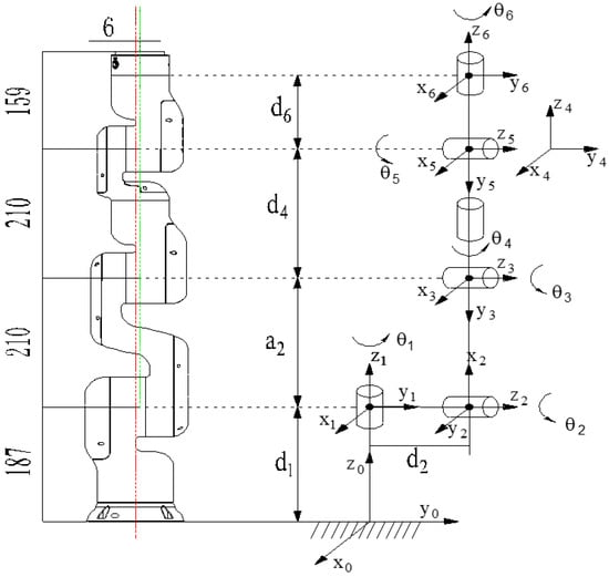
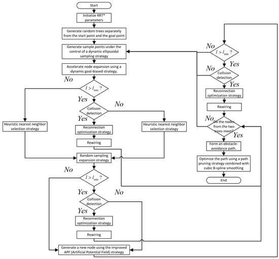
Obstacle Avoidance Path Planning for Robotic Arms Using a Multi-Strategy Collaborative Bidirectional RRT* Algorithm
by Xiangchen Ku, Erzhou Zhu and Sen Li
Sensors 2026, 26(4), 1376; https://doi.org/10.3390/s26041376 - 22 Feb 2026
Viewed by 130
Abstract
In response to issues such as insufficient bias in random sampling, low convergence efficiency, inadequate path search efficiency, and lack of path smoothness encountered by the traditional RRT* algorithm during path planning, an improved algorithm is proposed. First, a dynamic ellipsoidal sampling strategy [...] Read more.
In response to issues such as insufficient bias in random sampling, low convergence efficiency, inadequate path search efficiency, and lack of path smoothness encountered by the traditional RRT* algorithm during path planning, an improved algorithm is proposed. First, a dynamic ellipsoidal sampling strategy is introduced, which accelerates the exploration of the path space by adaptively adjusting the sampling region. Additionally, a bidirectional RRT* algorithm is employed, establishing two alternately growing search trees to perform bidirectional search, thereby effectively enhancing the convergence speed of the algorithm. Second, a dynamic goal-biased strategy is adopted, which greedily guides the random tree to grow rapidly toward the goal point, thereby improving planning efficiency. A heuristic search scheme is integrated with the RRT* algorithm to further increase convergence speed. A random sampling expansion strategy is utilized to guide the tree to expand into unexplored regions, avoiding local minima while ensuring global search capability. Local reconnection optimization is applied to reduce the cumulative path cost of new nodes while balancing path length, smoothness, and safety. To reduce the number of iterations, an improved artificial potential field method is incorporated into the growth process of the bidirectional random search trees, providing directional guidance for their expansion. Finally, path pruning techniques are applied to eliminate redundant nodes from the initial path, and a cubic B-spline interpolation algorithm is used to smooth the pruned path, generating a final trajectory with continuous curvature suitable for tracking. Quantitative analysis of simulation experiments in three-dimensional space shows that in both simple and complex environments, compared with the RRT, GB-RRT, BI-RRT, APF-RRT, and BI-APF-RRT* algorithms, the improved RRT* algorithm reduces planning time by approximately 58–90%, decreases the number of path nodes by about 31–91%, and shortens path length by around 8–20%, demonstrating the superiority of the proposed algorithm. Full article
(This article belongs to the Section Sensors and Robotics)
Show Figures

Figure 1

24 pages, 78909 KB  
Article
A Metaheuristic Optimization Algorithm for Task Clustering in Collaborative Multi-Cluster Systems
by Meixuan Li, Yongping Hao, Hui Zhang and Jiulong Xu
Sensors 2026, 26(4), 1364; https://doi.org/10.3390/s26041364 - 20 Feb 2026
Viewed by 258
Abstract
To address the task-grouping problem for air–ground integrated Unmanned Aerial Vehicle (UAV) swarm missions in three-dimensional (3D) environments, this study proposes a data-preprocessing and hybrid initialization clustering method based on 3D spatial features. A dual-modal prototype meta-heuristic optimization model, Dual-Prototype Metaheuristic K-Means (DPM-Kmeans), [...] Read more.
To address the task-grouping problem for air–ground integrated Unmanned Aerial Vehicle (UAV) swarm missions in three-dimensional (3D) environments, this study proposes a data-preprocessing and hybrid initialization clustering method based on 3D spatial features. A dual-modal prototype meta-heuristic optimization model, Dual-Prototype Metaheuristic K-Means (DPM-Kmeans), is constructed accordingly. First, to overcome spatial information loss in high-dimensional task allocation, a 3D spatial task data preprocessing technique and a hybrid initialization strategy based on the golden spiral distribution are designed. This ensures the diversity and environmental adaptability of the initial solutions. Second, a dual-modal prototype optimization framework incorporating row prototypes (local refinement) and column prototypes (global combination) was constructed using meta-heuristics and clustering algorithms. The prototype-driven replacement update mechanism simultaneously performs global and local search, balancing the algorithm’s exploration and exploitation capabilities while expanding the solution space. This effectively addresses premature convergence issues in complex search spaces. Simultaneously, a collaborative multi-constraint, dynamically weighted optimization model was constructed, incorporating task requirements and flight distance constraints to ensure that the grouping scheme approximates the global optimum. Simulation results demonstrate that compared to traditional K-means and mainstream meta-heuristic optimization algorithms, DPM-Kmeans achieves an overall improvement of 2–10% in Sum of Squared Errors (SSE), Silhouette Coefficient (SC), and Davies–Bouldin Index (DB) metrics. It exhibits superior convergence speed and solution quality, proving the method’s excellent scalability and robustness in multi-constraint, large-scale 3D scenarios. Full article
(This article belongs to the Section Sensors and Robotics)
Show Figures

Figure 1

25 pages, 377 KB  
Review
Decarbonizing Freight Through Intermodal Transport: An Operations Research Perspective—Part I: Methodological Foundations and Model-Driven Insights
by Madelaine Martinez-Ferguson, Aliza Sharmin, Mustafa Can Camur and Xueping Li
Future Transp. 2026, 6(1), 49; https://doi.org/10.3390/futuretransp6010049 - 16 Feb 2026
Viewed by 162
Abstract
Intermodal transportation (IMT) has long been recognized as a key strategy for decarbonizing freight transportation (FT), which is one of the most polluting sectors worldwide. While IMT has been extensively examined using operations research (OR) methods, the integration of decarbonization objectives has only [...] Read more.
Intermodal transportation (IMT) has long been recognized as a key strategy for decarbonizing freight transportation (FT), which is one of the most polluting sectors worldwide. While IMT has been extensively examined using operations research (OR) methods, the integration of decarbonization objectives has only recently gained momentum. Despite this growing interest, to the best of our knowledge, no prior comprehensive review has systematically synthesized OR methodologies specifically addressing IMT decarbonization. To address this gap, we conduct a systematic literature review of OR studies on IMT decarbonization and organize the survey into two complementary parts. Part I focuses on methodological foundations of OR applications in IMT decarbonization. We classify studies by problem type and OR technique, analyzing modeling characteristics, solution approaches, and uncertainty treatment. Our analysis reveals that exact methods dominate the literature (41% of studies), while meta-heuristics show rapid recent growth with 50% of studies published recently. Approximately 20% of studies incorporate uncertainty, and they are predominantly demand-focused. We identify critical research gaps including limited multistage stochastic frameworks to capture cascading uncertainties, insufficient attention to terminal operations and network reliability, and the underutilization of emerging technologies such as reinforcement learning and digital twins. This systematic synthesis establishes the current state of OR methodologies in IMT decarbonization and provides a foundation for future innovations in sustainable freight systems. Full article
Show Figures

Figure 1

27 pages, 10340 KB  
Article
A Coordinated Operation Framework for Mobile Charging Robots and Fixed Charging Piles: Layout Design and Performance Analysis
by You Kong, Congwen Deng, Jiaheng Zhang and Ruijie Li
Sustainability 2026, 18(4), 2009; https://doi.org/10.3390/su18042009 - 15 Feb 2026
Viewed by 143
Abstract
The rapid growth of electric vehicles (EVs) is intensifying charging demand in space-constrained parking facilities, where fixed charging piles (FCPs) are often underutilized due to parking–charging coupling and stall blocking. This study develops a coordinated planning framework for a hybrid charging system that [...] Read more.
The rapid growth of electric vehicles (EVs) is intensifying charging demand in space-constrained parking facilities, where fixed charging piles (FCPs) are often underutilized due to parking–charging coupling and stall blocking. This study develops a coordinated planning framework for a hybrid charging system that integrates FCPs and mobile charging robots (MCRs). Two optimization models—operator profit maximization and social welfare maximization—are formulated to jointly determine the capacity configuration (numbers of FCPs and MCRs) and the spatial layout of FCPs and MCR base stations, subject to a queueing-theory-based waiting-time constraint. A nested heuristic solution method combining particle swarm optimization (PSO) and K-means++ is designed for tractable computation. Numerical experiments on a representative parking facility demonstrate a clear complementarity between fixed and mobile chargers: FCPs serve baseload demand economically, while MCRs provide flexible capacity that reduces average waiting time and mitigates congestion. The results further quantify the divergence between private and social objectives; when robot costs are reduced, the social-welfare model deploys approximately 35% more robots than the profit-maximizing solution to reduce user time losses. By improving charger utilization, the proposed hybrid planning approach enhances resource efficiency and supports sustainable EV charging infrastructure in dense urban parking facilities. Full article
Show Figures

Figure 1

19 pages, 6519 KB  
Article
Control Method and Simulation of Reconfigurable Façade Cable-Driven Parallel Robots Based on Heuristic Local Rules
by Yujun Li, Chaofeng Liu, Yang Liu, Shengcong Li, Fujun Yang, Mingheng Yu, Zhiyuan Chen, Longhui Shao and Jingke Yan
Machines 2026, 14(2), 210; https://doi.org/10.3390/machines14020210 - 11 Feb 2026
Viewed by 150
Abstract
Traditional control strategies for Cable-Driven Parallel Robots (CDPRs) rely heavily on global kinematic modeling and precise calibration, severely limiting their adaptability in unstructured or dynamic environments. This study addresses the challenge of rapid deployment without geometric priors by proposing a reconfigurable CDPR system [...] Read more.
Traditional control strategies for Cable-Driven Parallel Robots (CDPRs) rely heavily on global kinematic modeling and precise calibration, severely limiting their adaptability in unstructured or dynamic environments. This study addresses the challenge of rapid deployment without geometric priors by proposing a reconfigurable CDPR system composed of modular units. A novel heuristic control strategy based on “4+2+1” local rules is introduced, comprising translational, attitude correction, and tension maintenance logic. By utilizing local feedback—including cable tension, attitude, and anchor orientation—this method generates control commands without requiring boundary condition calibration, thereby supporting real-time reconfiguration. Numerical simulations of a façade cleaning scenario demonstrate that the system maintains stability across varying topologies, including anchor position changes and unit failures. Compared to a benchmark kinematic method, the proposed strategy reduces trajectory tracking error by approximately 50.5% and suppresses the pitch Root Mean Square Error (RMSE) from a divergent 42.75° (traditional) to 1.52°, effectively preventing the attitude failure typical of uncalibrated model-based control. These findings confirm that the proposed rule-based approach significantly enhances robustness and adaptability, offering a practical solution for deploying CDPRs in complex environments without pre-existing maps. Full article
(This article belongs to the Section Robotics, Mechatronics and Intelligent Machines)
Show Figures

Figure 1

24 pages, 1442 KB  
Article
Machine Learning–Driven Optimization of Photovoltaic Systems on Uneven Terrain for Sustainable Energy Development
by Luis Angel Iturralde Carrera, Carlos D. Constantino-Robles, Omar Rodríguez-Abreo, Carlos Fuentes-Silva, Gabriel Alejandro Cruz Reyes, Araceli Zapatero-Gutiérrez, Yoisdel Castillo Alvarez and Juvenal Rodríguez-Reséndiz
AI 2026, 7(2), 55; https://doi.org/10.3390/ai7020055 - 2 Feb 2026
Viewed by 1903
Abstract
This study presents an AI-driven computational framework for optimizing the orientation and spatial deployment of photovoltaic (PV) systems installed on uneven terrain, with the objective of enhancing energy efficiency and supporting sustainable energy development. The proposed methodology integrates PVsyst-based numerical simulations with statistical [...] Read more.
This study presents an AI-driven computational framework for optimizing the orientation and spatial deployment of photovoltaic (PV) systems installed on uneven terrain, with the objective of enhancing energy efficiency and supporting sustainable energy development. The proposed methodology integrates PVsyst-based numerical simulations with statistical modeling and bio-inspired heuristic optimization algorithms, forming a hybrid machine learning–assisted decision-making approach. A heuristic–parametric optimization strategy was employed to evaluate multiple tilt and azimuth configurations, aiming to maximize specific energy yield and overall system performance, expressed through the performance ratio (PR). The model was validated using site-specific climatic data from Veracruz, Mexico, and identified an optimal azimuth orientation of approximately 267.3°, corresponding to an estimated PR of 0.8318. The results highlight the critical influence of azimuth orientation on photovoltaic efficiency and demonstrate strong consistency between simulation outputs, statistical analysis, and intelligent optimization results. From an industrial perspective, the proposed framework reduces planning uncertainty and energy losses associated with suboptimal configurations, enabling more reliable and cost-effective photovoltaic system design, particularly for installations on uneven terrain. Moreover, the methodology significantly reduces planning time and potential installation costs by eliminating the need for preliminary physical testing, offering a scalable and reproducible AI-assisted tool that can contribute to lower levelized energy costs, enhanced system reliability, and more efficient deployment of photovoltaic technologies in the renewable energy industry. Future work will extend the model toward a multivariable machine learning framework incorporating tilt angle, climatic variability, and photovoltaic technology type, further strengthening its applicability in real-world environments and its contribution to Sustainable Development Goal 7: affordable and clean energy. Full article
Show Figures

Figure 1

14 pages, 2107 KB  
Article
Optimizing Tourism Routes: A Quantum Approach to the Profitable Tour Problem
by Xiao-Shuang Cheng, You-Hang Liu, Xiao-Hong Dong and Yan Wang
Entropy 2026, 28(2), 153; https://doi.org/10.3390/e28020153 - 29 Jan 2026
Viewed by 293
Abstract
The Profitable Tour Problem is a well-known NP-hard optimization challenge central to tourism planning, aiming to maximize collected profit while minimizing travel costs. While classical heuristics provide approximate solutions, they often struggle with finding globally optimal routes. This paper explores the application of [...] Read more.
The Profitable Tour Problem is a well-known NP-hard optimization challenge central to tourism planning, aiming to maximize collected profit while minimizing travel costs. While classical heuristics provide approximate solutions, they often struggle with finding globally optimal routes. This paper explores the application of near-term quantum computing to this problem. We propose a framework based on the Variational Quantum Eigensolver to find high-quality solutions for the Profitable Tour Problem. The core of our contribution is a novel methodology for constructing a constraint-aware variational ansatz that directly encodes the problem’s hard constraints. This approach circumvents the need for large penalty terms in the Hamiltonian problem, which are often a source of optimization challenges. We validate our method through numerical simulations on a representative tourism scenario of up to 25 qubits. The results demonstrate the viability of the approach, achieving high solution accuracy consistent with brute-force enumeration for smaller instances. This work serves as a proof-of-concept for applying Variational Quantum Eigensolver to complex tourism optimization problems and provides a basis for future exploration on real quantum hardware. Full article
(This article belongs to the Special Issue Quantum Information: Working Towards Applications)
Show Figures

Figure 1

28 pages, 1318 KB  
Article
Lexicographic A*: Hierarchical Distance and Turn Optimization for Mobile Robots
by Wei-Chang Yeh, Jiun-Yu Tu, Tsung-Yan Huang, Yi-Zhen Liao and Chia-Ling Huang
Electronics 2026, 15(3), 599; https://doi.org/10.3390/electronics15030599 - 29 Jan 2026
Viewed by 225
Abstract
Autonomous mobile robots require efficient path planning algorithms for navigation in grid-based environments. While the A* algorithm guarantees optimally short paths using admissible heuristics, it exhibits path degeneracy: multiple geometrically distinct paths often share identical length. Classical A* arbitrarily selects among these equal-cost [...] Read more.
Autonomous mobile robots require efficient path planning algorithms for navigation in grid-based environments. While the A* algorithm guarantees optimally short paths using admissible heuristics, it exhibits path degeneracy: multiple geometrically distinct paths often share identical length. Classical A* arbitrarily selects among these equal-cost candidates, frequently producing trajectories with excessive directional changes. Each turn induces deceleration–acceleration cycles that degrade energy efficiency and accelerate mechanical wear. To address this, we propose Turn-Minimizing A* (TM-A*), a lexicographic optimization approach that maintains distance optimality while minimizing cumulative heading changes. Unlike weighted-cost methods that require parameter calibration, TM-A* applies a dual-objective framework: distance takes strict priority, with turn count serving as a tie-breaker among equal-length paths. A key contribution of this work is the explicit guarantee that the generated path has the minimum number of turns among all shortest paths. By formulating path planning as a lexicographic optimization problem, TM-A* strictly prioritizes path length optimality and deterministically selects, among all equal-length candidates, the one with the fewest directional changes. Unlike classical A*, which arbitrarily resolves path degeneracy, TM-A* provably eliminates this ambiguity. As a result, the method ensures globally shortest paths with minimal turning, directly improving trajectory smoothness and operational efficiency. We prove that TM-A* preserves the O(|E|log|V|) time complexity of classical A*. Validation across 30 independent Monte Carlo trials at resolutions from 200 × 200 to 1000 × 1000 demonstrates that TM-A* reduces turn count by 39–43% relative to baseline A* (p < 0.001). Although the inclusion of orientation expands the search space four-fold, the computation time increases by only a factor of approximately 3 (≈200%), indicating efficient scalability relative to problem complexity. With absolute latency remaining below 3300 ms for 1000 × 1000 grids, the approach is highly suitable for static global planning. Consequently, TM-A* provides a deterministic and scalable solution for generating smooth trajectories in industrial mobile robot applications. Full article
(This article belongs to the Special Issue Feature Papers in Networks: 2025–2026 Edition)
Show Figures

Figure 1

36 pages, 3276 KB  
Article
Robot Planning via LLM Proposals and Symbolic Verification
by Drejc Pesjak and Jure Žabkar
Mach. Learn. Knowl. Extr. 2026, 8(1), 22; https://doi.org/10.3390/make8010022 - 16 Jan 2026
Viewed by 844
Abstract
Planning in robotics represents an ongoing research challenge, as it requires the integration of sensing, reasoning, and execution. Although large language models (LLMs) provide a high degree of flexibility in planning, they often introduce hallucinated goals and actions and consequently lack the formal [...] Read more.
Planning in robotics represents an ongoing research challenge, as it requires the integration of sensing, reasoning, and execution. Although large language models (LLMs) provide a high degree of flexibility in planning, they often introduce hallucinated goals and actions and consequently lack the formal reliability of deterministic methods. In this paper, we address this limitation by proposing a hybrid Sense–Plan–Code–Act (SPCA) framework that combines perception, LLM-based reasoning, and symbolic planning. Within the proposed approach, sensory information is first transformed into a symbolic description of the world in Planning Domain Definition Language (PDDL) using an LLM. A heuristic planner is then used to generate a valid plan, which is subsequently converted to code by a second LLM. The generated code is first validated syntactically through compilation and then semantically in simulation. When errors are detected, local corrections can be applied and the process is repeated as necessary. The proposed method is evaluated in the OpenAI Gym MiniGrid reinforcement learning environment and in a Gazebo simulation on a UR5 robotic arm using a curriculum of tasks with increasing complexity. The system successfully completes approximately 71–75% of tasks across environments with a relatively low number of simulation iterations. Full article
Show Figures

Figure 1

32 pages, 999 KB  
Article
A Robust Hybrid Metaheuristic Framework for Training Support Vector Machines
by Khalid Nejjar, Khalid Jebari and Siham Rekiek
Algorithms 2026, 19(1), 70; https://doi.org/10.3390/a19010070 - 13 Jan 2026
Viewed by 169
Abstract
Support Vector Machines (SVMs) are widely used in critical decision-making applications, such as precision agriculture, due to their strong theoretical foundations and their ability to construct an optimal separating hyperplane in high-dimensional spaces. However, the effectiveness of SVMs is highly dependent on the [...] Read more.
Support Vector Machines (SVMs) are widely used in critical decision-making applications, such as precision agriculture, due to their strong theoretical foundations and their ability to construct an optimal separating hyperplane in high-dimensional spaces. However, the effectiveness of SVMs is highly dependent on the efficiency of the optimization algorithm used to solve their underlying dual problem, which is often complex and constrained. Classical solvers, such as Sequential Minimal Optimization (SMO) and Stochastic Gradient Descent (SGD), present inherent limitations: SMO ensures numerical stability but lacks scalability and is sensitive to heuristics, while SGD scales well but suffers from unstable convergence and limited suitability for nonlinear kernels. To address these challenges, this study proposes a novel hybrid optimization framework based on Open Competency Optimization and Particle Swarm Optimization (OCO–PSO) to enhance the training of SVMs. The proposed approach combines the global exploration capability of PSO with the adaptive competency-based learning mechanism of OCO, enabling efficient exploration of the solution space, avoidance of local minima, and strict enforcement of dual constraints on the Lagrange multipliers. Across multiple datasets spanning medical (diabetes), agricultural yield, signal processing (sonar and ionosphere), and imbalanced synthetic data, the proposed OCO-PSO–SVM consistently outperforms classical SVM solvers (SMO and SGD) as well as widely used classifiers, including decision trees and random forests, in terms of accuracy, macro-F1-score, Matthews correlation coefficient (MCC), and ROC-AUC. On the Ionosphere dataset, OCO-PSO achieves an accuracy of 95.71%, an F1-score of 0.954, and an MCC of 0.908, matching the accuracy of random forest while offering superior interpretability through its kernel-based structure. In addition, the proposed method yields a sparser model with only 66 support vectors compared to 71 for standard SVC (a reduction of approximately 7%), while strictly satisfying the dual constraints with a near-zero violation of 1.3×103. Notably, the optimal hyperparameters identified by OCO-PSO (C=2, γ0.062) differ substantially from those obtained via Bayesian optimization for SVC (C=10, γ0.012), indicating that the proposed approach explores alternative yet equally effective regions of the hypothesis space. The statistical significance and robustness of these improvements are confirmed through extensive validation using 1000 bootstrap replications, paired Student’s t-tests, Wilcoxon signed-rank tests, and Holm–Bonferroni correction. These results demonstrate that the proposed metaheuristic hybrid optimization framework constitutes a reliable, interpretable, and scalable alternative for training SVMs in complex and high-dimensional classification tasks. Full article
Show Figures

Figure 1

23 pages, 1141 KB  
Article
Randomized Algorithms and Neural Networks for Communication-Free Multiagent Singleton Set Cover
by Guanchu He, Colton Hill, Joshua H. Seaton and Philip N. Brown
Games 2026, 17(1), 3; https://doi.org/10.3390/g17010003 - 12 Jan 2026
Viewed by 409
Abstract
This paper considers how a system designer can program a team of autonomous agents to coordinate with one another such that each agent selects (or covers) an individual resource with the goal that all agents collectively cover the maximum number of resources. Specifically, [...] Read more.
This paper considers how a system designer can program a team of autonomous agents to coordinate with one another such that each agent selects (or covers) an individual resource with the goal that all agents collectively cover the maximum number of resources. Specifically, we study how agents can formulate strategies without information about other agents’ actions so that system-level performance remains robust in the presence of communication failures. First, we use an algorithmic approach to study the scenario in which all agents lose the ability to communicate with one another, have a symmetric set of resources to choose from, and select actions independently according to a probability distribution over the resources. We show that the distribution that maximizes the expected system-level objective under this approach can be computed by solving a convex optimization problem, and we introduce a novel polynomial-time heuristic based on subset selection. Further, both of the methods are guaranteed to be within 11/e of the system’s optimal in expectation. Second, we use a learning-based approach to study how a system designer can employ neural networks to approximate optimal agent strategies in the presence of communication failures. The neural network, trained on system-level optimal outcomes obtained through brute-force enumeration, generates utility functions that enable agents to make decisions in a distributed manner. Empirical results indicate the neural network often outperforms greedy and randomized baseline algorithms. Collectively, these findings provide a broad study of optimal agent behavior and its impact on system-level performance when the information available to agents is extremely limited. Full article
(This article belongs to the Section Algorithmic and Computational Game Theory)
Show Figures

Figure 1

31 pages, 10290 KB  
Article
Enhanced Social Group Optimization Algorithm for the Economic Dispatch Problem Including Wind Power
by Dinu Călin Secui, Cristina Hora, Florin Ciprian Dan, Monica Liana Secui and Horea Nicolae Hora
Processes 2026, 14(2), 254; https://doi.org/10.3390/pr14020254 - 11 Jan 2026
Viewed by 248
Abstract
The economic dispatch (ED) problem is a major challenge in power system optimization. In this article, an Enhanced Social Group Optimization (ESGO) algorithm is presented for solving the economic dispatch problem with or without wind units, considering various characteristics related to valve-point effects, [...] Read more.
The economic dispatch (ED) problem is a major challenge in power system optimization. In this article, an Enhanced Social Group Optimization (ESGO) algorithm is presented for solving the economic dispatch problem with or without wind units, considering various characteristics related to valve-point effects, ramp-rate constraints, prohibited operating zones, and transmission power losses. The Social Group Optimization (SGO) algorithm models the social dynamics of individuals within a group—through mechanisms of collective learning, behavioral adaptation, and information exchange—and leverages these interactions to guide the population efficiently towards optimal solutions. ESGO extends SGO along three complementary directions: redefining the update relations of the original SGO, introducing stochastic operators into the heuristic mechanisms, and dynamically updating the generated solutions. These modifications aim to achieve a more robust balance between exploration and exploitation, enable flexible adaptation of search steps, and rapidly integrate improved-fitness solutions into the evolutionary process. ESGO is evaluated in six distinct cases, covering systems with 6, 40, 110, and 220 units, to demonstrate its ability to produce competitive solutions as well as its performance in terms of stability, convergence, and computational efficiency. The numerical results show that, in the vast majority of the analyzed cases, ESGO outperforms SGO and other known or improved metaheuristic algorithms in terms of cost and stability. It incorporates wind generation results at an operating cost reduction of approximately 10% compared to the thermal-only system, under the adopted linear wind power model. Moreover, relative to the size of the analyzed systems, ESGO exhibits a reduced average execution time and requires a small number of function evaluations to obtain competitive solutions. Full article
(This article belongs to the Section Energy Systems)
Show Figures

Figure 1

18 pages, 605 KB  
Article
A Biased-Randomized Algorithm for the Bi-Objective Capacitated Dispersion Problem with Symmetries
by Juan F. Gomez, Wenwen Chen, Laura Calvet, Majsa Ammouriova and Angel A. Juan
Symmetry 2026, 18(1), 110; https://doi.org/10.3390/sym18010110 - 7 Jan 2026
Viewed by 212
Abstract
Given a network of nodes and a certain demand that needs to be satisfied, the capacitated dispersion problem (CDP) involves selecting a subset of nodes to maximize dispersion between them. In many practical instances, symmetry in the structure of the selected nodes (e.g., [...] Read more.
Given a network of nodes and a certain demand that needs to be satisfied, the capacitated dispersion problem (CDP) involves selecting a subset of nodes to maximize dispersion between them. In many practical instances, symmetry in the structure of the selected nodes (e.g., using nodes of the same type) can lead to synergies. Hence, this paper studies a bi-objective variant of the CDP to account for these symmetries. The first goal seeks to maximize the minimum distance between opened nodes, while the second goal accounts for symmetry by penalizing the use of nodes of different types (in our case, represented by different colors). We formalize the problem as a bi-objective mathematical program and address it through a classical multiobjective strategy, the ϵ-constraint method. Exact methods are used when the problem size allows, even though the problem is NP-hard. To tackle larger instances, we design a biased-randomized algorithm based on a constructive heuristic. Computational experiments show that our biased-randomized algorithm provides high-quality approximations of the Pareto frontier. Full article
Show Figures

Figure 1

36 pages, 16386 KB  
Article
MESPBO: Multi-Strategy-Enhanced Student Psychology-Based Optimization Algorithm for Global Optimization Problems and Feature Selection Problems
by Guolin Zhai and Sai Li
Biomimetics 2026, 11(1), 37; https://doi.org/10.3390/biomimetics11010037 - 5 Jan 2026
Viewed by 351
Abstract
Feature selection and continuous optimization are fundamental yet challenging tasks in machine learning and engineering design. To address premature convergence and insufficient population diversity in Student Psychology-Based Optimization (SPBO), this paper proposes a Multi-Strategy-Enhanced Student Psychology-Based Optimizer (MESPBO). The proposed method incorporates three [...] Read more.
Feature selection and continuous optimization are fundamental yet challenging tasks in machine learning and engineering design. To address premature convergence and insufficient population diversity in Student Psychology-Based Optimization (SPBO), this paper proposes a Multi-Strategy-Enhanced Student Psychology-Based Optimizer (MESPBO). The proposed method incorporates three complementary strategies: (i) a hybrid heuristic initialization scheme based on Latin Hypercube Sampling and Gaussian perturbation; (ii) an adaptive dual-learning position update mechanism to dynamically balance exploration and exploitation; (iii) a hybrid opposition-based reflective boundary control strategy to enhance search stability. Extensive experiments on the CEC2017 benchmark suite with 10, 30, and 50 dimensions demonstrate that MESPBO consistently outperforms 11 state-of-the-art metaheuristic algorithms. Specifically, MESPBO achieves the best Friedman mean ranks of 2.00, 1.67, and 1.67 under 10D, 30D, and 50D settings, respectively, indicating superior convergence accuracy, robustness, and scalability. In real-world feature selection tasks conducted on 10 benchmark datasets, MESPBO achieves the highest average classification accuracy on 9 datasets, reaching 100% accuracy on several datasets, while maintaining competitive performance on the remaining one. Moreover, MESPBO selects the smallest feature subsets on 7 datasets, typically retaining only 2–4 features without sacrificing classification accuracy. Compared with the original SPBO, MESPBO further reduces the fitness values on 7 out of 10 datasets, achieving an average improvement of approximately 10%. These results verify that MESPBO provides an effective trade-off between optimization accuracy and feature compactness, demonstrating strong adaptability and generalization capability for both global optimization and feature selection problems. Full article
Show Figures

Figure 1

Back to TopTop