Sign in to use this feature.

Years

Between: -

Subjects

remove_circle_outline
remove_circle_outline
remove_circle_outline
remove_circle_outline
remove_circle_outline

Journals

Article Types

Countries / Regions

Search Results (12)

Search Parameters:
Keywords = five-leg inverter

Order results
Result details
Results per page
Select all
Export citation of selected articles as:
16 pages, 10088 KB  
Article
A Reliable Control Strategy for Dual Induction Motor Drive System Consisting of Five-Leg Inverter
by EunWoo Lee, Juyeon Lee and June-Seok Lee
Appl. Sci. 2026, 16(1), 530; https://doi.org/10.3390/app16010530 - 5 Jan 2026
Viewed by 59
Abstract
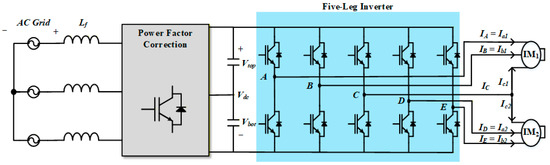
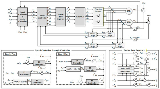
This paper proposes a reliable control strategy for dual induction motor drives using a five-leg inverter (FLI). Since the FLI has the structural characteristic where both motors share a common leg, the current of the common leg can flow at twice the magnitude [...] Read more.
This paper proposes a reliable control strategy for dual induction motor drives using a five-leg inverter (FLI). Since the FLI has the structural characteristic where both motors share a common leg, the current of the common leg can flow at twice the magnitude of the other leg currents. To prevent this overcurrent, this paper proposes a reliable integrated control strategy for both normal and open-circuit fault conditions in the FLI. Under normal conditions, overcurrent can occur when the phase and frequency of the current for both motors are distinct; therefore, the angle controller and current limitation prevent overcurrent. In contrast, an open-circuit fault in the FLI can cause overcurrent due to altered current paths. To ensure a safe shutdown, identifying the specific location of the faulty switch is essential. Therefore, fault diagnosis is required using the stator currents. Once the fault is located, a fault-tolerant method is applied to safely stop the motors, considering both the fault location and the rated current of the common leg. Consequently, the proposed system enables reliable operation of dual induction motor drives under various conditions. The experimental results verify the effectiveness of the proposed system. Full article
Show Figures

Figure 1

22 pages, 9823 KB  
Article
HIL-Based Fault-Tolerant Vector Space Decomposition Control for a Six-Phase PMSM Fed by a Five-Level CHB Converter
by Mona Shayeghan, Marco Di Benedetto, Alessandro Lidozzi and Luca Solero
Energies 2025, 18(3), 507; https://doi.org/10.3390/en18030507 - 23 Jan 2025
Cited by 2 | Viewed by 1977
Abstract
The growing demand for higher reliability and efficiency in modern electric drives, coupled with the increasing adoption of multi-phase machines, has necessitated advancements in fault-tolerant control strategies. This paper presents a fault tolerance analysis for a six-phase permanent magnet synchronous machine (PMSM) connected [...] Read more.
The growing demand for higher reliability and efficiency in modern electric drives, coupled with the increasing adoption of multi-phase machines, has necessitated advancements in fault-tolerant control strategies. This paper presents a fault tolerance analysis for a six-phase permanent magnet synchronous machine (PMSM) connected to a five-level cascaded H-bridge converter, employing a level-shift pulse width modulation (LSPWM) technique. Unlike existing strategies, this work integrates a unique combination of three key innovations: first, a fault detection mechanism capable of identifying faults in both machine phases and inverter legs with high precision; second, an open-circuit fault compensation strategy that dynamically reconfigures the faulty inverter phase leg into a two-level topology to reduce losses and preserve healthy switches; and third, a modified closed-loop control method designed specifically to mitigate the adverse effects of short-circuit faults while maintaining system stability. The proposed approach is validated through rigorous simulations in Simulink and Hardware-in-the-Loop (HIL) tests, demonstrating its robustness and applicability in high-reliability applications. Full article
Show Figures

Figure 1

21 pages, 7966 KB  
Article
Stable Rapid Sagittal Walking Control for Bipedal Robot Using Passive Tendon
by Haibo Gao, Shengjun Wang, Kaizheng Shan, Changxi Mu, Xin Wang, Bo Su and Haitao Yu
Actuators 2024, 13(7), 240; https://doi.org/10.3390/act13070240 - 26 Jun 2024
Cited by 1 | Viewed by 2778
Abstract
This paper presents the development, control, and experimental validation of a novel bipedal robot with a passive tendon. The robot, featuring foldable legs, coaxial actuation, and compact folded size, is endowed with a leg configuration with a five-bar mechanism. Based on biological observations [...] Read more.
This paper presents the development, control, and experimental validation of a novel bipedal robot with a passive tendon. The robot, featuring foldable legs, coaxial actuation, and compact folded size, is endowed with a leg configuration with a five-bar mechanism. Based on biological observations of human walking, a passive artificial tendon made of emulsion is fabricated to work in conjunction with a tensioning device, providing adaptive heel touchdown and toe push-off in sync with single-leg movement. The tailored control framework for the bipedal robot is further established with the double-layer architecture. The regulation layer employs the linear inverted pendulum (LIP) model to generate reference trajectory of the center of mass (CoM) with a dead-beat style of parameter adjustment. An inverse-dynamics-based whole-body controller (WBC) is applied to enforce the full-order dynamics of the bipedal robot to reproduce the LIP model’s behavior. We carry out the experiments on the physical prototype to evaluate the walking performance of the developed bipedal robot. The results show that the robot achieves stable walking at the speed of 0.8 m/s (almost twice the leg length/s) and exhibits robustness to external push disturbance. Full article
(This article belongs to the Section Actuators for Robotics)
Show Figures

Figure 1

22 pages, 41837 KB  
Article
Design, Control, and Validation of a Symmetrical Hip and Straight-Legged Vertically-Compliant Bipedal Robot
by Jun Tang, Yudi Zhu, Wencong Gan, Haiming Mou, Jie Leng, Qingdu Li, Zhiqiang Yu and Jianwei Zhang
Biomimetics 2023, 8(4), 340; https://doi.org/10.3390/biomimetics8040340 - 1 Aug 2023
Cited by 5 | Viewed by 3851
Abstract
This paper presents the development, modeling, and control of L03, an underactuated 3D bipedal robot with symmetrical hips and straight legs. This innovative design requires only five actuators, two for the legs and three for the hips. This paper is divided into three [...] Read more.
This paper presents the development, modeling, and control of L03, an underactuated 3D bipedal robot with symmetrical hips and straight legs. This innovative design requires only five actuators, two for the legs and three for the hips. This paper is divided into three parts: (1) mechanism design and kinematic analysis; (2) trajectory planning for the center of mass and foot landing points based on the Divergent Component of Motion (DCM), enabling lateral and forward walking capabilities for the robot; and (3) gait stability analysis through prototype experiments. The primary focus of this study is to explore the application of underactuated symmetrical designs and determine the number of motors required to achieve omnidirectional movement of a bipedal robot. Our simulation and experimental results demonstrate that L03 achieves simple walking with a stable and consistent gait. Due to its lightweight construction, low leg inertia, and straight-legged design, L03 can achieve ground perception and gentle ground contact without the need for force sensors. Compared to existing bipedal robots, L03 closely adheres to the characteristics of the linear inverted pendulum model, making it an invaluable platform for future algorithm research. Full article
(This article belongs to the Special Issue Biologically Inspired Design and Control of Robots)
Show Figures

Figure 1

21 pages, 6092 KB  
Article
Optimization Design and Performance Analysis of a Bionic Knee Joint Based on the Geared Five-Bar Mechanism
by Zhuo Wang, Wenjie Ge, Yonghong Zhang, Bo Liu, Bin Liu, Shikai Jin and Yuzhu Li
Bioengineering 2023, 10(5), 582; https://doi.org/10.3390/bioengineering10050582 - 11 May 2023
Cited by 6 | Viewed by 3085
Abstract
Animal joint motion is a combination of rotation and translational motion, which brings high stability, high energy utilization, and other advantages. At present, the hinge joint is widely used in the legged robot. The simple motion characteristic of the hinge joint rotating around [...] Read more.
Animal joint motion is a combination of rotation and translational motion, which brings high stability, high energy utilization, and other advantages. At present, the hinge joint is widely used in the legged robot. The simple motion characteristic of the hinge joint rotating around the fixed axis limits the improvement of the robot’s motion performance. In this paper, by imitating the knee joint of a kangaroo, we propose a new bionic geared five-bar knee joint mechanism to improve the energy utilization rate of the legged robot and reduce the required driving power. Firstly, based on image processing technology, the trajectory curve of the instantaneous center of rotation (ICR) of the kangaroo knee joint was quickly obtained. Then, the bionic knee joint was designed by the single-degree-of-freedom geared five-bar mechanism and the parameters for each part of the mechanism were optimized. Finally, based on the inverted pendulum model and the Newton–Euler recursive method, the dynamics model of the single leg of the robot in the landing stage was established, and the influence of the designed bionic knee joint and hinge joint on the robot’s motion performance was compared and analyzed. The proposed bionic geared five-bar knee joint mechanism can more closely track the given trajectory of the total center of mass motion, has abundant motion characteristics, and can effectively reduce the power demand and energy consumption of the robot knee actuators under the high-speed running and jumping gait. Full article
(This article belongs to the Special Issue Multiscale Modeling in Computational Biomechanics)
Show Figures

Graphical abstract

18 pages, 3026 KB  
Article
A 3D Reduced Common Mode Voltage PWM Algorithm for a Five-Phase Six-Leg Inverter
by Markel Fernandez, Endika Robles, Iker Aretxabaleta, Iñigo Kortabarria, Jon Andreu and José Luis Martín
Machines 2023, 11(5), 532; https://doi.org/10.3390/machines11050532 - 6 May 2023
Cited by 7 | Viewed by 2742
Abstract
Neutral point voltage control converters (NPVCC) are being considered for AC drive applications, where their additional degree of freedom can be used for different purposes, such as fault tolerance or common mode voltage (CMV) reduction. For every PWM-driven converter, the CMV is an [...] Read more.
Neutral point voltage control converters (NPVCC) are being considered for AC drive applications, where their additional degree of freedom can be used for different purposes, such as fault tolerance or common mode voltage (CMV) reduction. For every PWM-driven converter, the CMV is an issue that must be considered since it can lead to shaft voltages between rotor and stator windings, generating bearing currents that accelerate bearing degradation, and can also produce a high level of electromagnetic interference (EMI). In light of these considerations, in this paper a three-dimensional reduced common mode voltage PWM (3D RCMV-PWM) technique is proposed which effectively reduces CMV in five-phase six-leg NPVCCs. The mathematical description of both the converter and the modulation technique, in space-vector and carrier-based approaches, is included. Furthermore, the simulation and experimental analysis validate the CMV reduction capability in addition to the good behaviour in terms of the efficiency and harmonic distortion of the proposed RCMV-PWM algorithm. Full article
(This article belongs to the Section Electrical Machines and Drives)
Show Figures

Figure 1

19 pages, 4995 KB  
Article
A Novel Three-Phase Switched-Capacitor Five-Level Multilevel Inverter with Reduced Components and Self-Balancing Ability
by Kasinath Jena, Dhananjay Kumar, Kavali Janardhan, B. Hemanth Kumar, Arvind R. Singh, Srete Nikolovski and Mohit Bajaj
Appl. Sci. 2023, 13(3), 1713; https://doi.org/10.3390/app13031713 - 29 Jan 2023
Cited by 43 | Viewed by 4830
Abstract
This paper proposes a step-up 3-Ф switched-capacitor multilevel inverter topology with minimal switch count and voltage stresses. The proposed topology is designed to provide five distinct output voltage levels from a single isolated dc source, making it suitable for medium and low-voltage applications. [...] Read more.
This paper proposes a step-up 3-Ф switched-capacitor multilevel inverter topology with minimal switch count and voltage stresses. The proposed topology is designed to provide five distinct output voltage levels from a single isolated dc source, making it suitable for medium and low-voltage applications. Each leg of the proposed topology contains four switches, one power diode, and a capacitor. The switching signals are also generated using a staircase universal modulation method. As a result, the proposed topology will operate at both low and high switching frequencies. To highlight the proposed topology’s advantages, a comparison of three-phase topologies wasperformed in terms of the switching components, voltage stress, component count per level factor, and cost function withthe recent literature. The topology achieved an efficiency of about 96.7% with dynamic loading, and 75% of the switches experienced half of the peak output voltage (VDC), whereas the remaining switches experienced peak output voltage (2VDC) as voltage stress. The MATLAB/Simulink environment was used to simulate the proposed topology, and a laboratory prototype was also built to verify the inverter’s theoretical justifications and real-time performance. Full article
Show Figures

Figure 1

15 pages, 5807 KB  
Article
Improved PWM Methods to Reduce the Common Mode Voltage of the Five-Phase Open-Winding Drive Topology
by Pengye Wang, Zicheng Liu, Dong Jiang, Jie Tian and Peng Li
Energies 2022, 15(17), 6382; https://doi.org/10.3390/en15176382 - 1 Sep 2022
Cited by 4 | Viewed by 2266
Abstract
With the phase angle and shape modifications for carriers, two improved carrier-based pulse width modulation (CPWM) methods with common-mode voltage (CMV) suppression effects for the five-phase open-winding drive topologies are introduced. Theoretical analysis reveals that, by employing reversed triangular carriers for two inverters [...] Read more.
With the phase angle and shape modifications for carriers, two improved carrier-based pulse width modulation (CPWM) methods with common-mode voltage (CMV) suppression effects for the five-phase open-winding drive topologies are introduced. Theoretical analysis reveals that, by employing reversed triangular carriers for two inverters under the carrier-reversed PWM (CRPWM), CMV contributions of two bridge legs belonging to the same phase can be cancelled, realizing the zero CMV effect. By dynamically employing positive and negative sawtooth carriers for all bridge legs under the carrier-switching PWM (CSPWM), the CMV contribution of each inverter can be reduced, decreasing both the amplitude and step frequency of the CMV. Current qualities and dead-time effects on CMV under the above PWM methods are analyzed. Moreover, performances of two PWM methods are verified by experiments implemented on a five-phase open-winding topology with the induction motor load. Full article
(This article belongs to the Special Issue Advanced Design and Control of Multiphase Machines)
Show Figures

Figure 1

14 pages, 3421 KB  
Article
Torque Superposition Compensation Fault-Tolerant Control for Dual Three-Phase PMSM with an Inverter Single-Leg Open-Circuit Fault
by Yongyang Zhou, Fei Yao and Shuguang Zhao
Energies 2022, 15(16), 6053; https://doi.org/10.3390/en15166053 - 20 Aug 2022
Cited by 2 | Viewed by 2147
Abstract
Dual three-phase permanent-magnet synchronous motors (PMSM) have wide applications in electric vehicles due to advantages such as excellent control performance and outstanding fault tolerance capability. However, present fault-tolerant control of inverter single-leg open-circuit faults cannot make full use of each phase winding of [...] Read more.
Dual three-phase permanent-magnet synchronous motors (PMSM) have wide applications in electric vehicles due to advantages such as excellent control performance and outstanding fault tolerance capability. However, present fault-tolerant control of inverter single-leg open-circuit faults cannot make full use of each phase winding of the motor, which limits the torque-production capability. This paper proposes a torque superposition compensation (TSC) control which can minimize the stator copper losses while increasing the torque-production capability. The phase winding originally connected to the faulty inverter leg is then linked to the DC-link mid-point. Thus, the winding in the faulty phase can be utilized to generate an additional torque. The symmetric dual three-phase windings torque model and the asymmetric five-phase windings compensation torque model for Ud/2 voltage level are constructed according to the torque superposition, respectively. Then, the three-subplane decomposition transformation matrix for the post-fault dual three-phase PMSM is derived, and the decoupling model in the d-q subplane is constructed, which achieves the optimal enhancement of the torque-production capability. The simulation results verify the effectiveness of the proposed TSC fault-tolerant control. Full article
(This article belongs to the Section F: Electrical Engineering)
Show Figures

Figure 1

20 pages, 5097 KB  
Article
A Simple Commutation Method and a Cost-Effective Clamping Circuit for Three-to-Five-Phase Indirect-Matrix Converters
by Kotb B. Tawfiq, Mohamed N. Ibrahim and Peter Sergeant
Electronics 2022, 11(5), 808; https://doi.org/10.3390/electronics11050808 - 4 Mar 2022
Cited by 3 | Viewed by 2962
Abstract
This article presents and analyzes a three-to-five-phase indirect matrix converter (IMC) structure for directly supplying a five-phase static RL load from a three-phase supply. The IMC topology offers a lower number of switches, a simple commutation procedure and a cost-effective clamping [...] Read more.
This article presents and analyzes a three-to-five-phase indirect matrix converter (IMC) structure for directly supplying a five-phase static RL load from a three-phase supply. The IMC topology offers a lower number of switches, a simple commutation procedure and a cost-effective clamping circuit in comparison to the direct matrix converter (DMC). A simple clamping circuit with one ultrafast diode and one small capacitor is proposed to protect the switches of the IMC from overvoltage. The issues of powering up the IMC with the simple clamping circuit is discussed in detail. The instructions for the safe start-up of the IMC with the proposed clamping circuit is introduced based on the simulated and the measured analyses. Moreover, a carrier-based pulse-width-modulation (CBPWM) method is also presented in order to control the switches of the IMC. The presented CBPWM method creates PWM pulses for both the inverter and the rectifier legs by using only one symmetric and triangular carrier signal. Finally, experimental and simulation testing with a five-phase R–L load demonstrate the viability and the efficiency of the introduced CBPWM algorithm for the suggested IMC. Full article
(This article belongs to the Special Issue Power Electronic Converters in a Multiphase Drive Systems)
Show Figures

Figure 1

20 pages, 1297 KB  
Article
Five-Level T-type Cascade Converter for Rooftop Grid-Connected Photovoltaic Systems
by Cristian Verdugo, Samir Kouro, Christian A. Rojas, Marcelo A. Perez, Thierry Meynard and Mariusz Malinowski
Energies 2019, 12(9), 1743; https://doi.org/10.3390/en12091743 - 8 May 2019
Cited by 17 | Viewed by 5175
Abstract
Multilevel converters are widely considered to be the most suitable configurations for renewable energy sources. Their high-power quality, efficiency and performance make them interesting for PV applications. In low-power applications such as rooftop grid-connected PV systems, power converters with high efficiency and reliability [...] Read more.
Multilevel converters are widely considered to be the most suitable configurations for renewable energy sources. Their high-power quality, efficiency and performance make them interesting for PV applications. In low-power applications such as rooftop grid-connected PV systems, power converters with high efficiency and reliability are required. For this reason, multilevel converters based on parallel and cascaded configurations have been proposed and commercialized in the industry. Motivated by the features of multilevel converters based on cascaded configurations, this work presents the modulation and control of a rooftop single-phase grid-connected photovoltaic multilevel system. The configuration has a symmetrical cascade connection of two three-level T-type neutral point clamped power legs, which creates a five-level converter with two independent string connections. The proposed topology merges the benefits of multi-string PV and symmetrical cascade multilevel inverters. The switching operation principle, modulation technique and control scheme under an unbalanced power operation among the cell are addressed. Simulation and experimental validation results in a reduced-scale power single-phase converter prototype under variable conditions at different set points for both PV strings are presented. Finally, a comparative numerical analysis between other T-type configurations to highlight the advantages of the studied configuration is included. Full article
Show Figures

Figure 1

19 pages, 2697 KB  
Article
Extended Kalman Filter Based Sliding Mode Control of Parallel-Connected Two Five-Phase PMSM Drive System
by Tounsi Kamel, Djahbar Abdelkader, Barkat Said, Sanjeevikumar Padmanaban and Atif Iqbal
Electronics 2018, 7(2), 14; https://doi.org/10.3390/electronics7020014 - 26 Jan 2018
Cited by 32 | Viewed by 7402
Abstract
This paper presents sliding mode control of sensor-less parallel-connected two five-phase permanent magnet synchronous machines (PMSMs) fed by a single five-leg inverter. For both machines, the rotor speeds and rotor positions as well as load torques are estimated by using Extended Kalman Filter [...] Read more.
This paper presents sliding mode control of sensor-less parallel-connected two five-phase permanent magnet synchronous machines (PMSMs) fed by a single five-leg inverter. For both machines, the rotor speeds and rotor positions as well as load torques are estimated by using Extended Kalman Filter (EKF) scheme. Fully decoupled control of both machines is possible via an appropriate phase transposition while connecting the stator windings parallel and employing proposed speed sensor-less method. In the resulting parallel-connected two-machine drive, the independent control of each machine in the group is achieved by controlling the stator currents and speed of each machine under vector control consideration. The effectiveness of the proposed Extended Kalman Filter in conjunction with the sliding mode control is confirmed through application of different load torques for wide speed range operation. Comparison between sliding mode control and PI control of the proposed two-motor drive is provided. The speed response shows a short rise time, an overshoot during reverse operation and settling times is 0.075 s when PI control is used. The speed response obtained by SMC is without overshoot and follows its reference and settling time is 0.028 s. Simulation results confirm that, in transient periods, sliding mode controller remarkably outperforms its counterpart PI controller. Full article
(This article belongs to the Special Issue Applications of Power Electronics)
Show Figures

Figure 1

Back to TopTop