Torque Superposition Compensation Fault-Tolerant Control for Dual Three-Phase PMSM with an Inverter Single-Leg Open-Circuit Fault
Abstract
:1. Introduction
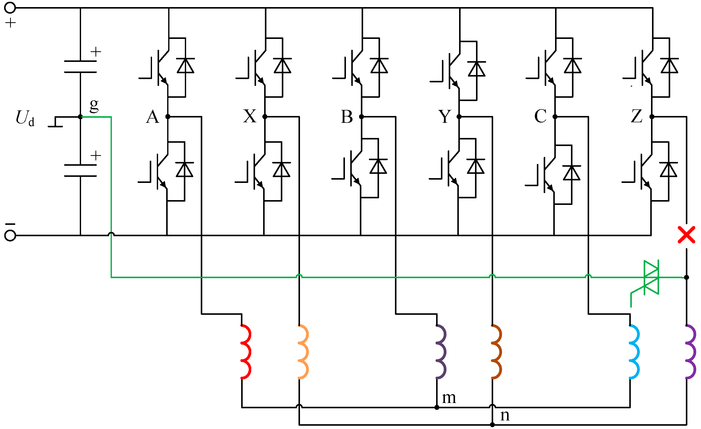
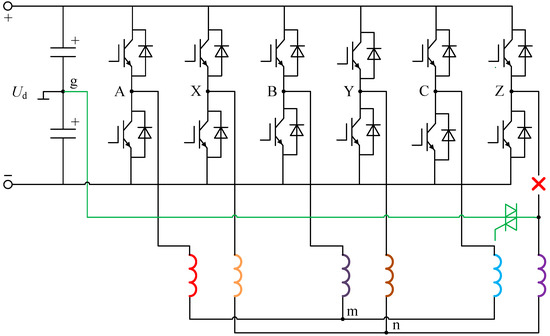
2. Post-Fault Motor Model
3. Proposed Fault-Tolerant Control Methods
3.1. Post-Fault Space Decomposition Stationary Transformation Matrix
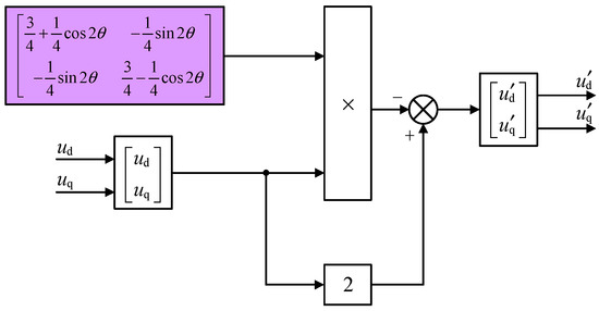
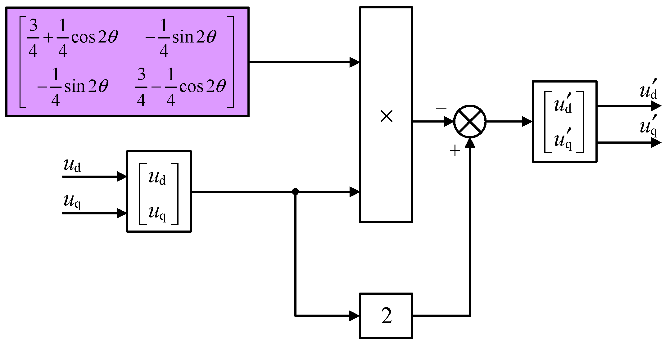
3.2. Fault-Tolerant Decoupling Control in the d-q Subplane
4. Simulation and Results Analysis
4.1. Torque Superposition Compensation Fault-Tolerant Control
4.2. Analysis of Speed and Torque Fluctuations of Fault-Tolerant Decoupling Control in the d-q Subplane
4.3. Analysis of Torque-Production Capability
5. Conclusions
Author Contributions
Funding
Conflicts of Interest
Nomenclature
| DTPMSM | Dual three-phase permanent-magnet synchronous motor. |
| TSC | Torque superposition compensation. |
| VSD | Vector space decomposition. |
| SPWM | Sinusoidal pulse width modulation. |
| ASR | Automatic speed regulator. |
| ACR | Automatic current regulator. |
| MPV | Mid-point voltage. |
| Ud | DC-link voltage. |
| Te | Electromagnetic torque. |
| ω | Rotor speed. |
| θ | Electrical angle. |
| Rs | Stator resistance. |
| Laad,aaq,aal | Stator self-inductance of d-axis and q-axis, leakage self-inductance. |
| Ψfd | Amplitude of permanent magnet flux linkage in each phase winding. |
| pn | Pole-pair number. |
References
- Qu, L.; Qiao, W.; Qu, L. An Enhanced Linear Active Disturbance Rejection Rotor Position Sensorless Control for Permanent Magnet Synchronous Motors. IEEE Trans. Power Electron. 2020, 35, 6175–6184. [Google Scholar] [CrossRef]
- Hu, W.; Ruan, C.; Nian, H.; Sun, D. Zero-Sequence Current Suppression Strategy with Common-Mode Voltage Control for Open-End Winding PMSM Drives with Common DC Bus. IEEE Trans. Ind. Electron. 2021, 68, 4691–4702. [Google Scholar] [CrossRef]
- Sharma, S.; Aware, M.V.; Bhowate, A. Symmetrical Six-Phase Induction Motor-Based Integrated Driveline of Electric Vehicle with Predictive Control. IEEE Trans. Transp. Electrif. 2020, 6, 635–646. [Google Scholar] [CrossRef]
- Salem, A.; Narimani, M. A Review on Multiphase Drives for Automotive Traction Applications. IEEE Trans. Transp. Electrif. 2019, 5, 1329–1348. [Google Scholar] [CrossRef]
- Tao, T.; Zhao, W.; Du, Y.; Cheng, Y.; Zhu, J. Simplified Fault-Tolerant Model Predictive Control for a Five-Phase Permanent-Magnet Motor with Reduced Computation Burden. IEEE Trans. Power Electron. 2020, 35, 3850–3858. [Google Scholar] [CrossRef]
- Zhou, X.; Sun, J.; Li, H.; Lu, M.; Zeng, F. PMSM Open-Phase Fault-Tolerant Control Strategy Based on Four-Leg Inverter. IEEE Trans. Power Electron. 2020, 35, 2799–2808. [Google Scholar] [CrossRef]
- Baneira, F.; Doval-Gandoy, J.; Yepes, A.G.; Lopez, O.; Pérez-Estévez, D. Control Strategy for Multiphase Drives with Minimum Losses in the Full Torque Operation Range Under Single Open-Phase Fault. IEEE Trans. Power Electron. 2017, 32, 6275–6285. [Google Scholar] [CrossRef]
- Munim, W.N.W.A.; Duran, M.J.; Che, H.S.; Bermúdez, M.; González-Prieto, I.; Rahim, N.A. A Unified Analysis of the Fault Tolerance Capability in Six-Phase Induction Motor Drives. IEEE Trans. Power Electron. 2017, 32, 7824–7836. [Google Scholar] [CrossRef]
- Wang, W.; Zhang, J.; Cheng, M. Common Model Predictive Control for Permanent-Magnet Synchronous Machine Drives Considering Single-Phase Open-Circuit Fault. IEEE Trans. Power Electron. 2017, 32, 5862–5872. [Google Scholar] [CrossRef]
- Wang, X.; Wang, Z.; Xu, Z.; Cheng, M.; Wang, W.; Hu, Y. Comprehensive Diagnosis and Tolerance Strategies for Electrical Faults and Sensor Faults in Dual Three-Phase PMSM Drives. IEEE Trans. Power Electron. 2019, 34, 6669–6684. [Google Scholar] [CrossRef]
- Tousizadeh, M.; Che, H.S.; Selvaraj, J.; Rahim, N.A.; Ooi, B.T. Performance Comparison of Fault-Tolerant Three-Phase Induction Motor Drives Considering Current and Voltage Limits. IEEE Trans. Ind. Electron. 2019, 66, 2639–2648. [Google Scholar] [CrossRef]
- Che, H.S.; Duran, M.J.; Levi, E.; Jones, M.; Hew, W.; Rahim, N.A. Postfault Operation of an Asymmetrical Six-Phase Induction Machine with Single and Two Isolated Neutral Points. IEEE Trans. Power Electron. 2014, 29, 5406–5416. [Google Scholar] [CrossRef] [Green Version]
- Melo, V.F.M.B.; Jacobina, C.B.; Rocha, N.; Braga-Filho, E.R. Fault Tolerance Performance of Two Hybrid Six-Phase Drive Systems Under Single-Phase Open-Circuit Fault Operation. IEEE Trans. Ind. Appl. 2019, 55, 2973–2983. [Google Scholar] [CrossRef]
- Guo, Y.; Wu, L.; Huang, X.; Fang, Y.; Liu, J. Adaptive Torque Ripple Suppression Methods of Three-Phase PMSM During Single-Phase Open-Circuit Fault-Tolerant Operation. IEEE Trans. Ind. Appl. 2020, 56, 4955–4965. [Google Scholar] [CrossRef]
- Zuo, Y.; Zhu, X.; Si, X.; Lee, C.H.T. Fault-Tolerant Control for Multiple Open-Leg Faults in Open-End Winding Permanent Magnet Synchronous Motor System Based on Winding Reconnection. IEEE Trans. Power Electron. 2021, 36, 6068–6078. [Google Scholar] [CrossRef]
- Hu, Y.; Huang, S.; Wu, X.; Li, X. Control of Dual Three-Phase Permanent Magnet Synchronous Machine Based on Five-Leg Inverter. IEEE Trans. Power Electron. 2019, 34, 11071–11079. [Google Scholar] [CrossRef]
- Zhang, X.; Xu, C. Second-Time Fault-Tolerant Topology and Control Strategy for the Open-Winding PMSM System Based on Shared Bridge Arm. IEEE Trans. Power Electron. 2020, 35, 12181–12193. [Google Scholar] [CrossRef]
- Jlassi, I.; Cardoso, A.J.M. Fault-Tolerant Back-to-Back Converter for Direct-Drive PMSG Wind Turbines Using Direct Torque and Power Control Techniques. IEEE Trans. Power Electron. 2019, 34, 11215–11227. [Google Scholar] [CrossRef]
- Zheng, J.; Huang, S.; Rong, F.; Lye, M. Six-Phase Space Vector PWM under Stator One-Phase Open-Circuit Fault Condition. Energies 2018, 11, 1796. [Google Scholar] [CrossRef] [Green Version]
- Yang, T.; Kawaguchi, T.; Hashimoto, S.; Jiang, W. Switching Sequence Model Predictive Direct Torque Control of IPMSMs for EVs in Switch Open-Circuit Fault-Tolerant Mode. Energies 2020, 13, 5593. [Google Scholar] [CrossRef]













| Control Strategy | Phase A | Phase B | Phase C | Phase X | Phase Y | Phase Z | Copper Losses |
|---|---|---|---|---|---|---|---|
| Conventional fault-tolerant control | 0.707Im | 1.275Im | 1.275Im | 0.612Im | 0.612Im | 0 | 4.50I2mRs |
| TSC fault-tolerant control | 0.707Im | 0.968Im | 1.028Im | 0.588Im | 0.683Im | 0.354Im | 3.43I2mRs |
| Parameters | Value |
|---|---|
| Stator resistance (Rs) | 1.4 Ω |
| Stator self-inductance of d-axis (Laad) | 0.008 H |
| Stator self-inductance of q-axis (Laaq) | 0.008 H |
| Stator leakage self-inductance (Laal) | 0.0017 H |
| Amplitude of permanent magnet flux linkage (Ψfd) | 0.68 Wb |
| Moment of inertia (J) | 0.015 kg·m2 |
| Pole-pair number (pn) | 3 |
Publisher’s Note: MDPI stays neutral with regard to jurisdictional claims in published maps and institutional affiliations. |
© 2022 by the authors. Licensee MDPI, Basel, Switzerland. This article is an open access article distributed under the terms and conditions of the Creative Commons Attribution (CC BY) license (https://creativecommons.org/licenses/by/4.0/).
Share and Cite
Zhou, Y.; Yao, F.; Zhao, S. Torque Superposition Compensation Fault-Tolerant Control for Dual Three-Phase PMSM with an Inverter Single-Leg Open-Circuit Fault. Energies 2022, 15, 6053. https://doi.org/10.3390/en15166053
Zhou Y, Yao F, Zhao S. Torque Superposition Compensation Fault-Tolerant Control for Dual Three-Phase PMSM with an Inverter Single-Leg Open-Circuit Fault. Energies. 2022; 15(16):6053. https://doi.org/10.3390/en15166053
Chicago/Turabian StyleZhou, Yongyang, Fei Yao, and Shuguang Zhao. 2022. "Torque Superposition Compensation Fault-Tolerant Control for Dual Three-Phase PMSM with an Inverter Single-Leg Open-Circuit Fault" Energies 15, no. 16: 6053. https://doi.org/10.3390/en15166053
APA StyleZhou, Y., Yao, F., & Zhao, S. (2022). Torque Superposition Compensation Fault-Tolerant Control for Dual Three-Phase PMSM with an Inverter Single-Leg Open-Circuit Fault. Energies, 15(16), 6053. https://doi.org/10.3390/en15166053
