Sign in to use this feature.

Years

Between: -

Subjects

remove_circle_outline
remove_circle_outline
remove_circle_outline
remove_circle_outline
remove_circle_outline
remove_circle_outline
remove_circle_outline
remove_circle_outline
remove_circle_outline

Journals

remove_circle_outline
remove_circle_outline
remove_circle_outline
remove_circle_outline
remove_circle_outline
remove_circle_outline
remove_circle_outline
remove_circle_outline
remove_circle_outline
remove_circle_outline

Article Types

Countries / Regions

remove_circle_outline
remove_circle_outline
remove_circle_outline
remove_circle_outline

Search Results (1,719)

Search Parameters:
Keywords = electric field sensor

Order results
Result details
Results per page
Select all
Export citation of selected articles as:
22 pages, 3735 KB  
Article
A Sensor Concept for Direction-Selective Monitoring of Partial Discharges in Medium-Voltage Switchgears
by Bastian Zimmer, Frank Jenau, David Ripka and Nils Porath
Sensors 2026, 26(9), 2672; https://doi.org/10.3390/s26092672 (registering DOI) - 25 Apr 2026
Abstract
Knowledge about the condition of electrical equipment in energy networks is of great importance to network operators. Partial discharges are a key parameter for evaluating the health of the insulation. While a quantifiable PD measurement for offline tests is state of the art, [...] Read more.
Knowledge about the condition of electrical equipment in energy networks is of great importance to network operators. Partial discharges are a key parameter for evaluating the health of the insulation. While a quantifiable PD measurement for offline tests is state of the art, it is costly and labour-intensive. It, therefore, makes sense to carry out permanent monitoring during operation. At the medium-voltage level in the European interconnected grid, comprehensive monitoring of PD is not implemented. This study presents a novel sensor concept that is used to detect PD in medium-voltage switchgear and cables: the so-called Magnetic Flux Concentrator Sensor (MFCS). It is an inductive sensor concept with high sensitivity in the frequency range of a few MHz, like well-established High-Frequency Current Transformers (HFCTs) but with better magnetic saturation properties in specific use cases. The highly permeable ferrite core of the MFCS is unconventionally shaped, resulting in a higher-saturation field strength. Therefore, this sensor is not driven into saturation by the operating currents of typical MV power cables. Using the MFCS and conventional HFCT in a suitable combination enables direction-selective PD detection. This work presents the sensor concept and the method for directional detection of the PD location, as analysed and evaluated theoretically and practically with laboratory experiments. Full article
(This article belongs to the Special Issue Sensors Technology Applied in Power Systems and Energy Management)
Show Figures

Figure 1

19 pages, 6637 KB  
Article
Hybrid Communication Architecture and Flexible Multi-Parameter Sensing Modules for Mine Rescue: Design and Preliminary Validation
by Shengyuan Wang, Peng Chen, Shiyang Peng and Jiahao Liu
Sensors 2026, 26(9), 2629; https://doi.org/10.3390/s26092629 - 24 Apr 2026
Abstract
Mine rescue operations are frequently conducted in hazardous underground environments characterized by damaged infrastructure, unstable communications, heat stress, and hypoxia risk, all of which threaten the safety of rescue personnel. To address these challenges, this study proposes a prototype-oriented mine-rescue monitoring framework that [...] Read more.
Mine rescue operations are frequently conducted in hazardous underground environments characterized by damaged infrastructure, unstable communications, heat stress, and hypoxia risk, all of which threaten the safety of rescue personnel. To address these challenges, this study proposes a prototype-oriented mine-rescue monitoring framework that combines a Wi-Fi/optical-fiber communication architecture with flexible wearable sensing modules for physiological monitoring. The communication design employs Wi-Fi for local wireless data aggregation and optical fiber for reliable long-distance backhaul to the surface command side. For wearable monitoring, two flexible sensing modules were developed: a temperature sensor based on a polyaniline/graphene–polyvinyl butyral composite film and a PPG-oriented flexible optoelectronic module based on an ITO/Ag/ITO multilayer transparent electrode structure. Experimental results show that the temperature sensor exhibits a clear temperature-dependent resistance response within the tested range, while the optoelectronic module demonstrates low sheet resistance and acceptable electrical continuity under repeated bending. These results provide preliminary support for combining hybrid underground communication architecture with flexible wearable sensing components in mine-rescue scenarios. However, the present work remains at the stage of architecture design and component-level validation, and full end-to-end system verification under simulated or field rescue conditions will be the focus of future studies. Full article
(This article belongs to the Section Industrial Sensors)
Show Figures

Figure 1

15 pages, 1316 KB  
Article
Study of Graphene-Based Strain Sensing Output Signals Under External Electromagnetic Interference Conditions
by Furong Kang, Shuqi Han, Kaixi Bi, Jian He and Xiujian Chou
Nanomaterials 2026, 16(9), 509; https://doi.org/10.3390/nano16090509 (registering DOI) - 23 Apr 2026
Abstract
Graphene possesses exceptional mechanical strength, high electrical conductivity, and a stable lattice structure, making it an ideal material for sensors in advanced manufacturing. However, these sensors face stability challenges due to complex electromagnetic interference (EMI) environments generated by electrical equipment. Therefore, investigating the [...] Read more.
Graphene possesses exceptional mechanical strength, high electrical conductivity, and a stable lattice structure, making it an ideal material for sensors in advanced manufacturing. However, these sensors face stability challenges due to complex electromagnetic interference (EMI) environments generated by electrical equipment. Therefore, investigating the influence of EMI on sensor performance is of significant importance. In this study, simulations were performed to analyze electrical parameter perturbations of intrinsic graphene films under EMI conditions. The Magnetic Fields, Solid Mechanics, and Electrostatics modules in COMSOL Multiphysics were employed to construct a coupled model of a three-phase power transformer and a graphene-based pressure sensor. The results indicate that EMI can induce baseline drift on the order of ~5% full scale (FS) in the graphene current density, accompanied by degradation in signal-to-noise ratio (SNR) exceeding ~15 dB under typical simulation conditions. Graphene in direct contact with metal electrodes shows enhanced sensitivity to EMI, with more pronounced noise amplification due to interfacial coupling effects. In contrast, cavity-suspended graphene configurations exhibit relatively improved robustness, suggesting that suspended membrane architectures can mitigate EMI by reducing parasitic coupling and enhancing mechanical isolation. Compared with previous studies, this work highlights the role of multiphysics coupling and membrane suspension in influencing EMI-induced perturbations, providing theoretical guidance for the design of graphene-based sensors in power system and industrial Internet of Things (IoT) applications. Full article
(This article belongs to the Section Nanoelectronics, Nanosensors and Devices)
28 pages, 2430 KB  
Review
Selected Deposition Techniques and the Effect of Doping on the Properties of Thin ZnO Films: A Literature Review
by Jakub Polis, Krzysztof Lukaszkowicz, Marek Szindler, Gabriela Wielgus and Julia Kolasa
Materials 2026, 19(9), 1686; https://doi.org/10.3390/ma19091686 - 22 Apr 2026
Viewed by 289
Abstract
Zinc oxide (ZnO) is currently one of the most significant wide-bandgap semiconductor materials, attracting extensive research across diverse fields including materials science, chemistry, physics, medicine, electronics, and power engineering. Its exceptional properties, such as high optical transparency, high electron mobility, chemical stability, and [...] Read more.
Zinc oxide (ZnO) is currently one of the most significant wide-bandgap semiconductor materials, attracting extensive research across diverse fields including materials science, chemistry, physics, medicine, electronics, and power engineering. Its exceptional properties, such as high optical transparency, high electron mobility, chemical stability, and compatibility with low-cost fabrication techniques, have established ZnO as a versatile material with immense application potential. A critical application for ZnO is its role as a transparent conducting oxide (TCO) in modern optoelectronic and photovoltaic devices, as well as in sensors, transparent electronics, and spintronics. To meet the requirements of these advanced applications, precise control over the structural, optical, and electrical properties of ZnO thin films is essential. This is effectively achieved through the selection of specific synthesis methods and intentional modification techniques, such as doping. This review provides a comprehensive overview of the synthesis and modification of ZnO thin films, with a particular focus on how various dopants influence their fundamental characteristics. The work discusses a range of deposition techniques, including physical vapor deposition (PVD), chemical vapor deposition (CVD), atomic layer deposition (ALD), sol–gel methods, spray pyrolysis, and other solution-based approaches. The novelty of this review lies in its comparative analysis of different doping strategies combined with various thin-film deposition techniques, highlighting how specific synthesis routes influence dopant incorporation and ultimately determine functional properties. Furthermore, recent advances in tailoring ZnO thin films are summarized, alongside the identification of key challenges and future research directions. Ultimately, this work aims to provide researchers with a systematic perspective on the synthesis–structure–property relationships in doped ZnO thin films to support the development of optimized materials for next-generation electronic and optoelectronic devices. This review, thus, serves as a comprehensive reference for researchers and engineers seeking to optimize the functionality of ZnO-based thin films for emerging technological applications. Full article
Show Figures

Graphical abstract

13 pages, 1444 KB  
Article
Task-Oriented Inference Framework for Lightweight and Energy-Efficient Object Localization in Electrical Impedance Tomography
by Takashi Ikuno and Reiji Kaneko
Sensors 2026, 26(8), 2570; https://doi.org/10.3390/s26082570 - 21 Apr 2026
Viewed by 201
Abstract
Electrical Impedance Tomography (EIT) is a promising non-invasive sensing technique, yet its practical application in resource-constrained environments is often limited by the high computational cost of inverse image reconstruction. To address this challenge, we focus on specific sensing objectives rather than full image [...] Read more.
Electrical Impedance Tomography (EIT) is a promising non-invasive sensing technique, yet its practical application in resource-constrained environments is often limited by the high computational cost of inverse image reconstruction. To address this challenge, we focus on specific sensing objectives rather than full image recovery. In this study, we propose a lightweight, task-oriented inference framework for object localization in EIT that bypasses the need to solve computationally expensive inverse reconstruction problems. This approach addresses the high computational demands and hardware complexity of conventional iterative methods, which often hinder real-time monitoring in resource-constrained edge computing environments. Training datasets were generated via finite element method (FEM) simulations for Opposite and Adjacent current injection configurations. A feedforward neural network was developed to independently estimate the radial and angular object positions as probability distributions. Our systematic evaluation revealed that the localization performance depends on the injection configuration and model depth; notably, the Opposite method achieved perfect classification accuracy (1.00) for radial estimation with an optimized architecture of four hidden layers, whereas the Adjacent method exhibited higher ambiguity. Results quantitatively evaluated using the Wasserstein distance show that the Opposite configuration produces more localized, unimodal probability distributions than the Adjacent configuration by utilizing current fields that traverse the entire domain. Compared with existing image-based reconstruction methods, including the conventional electrical impedance tomography and diffuse optical tomography reconstruction software (EIDORS ver.3.12), the proposed framework reduced energy consumption from 3.09 to 0.96 Wh, demonstrating an approximately 70% improvement in energy efficiency while maintaining a high localization accuracy without the need for iterative Jacobian updates. This task-oriented framework enables reliable, high-speed, and energy-efficient localization, making it well-suited for low-power EIT applications in mobile and embedded sensor systems. Full article
(This article belongs to the Section Sensing and Imaging)
Show Figures

Figure 1

23 pages, 3157 KB  
Article
Phase-Field Damage Modeling of Electromechanical Fracture in MEMS Piezoelectric Films
by Xuanyi Chen, Yuhan Zhang, Yu Xue, Yangjie Shi and Jiaxing Cheng
Materials 2026, 19(8), 1662; https://doi.org/10.3390/ma19081662 - 21 Apr 2026
Viewed by 93
Abstract
Piezoelectric thin films have been widely used in micro-electromechanical systems (MEMSs), such as sensors, actuators, and resonant devices. Electromechanically driven fractures can severely degrade device performance and reliability. In this work, a phase-field damage model is developed for MEMS piezoelectric thin films under [...] Read more.
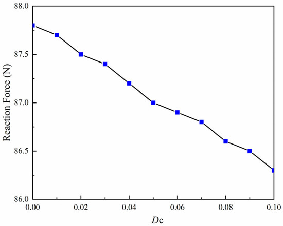
Piezoelectric thin films have been widely used in micro-electromechanical systems (MEMSs), such as sensors, actuators, and resonant devices. Electromechanically driven fractures can severely degrade device performance and reliability. In this work, a phase-field damage model is developed for MEMS piezoelectric thin films under coupled electromechanical loading, incorporating pre-existing defects via an equivalent local fracture toughness. Microcracks and micro-voids arising from manufacturing defects are integrated into the model through an effective local fracture toughness, enabling a unified description of their roles in crack initiation and propagation. The proposed model is implemented in ABAQUS by means of a user-defined element (UEL) subroutine and solved using a staggered scheme. Numerical results show that the level of pre-existing defects, the applied electric potential, and the polarization direction all exert significant effects on fracture behavior. As the defect parameter Dc increases from 0 to 0.10, the reaction force decreases from 87.8 N to 86.3 N, indicating reduced fracture resistance due to manufacturing-induced defects. In addition, the reaction force changes from 90.3 N at −500 V to 86.3 N at +500 V, while it decreases from 102.9 N to 87.1 N as the polarization angle β increases from 0° to 90°. These results demonstrate that pre-existing defects and electromechanical loading jointly govern crack evolution in MEMS piezoelectric thin films. The present study provides a useful numerical tool for fracture analysis, reliability assessment, and structural design of MEMS piezoelectric devices containing manufacturing defects. Full article
(This article belongs to the Section Electronic Materials)
Show Figures

Figure 1

15 pages, 2901 KB  
Article
Assessing the Frequency-Dependent Conductivity of Conductive Yarns
by Balaji Dontha and Asimina Kiourti
Sensors 2026, 26(8), 2554; https://doi.org/10.3390/s26082554 - 21 Apr 2026
Viewed by 161
Abstract
This study investigates the frequency-dependent electrical conductivity of electrically conductive threads (also known as e-threads), particularly focusing on their inherently lower conductivity than traditional conductors like copper. While efforts have been made to electrically characterize conductive threads in the past, most studies have [...] Read more.
This study investigates the frequency-dependent electrical conductivity of electrically conductive threads (also known as e-threads), particularly focusing on their inherently lower conductivity than traditional conductors like copper. While efforts have been made to electrically characterize conductive threads in the past, most studies have focused on DC or frequencies lower than 1 GHz. Recent works have evaluated attenuation up to 6 GHz, but they do not report bulk conductivity and lack validation in the context of antenna applications. In a major step forward, this study reports a systematic way of characterizing the surface conductivity of conductive yarns, for eight different thread types, from 10 MHz to 6 GHz. Different parameters such as insertion loss, attenuation, and conductivity are reported, determining the suitability of conductive yarns at specific frequencies. The study also reports the first frequency-dependent bulk conductivity of individual conductive threads. By measuring both surface and bulk conductivity, our work provides foundational data crucial for designing textile-based antennas and sensors. The practical relevance of the proposed approach is demonstrated through simulations and measurements of a broadband log-spiral antenna and a single-turn loop antenna. Overall, this research contributes valuable insights into the integration of e-textiles in smart fabric applications, paving the way for further innovations in this evolving field. Full article
(This article belongs to the Special Issue Recent Advances in Wearable and Flexible Antennas and Sensors)
Show Figures

Figure 1

15 pages, 1016 KB  
Article
Stem Electrical Conductivity of Broccoli (Brassica oleracea L. var. italica Plenk) Under Nitrogen and Phosphorus Fertilizer Deficiency
by Jeong Yeon Kim, Su Kyeong Shin, Ye Eun Lee and Jin Hee Park
Agronomy 2026, 16(8), 778; https://doi.org/10.3390/agronomy16080778 - 9 Apr 2026
Viewed by 344
Abstract
Nitrogen (N) and phosphorus (P) are essential nutrients that play critical roles in plant physiological processes and the accumulation of N and P in broccoli head was significantly correlated with yield. Therefore, there is a need for a rapid, non-destructive diagnosis of crop [...] Read more.
Nitrogen (N) and phosphorus (P) are essential nutrients that play critical roles in plant physiological processes and the accumulation of N and P in broccoli head was significantly correlated with yield. Therefore, there is a need for a rapid, non-destructive diagnosis of crop status by detecting deficiencies in essential nutrients. This study evaluated the effects of N and P deficiency on field grown broccoli (Brassica oleracea L. var. italica Plenk) using a plant-induced electrical signal (PIES) sensor, in which needle electrodes are inserted into the stem to measure electrical conductivity reflecting plant water and ion status. Four treatments were established, including the control (N100P100) with sufficient N and P supply, N deficiency (N0P100), P deficiency (N100P0), and combined N–P deficiency (N0P0). For sufficient supply, urea and fused phosphate (FP) were applied at rates of 122 kg N ha−1 and 71 kg P ha−1, respectively. Soil, stem, and leaf nutrient contents, growth parameters, and stress related indicators were analyzed and their relationship with PIES values were evaluated. PIES was highest in control (N100P100) and lowest under N–P deficiency (N0P0). Higher PIES values were observed during the vegetative stage, whereas values declined during the reproductive stage, reflecting changes in physiological activity. Growth parameters such as shoot and root weight and stem diameter were generally superior in the control (N100P100) treatment, while leaf calcium (Ca), magnesium (Mg), and potassium (K) concentrations showed no significant differences among treatments. Total N content in leaves was higher in N fertilized treatments (control and P deficiency). Photosynthesis-related parameters, including soil plant analysis development (SPAD), Fv/Fm, and chlorophyll content, were lowest under N–P deficiency, which was reflected in the PIES. Principal component analysis (PCA) showed that the PIES was closely associated with growth and photosynthetic parameters and clearly distinguished N sufficient treatments (control and P deficiency) from N deficient treatments (N0P100, N0P0). Overall, these findings suggest that PIES monitoring can serve as a sensitive physiological indicator of nutrient stress and may be applied as an early diagnostic tool before visible growth inhibition occurs in broccoli cultivation. Full article
Show Figures

Figure 1

22 pages, 5235 KB  
Article
Energy Auditing and Management with PV Rooftop Design at the Electrical Engineering Department of Assiut University, Egypt
by Mohammed Nayel, Amr Sayed Hassan Abdallah, Mahmoud Aref, Randa Mohamed Ahmed Mahmoud and Mohamed Bechir Ben Hamida
Buildings 2026, 16(8), 1468; https://doi.org/10.3390/buildings16081468 - 8 Apr 2026
Viewed by 329
Abstract
Due to the high energy demand of buildings, especially educational buildings, it is crucial to improve total building energy consumption. The proposed methodology is the integration of a photovoltaic (PV) system with a smart control plan for educational buildings. The main aim is [...] Read more.
Due to the high energy demand of buildings, especially educational buildings, it is crucial to improve total building energy consumption. The proposed methodology is the integration of a photovoltaic (PV) system with a smart control plan for educational buildings. The main aim is to improve energy consumption in an educational building (Electrical Engineering Department, Assiut University, Egypt) using photovoltaic integration and a smart control plan to regulate energy and boost indoor comfort without requiring a significant change in the building architecture. This study was conducted in two main phases: field measurements for annual energy consumption in Assiut University over a five-year period from 2009 to 2014, and an analysis of energy consumption for the Electrical Engineering Department. Then, integration of PV panels on the roof to generate electricity was considered, with the calculation of the shading factor and tilt angle to ensure a realistic estimation of energy yield and to improve energy efficiency using smart control plans. The findings indicate that the average annual peak consumption reached about 30 GWh in Assiut University during the academic years 2009 to 2014. The maximum energy consumption for a typical occupied day in the educational building is 47 kWh. An improvement in building energy consumption was achieved using PV, producing 33–35 MWh annually with an effective smart control plan and without installing sensor-based systems. The results of this study will help improve energy consumption for educational buildings in hot arid climates without building modifications. This study highlights that unoccupied periods—when human activity is absent in classrooms and other rooms—account for up to 40% of the scheduled energy consumption. Using PV panels will result in a shading factor of 0.562 from the total roof area. Full article
(This article belongs to the Section Building Energy, Physics, Environment, and Systems)
Show Figures

Figure 1

32 pages, 4948 KB  
Article
Thermal Performance of Earthen Architecture in Ushaiger, Saudi Arabia: A Pilot Digital-Twin Feasibility Study
by Silvia Mazzetto and Mohammed Mashary Alnaim
Sustainability 2026, 18(7), 3634; https://doi.org/10.3390/su18073634 - 7 Apr 2026
Viewed by 247
Abstract
This study presents a pilot methodological investigation of the thermal performance of a Najdi mudbrick dwelling in Ushaiger, Saudi Arabia, using short-term field monitoring and a preliminary digital-twin inspired workflow. Two field campaigns in August and September 2025 measured indoor and outdoor conditions [...] Read more.
This study presents a pilot methodological investigation of the thermal performance of a Najdi mudbrick dwelling in Ushaiger, Saudi Arabia, using short-term field monitoring and a preliminary digital-twin inspired workflow. Two field campaigns in August and September 2025 measured indoor and outdoor conditions with a portable weather station under severe site constraints, including lack of electrical infrastructure, restricted access, and the use of consumer-grade sensors. The monitored results indicate that the massive earthen walls attenuated part of the outdoor daily temperature swing, but indoor conditions remained very hot: in August, indoor temperatures averaged 38.1 °C, compared with 40.2 °C outdoors, and in September, indoor temperatures averaged 36.3 °C, compared with 36.1 °C outdoors. A simplified IDA ICE model was compared with the monitored indoor temperature over the available windows, and a post-processing affine bias adjustment was tested only as a diagnostic short-window correction rather than as a transferable calibration. Monte Carlo sensitivity analysis was used in an exploratory way. It examined how passive envelope and boundary-related parameters influenced simulated indoor relative humidity, with infiltration emerging as the dominant factor affecting relative humidity dynamics; peak indoor relative humidity increased from about 67% at 0.15 air changes per hour (ACH) to more than 74% at 0.60 ACH, whereas wall thickness had a modest buffering effect. Given the short monitoring duration and field limitations, the study is not presented as a fully validated digital twin but as a feasibility-oriented workflow that combines constrained in situ monitoring with exploratory simulation to support future, longer-term conservation and adaptive reuse research on earthen heritage in hot–arid climates. Full article
Show Figures

Figure 1

21 pages, 2763 KB  
Article
Study on Electromagnetic Transient Characteristics and Mechanism of Pantograph–Catenary Arc Under Typical Operating Conditions
by Changchun Lv, Wanting Xue, Jun Guo and Xuan Wu
Appl. Sci. 2026, 16(7), 3486; https://doi.org/10.3390/app16073486 - 3 Apr 2026
Viewed by 278
Abstract
To systematically analyze the differences and underlying mechanisms of pantograph–catenary arc discharge characteristics under different operating conditions, this paper measures the complete transient waveforms of arc current, external electric field, and voltage between carriages under various operating conditions based on a unified experimental [...] Read more.
To systematically analyze the differences and underlying mechanisms of pantograph–catenary arc discharge characteristics under different operating conditions, this paper measures the complete transient waveforms of arc current, external electric field, and voltage between carriages under various operating conditions based on a unified experimental platform, using flexible current probes, electric field sensors, and active differential probes for synchronous acquisition. The research results reveal the quantitative correlation and physical mechanism between the mechanical parameters of the pantograph–catenary system and the electromagnetic transient responses under four typical conditions: fixed gap between the pantograph and catenary, pantograph raising, pantograph lowering, and pantograph–catenary separation vibration. These findings provide references for condition monitoring, fault warning, pantograph optimization design, and system-level electromagnetic compatibility evaluation of the pantograph–catenary system. Full article
Show Figures

Figure 1

14 pages, 3155 KB  
Article
An Immunosensor Based on Electric Field-Assisted Oriented Immobilization for Sensitive Detection of Brucella Antibodies
by Wei Yang, Jinpeng Ma and Guandong Wang
Chemosensors 2026, 14(4), 86; https://doi.org/10.3390/chemosensors14040086 - 3 Apr 2026
Viewed by 313
Abstract
Brucellosis is a globally prevalent zoonosis that causes abortion and infertility in livestock, leading to substantial economic losses. Sensitive and reliable quantification of Brucella antibodies, particularly at trace levels, is critical for early diagnosis. In this work, an electrochemical immunosensor was developed by [...] Read more.
Brucellosis is a globally prevalent zoonosis that causes abortion and infertility in livestock, leading to substantial economic losses. Sensitive and reliable quantification of Brucella antibodies, particularly at trace levels, is critical for early diagnosis. In this work, an electrochemical immunosensor was developed by integrating electric field-assisted antigen immobilization with an electrode platform. The electrode was first electrochemically pretreated to improve interfacial reproducibility, and then sequentially modified with L-cysteine and glutaraldehyde to construct an antigen-coupling layer. During antigen immobilization, a custom-built electric field device was applied to regulate the interfacial arrangement of Brucella antigens. The fabrication process was characterized by scanning electron microscopy and cyclic voltammetry, and the analytical performance was evaluated by electrochemical impedance spectroscopy and voltammetric measurements. Under the optimized conditions, the proposed immunosensor exhibited a linear response to Brucella antibodies over the range of 1 × 10−6–10 IU/mL, with a correlation coefficient of 0.99 and a detection limit of 2.04 × 10−7 IU/mL. The sensor also showed acceptable specificity, repeatability, and short-term storage stability, with recoveries of 93.15–99.14% in spiked milk samples. These results indicate that electric field-assisted immobilization can serve as a useful interfacial regulation strategy for Brucella immunosensing and support the analytical feasibility of the proposed platform under controlled experimental conditions. Further validation in more complex biological matrices is still required. Full article
(This article belongs to the Section Electrochemical Devices and Sensors)
Show Figures

Figure 1

21 pages, 16697 KB  
Article
Machine Learning-Based Real-Time Axle Torque Prediction Model for Electric Tractors Using Field-Measured Data
by Seung-Yun Baek, Dongjun Lee, Md. Abu Ayub Siddique, Heejae Kim, Taeyong Sim and Yong-Joo Kim
Agriculture 2026, 16(7), 780; https://doi.org/10.3390/agriculture16070780 - 1 Apr 2026
Viewed by 453
Abstract
Accurate estimation of axle torque is essential for performance evaluation and energy management of electric tractors. However, direct torque measurement and access to motor controller data are often limited in commercial platforms. This study proposes a machine learning-based framework for predicting axle torque [...] Read more.
Accurate estimation of axle torque is essential for performance evaluation and energy management of electric tractors. However, direct torque measurement and access to motor controller data are often limited in commercial platforms. This study proposes a machine learning-based framework for predicting axle torque in a commercial electric tractor using field-measured sensor signals. The framework incorporates a horizon-aware architecture to capture the temporal dependencies of dynamic load fluctuations. Field experiments were conducted during plow tillage operation under multiple gear–speed combinations. Several machine learning models (multiple linear regression, multilayer perceptron, and CatBoost) were evaluated for axle torque prediction. The results showed that rear axle torque exhibited a stronger relationship with traction demand under two-wheel-drive operation, resulting in higher prediction accuracy than front axle torque. Among the evaluated models, CatBoost achieved the best overall performance, with an R2 of 0.83 and an RMSE of 189.35 Nm for the rear axle prediction. The proposed framework enables real-time axle torque estimation using commonly available sensor signals and provides a practical alternative to direct torque measurement for onboard load monitoring and energy management in electric tractor systems. Full article
(This article belongs to the Section Agricultural Technology)
Show Figures

Figure 1

11 pages, 5672 KB  
Article
Metasurface-Assisted Rydberg-Atom Sensor with Wavefront Shaping and Enhanced Sensitivity
by Hao Zhang, Zhen Chen, Jun Huang, Jianjun Chen, Wenguang Yang, Mingyong Jing, Zongkai Liu, Junyao Xie, Liantuan Xiao, Suotang Jia and Linjie Zhang
Photonics 2026, 13(4), 343; https://doi.org/10.3390/photonics13040343 - 1 Apr 2026
Viewed by 560
Abstract
Rydberg-atom electric-field sensors have emerged as an important research direction in quantum precision measurement, owing to their intrinsic SI traceability, noninvasive measurement capability, and wide frequency tunability. However, under free-space conditions, the geometric divergence of microwaves (MWs) limits the practical detection performance of [...] Read more.
Rydberg-atom electric-field sensors have emerged as an important research direction in quantum precision measurement, owing to their intrinsic SI traceability, noninvasive measurement capability, and wide frequency tunability. However, under free-space conditions, the geometric divergence of microwaves (MWs) limits the practical detection performance of the system. In this work, we propose and experimentally demonstrate a metasurface-assisted Rydberg-atom hybrid sensor. Through introducing wavefront shaping of the incident microwave field with a metasurface (MS), electric-field enhancement in the atomic sensing region is achieved. Without altering the intrinsic sensitivity of the Rydberg-atom sensor, the equivalent sensitivity of the hybrid sensor is improved to 57.3nVcm1Hz1/2. This scheme provides a new route toward high-sensitivity, integrated quantum sensing of the microwave electric field. Full article
(This article belongs to the Section Lasers, Light Sources and Sensors)
Show Figures

Figure 1

13 pages, 2342 KB  
Article
Low-Cost Non-Invasive Microwave Glucose Sensor Based on Dual Complementary Split-Ring Resonator
by Guodi Xu, Zhiliang Kang, Xing Feng and Minqiang Li
Sensors 2026, 26(7), 2056; https://doi.org/10.3390/s26072056 - 25 Mar 2026
Viewed by 477
Abstract
Rapid and real-time monitoring of blood glucose concentration is critical for the diagnosis and management of diabetes, while conventional invasive detection methods suffer from inconvenience and discomfort, making non-invasive detection a research hotspot. In this study, a dual complementary split-ring resonator (DS-CSRR) operating [...] Read more.
Rapid and real-time monitoring of blood glucose concentration is critical for the diagnosis and management of diabetes, while conventional invasive detection methods suffer from inconvenience and discomfort, making non-invasive detection a research hotspot. In this study, a dual complementary split-ring resonator (DS-CSRR) operating at 3.3 GHz was designed and fabricated for non-invasive glucose concentration detection, aiming to address the problems of low sensitivity and large size of existing microwave glucose sensors. The sensor was fabricated on a low-cost FR4 dielectric substrate with dimensions of 20 × 30 × 0.8 mm3, and two U-shaped slots were incorporated into the traditional DS-CSRR structure to realize cross-polarization excitation. This design not only enhances the interaction between the electric field and glucose solution but also optimizes the quality factor (Q) and electric field distribution of the resonator without changing the overall size. Compared with the traditional DS-CSRR, the Q factor of the modified structure is increased to 130 under no-load conditions. The transmission coefficient Signal Port 2 to Port 1 (S21) of the sensor loaded with glucose solutions of different concentrations was measured using a vector network analyzer (VNA). The experimental results show a good linear frequency shift with the increase in glucose concentration, with a measured sensitivity of 1.95 kHz/(mg·dL−1). In addition, the sensor is characterized by miniaturization, low cost and easy fabrication due to the adoption of standard PCB fabrication processes. This study successfully demonstrates a non-invasive microwave sensor with high sensitivity for glucose concentration detection, which has promising application potential in personal continuous glucose monitoring, and also provides a useful design strategy for the development of miniaturized high-sensitivity microwave biosensors. Full article
(This article belongs to the Section Wearables)
Show Figures

Figure 1

Back to TopTop