Sign in to use this feature.

Years

Between: -

Subjects

remove_circle_outline
remove_circle_outline
remove_circle_outline
remove_circle_outline
remove_circle_outline
remove_circle_outline

Journals

Article Types

Countries / Regions

Search Results (16)

Search Parameters:
Keywords = current-source converter (CSC)

Order results
Result details
Results per page
Select all
Export citation of selected articles as:
26 pages, 6533 KB  
Article
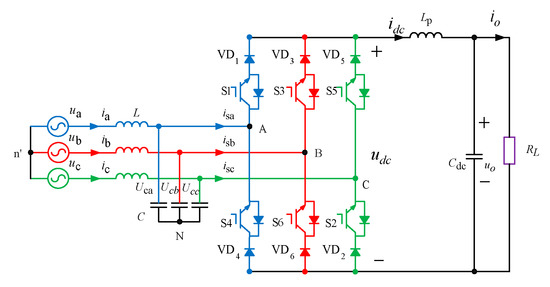
MPC Design and Comparative Analysis of Single-Phase 7-Level PUC and 9-Level CSC Inverters for Grid Integration of PV Panels
by Raghda Hariri, Fadia Sebaaly, Kamal Al-Haddad and Hadi Y. Kanaan
Energies 2025, 18(19), 5116; https://doi.org/10.3390/en18195116 - 26 Sep 2025
Abstract
In this study, a novel comparison between single phase 7-Level Packed U—Cell (PUC) inverter and single phase 9-Level Cross Switches Cell (CSC) inverter with Model Predictive Controller (MPC) for solar grid-tied applications is presented. Our innovation introduces a unique approach by integrating PV [...] Read more.
In this study, a novel comparison between single phase 7-Level Packed U—Cell (PUC) inverter and single phase 9-Level Cross Switches Cell (CSC) inverter with Model Predictive Controller (MPC) for solar grid-tied applications is presented. Our innovation introduces a unique approach by integrating PV solar panels in PUC and CSC inverters in their two DC links rather than just one which increases power density of the system. Another key benefit for the proposed models lies in their simplified design, offering improved power quality and reduced complexity relative to traditional configurations. Moreover, both models feature streamlined control architectures that eliminate the need for additional controllers such as PI controllers for grid reference current extraction. Furthermore, the implementation of Maximum Power Point Tracking (MPPT) technology directly optimizes power output from the PV panels, negating the necessity for a DC-DC booster converter during integration. To validate the proposed concept’s performance for both inverters, extensive simulations were conducted using MATLAB/Simulink, assessing both inverters under steady-state conditions as well as various disturbances to evaluate its robustness and dynamic response. Both inverters exhibit robustness against variations in grid voltage, phase shift, and irradiation. By comparing both inverters, results demonstrate that the CSC inverter exhibits superior performance due to its booster feature which relies on generating voltage level greater than the DC input source. This primary advantage makes CSC a booster inverter. Full article
(This article belongs to the Section F3: Power Electronics)
Show Figures

Figure 1

19 pages, 5580 KB  
Article
Stand-Alone Operation of Multi-Phase Doubly-Fed Induction Generator Supplied by SiC-Based Current Source Converter
by Łukasz Sienkiewicz, Filip Wilczyński and Szymon Racewicz
Energies 2025, 18(11), 2753; https://doi.org/10.3390/en18112753 - 26 May 2025
Cited by 1 | Viewed by 545
Abstract
This paper investigates the performance of a five-phase silicon carbide (SiC)-based current-source converter (CSC) integrated with a Doubly Fed Induction Generator (DFIG) for wind energy applications. The study explores both healthy and faulty operation, focusing on system behavior under transient conditions and various [...] Read more.
This paper investigates the performance of a five-phase silicon carbide (SiC)-based current-source converter (CSC) integrated with a Doubly Fed Induction Generator (DFIG) for wind energy applications. The study explores both healthy and faulty operation, focusing on system behavior under transient conditions and various load scenarios in stand-alone mode. A novel five-phase space vector PWM strategy in dual coordinate planes is introduced, which enables stable control during normal and open-phase fault conditions. Experimental results demonstrate improved stator voltage and current quality, particularly in terms of reduced Total Harmonic Distortion (THD), compared to traditional voltage-source converter-based systems. Furthermore, the system maintains operational stability under a single-phase open fault, despite increased oscillations in stator quantities. The results highlight the potential of five-phase CSC-DFIG systems as a robust and efficient alternative for wind power plants, particularly in configurations involving long cable connections and requiring low generator losses. Future work will focus on enhancing fault-tolerant capabilities and expanding control strategies for improved performance under different operating conditions. Full article
(This article belongs to the Special Issue Modeling, Control and Optimization of Wind Power Systems)
Show Figures

Figure 1

25 pages, 3319 KB  
Review
Grid Integration of Offshore Wind Energy: A Review on Fault Ride Through Techniques for MMC-HVDC Systems
by Dileep Kumar, Wajiha Shireen and Nanik Ram
Energies 2024, 17(21), 5308; https://doi.org/10.3390/en17215308 - 25 Oct 2024
Cited by 5 | Viewed by 3736
Abstract
Over the past few decades, wind energy has expanded to become a widespread, clean, and sustainable energy source. However, integrating offshore wind energy with the onshore AC grids presents many stability and control challenges that hinder the reliability and resilience of AC grids, [...] Read more.
Over the past few decades, wind energy has expanded to become a widespread, clean, and sustainable energy source. However, integrating offshore wind energy with the onshore AC grids presents many stability and control challenges that hinder the reliability and resilience of AC grids, particularly during faults. To address this issue, current grid codes require offshore wind farms (OWFs) to remain connected during and after faults. This requirement is challenging because, depending on the fault location and power flow direction, DC link over- or under-voltage can occur, potentially leading to the shutdown of converter stations. Therefore, this necessitates the proper understanding of key technical concepts associated with the integration of OWFs. To help fill the gap, this article performs an in-depth investigation of existing alternating current fault ride through (ACFRT) techniques of modular multilevel converter-based high-voltage direct current (MMC-HVDC) for OWFs. These techniques include the use of AC/DC choppers, flywheel energy storage devices (FESDs), power reduction strategies for OWFs, and energy optimization of the MMC. This article covers both scenarios of onshore and offshore AC faults. Given the importance of wind turbines (WTs) in transforming wind energy into mechanical energy, this article also presents an overview of four WT topologies. In addition, this article explores the advanced converter topologies employed in HVDC systems to transform three-phase AC voltages to DC voltages and vice versa at each terminal of the DC link. Finally, this article explores the key stability and control concepts, such as small signal stability and large disturbance stability, followed by future research trends in the development of converter topologies for HVDC transmission such as hybrid HVDC systems, which combine current source converters (CSCs) and voltage source converters (VSCs) and diode rectifier-based HVDC (DR-HVDC) systems. Full article
Show Figures

Figure 1

18 pages, 12090 KB  
Article
Modulation and Control Schemes of Parallel FCC-CSC with DC Current Balance
by Xuehan Chen, Qiang Gao, Siqi Wang and Dianguo Xu
Energies 2024, 17(17), 4212; https://doi.org/10.3390/en17174212 - 23 Aug 2024
Viewed by 996
Abstract
Incorporating AC-type flying capacitors (FC) between series-connected devices is an effective way to enhance the rated voltage for high-power applications based on current source converters (CSCs). Through appropriate modulation and FC voltage control, it is possible to achieve improved DC bus voltage quality [...] Read more.
Incorporating AC-type flying capacitors (FC) between series-connected devices is an effective way to enhance the rated voltage for high-power applications based on current source converters (CSCs). Through appropriate modulation and FC voltage control, it is possible to achieve improved DC bus voltage quality with reduced common-mode voltage (CMV) and low dv/dt. On the other hand, the parallel CSC is a popular choice for increasing the system’s rated current to accommodate higher power applications. The use of interleaved modulation techniques can improve the harmonic performance of parallel converters while reducing the need for passive filters. The modular flying capacitor clamped (FCC)-CSC structure can combine these advantages, achieving higher rated power along with improved power quality on both the DC and AC sides. Moreover, the enhanced AC quality contributes to the regulation of FC voltage and further improves the DC-side voltage quality. This paper analyzes the operation principle of the parallel FCC-CSC structure and proposes an interleaved space vector modulation (SVM) method to enhance the harmonic performance of the AC output. Additionally, an optimized zero-state replacement (ZSR) based FC voltage control and a DC-link current balance strategy built on this control are introduced. Simulation and experimental results validate the effectiveness of the proposed methods. Full article
(This article belongs to the Special Issue Advanced Control of Electrical Drives and Power Converters)
Show Figures

Figure 1

16 pages, 4890 KB  
Article
An Active Clamp Dual-Inductor Isolated Current Source to Current Source Converter with Wide Output Voltage Range
by Tiesheng Yan, Wenyuan Chen, Yu Zhou, Dong Lin, Jun Tian and Guohua Zhou
Electronics 2024, 13(15), 2925; https://doi.org/10.3390/electronics13152925 - 24 Jul 2024
Cited by 1 | Viewed by 1010
Abstract
Human observation of the ocean has gradually evolved from the sea surface to systematic monitoring and sampling through seafloor observation networks, and constant current power supply has become the main power supply method for seafloor observation networks due to its high reliability. There [...] Read more.
Human observation of the ocean has gradually evolved from the sea surface to systematic monitoring and sampling through seafloor observation networks, and constant current power supply has become the main power supply method for seafloor observation networks due to its high reliability. There are some studies on current source to voltage source converters, but there are few studies on current source to current source (CS/CS) converters, which affects the expansion of power supply networks for seafloor observation networks. In this paper, by employing input current sharing and output voltage doubling circuits, an active clamp dual-inductor isolated CS/CS converter which uses a single-stage conversion circuit to realize constant current source conversion with a wide output voltage range is proposed. Active clamp technology at the primary side of the proposed circuit is employed to recover energy stored in leakage inductance, suppress voltage spikes of the primary side switches, and achieve zero-voltage switching of the primary side switches. The secondary side’s output voltage doubling circuit resonates with transformer leakage inductance to achieve zero-current switching of the secondary side diodes, which can reduce losses and enhance efficiency. The operating principles of the proposed circuit are analyzed in detail, and the characteristic and parameter design analysis, including current conversion ratio, transformer turn ratio, power inductors, and resonant capacitors and inductor, are presented. Finally, the experimental results based on a 100 W experimental prototype validate the feasibility of the proposed converter. Full article
(This article belongs to the Topic Power Electronics Converters)
Show Figures

Figure 1

17 pages, 7447 KB  
Article
Novel Current Source Converter for Integrating Multiple Energy Storage Systems
by Marzio Barresi, Davide De Simone, Luigi Piegari and Riccardo Scalabrin
Energies 2024, 17(11), 2495; https://doi.org/10.3390/en17112495 - 22 May 2024
Cited by 2 | Viewed by 1177
Abstract
The increasing penetration of renewable energy sources (RESs) in transmission and distribution systems presents several challenges for grid operators. In particular, the unpredictable behavior of RESs can disrupt the balance between energy production and load demand, potentially affecting the stability of the entire [...] Read more.
The increasing penetration of renewable energy sources (RESs) in transmission and distribution systems presents several challenges for grid operators. In particular, the unpredictable behavior of RESs can disrupt the balance between energy production and load demand, potentially affecting the stability of the entire system. Grid-connected energy storage systems (ESSs) offer a possible solution to manage the uncertainty associated with RESs. In fact, ESSs exchange power with the grid through the adoption of suitable energy management strategies, which are typically implemented by power electronics-based grid interfaces. Unlike other current source converter (CSC) solutions described in the literature, which only interface with a single energy storage device, this paper introduces a novel topology for a three-phase delta-type current source converter (D-CSC), which is capable of integrating three independent ESSs using the same number of semiconductors as traditional CSC solutions. Thus, it considerably enhances the flexibility of a power conversion system (PCS) without increasing the number of converter components. In addition, an innovative energy management control strategy is also introduced. This strategy enables the D-CSC to compensate for energy imbalances arising between the three ESSs, which might be caused by several factors, such as different aging characteristics, converter component tolerances, operating conditions, and temperature drifts. Hence, the D-CSC-based interface is capable of proper grid operation even if the three ESSs have different characteristics, thus opening the possibility of employing this converter to integrate both first and second-life devices. First, the topology of the proposed D-CSC is introduced, followed by a detailed mathematical description of its control strategy. The proper grid operation of the D-CSC was tested under different scenarios, considering the grid integration of three independent superconducting magnetic energy storage systems in a marine vessel. The proposed D-CSC is compared to traditional CSC solutions, highlighting the superior performances of the novel converter topology in terms of efficiency, total harmonic distortion of the output currents, and overall cost reduction for the PCS. Full article
(This article belongs to the Section F3: Power Electronics)
Show Figures

Figure 1

16 pages, 8162 KB  
Article
A Novel Overlap-Time Effect Suppression for Current Source Converter
by Hao Ding, Quanjie Li, Jing Yuan, Wei Wang, Mingming Li and Josep M. Guerrero
Energies 2022, 15(16), 6035; https://doi.org/10.3390/en15166035 - 20 Aug 2022
Cited by 4 | Viewed by 1980
Abstract
In order to ensure the continuity of the DC-side inductor current, current source converter (CSC) needs to add overlap time between the drive signals, but the overlap time will introduce low order (mainly fifth and seventh) harmonics to the grid current, which seriously [...] Read more.
In order to ensure the continuity of the DC-side inductor current, current source converter (CSC) needs to add overlap time between the drive signals, but the overlap time will introduce low order (mainly fifth and seventh) harmonics to the grid current, which seriously degrade the harmonic performance of grid current. At present, some research has been conducted to theoretically analyze and mitigate the overlap-time effect in CSC, including the use of positive-slope sawtooth wave or negative-slope sawtooth wave as the carrier wave, turning on the switch early or delaying turning it off, and eliminating the deviation effect by compensation algorithms, etc. However, existing overlap-time suppression schemes takes the nearest three vector synthesis reference vector scheme as the object of study, in other words, the effect of overlap time on the non-nearest three-vector synthesis reference vector scheme has not been considered. To address these issues, this paper takes the non-nearest three-vector synthesis reference vector scheme as the object of study to analyze the effect of overlap time on the driving signal and establishes the quantitative relationship between the current harmonics introduced in the grid current and overlap time through Fourier decomposition. Then, the design process of the proposed improved space vector modulation by constructing freewheeling channels to replace the overlap time is presented in detail. Finally, simulation and experimental results verify that the overlap-time suppression effect of the proposed scheme is about 100%. Full article
Show Figures

Figure 1

25 pages, 10156 KB  
Article
PV/Battery Grid Integration Using a Modular Multilevel Isolated SEPIC-Based Converter
by Fatemeh Nasr Esfahani, Ahmed Darwish and Ahmed Massoud
Energies 2022, 15(15), 5462; https://doi.org/10.3390/en15155462 - 28 Jul 2022
Cited by 15 | Viewed by 2581
Abstract
Photovoltaic (PV) plants can be built rapidly when compared with other conventional electrical plants; hence, they are a competent candidate for supplying the electricity grid. The output power of the PV modules can be used in plug-in electric vehicles (PEVs) DC charging stations [...] Read more.
Photovoltaic (PV) plants can be built rapidly when compared with other conventional electrical plants; hence, they are a competent candidate for supplying the electricity grid. The output power of the PV modules can be used in plug-in electric vehicles (PEVs) DC charging stations to reduce the burden on the electricity grid, particularly during peak load hours. To integrate PV modules and electric vehicles (EVs) with the electricity grid, the modular multilevel converters (MMCs) topologies producing staircase voltage waveforms are preferred as they are able to deliver less total harmonic distortion (THD) and higher efficiency in addition to lower voltage stress on semiconductor switches. In conventional centralized MMC topologies, a direct connection to a high-DC-link input voltage is required which is not appropriate for PV plants. A new MMC topology for PV/EV/grid integration is proposed in this paper, where the individual PV arrays are directly connected to each phase of the AC grid to harvest the maximum available power point. A current-source converter (CSC) based on a single-stage isolated SEPIC converter is adopted as the submodule (SM) for the proposed MMC topology given its outstanding features, such as low input ripple current, high efficiency, high power factor, and flexible output voltage higher or lower than the input voltage. The single-stage SMs can operate in both DC/DC and DC/AC operating modes. Proper controllers for each mode of operation are designed and applied to supply constant current from either the PV modules or the battery cells by eliminating the second-order harmonic component. The performance of the proposed converter is verified by simulations and a downscaled prototype controlled by TMSF28335 DSP. Full article
(This article belongs to the Special Issue Modular Multilevel Converter for Photovoltaic Applications)
Show Figures

Figure 1

32 pages, 1358 KB  
Review
The Multifaceted Role of Aldehyde Dehydrogenases in Prostate Cancer Stem Cells
by Jakob Püschel, Anna Dubrovska and Ielizaveta Gorodetska
Cancers 2021, 13(18), 4703; https://doi.org/10.3390/cancers13184703 - 20 Sep 2021
Cited by 26 | Viewed by 6732
Abstract
Cancer stem cells (CSCs) are the only tumor cells possessing self-renewal and differentiation properties, making them an engine of tumor progression and a source of tumor regrowth after treatment. Conventional therapies eliminate most non-CSCs, while CSCs often remain radiation and drug resistant, leading [...] Read more.
Cancer stem cells (CSCs) are the only tumor cells possessing self-renewal and differentiation properties, making them an engine of tumor progression and a source of tumor regrowth after treatment. Conventional therapies eliminate most non-CSCs, while CSCs often remain radiation and drug resistant, leading to tumor relapse and metastases. Thus, targeting CSCs might be a powerful tool to overcome tumor resistance and increase the efficiency of current cancer treatment strategies. The identification and isolation of the CSC population based on its high aldehyde dehydrogenase activity (ALDH) is widely accepted for prostate cancer (PCa) and many other solid tumors. In PCa, several ALDH genes contribute to the ALDH activity, which can be measured in the enzymatic assay by converting 4, 4-difluoro-4-bora-3a, 4a-diaza-s-indacene (BODIPY) aminoacetaldehyde (BAAA) into the fluorescent product BODIPY-aminoacetate (BAA). Although each ALDH isoform plays an individual role in PCa biology, their mutual functional interplay also contributes to PCa progression. Thus, ALDH proteins are markers and functional regulators of CSC properties, representing an attractive target for cancer treatment. In this review, we discuss the current state of research regarding the role of individual ALDH isoforms in PCa development and progression, their possible therapeutic targeting, and provide an outlook for the future advances in this field. Full article
(This article belongs to the Special Issue Stem Cell in Cancer Therapy)
Show Figures

Graphical abstract

12 pages, 922 KB  
Article
Integration of Voltage Source Converters in Steady-State RMS Short-Circuit Analysis
by Carlos Coelho Teixeira and Helder Leite
Energies 2021, 14(12), 3610; https://doi.org/10.3390/en14123610 - 17 Jun 2021
Cited by 6 | Viewed by 2773
Abstract
Voltage source converters (VSCs) are self-commutated converters able to generate AC voltages with or without the support of an AC connecting grid. VSCs allow fast control of active and reactive powers in an independent way. VSCs also have black start capability. Their use [...] Read more.
Voltage source converters (VSCs) are self-commutated converters able to generate AC voltages with or without the support of an AC connecting grid. VSCs allow fast control of active and reactive powers in an independent way. VSCs also have black start capability. Their use in high-voltage direct current (HVDC) systems, comparative to the more mature current source converter (CSC)-based HVDC, offers faster active power flow control. In addition, VSCs provide flexible reactive power control, independent at each converter terminal. It is also useful when connecting DC sources to weak AC grids. Steady-state RMS analysis techniques are commonly used for early-stage analysis, for design purposes and for relaying. Sources interfaced through DC/AC or AC/DC/AC converters, opposite to conventional generators, are not well represented by electromotive forces (E) behind impedance models. A methodology to include voltage source converters (VSCs) in conventional RMS short-circuit analysis techniques is advanced in this work. It represents an iterative procedure inside general calculation techniques and can even be used by those with only basic power electronics knowledge. Results are compared to those of the commercial software package PSS®CAPE to demonstrate the validity of the proposed rmsVSC algorithm. Full article
Show Figures

Figure 1

16 pages, 10448 KB  
Article
Simulation Studies of Control Systems for Doubly Fed Induction Generator Supplied by the Current Source Converter
by Paweł Kroplewski, Marcin Morawiec, Andrzej Jąderko and Charles Odeh
Energies 2021, 14(5), 1511; https://doi.org/10.3390/en14051511 - 9 Mar 2021
Cited by 11 | Viewed by 3067
Abstract
The control system for a Doubly Fed Induction Generator (DFIG) supplied by a grid-connected Current Source Converter (CSC) is presented in this paper. Nonlinear transformation of DFIG model to the multi-scalar form is proposed. The nonlinear control strategy of active and reactive power [...] Read more.
The control system for a Doubly Fed Induction Generator (DFIG) supplied by a grid-connected Current Source Converter (CSC) is presented in this paper. Nonlinear transformation of DFIG model to the multi-scalar form is proposed. The nonlinear control strategy of active and reactive power of DFIG is realized by feedback linearization. In the proposed control scheme, the DFIG model and CSI parameters are included. Two Proportional-Integral (PI) controllers are dedicated for the control of the respective active and reactive powers. The control variables are the dc-link input voltage vector and the angular speed of the inverter output current. The proposed control approach is characterized by satisfactional dynamics and provides enhanced quality of the power transferred to the grid. In the simulation, evaluation of the characteristic operating states of the generator system, correctness of the feedback linearization and the dynamics of active and reactive power control loops are studied. Simulation results are adequately provided. Full article
(This article belongs to the Special Issue Control of Wind Turbines)
Show Figures

Figure 1

16 pages, 5744 KB  
Article
New Adaptive Control Strategy for a Wind Turbine Permanent Magnet Synchronous Generator (PMSG)
by Wenping Cao, Ning Xing, Yan Wen, Xiangping Chen and Dong Wang
Inventions 2021, 6(1), 3; https://doi.org/10.3390/inventions6010003 - 28 Dec 2020
Cited by 18 | Viewed by 7573
Abstract
Wind energy conversion systems have become a key technology to harvest wind energy worldwide. In permanent magnet synchronous generator-based wind turbine systems, the rotor position is needed for variable speed control and it uses an encoder or a speed sensor. However, these sensors [...] Read more.
Wind energy conversion systems have become a key technology to harvest wind energy worldwide. In permanent magnet synchronous generator-based wind turbine systems, the rotor position is needed for variable speed control and it uses an encoder or a speed sensor. However, these sensors lead to some obstacles, such as additional weight and cost, increased noise, complexity and reliability issues. For these reasons, the development of new sensorless control methods has become critically important for wind turbine generators. This paper aims to develop a new sensorless and adaptive control method for a surface-mounted permanent magnet synchronous generator. The proposed method includes a new model reference adaptive system, which is used to estimate the rotor position and speed as an observer. Adaptive control is implemented in the pulse-width modulated current source converter. In the conventional model reference adaptive system, the proportional-integral controller is used in the adaptation mechanism. Moreover, the proportional-integral controller is generally tuned by the trial and error method, which is tedious and inaccurate. In contrast, the proposed method is based on model predictive control which eliminates the use of speed and position sensors and also improves the performance of model reference adaptive control systems. In this paper, the proposed predictive controller is modelled in MATLAB/SIMULINK and validated experimentally on a 6-kW wind turbine generator. Test results prove the effectiveness of the control strategy in terms of energy efficiency and dynamical adaptation to the wind turbine operational conditions. The experimental results also show that the control method has good dynamic response to parameter variations and external disturbances. Therefore, the developed technique will help increase the uptake of permanent magnet synchronous generators and model predictive control methods in the wind power industry. Full article
(This article belongs to the Special Issue New Developments of Electrical Machines and Motor Drives)
Show Figures

Figure 1

14 pages, 3329 KB  
Article
A Hybrid Predictive Control for a Current Source Converter in an Aircraft DC Microgrid
by Hui Yang, Rui Tu, Ke Wang, Jiaxing Lei, Wenjia Wang, Shuang Feng and Chaofan Wei
Energies 2019, 12(21), 4025; https://doi.org/10.3390/en12214025 - 23 Oct 2019
Cited by 7 | Viewed by 2820
Abstract
A current source converter (CSC) is a promising topology for interfacing aircraft generators with the onboard DC microgrid. In this paper, a hybrid predictive control is proposed for the CSC with an output LC filter in such application. Deadbeat predictive control with larger [...] Read more.
A current source converter (CSC) is a promising topology for interfacing aircraft generators with the onboard DC microgrid. In this paper, a hybrid predictive control is proposed for the CSC with an output LC filter in such application. Deadbeat predictive control with larger sampling time is applied to the output circuit, generating reference source currents. Finite-set model predictive control with smaller sampling time is applied to the input circuit to achieve sinusoidal source currents, which is simplified by saving the source current predictions. The proposed scheme eliminates both the proportional-integral controller and the weighting factor, which are required in the existing studies. Besides, it has lower control complexity. A SiC-MOSFET-based prototype is used to verify the validity of the proposed scheme. Experimental results under 150 V/350–800 Hz AC input and 270 V DC output demonstrate the superior control performance. Full article
(This article belongs to the Special Issue Power Electronics and Power Quality 2019)
Show Figures

Graphical abstract

15 pages, 3205 KB  
Article
Hybrid HVDC (H2VDC) System Using Current and Voltage Source Converters
by José Rafael Lebre, Paulo Max Maciel Portugal and Edson Hirokazu Watanabe
Energies 2018, 11(6), 1323; https://doi.org/10.3390/en11061323 - 23 May 2018
Cited by 14 | Viewed by 5638
Abstract
This paper presents an analysis of a new high voltage DC (HVDC) transmission system, which is based on current and voltage source converters (CSC and VSC) in the same circuit. This proposed topology is composed of one CSC (rectifier) and one or more [...] Read more.
This paper presents an analysis of a new high voltage DC (HVDC) transmission system, which is based on current and voltage source converters (CSC and VSC) in the same circuit. This proposed topology is composed of one CSC (rectifier) and one or more VSCs (inverters) connected through an overhead transmission line in a multiterminal configuration. The main purpose of this Hybrid HVDC (H2VDC), as it was designed, is putting together the best benefits of both types of converters in the same circuit: no commutation failure and system’s black start capability in the VSC side, high power converter capability and low cost at the rectifier side, etc. A monopole of the H2VDC system with one CSC and two VSCs—here, the VSC is the Modular Multilevel Converter (MMC) considered with full-bridge submodules—in multiterminal configuration is studied. The study includes theoretical analyses, development of the CSC and VSCs control philosophies and simulations. The H2VDC system’s behavior is analyzed by computational simulations considering steady-state operation and short-circuit conditions at the AC and DC side. The obtained results and conclusions show a promising system for very high-power multiterminal HVDC transmission. Full article
(This article belongs to the Special Issue Power Electronics and Power Quality)
Show Figures

Figure 1

27 pages, 718 KB  
Article
Analysis and Performance Comparison of Different Power Conditioning Systems for SMES-Based Energy Systems in Wind Turbines
by Ana Rodríguez, Francisco Huerta, Emilio J. Bueno and Francisco J. Rodríguez
Energies 2013, 6(3), 1527-1553; https://doi.org/10.3390/en6031527 - 6 Mar 2013
Cited by 13 | Viewed by 6831
Abstract
Suitability of energy systems based on Superconducting Magnetic Energy Storage (SMES) has been widely tested in the field of wind energy, being able to supply power in cases such as low wind speeds or voltage dips, and to store energy when there are [...] Read more.
Suitability of energy systems based on Superconducting Magnetic Energy Storage (SMES) has been widely tested in the field of wind energy, being able to supply power in cases such as low wind speeds or voltage dips, and to store energy when there are surpluses. This article analyzes and compares the performance of three SMES-based systems that differ in the topology of power converter: a two-level Voltage Source Converter (VSC), a three-level VSC and a two-level Current Source Converter (CSC). Their performance has been improved by means of an appropriate modulation strategy. To obtain a high reliability and accuracy, a co-simulation between MATLAB/Simulink® (running the control system) and PSIM® (running the power system) has been executed. Full article
Show Figures

Graphical abstract

Back to TopTop