Abstract
Over the past few decades, wind energy has expanded to become a widespread, clean, and sustainable energy source. However, integrating offshore wind energy with the onshore AC grids presents many stability and control challenges that hinder the reliability and resilience of AC grids, particularly during faults. To address this issue, current grid codes require offshore wind farms (OWFs) to remain connected during and after faults. This requirement is challenging because, depending on the fault location and power flow direction, DC link over- or under-voltage can occur, potentially leading to the shutdown of converter stations. Therefore, this necessitates the proper understanding of key technical concepts associated with the integration of OWFs. To help fill the gap, this article performs an in-depth investigation of existing alternating current fault ride through (ACFRT) techniques of modular multilevel converter-based high-voltage direct current (MMC-HVDC) for OWFs. These techniques include the use of AC/DC choppers, flywheel energy storage devices (FESDs), power reduction strategies for OWFs, and energy optimization of the MMC. This article covers both scenarios of onshore and offshore AC faults. Given the importance of wind turbines (WTs) in transforming wind energy into mechanical energy, this article also presents an overview of four WT topologies. In addition, this article explores the advanced converter topologies employed in HVDC systems to transform three-phase AC voltages to DC voltages and vice versa at each terminal of the DC link. Finally, this article explores the key stability and control concepts, such as small signal stability and large disturbance stability, followed by future research trends in the development of converter topologies for HVDC transmission such as hybrid HVDC systems, which combine current source converters (CSCs) and voltage source converters (VSCs) and diode rectifier-based HVDC (DR-HVDC) systems.
1. Introduction
Due to rising global warming issues, the exhaustion of existing fossil fuel resources, and the need to support the Paris Climate Agreement’s goal of limiting the global temperature increase to 1.5 degrees Celsius, countries around the world are shifting their focus from fossil fuels to renewable energy sources (RESs) [1]. For instance, China hopes that by 2030, RESs will make up about 35% of its total energy consumption. India has set an ambitious target of 175 GW for RESs [2]. Similarly, both the United States (US) and the European Union (EU) have also set certain goals regarding RESs [2]. According to the International Energy Agency (IEA), the renewable energy capacity additions reached an estimated value of 507 GW in 2023 alone, which is nearly 50% higher than in 2022. Over the next five years, further additions to renewable energy capacity are expected, with solar photovoltaic (PV) and wind energy accounting for a record 96% of this growth [3].
Wind power has become a widespread, affordable, and carbon-neutral RES. It can be produced at both onshore and offshore locations. However, modern wind farms are situated farther away from onshore electrical networks as they are built deeper into the sea, i.e., offshore. This shift has occurred for several reasons. First, the wind at offshore locations tends to be stronger and more consistent. Second, the onshore sites with substantial wind energy capabilities have already been used. Finally, the offshore wind farms (OWFs) have greater and more reliable wind energy potential [4]. In 1991, the Vindeby offshore wind power plant in Denmark served as a 5 MW demonstration project for 2200 households. At that time, the offshore wind market was confined to a smaller number of European countries. By 2024, Hornsea II, the world’s largest AC-connected OWF, will power 1.3 million homes with a total capacity of 1.386 GW, highlighting the global expansion of offshore wind [5]. The offshore wind market expanded by 27.8% per year on average from 2011 to 2020 [4]. Figure 1 depicts new offshore wind plants and their estimated market share from 2023–2032 [6].
Figure 1.
Status of Global OWF Market [7,8].
As the global focus on OWFs increases, the question of safe and dependable power transmission becomes critical. Since most RESs, including OWFs, are located far from the load center, this is driving up demand for asynchronous and long-distance transmission systems.
The most effective and substantial option for sending large amounts of power across long distances is high-voltage direct current (HVDC) transmission technology. As the OWFs are at longer distances than the onshore sites, therefore, HVDC transmission is favored over a high-voltage alternating current (HVAC) transmission system for the integration of OWFs due to various advantages [4,8]:
- Reduced capacitance/km as opposed to very high capacitance/km in HVAC and thus lower power losses.
- The interconnection of asynchronous systems, i.e., systems with different frequencies and voltage levels, is possible.
- Unlike HVAC, there is no technical limit for HVDC transmission; therefore, it is a preferred choice for the underwater transmission of electrical power from offshore wind power systems to onshore AC networks.
- An economically viable solution for transmitting power for distances above 50–70 km.
- It involves a lesser number of conductors as compared to a three-phase HVAC system, which requires three conductors for the transmission of electrical power in the electrical power system.
- In contrast to AC cables, DC wires have neither the skin effect nor proximity impact.
The current offshore wind HVDC operating projects are mentioned in Table 1.
Table 1.
Global offshore wind HVDC transmission projects [9].
As the integration of OWFs increases, their resilience remains a major challenge, particularly when a fault occurs anywhere in the system. For AC faults, there are two possible scenarios: an onshore AC fault or an offshore AC fault. Depending on the power flow direction (from OWFs to onshore AC grid or vice versa), DC link over- or under-voltage may result. If a fault happens at the onshore AC side of the MMC-HVDC system, the onshore converter station cannot exchange power with the faulty grid. Since the power supplied by the OWFs is uninterrupted, this creates an imbalance of power between two converter stations. This power imbalance causes the DC link voltages to rise to an undesirable level. If it is not appropriately managed, this situation may result in a complete shutdown of the system, and several stability and control issues may arise. Conversely, if the fault happens on the offshore AC side, DC under-voltage occurs, which may affect the modulation of converter stations. As a result, current grid codes require that OWFs remain connected to the onshore AC grid during and after a short circuit fault. To mitigate the issues of the DC link over- or under-voltage problem, the OWF MMC-HVDC must have fault ride through (FRT) capability. The FRT requirements of OWF MMC-HVDC systems have drawn great attention from researchers. Recently published review papers have briefly outlined the FRT as one of the grid code requirements, but they lack in-depth discussion on various modern FRT techniques in both scenarios, i.e., the onshore AC side and offshore AC side. Therefore, this review paper aims to describe current FRT techniques for the OWF MMC-HVDC system in detail. The rest of this paper is organized as follows: Section 2 discusses HVDC converter topologies. Section 3 briefly defines wind turbine (WT) technologies for the integration of OWFs. A detailed discussion on FRT strategies for the OWF MMC-HVDC system is given in Section 4. Control techniques such as master-slave, droop control, voltage margin, and grid-forming and grid-following are described in Section 5. In Section 6, stability analysis is given. Finally, Section 7 and Section 8 present future trends, discussion, and conclusion.
2. HVDC Converter Topologies
Connecting OWFs to the onshore AC grid requires HVDC transmission systems. It provides a stable, economical, and controllable way to transfer power from the offshore wind farm to the mainland AC grid through submerged cables, underground wires, and overhead lines [10]. The increasing need to connect isolated asynchronous systems, along with the development of remote wind power technologies, has made HVDC transmission increasingly common [11,12,13]. However, it is important to note that HVDC systems have certain limitations. For instance, they require power conversion equipment at both the sending and receiving ends, and they cannot change voltage levels using transformers. Additionally, HVDC systems introduce complexities in control, necessitate reactive power, and can produce harmonics [14]. Due to these drawbacks, HVDC was initially less favored for electrical power transmission.
In the realm of HVDC applications, two main converter topologies are commonly used: current source converters (CSCs) and voltage source converters (VSCs). Recently, however, MMC has gained preference in HVDC systems. All of these are described below.
2.1. Current Source Converter (CSC)
The current source converter-based high-voltage direct current (CSC-HVDC) transmission or line-commutated converter-based high-voltage direct current (LCC-HVDC) transmission, also known as traditional or classical HVDC transmission, is an example of today’s mature technology. Since the first commercial HVDC transmission link in between the islands of Gotland and Sweden in 1954 [14,15], CSC-HVDC has been well developed. Thyristor valves are used in this well-proven technology for high power applications [16]. CSC-HVDC transmission has operated with excellent reliability, simple structure, enormous power capacity with less maintenance, low cost, and low power dissipation in the last century [17,18,19]. Currently, its power rating reaches as high as 10 GW [20]. However, recently, CSC technology is not being given priority for the future power system because of its several limitations [17]. These include large reactive power consumptions in transmitting active power, the requirement for fast communication, commutation failure during AC faults, and the necessity of an external circuit to turn on/off the semiconductor devices. In recent years, the second converter technology, known as VSC technology, is replacing CSC technology, as it overcomes many of the disadvantages introduced by the CSC technology [21].
2.2. Voltage Source Converter (VSC)
In the late 1990s, voltage source converter-based high-voltage direct current (VSC-HVDC) transmission began to be implemented, particularly in interconnected AC networks with low short-circuit levels. This development was driven by a substantial increase in the voltage and power ratings of semiconductor devices [22,23]. A VSC consists of insulated gate bipolar transistor (IGBT) switches for power conversion, DC link capacitors to mitigate ripple components in the DC link voltages, a coupling transformer, and a phasor reactor. Due to the IGBT’s ability to be turned on and off via an electronic gate signal, the VSC offers several advantages over the CSC, such as the following [24]: it is insensitive to the strength of the AC network; it offers a black-start capability in the system, as well as fast and decoupled control of bi-directional active and reactive power flow; and it can be operated in an isolated system. Moreover, power flow reversal is possible by changing the direction of the DC current without changing the polarity of the DC voltage [25]. This technology has become a popular choice for integrating large-scale wind farms, as it effectively mitigates the negative impacts of wind power fluctuations and interruptions on the electrical grid. Due to these advantages, VSCs are the preferred choice in HVDC transmission. However, in most cases, the VSC-HVDC has more losses, a higher installation cost, and a low power rating [26].
2.3. Modular Multilevel Converter (MMC)
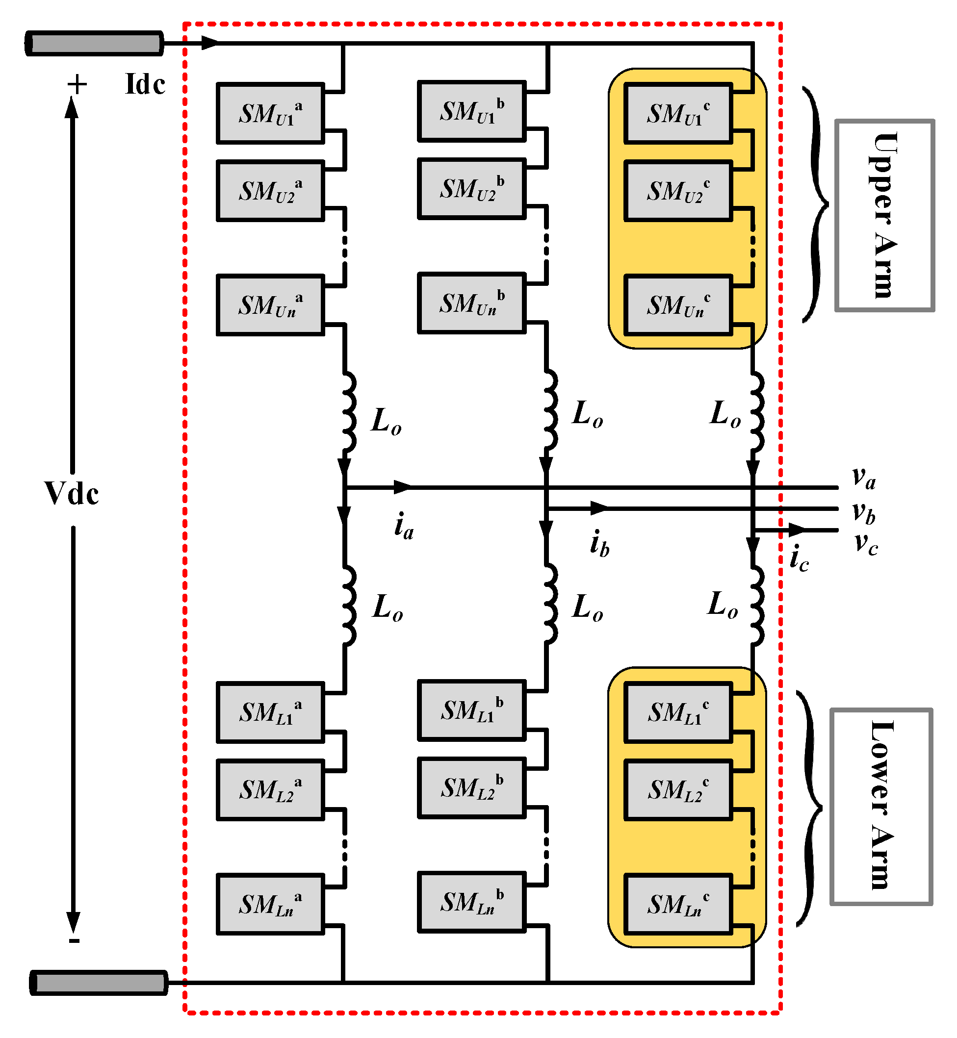
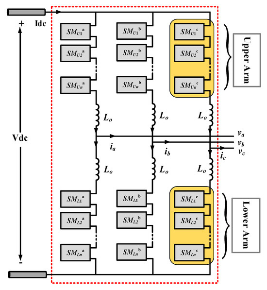
The modular multilevel converter (MMC), a type of VSC, was first created in 2003 by Professor Rainer Marquardt [27]. Because of its numerous advantages, such as modularity, scalability, increased reliability, transformer-less operation, and improved sine wave at the output [27,28,29], the MMC is a favored choice for HVDC applications. Moreover, inherently improved sine wave output allows the MMC to be operated without an output filter. Figure 2 shows the basic diagram of an MMC. One phase of an MMC consists of two arms: upper and lower arms. Therefore, in a three-phase MMC, there are six arms (both upper and lower) in total. All arms are identical in nature. The arm of an MMC has ‘N’ series-connected submodules (SMs), also known as cells, with an inductor L0. The main motivation for the use of the inductor L0 is to reduce the short circuit and circulating current (CC) in the MMC. The SMs or cells are identical. Each of them can be either a half-bridge submodule (HB-SM) or a full-bridge submodule (FB-SM). The HB-SM is given preference in MMC-HVDC projects due to its higher reliability and efficiency. The Trans Bay Cable project (±200 kV/400 MW), which connects Pittsburgh, Pennsylvania, and San Francisco, California, is the first MMC-HVDC link in history to use an HB-MMC [28].
Figure 2.
Schematic diagram of MMC [4].
2.4. Challenges and Future Trends in Offshore Converter Stations
Despite the growing popularity of MMC-HVDC transmission, there are certain disadvantages associated with the implementation of this technology. A key difficulty for existing MMC-HVDC transmission for OWF integration is the increasing mass and weight of offshore MMC converter stations, particularly with deeper water depths and higher transmission capacities. This poses significant economic and technical challenges in the construction process of the OWF platform. For example, the 30,000-ton BorWin3-Offshore Platform came with significant costs during development and shipping [30]. Consequently, reducing the mass and weight of the offshore converter stations has become a priority.
Generally, in defining the overall mass of an offshore converter station, the sizing of the SM capacitor in an MMC plays a crucial role, with SM capacitors accounting for approximately 60% of the total mass [30]. Therefore, efforts to reduce the size of these capacitors could significantly decrease the weight of offshore installations. However, this reduction brings a significant challenge: it leads to increased voltage ripples in the capacitors, which can compromise the operational safety and reliability of the MMC. To manage this issue, various topologies have been proposed in the literature to mitigate capacitor voltage ripples. Prominent configurations include the clamped single SM, clamped double SM, modified active neutral point clamped SM, and cross-connected SM. A comprehensive discussion of converter topologies specifically designed for OWFs can be found in [9].
In addition to exploring new topologies, optimizing control methods presents another promising approach to minimizing SM capacitance. Recent studies have also introduced innovative hybrid HVDC systems [31] and diode rectifier-based HVDC (DR-HVDC) solutions [32]. These methods leverage the advantages of both CSCs and VSCs to achieve reductions in weight and cost for offshore converter stations. A notable example of the hybrid HVDC technology in action is the multi-terminal UHVDC project currently under construction in China. This project facilitates power transmission from the Wudongde Hydropower Station to the Guangdong and Guangxi Grid. It employs a unique setup in which the transmitting end utilizes ± 800 kV/8000 MW LCC-UHVDC technology, while the receiving end incorporates ± 800 kV VSC-UHVDC technology [26].
3. Wind Turbine (WT) Technologies
Wind turbines (WTs) play a crucial role in converting wind energy to mechanical energy. A WT captures the kinetic energy of the wind and transforms it into mechanical energy, which is then converted into electrical energy by a generator. The WTs are mounted on a tower to capture the maximum energy from wind. The major components of a WT can be broken down into four groups [33,34]:
- Rotor components: include the blades for converting the kinetic energy of wind to low-speed rotational energy.
- Drivetrain components: usually include a gearbox or adjustable speed drive to increase the rotational speed from the low-speed rotor shaft to the high-speed generator shaft.
- Generator components: consist of a generator and the associated power electronic control systems.
- Structural support components: consist of a yaw system that orients the WT’s rotor towards the wind direction and a tower.
Four basic types of modern WT technologies have been identified in the literature. They are classified according to the types of wind generators and power electronics converters that are employed [32].
3.1. Type I WT Technology
Type I WT technology is the simplest technology based on a squirrel-cage induction generator (SCIG) with a fixed rotor resistance. It consists of an aerodynamic rotor that drives the low-speed shaft, a gearbox with a fixed ratio that couples the WT rotor with the generator, a capacitor bank, a step-up transformer, and a soft starter [35]. This type of WT usually functions at a constant speed, which is generally linked with the grid frequency. The gearbox is connected to the grid via a step-up transformer. The soft starter controls the inrush current, and a capacitor bank supplies compensating reactive power [36]. The fundamental advantage of this technology is its simplicity in control and inexpensiveness. Since this WT technology operates at a fixed single rotation speed, the wind speed needs to be high enough to rotate it around the synchronous speed. There are various disadvantages of this technology, such as its inability to operate at variable wind speed, which limits the maximum power extraction from the wind energy, noisy operation, high mechanical stress, and it being prone to grid disturbances [32]. Because Type I WTs do not possess the ability to absorb wind gusts, they are therefore primarily used in small to medium-sized utility-based applications and are less effective to operate in harsh wind environments [37].
3.2. Type II WT Technology
Another form of WT technology is Type II, which is a modification of Type I WT technology. It consists of the same components as the Type I WTs, including an aerodynamic rotor that drives the low-speed shaft, a gearbox with a fixed ratio that couples the WT rotor with the generator, a capacitor bank, a step-up transformer, and a soft starter [35]. The key difference is that a wound-rotor induction generator (WRIG) is used instead of an SCIG, and a variable resistor is implemented in the rotor circuit using power electronic devices. The purpose of this rapid rotor current controlling is possible through this variable resistance, which in turn contributes to maintaining consistent power under challenging wind conditions [38]. The main advantage of this technology as compared to Type I is the possibility of the limited variable speed operation by changing the slip. However, this causes increased power losses in rotor resistance and higher costs associated with the power electronic devices [32]. Due to their limited variable speed operation, Type II WTs are primarily used in small industrial applications, remote/isolated areas, and utility-based applications.
3.3. Type III WT Technology
In this WT technology, a WRIG is used that is directly connected to the grid via the stator, while a back-to-back (B2B) converter powered by power electronics is used to connect the rotor to the grid. It is also referred to as a doubly fed induction generator (DFIG) in some literary works. The main components of Type III WT technology include a rotor, a partial-scale converter (which allows for a 30% variation in speed around synchronous speed), a gearbox, and a transformer [39]. The power converter consists of a grid-side converter (GSC), a rotor-side converter (RSC), and a DC link. The function of the B2B converter is to inject active power from the rotor to the grid in the event that the rotor speed exceeds the synchronous speed (super-synchronous speed) in order to run the WT at variable wind speeds. Conversely, the reactive power from the grid is absorbed and fed back into the grid in the event that the rotor speed falls below the synchronous speed (sub-synchronous speed) [40]. The speed control is aided by the rotor-connected RSC, while the GSC at the grid connection point can make up for the DFIG’s reactive power need. A key advantage of this technology is that the need for capacitor banks for reactive power compensation and soft starters is eliminated. Additionally, because of the flexibility to operate at variable speeds, high reliability, and resilience, they are widely used in harsh environments such as offshore wind installations [32], where they can handle gusty winds and extreme weather conditions.
3.4. Type IV WT Technology
This technology utilizes either a WRIG or SCIG. Additionally, permanent magnet synchronous generators (PMSGs) are also increasingly being used in offshore wind applications. The main components of Type IV WT technology include a rotor, a full-scale converter (which allows the WT to operate at a wide range of speeds), a gearbox, and a transformer [39]. The full-scale converter includes a GSC, an RSC, and a DC link [41]. The stator is connected to the grid through this full-scale power converter. This method has an advantage of completely and effectively separating the generator’s characteristics from the grid, which enhances the fault response. Thanks to the full-scale converter, this WT technology enables operation over a broad speed range, improving the wind power plant’s ability to extract more electricity. Type 4 WTs handle the entire power output, in contrast to DFIG turbines, which only handle 30–40% of the total power. Because there is no rotor winding (in the case of PMSG), this WT technology has lower losses, higher efficiency, and an overall smaller generating unit size. Among the current WT technologies, this is the only one that offers islanding operation [32], allowing OWFs to function independently when they are not connected to the power grid. Because of their maximum flexibility, high resilience, and fault ride through capabilities, they are preferred for operation in extreme weather conditions such as offshore wind applications [37]. A more detailed review on these WT technologies has been presented in [42]. Figure 3 shows the WT technologies.
Figure 3.
Wind turbine technologies: (a) Type I Fixed Speed Wind Turbine, (b) Type II Variable Speed Wind Turbine, (c) Type III Wind Turbine, (d) Type IV Wind Turbine [32].
4. FRT Strategies for OWF MMC-HVDC System
Due to the recent grid code requirements, it is necessary for the OWFs to stay connected to the onshore AC grid even if they face any fault. Therefore, FRT capability is required for the OWF MMC-HVDC system. The fault can happen anywhere in the system, at the onshore AC side or offshore AC side. At this point, it is essential to note the direction of electrical power flow and location of the fault in the MMC-HVDC system. Usually, electrical power is generated by OWFs placed in the ocean, and this power is transmitted to an onshore AC grid through the MMC-HVDC transmission system. However, when the offshore platform not only consists of OWFs but also offshore AC loads, in this case, power can flow from the onshore AC grid to the offshore loads. Therefore, depending on the power flow direction (from OWFs to the onshore AC grid or from the onshore AC grid to the offshore AC load) in the MMC-HVDC system, DC link over- or under-voltage may occur. DC link overvoltage impairs the insulation in the HVDC equipment and converters, whereas DC under-voltage may result in modulation issues [43]. Therefore, it is necessary for the OWF MMC-HVDC system to sustain the faults by riding through them. In addition to the faults on the onshore AC side or offshore AC side, the fault can also happen at the DC transmission line connecting the OWFs to the onshore AC grid. However, in this section, we will restrict our discussion to AC faults only.
4.1. Fault at Onshore Side
Depending on the location of faults, onshore AC faults may be categorized into the following:
- Grid-side faults: This type of fault often happens closer to the converter transformer’s grid side and is outside the onshore converter station [44];
- Valve-side faults: This type of fault occurs inside the converter station in between the converter station and converter transformer [45]. This section describes grid-side faults.
When a fault happens at the onshore AC side and the power flow direction is from the onshore AC grid side to the offshore load side, a voltage dip at the onshore AC side can result in a power shortage in the HVDC system [46]. However, when a fault happens at the onshore AC grid side and assuming that the power flow direction is from the OWF side to the onshore AC grid side, there is a considerable voltage dip at the point of common connection (PCC) that connects the onshore MMC to the onshore faulty AC grid. The result of this abrupt drop in AC voltage is a substantial reduction in the onshore MMC’s output power. Due to this drop in power, an imbalance in power occurs in the HVDC link; this is because the onshore MMC cannot exchange power with the faulty AC grid while the offshore MMC, which is on the other side of the HVDC link, is still able to do so [47]. This leads to excessive power being developed in the HVDC system. If this is not properly controlled, it can result in a rise in the HVDC link voltage to an undesirable level. This puts excessive stress on the HVDC equipment and raises the possibility that protection devices may activate early, leading to the disconnection of the converter station from the AC grid [48]. There is also a risk to the onshore power system’s safety because the offshore power has a direct connection to the load center [49]. On the other hand, the utilization rate of offshore wind power is significantly reduced [50]. To guarantee the best possible grid support, recent grid codes require that HVDC converter stations maintain a steady operational connection to the grid during such PCC voltage situations. The FRT characteristics of the HVDC converter station enable the realization of this goal. This section specifically focuses on AC FRT schemes for OWFs connected to an onshore AC grid through the MMC-HVDC system. An extensive amount of research has been carried out to overcome the DC link overvoltage problem in the OWF MMC-HVDC system. The literature review suggests five main solutions for the fault ride through, which are described below.
4.1.1. Dissipation of Excessive Power
One of the techniques to solve the issue of the power imbalance between two converter stations and thus the DC link overvoltage problem is the dissipation of the excessive power through a dedicated circuit called an energy-diverting converter (EDC) or dynamic braking resistor (DBR), which is popularly known as a chopper. This FRT technique for the OWF MMC-HVDC system is based on a simple control strategy that is activated when the DC link voltage exceeds the setpoint. The chopper can be either a DC chopper or an AC chopper. The FRT scheme based on the implementation of a chopper has been well described in [51]. Figure 4 shows an OWF MMC-HVDC system with a DC chopper installed at the onshore DC side.
Figure 4.
MMC-HVDC system with a DC chopper [52].
The primary benefit of this technique is that it can maintain a steady DC voltage quickly. For example, a study performed on a ±580 kV, 850 MW MMC-HVDC system in [4] shows that when a fault at the onshore AC side occurs at t = 6.5 s, the active power at the onshore MMC1 converter station side becomes zero as shown in Figure 5b [4], while the active power supplied from the OWF through MMC2 remains unaffected. This active power from the OWF is dissipated in the DC chopper as shown in Figure 6 to avoid a power imbalance between the sending and receiving sides, thus keeping the DC link voltage within the safe limit quickly without affecting the WT output power. After the fault is cleared at t = 6.8 s, the DC link voltages return to the pre-fault value of 580 kV.
Figure 5.
(a) DC link voltages at MMC converter stations 1 and 2. (b) Active power at MMC converter stations 1 and 2 [4].
Figure 6.
Power dissipation at chopper [4].
Another benefit of this scheme is that the wind output power is uninterrupted; therefore, the mechanical stress on the wind turbines is reduced. However, it has certain disadvantages; the EDCs/DBRs are designed for the worst-case scenario, making it bulky and costly equipment; additionally, heat is produced when energy is lost through resistance. To mitigate these issues, the operation needs to be minimized because installing cooling devices comes with higher expenditures [53].
Due to the limited space on offshore platforms, an EDC/DBR at the offshore side is not installed; therefore, its installation at the onshore DC side is a viable solution for the OWF HVDC [9]. Since extra capital cost and the weight of the chopper have been considered the major drawbacks of this scheme. Therefore, some literary works suggest different modifications of DC choppers to make them cost-effective, such as integrated energy dissipation equipment (IEDE-MMC) combining the advantages of the MMC and chopper, which has been proposed in [54]. In reference [55], a low-cost DC chopper with a coupling transformer (CT-DCC) has been proposed. A detailed discussion of various topologies of DC choppers can be studied in [56].
4.1.2. Reduction of Offshore Wind Power
Apart from the surplus power dissipation method in DC/AC chopper resistance, the second method is the reduction of the surplus OWF power (Pwind) to match it with the onshore AC grid power (Pgrid) through direct communication between the onshore and offshore MMC converter stations by an optical fiber or wireless communication as shown in Figure 7. This method of FRT has been proposed in [57,58,59,60,61]. In this, the maximum transferable power at the receiving-end converter (REC) is calculated in the event of fault detection, and the result is communicated to the sending-end converter (SEC) via a communication link. The reduction factor may be computed using this result and the OWF output power. The WT receives this result and adjusts its output accordingly [40]. There are two major drawbacks of this communication-based power reduction method: First, if by any chance the communication cable fails to transfer the signal, it may cause a problem in riding through the fault. Second, it has inherent communication delays. Other power reduction methods in which communication can be avoided are (a) OWF’s AC voltage control or (b) OWF’s frequency control. Both are described below:
- OWF’s Power Reduction through AC Voltage Control: In this method, the DC link voltage is taken as a reference rather than taking the maximum transferrable power of the REC (as was the case for the communication-based power reduction method). In the occurrence of a fault at the onshore AC side, the DC link voltage exceeds the threshold value. This reduces the offshore AC grid’s voltage, which in turn causes a reduction in the active power. A local controller needs to be added at the MMC-HVDC converter station that proportionally decreases the AC voltage in response to the rise in the DC link voltage [62]:where is the magnitude of the OWF’s AC voltage, is the AC voltage magnitude reference, is the droop gain, is the DC voltage reference, and finally, is the actual DC voltage. Although the AC voltage reduction obviates the communication link and power reduction can quickly be achieved [62], this method causes mechanical stress on the WTG drivetrain and electrical stress on the IGBTs of converter stations [56].
- OWF’s Power Reduction through Frequency Control: Similar to the AC voltage control method, the DC link voltage is taken as a reference in this method. When a fault occurs on the onshore side, the offshore frequency is increased, which results in the power reduction. To achieve that, a local controller is added at the offshore MMC-HVDC converter station that proportionally increases the AC grid frequency in response to the rise in the DC link voltage [62]:where is the actual OWF’s frequency, is the reference value of the offshore frequency, and is the droop gain. For type I WTs, this is a natural response output power that is directly linked to the slip. However, for converter-based WTs, fast frequency control needs to be implemented, which reduces the output power with increased frequency [63].
Figure 7.
MMC-HVDC system with communication links [63].
Figure 7.
MMC-HVDC system with communication links [63].

Several studies have been performed based on these concepts. For example, achieving AC fault ride through in the case of bidirectional power flow in the OWF MMC-HVDC system with an offshore AC load has been proposed in [41,55]. The methods rely on the curtailment of the AC voltage of the offshore converter based on the DC current and voltage of the converter. In reference [64], an optimized AC fault ride through strategy merging the features of voltage margin control (discussed in Section 5.2) and indirect DC voltage control is proposed.
4.1.3. Storage of Excessive Power in a Flywheel
In addition to the above FRT techniques, the literature review suggests another technique of storing excessive power in case of fault occurrence. In such cases, excessive power is stored in energy storage devices (ESDs). Although there are several energy storage devices such as battery energy storage systems (BESS), capacitors, and super-capacitors, the flywheel energy storage devices (FESDs) are preferred. FESDs are identified as a crucial technology because of their good performance such as increased power density and high efficiency, and they can be employed in the correction of power conditioning, frequency regulations, and voltage sag. FESDs are used for two main purposes, which are power leveling and the storage of excessive power. They also have a higher energy density, charging and discharging cycles, and lifetime [65].
To control the DC link voltage under faults, and to deal with the issue of power fluctuations, ref. [66] proposes an energy control scheme based on a permanent magnet synchronous motor (PMSM)-based FESD for the PV-wind-MMC-HVDC. The energy control scheme serves three purposes: (a) control the DC link voltage in the occurrence of AC faults; (b) handle intermittency brought on by fluctuations in the generation of RESs; and (c) absorb excess energy during abrupt changes in load. The authors claim that the recommended approach removes the need for an EDC/DBR from the HVDC link without actively lowering the power of RESs during low-voltage faults. The effectiveness of the proposed FESD’s controller is tested for different faults. A scenario is considered in which line-line (L-L) fault occurs, causing PCC voltages to drop by 40% to 70%, and the transferred active power is reduced, which in turn causes DC link overvoltage in the HVDC transmission link. When the DC link voltage exceeds 1.1 P.U., a reference power command in power tracking mode for GSC is generated according to the proposed control scheme to keep the DC link voltage within the desired limit. It can be seen in Figure 8 [66] that the actual power transferred to the PMSM follows the reference power. Furthermore, the DC link voltage controller of the PMSM sends the DC link voltage error into the controlling current that causes an increase in the speed of the FESD from 0.562 P.U. to 0.568 P.U. as shown in Figure 8 [66].
Figure 8.
Power injected to PMSM and flywheel speed during L-L fault [66].
4.1.4. Coordination Between Converter Stations
Coordination between two converter stations is another technique to resolve the issue of the HVDC link overvoltage problem. In this method, the HVDC link voltages are continuously monitored and compared against the reference voltage level. Under normal conditions, the DC link voltages must be within the defined range. However, if any fault occurs, it causes the DC link voltages to rise, and converter stations become active to take further action. This has been proposed and implemented by taking the HVDC link voltages as the reference voltage level in [67,68,69,70]. A coordinated FRT control strategy for MMC-HVDC connected offshore wind farms based on the wind farm side MMC’s injection of sequence harmonics is proposed in [71]. A two-mechanism strategy is described to ride through the fault based on master and slave converter stations regulating the DC voltage and active power, respectively. The method is communication-free, uses local measurements for fault detection, and has been tested on 28 possible fault scenarios [72].
4.1.5. Storage of Excessive Energy in SM Capacitance
Apart from the aforementioned FRT techniques for onshore-side AC faults, the current research trend is to utilize the internal capacitance of MMC SMs to solve the DC link overvoltage issue by absorbing excessive energy when any fault occurs on the onshore side. Using this concept, a communication-free, additional-device-free energy optimization control scheme is proposed in [73], in which the MMC-HVDC system’s energy storage capacity has been utilized to store the excessive energy during the fault, taking into account the grid-forming and grid-following controls on the onshore MMC. The proposed FRT scheme has been tested on the RTDS simulation platform. Reference [18] proposes a multistage sequential network energy control strategy to ride through offshore AC asymmetrical faults. By using the parameters of the Shantou-Zhongpeng II (China) OWF project, active energy control (AEC) based on the decoupling of the sub-module capacitor voltage and DC voltage is proposed in [74] for AC FRT without any additional device such as a DC/AC chopper. Figure 9 [74] shows how AEC implementation affects the energy variation characteristics of the grid-side MMC (GSMMC) and wind farm-side MMC (WFMMC). Without AEC, the energy of the GSMMC rises rapidly when AC fault occurs. The converter station will be blocked when the sub-module (SM) voltage exceeds the threshold. However, with AEC, the grid-side MMC (GSMMC) receives the fault signal within 5 ms and thus starts the AEC process. With the fault duration of 100 ms, both the GSMMC and WFMMC energy reach a maximum value of 2.25 P.U. Therefore, the AEC scheme can aim for a time of around 100 ms under severe fault while suppressing the surplus power.
Figure 9.
(a) Three-phase to ground fault with AEC off. (b) Three-phase to ground fault with AEC on [74].
Similarly, by utilizing the internal energy of the MMC to control the surplus power in the DC link, a dynamic reactive current optimization (DRO)-based ACFRT scheme in which the GSMMC actively adjusts the active and reactive current command has been proposed in [75]. Combining the features of DRO and AEC and improving the deficiencies of [74], multi-mode matching approach is used in [76], where mode-I is responsible for active energy control consistent with [74], mode-II dynamic reactive current optimization activates only when the fault level is reduced, and finally, mode-III is energy coordinated synchronous (ECS), which coordinates between the GSMMC and WFMMC to absorb the maximum energy.
4.1.6. Valve-Side Fault
As described in Section 4.1, onshore AC faults are categorized into grid-side AC faults and valve-side AC faults. For the valve-side AC fault, ref. [44] has investigated how the valve-side faults spread from the onshore converter stations to OWFs through the HVDC link and offshore converter station. The authors have also proposed a strategy that is based on zero sequence voltage modulation to suppress the DC link overvoltage. Mathematical analysis of MMC valve-side AC faults is studied in [77,78]. The theoretical analysis of MMC valve-side single line-to-ground (SLG) faults is given in references [79,80]. Per the literature review, valve-side faults have not received much attention from researchers.
4.2. Fault at Offshore Side
When an offshore AC fault occurs, a sudden reduction in voltage might cause overcurrent in offshore HVDC converter stations. To restrict the fault current, various studies have been performed, such as in [81], where the current-voltage droop approach is proposed to modify the output voltage reference based on offshore three-phase current measurements. The control and operation systems during asymmetrical offshore AC faults are problematic for HVDC-connected OWFs due to MMC performance issues such as output current distortions, DC link voltage, and oscillations in output power. Compared to onshore AC faults, offshore AC faults have received significantly less attention from researchers. Table 2 presents a summary of the FRT strategies used for OWF MMC-HVDC systems.
Table 2.
Summary of FRT strategies.
4.3. Economic and Size Challenges of FRT
Although the use of energy storage systems (ESSs) and DC choppers does not need any modifications in OWFs for FRT applications in offshore wind farms (OWFs), several criticisms have emerged in the literature regarding their cost, weight, and size. Furthermore, economic constraints pose significant challenges. The placement of ESDs and choppers at offshore locations can lead to bulky offshore converter stations, which complicates logistics and design. In addition to the initial capital expenditure, ongoing costs such as installation, operation, and maintenance—particularly for FESDs—further contribute to the overall economic burden. For example, the cost of ESD can be categorized in ESD cost, which is the cost per unit power output (USD/kW) and cost per unit energy stored (USD/kWh) and some additional cost for power conditioning units (power converters), construction, and operational maintenance costs. Overall, the cost can be calculated as follows [65]:
A represents the cost per unit power output (USD/kW), B is the cost per unit energy stored (USD/kWh), and Csc is the additional system costs (USD). Given the logistic and shipping challenge of choppers, the current research trend is to install the chopper on the DC side of the onshore converter station. This strategy not only alleviates the space and weight concerns associated with offshore installations but also streamlines the offshore converter platform, making it more manageable and cost-effective. Furthermore, low-cost choppers with fewer components are also being proposed.
5. Control Schemes for OWF MMC-HVDC Systems
The integration of OWFs in grids is a challenging mission that requires enhanced control schemes to maintain the safe operation of the system that originates from offshore site to onshore grid. There are two general approaches that have been broadly used on the converter stations [91]: Approach 1 involves controlling the active (P) and reactive power (Q) in the wind farm converter station, as well as the DC voltage (Vdc) and Q in the grid converter. On the contrary, in approach 2, the P and AC voltage (Vac) are controlled in the wind farm converter, while Vdc and Q are controlled at the grid side converter. Approach 2 is determined to be more appropriate, resulting in smaller oscillations of P, Q, and Vac during a fault. However, for the integration of OWFs to the onshore grid, it is preferable to use AC voltage control rather than reactive power regulation [91]. The control and operation of the MMC-HVDC system with OWFs has been well described in [92,93]. Regarding the control of P and Vdc in OWFs MMC-HVDC systems, typically two main control techniques are used: master-slave control and droop control. However, there is a third control strategy called voltage margin that is also being given much attention in the literature. The section below describes all three control approaches.
5.1. Master-Slave Control
In this control strategy, one converter station serves as the master with constant DC voltage control, while the other converters serve as slaves with constant active power control, while reactive power can be regulated independently on both AC side converters [66]. The fundamental disadvantage of this control technique is that the failure of the master converter causes an abrupt outage in the entire power network, leading to compromised DC voltage control in this strategy [94]. Furthermore, this control approach involves connecting the master converter to a stiff AC grid to quickly condition the DC grids and prevent negative effects on the AC side [95].
5.2. Voltage Margin Control
This control approach is an extended form of the master-slave strategy [95]. This control method primarily employs a DC voltage controller with an output limiter. To avoid overcurrent in converter valves, a limiter is employed to restrict the reference d-axis current to an upper and lower value. Thus, the converter’s active power is limited to a specific range. It is important to note that the DC voltage controller can maintain a constant DC voltage within predefined limits if the active power flowing through the converter is within the defined limit [96]. Furthermore, the converter cannot control the DC voltage if the active power exceeds its limits. Thus, if during the rectification mode, the active power exceeds +Pmax (refer to Figure 10), the DC voltage decreases as the converter reaches its maximum power rating. However, if during the inversion mode, the power exceeds −Pmin, the DC voltage will rise since the converter cannot remove enough energy from the system. When the converter’s active power reaches the lower limit, the controller loses control over the DC voltage. Even if the active power remains constant, the DC voltage rises from the 2–1 line. When the converter’s active power reaches its upper limit, it loses control of the DC voltage, causing it to drop down the 4–5 line [97]. Therefore, choosing the right voltage margin is crucial. A small margin can cause unwanted displacement of the main power converter, while a large margin can result in the under-utilization of the HVDC system capacity [98]. This control strategy has been used in [64,70,99] for fault ride through in point-to-point HVDC systems. This control approach is unstable, as in master-slave control, where the failure of the master converter causes fluctuations in the DC voltage.
Figure 10.
DC bus voltage vs. power characteristic of the DC voltage controller [96].
5.3. Voltage Droop Control
In contrast to master-slave and voltage margin control, which are centralized, droop control is a decentralized control approach [100]. Therefore, this approach avoids the need for the dependency of the DC voltage control on one converter station. The basic principle is that this control strategy enables multiple offshore wind farms (each connected to an MMC-HVDC system) to share active power generation proportionally to their capacity. Converter stations with higher droop contribute more to DC voltage control, therefore resulting in a lesser power share. By using local information without quick transmission, this technique forces every converter station to take part in the imbalanced power burden-sharing program and reduce DC voltage variation at the same time [101]. As a result, droop control is being used in the VSC-MTDC system more and more, especially in cases when communication is poor [102]. Despite their widespread use nowadays in HVDC systems, they have two intrinsic limitations, which limit their use in actual projects. The first issue is that this technique cannot accurately control the active power of each converter station, which is not convenient for the dispatch department. The second is that the DC voltage will fluctuate if it is under droop control, resulting in active power fluctuation throughout the hybrid DC system [103]. The above-mentioned control strategies are termed as low-level control strategies in [95].
5.4. Grid-Following (GFL) and Grid-Forming (GFM) Control
Based on the control characteristics, inverter-based resources (IBRs) can be categorized into GFL and GFM controls. In recent literary works, GFM control strategies have been given much attention for integration of OWFs. GFM control, traditionally known as voltage-injecting control, is the ability of a power source such as OWFs to maintain the voltage and frequency even if no stiff AC grid is available. In GFM control, the OWF acts as an independent voltage source with low series impedance; thus, OWFs can operate in islanded mode. It is expected that they will help stabilize the grid even when no synchronous generator is available. The current grid codes require that in the case of any fault, the power electronic-based OWFs not only ride through the fault but also support the onshore AC grid in restoring the system to normal operating conditions [104], which is generally known as the black-start capability of OWFs. This grid code requirement can be fulfilled with GFM control as it does not depend on external grids. However, the GFM control strategies are complicated to implement, and much research is needed for their implementation in the integration of OWFs. On the other hand, GFL, traditionally known as a current-injecting control, is the ability of power systems such as OWFs to maintain their voltage and frequency with an onshore AC grid. This is generally represented as a current source with a high parallel impedance. Since in this control, OWFs rely on the onshore AC grid or external voltage source and synchronism is performed using a phase-locked loop (PLL), the islanded mode of operation is not supported when the onshore AC grid or external voltage source is unavailable. However, this control is less complicated than GFM control. A dual GFM control has been proposed in [105] for both the onshore and offshore MMC converter stations by utilizing the energy-storing capability of MMCs. Reference [106] describes the implementation of four GFM controls for the black-start by HVDC-connected OWFs. A GFM control strategy that provides inertial support and controls the DC link voltage for OWF integration in the MMC-HVDC system has been proposed in [107] by utilizing the internal energy of SM capacitors of the MMC to replace the swing equation required for the virtual synchronous generator (VSG) control. A more detailed discussion of GFM and GFL controls can be studied in [104].
6. Stability Analysis of OWF Integration in MMC-HVDC Systems
As countries around the world increase their power production from OWFs, their integration into electrical power systems is also expanding. This rise has prompted researchers in this field to raise concerns about stability issues such as voltage stability, angle stability, frequency stability, and transient stability. These stability issues in integrating OWFs can occur due to any uncertain events on either the OWF side or the grid side. In recent years, several stability-related incidents have been reported in different countries. One such recent example involving an OWF occurred in August 2019 in England where a lightning strike caused a stability problem, which resulted in the wind farm being disconnected [108]. To understand these concepts, this section briefly conducts a stability analysis of OWFs, covering both small signal and large disturbance stability.
The electrical power system is inherently a complex system consisting of a power transformer, synchronous generators, switch gears, and loads, with complex stability and control techniques. The integration of OWFs further complicates the system by introducing additional stability issues. OWFs that utilize MMC-HVDC systems have many power electronic converters such as wind farm converters, MMCs, and controllers. Interactions among these converters, or any uncertainty such as fault or disturbance at the wind turbine or grid side, can lead to system instability [109]. This instability affects the entire system from generation to load. As more wind farms are connected, managing the dynamic characteristics of electric grids becomes increasingly complicated [110]. This is due to the irregular nature of wind energy, which can change rapidly and affects the stability of the entire electric grid system.
6.1. Small Signal Stability Analysis
It refers to the state of the system when it is subject to any small disturbance and determines if the system returns to stable operation after the small disturbance. It is also called small disturbance stability. The small disturbance stability is of great concern because of the growth of VSC-HVDC systems. The outer controller of the VSC-HVDC system has a bandwidth of 1–20 Hz. As a result, these controllers would affect the host AC system’s electromechanical behavior. Small signal instability could be caused by a point-to-point VSC-HVDC link’s poorly tuned control parameters [111]. By performing small signal stability analysis, the intrinsic dynamics of the system can be obtained, which can be utilized to adjust/tune the controller in order to maintain stable system performance [112]. To evaluate the small disturbance stability of the RES integration into power grids, generally, two approaches, namely, eigenvalue-based analysis and impedance-based analysis, are commonly used [113].
6.1.1. Eigenvalue-Based Analysis
A stability study at a small disturbance level typically involves state-space models for eigenvalue-based analysis. In this analysis, the system is represented by its state space matrix. The state matrix’s eigenvalues can further be used to examine changes in the power system’s operation [114]. Once the eigenvalue-based small signal analysis is performed, the control schemes can be designed accordingly to mitigate the adverse stability issues. Several studies have been conducted to assess the state space-based small signal stability analysis of MMC-HVDC systems integrated with OWFs. For example, in [115], a state space modeling of an OWF MMC-HVDC system is performed for eigenvalue-based stability, and it has been demonstrated that the internal dynamics of the MMC (such as the capacitor voltage ripple and circulating currents) can lead to instability. Reference [109] presents a small signal model of a PMSG-based wind farm using an MMC-HVDC system. The total system’s eigenvalues are investigated, and it is concluded that as the wind farm output power increases, the system exhibits sub-synchronous oscillation (SSO), low frequency oscillation, and weak damped oscillation modes. It is also demonstrated that the implementation of circulating current suppression control (CCSC) can efficiently reduce oscillation instability and improve weak damping modes. The state-space model is sometimes criticized for its limited scalability [116]. In contrast, impedance modeling makes scaling much easier.
6.1.2. Impedance-Based Analysis
Impedance-based analysis is another method to evaluate the small signal stability analysis of RES-dominated electric power grids. This method breaks the system into subsystems and models their impedance separately. Then, the interconnected system’s stability is determined using an impedance-based Nyquist stability criterion that not only determines the system stability but also predicts the resonant frequency and margin [117]. In this regard, an impedance model of a PMSG-based wind farm with an MMC-HVDC link was studied in [113] including the machine-side dynamics. The AC-side small signal impedance model of an MMC based on multi-harmonic linearization is developed in [118], and the stability of the MMC-HVDC for DFIG-based wind farm integration under small disturbances using an impedance model has been analyzed. It is concluded that the intersection of the amplitudes of the MMC and WF impedances around the fundamental frequency leads to instability. The fundamental limitation of this stability analysis is that it only considers the stability of one single point at a time. Therefore, even if the analysis can estimate steady operation at one point, it may find instability at another point. Therefore, for offshore wind applications, where a large number of wind power plants are connected, it is very necessary that the impedance-based stability analysis considers the stability of all of the buses [7].
6.2. Large Disturbance Stability Analysis
This stability analysis determines the system’s response when a large disturbance occurs. In other words, it determines if power grids maintain synchronism when the system faces a large disturbance due to factors such as a change in wind speed, OWF energizing, severe faults, reduced inertia, wind generator kick-in after repair, or cable breakdown [36]. Figure 11 shows the loss of synchronism (LOS) during a severe symmetrical fault. It is evident that during the fault, reactive current support is given priority as seen from the injected currents observed from the phase locked loop (PLL). Low frequency oscillations are noticed when the injected currents are referenced to the PCC voltage’s active phase angle. This causes the PCC voltages to be distorted and eventually collapse in voltage. From this example, it is evident that when a system experiences large disturbances, it is necessary to conduct a large disturbance analysis as the small signal model-based stability analysis becomes invalid as it fails to characterize the power system’s synchronism dynamics. In large disturbance stability analysis, a rigorous model-based electro-magnetic transient (EMT) simulation is typically undertaken to ensure stability [7]. In this regard, an EMT model of a 2 GW offshore network has been proposed in [119] that links four OWFs to two onshore systems via two MMC-HVDC transmission systems, and direct voltage control (DVC) is implemented to mitigate the stability issues. The proposed model is validated on PSCAD under different fault scenarios. The frequency control strategy has been proposed and tested on a reduced equivalent Electric Reliability Council of Texas (ERCOT) system under severe disturbances in [120]. The loss of synchronism (LOS) mechanism of the OWF MMC-HVDC system has been examined in [121], and the stability index based on the Lyapunov function is proposed to quantify the transient synchronization stability (TSS) of the system. It is shown that an effective way to enhance transient stability is to inject reactive current.
Figure 11.
LOS mechanism during a severe symmetrical grid fault. (a) Unstable PLL frequency, (b) DQ-axis currents relative to the PLL phase angle, (c) DQ-axis currents relative to the actual phase angle of the PCC voltage, and (d) three-phase voltage at the PCC [122].
7. Future Research Trends and Recommendations
As the world is focusing more on integrating offshore wind energy using MMC-HVDC transmission systems, the reliability and resilience of electrical power systems are the major areas of concern. Therefore, it is of utmost importance to adopt advanced control techniques that can help improve the system’s ability to stay connected even when a fault occurs. This requires a thorough investigation of the FRT techniques of the MMC-HVDC system. This paper has attempted to present the current AC FRT schemes being proposed by the researchers. Per the literature review, future trends can be categorized into four major sections: First, regarding the development of advanced control techniques, to enhance the FRT capability of OWF MMC-HVDC systems, communication-based and communication-free control techniques are being proposed. As mentioned earlier in Section 4.1.2, communication-based FRT techniques come with the two major drawbacks of inherent communication delay and reliability; therefore, there is meager attention being given to these communication-based FRT schemes in the literature. In response, future trends are moving more towards adopting advanced control techniques that are communication-free. However, the communication-free algorithms are in the developing stage and are not mature enough. Therefore, this needs a thorough investigation before their implementation in the integration of OWF MMC-HVDC systems. Second, the integration of FESDs is another growing area to ride through the fault in the MMC-HVDC system. They can help improve the system’s stability, provide quick power support, and mitigate the effect of faults. However, for its implementation, a cost perspective should be considered. To effectively ride through the fault, precise fault detection and isolation is another growing aspect in the integration of OWFs in the MMC-HVDC system. In this regard, several works aiming to improve the sensor technology and monitoring systems are being explored. Moreover, deep learning methods are also being developed to separate the critical and non-critical faults and thus isolate the faulty parts of the systems. Finally, the converter’s weight and cost are major hindrances in HVDC transmission. The provision of fault blocking capability by the converter is another aspect. In this respect, there are various other converter topologies such as a combination of LCC and VSC (hybrid HVDC) and DR-HVDC that are being explored.
8. Conclusions
In the global efforts to decarbonize the planet, resolve global warming issues, and remove the negative effects of fossil fuel-based energy sources, world countries are shifting their priorities from fossil-based to renewable energy sources. Wind energy, particularly offshore wind energy, has emerged as a greener, environmentally friendly, and viable renewable energy source. Per the literature review, HVDC transmission systems have several advantages over HVAC transmission. Out of LCC and VSC converter topologies, VSC, specifically MMC, is a preferred choice for HVDC transmission due to several reasons. However, the integration of OWFs into traditional AC grids is a challenging task as any fault, anywhere in the system, either at the onshore AC side, offshore AC side, or the HVDC link, results in various negative consequences and may lead to reliability issues. Therefore, it is of great importance that advanced FRT and control techniques be investigated. This review article attempted to present an overview of recent AC FRT techniques for OWF MMC-HVDC systems. This article first summarizes the current trend in the converter topologies for the integration of OWFs such as hybrid HVDC and DR-HVDC. An in-depth comparison among LCC, VSC, and MMC converter topologies has also been presented. Furthermore, various wind turbine generator topologies have been summarized. This paper then presents in detail the five major FRT techniques for OWF MMC-HVDC systems. The stability analysis and control techniques for the integration of OWFs is presented, followed by a discussion on research trends in the field.
Author Contributions
Conceptualization, D.K. and W.S.; methodology, D.K.; software, D.K.; validation, D.K. and W.S.; investigation, D.K. and W.S.; resources, W.S.; data curation, D.K. and N.R.; writing—original draft preparation, D.K.; writing—review and editing, D.K. and N.R.; visualization, D.K.; supervision, W.S. All authors have read and agreed to the published version of the manuscript.
Funding
This research received no external funding.
Data Availability Statement
Not applicable.
Conflicts of Interest
The authors declare no conflicts of interest.
Abbreviations
The following abbreviations are used in this article:
| MMC | Modular Multilevel Converter |
| HVDC | High-voltage Direct Current |
| HVAC | High-voltage Alternating Current |
| OWF | Offshore Wind Farm |
| LCC | Line-commutated Converter |
| VSC | Voltage Source Converter |
| VSG | Virtual Synchronous Generator |
| FRT | Fault Ride Through |
| RES | Renewable Energy Source |
| PMSG | Permanent Magnet Synchronous Generator |
| WRIG | Wound Rotor Induction Generator |
| DFIG | Doubly-fed Induction Generator |
| B2B | Back to Back |
| CSC | Current Source Converter |
| LOS | Loss of Synchronism |
| IBR | Inverter-based Resource |
| GFM | Grid Forming |
| GFL | Grid Following |
| WT | Wind Turbine |
References
- Teske, S.; Pregger, T.; Simon, S.; Naegler, T.; Pagenkopf, J.; Deniz, Ö.; van den Adel, B.; Dooley, K.; Meinshausen, M. It is still possible to achieve the paris climate agreement: Regional, sectoral, and land-use pathways. Energies 2021, 14, 2103. [Google Scholar] [CrossRef]
- Kumar, G.V.B.; Sarojini, R.K.; Palanisamy, K.; Padmanaban, S.; Holm-Nielsen, J.B. Large scale renewable energy integration: Issues and solutions. Energies 2019, 12, 1996. [Google Scholar] [CrossRef]
- Renewables 2023—Analysis—IEA. Available online: https://www.iea.org/reports/renewables-2023 (accessed on 8 June 2024).
- Soomro, J.B.; Kumar, D.; Chachar, F.A.; Isik, S.; Alharbi, M. An Enhanced AC Fault Ride through Scheme for Offshore Wind-Based MMC-HVDC System. Sustainability 2023, 15, 8922. [Google Scholar] [CrossRef]
- Ørsted. Making Green Energy Affordable at Ørsted, Our Vision Is a World That Runs Entirely on Green Energy. 2018. Available online: https://orsted.com/-/media/www/docs/corp/com/explore/making-green-energy-affordable-june-2019.pdf (accessed on 15 April 2024).
- GWC. Global Wind Report. 2024. Available online: https://gwec.net/global-wind-report-2024/ (accessed on 20 July 2024).
- Wu, D.; Seo, G.-S.; Xu, L.; Su, C.; Kocewiak, L.; Sun, Y.; Qin, Z. Grid Integration of Offshore Wind Power: Standards, Control, Power Quality and Transmission. IEEE Open J. Power Electron. 2024, 5, 583–604. [Google Scholar] [CrossRef]
- Ryndzionek, R.; Sienkiewicz, Ł. Evolution of the HVDC link connecting offshore wind farms to onshore power systems. Energies 2020, 13, 1914. [Google Scholar] [CrossRef]
- Deng, J.; Cheng, F.; Yao, L.; Xu, J.; Mao, B.; Li, X.; Chen, R. A review of system topologies, key operation and control technologies for offshore wind power transmission based on HVDC. IET Gener. Transm. Distrib. 2023, 17, 3345–3363. [Google Scholar] [CrossRef]
- Keindorf, C. Offshore Wind Energy. Green Energy Technol. 2023, F670, 491–563. [Google Scholar] [CrossRef]
- Fernández-Guillamón, A.; Sarasúa, J.I.; Chazarra, M.; Vigueras-Rodríguez, A.; Fernández-Muñoz, D.; Molina-García, Á. Frequency control analysis based on unit commitment schemes with high wind power integration: A Spanish isolated power system case study. Int. J. Electr. Power Energy Syst. 2020, 121, 106044. [Google Scholar] [CrossRef]
- Liang, X.; Abbasipour, M. HVDC Transmission and Its Potential Application in Remote Communities: A Review. In Proceedings of the 2021 IEEE Industry Applications Society Annual Meeting (IAS), Vancouver, BC, Canada, 10–14 October 2021; pp. 1706–1719. [Google Scholar] [CrossRef]
- Imdadullah; Alamri, B.; Hossain, A.; Asghar, M.S.J. Electric power network interconnection: A review on current status, future prospects and research direction. Electronics 2021, 10, 2179. [Google Scholar] [CrossRef]
- Alassi, A.; Bañales, S.; Ellabban, O.; Adam, G.; MacIver, C. HVDC Transmission: Technology Review, Market Trends and Future Outlook. Renew. Sustain. Energy Rev. 2019, 112, 530–554. [Google Scholar] [CrossRef]
- Rehman, B.; Rehman, A.; Khan, W.A.; Sami, I. Applied sciences Operation and Challenges of Multi-Infeed LCC—HVDC System: Commutation Failure, AC/DC Power Flow, and Voltage Stability. Appl. Sci. 2021, 11, 8637. [Google Scholar] [CrossRef]
- Watson, N.R.; Watson, J.D. An overview of HVDC technology. Energies 2020, 13, 4342. [Google Scholar] [CrossRef]
- Ludin, G.A.; Nakadomari, A.; Yona, A.; Mikkili, S.; Rangarajan, S.S.; Collins, E.R.; Senjyu, T. Technical and Economic Analysis of an HVDC Transmission System for Renewable Energy Connection in Afghanistan. Sustainability 2022, 14, 1468. [Google Scholar] [CrossRef]
- Zhao, H.; Zhou, H.; Yao, W.; Zong, Q.; Wen, J. Multi-Stage Sequential Network Energy Control for offshore AC asymmetric fault ride-through of MMC-HVDC system integrated offshore wind farms. Int. J. Electr. Power Energy Syst. 2023, 151, 109180. [Google Scholar] [CrossRef]
- Zhang, W.; Chen, L.; Wei, X.; Qi, L.; Ji, K.; Gao, C.; He, Z. Improved Control Strategy of Current-source- Converter for HVDC System application. CSEE J. Power Energy Syst. 2022, 1–11. [Google Scholar] [CrossRef]
- Xiao, H.; Sun, K.; Pan, J.; Li, Y.; Liu, Y. Review of hybrid HVDC systems combining line communicated converter and voltage source converter. Int. J. Electr. Power Energy Syst. 2021, 129, 106713. [Google Scholar] [CrossRef]
- Xiao, H.; Sun, K.; Pan, J.; Xiao, L.; Gan, C.; Liu, Y. International Journal of Electrical Power and Energy Systems Coordinated frequency regulation among asynchronous AC grids with an MTDC system. Int. J. Electr. Power Energy Syst. 2020, 126, 106604. [Google Scholar] [CrossRef]
- Garciarivas, R.S.; Gonzalez, D.R.; Navarro, J.A.; Soriano, L.A.; Rubio, J.D.J.; Gomez, M.V.; Garcia, V.; Pacheco, J. Vsc-hvdc and its applications for black start restoration processes. Appl. Sci. 2021, 11, 5648. [Google Scholar] [CrossRef]
- Guo, D. Modelling of MMC-HVDC System for EMT Study. 2020. Available online: https://stax.strath.ac.uk/concern/parent/v405s938k/file_sets/9z9030184 (accessed on 25 April 2024).
- Perez, M.A.; Ceballos, S.; Konstantinou, G.; Pou, J.; Aguilera, R.P. Modular Multilevel Converters: Recent Achievements and Challenges. IEEE Open J. Ind. Electron. Soc. 2021, 2, 224–239. [Google Scholar] [CrossRef]
- Zhu, J.; Booth, C. Future multi-terminal HVDC transmission systems using voltage source converters. In Proceedings of the 45th International Universities Power Engineering Conference UPEC2010, Cardiff, UK, 31 August–3 September 2010; pp. 1–6. [Google Scholar]
- Rao, H.; Zhou, Y.; Zou, C.; Xu, S.; Li, Y.; Yang, L.; Huang, W. Design aspects of hybrid HVDC system. CSEE J. Power Energy Syst. 2020, 7, 644–653. [Google Scholar] [CrossRef]
- Xu, L.; Member, S.; Yao, L.; Sasse, C. Grid Integration of Large DFIG-Based Wind Farms Using VSC Transmission. IEEE Trans. Power Syst. 2007, 22, 976–984. [Google Scholar] [CrossRef]
- Li, G.; Liang, J. Modular Multilevel Converters: Recent Applications [History]. IEEE Electrif. Mag. 2022, 10, 85–92. [Google Scholar] [CrossRef]
- Tian, Y.; Wickramasinghe, H.R.; Li, Z.; Pou, J.; Konstantinou, G. Review, Classification and Loss Comparison of Modular Multilevel Converter Submodules for HVDC Applications. Energies 2022, 15, 1985. [Google Scholar] [CrossRef]
- Xiao, H.; Gan, H.; Huang, Y.; Cai, Z. Capacitor Voltage Ripple Control Strategy of Lightweight Modular Multilevel Converter for Offshore Wind Power Transmission. IEEE Trans. Ind. Appl. 2024, 60, 5398–5406. [Google Scholar] [CrossRef]
- Li, G.; An, T.; Liang, J.; Liu, W.; Joseph, T.; Lu, J.; Szechtman, M.; Andersen, B.R.; Lan, Y. Power reversal strategies for hybrid LCC/MMC HVDC systems. CSEE J. Power Energy Syst. 2020, 6, 203–212. [Google Scholar] [CrossRef]
- Ramachandran, R. Control and Power Management of an Offshore Wind Power Plant with a Diode Rectifier Based HVDC Transmission. Available online: https://l2ep.univ-lille.fr/pagesperso/francois/These_Ragavendran_RAMACHANDRAN.pdf (accessed on 18 July 2023).
- Carrasco, J.M.; Galván, E.; Portillo, R. Wind Turbine Applications, 3rd ed.; Elsevier Inc.: Amsterdam, The Netherlands, 2010. [Google Scholar] [CrossRef]
- Jin, X.; Ju, W.; Zhang, Z.; Guo, L.; Yang, X. System safety analysis of large wind turbines. Renew. Sustain. Energy Rev. 2016, 56, 1293–1307. [Google Scholar] [CrossRef]
- García-Sánchez, T.; Muñoz-Benavente, I.; Gómez-Lázaro, E.; Fernández-Guillamón, A. Modelling types 1 and 2 wind turbines based on IEC 61400-27-1: Transient response under voltage dips. Energies 2020, 13, 4078. [Google Scholar] [CrossRef]
- Ali, S.W.; Sadiq, M.; Terriche, Y.; Naqvi, S.A.R.; Hoang, L.Q.N.; Mutarraf, M.U.; Hassan, M.A.; Yang, G.; Su, C.-L.; Guerrero, J.M. Offshore Wind Farm-Grid Integration: A Review on Infrastructure, Challenges, and Grid Solutions. IEEE Access 2021, 9, 102811–102827. [Google Scholar] [CrossRef]
- Davidson, I.E.; Amaambo, N.K. Comparative Analysis of Wind Turbine Technologies for Harsh Environments. In Proceedings of the 13th International Workshop on Large-Scale Integration of Wind Power into Power Systems as well as on Transmission Networks for Offshore Wind Power Plants, Berlin, Germany, 11–13 November 2014; pp. 1–7. [Google Scholar]
- Lamsal, D.; Sreeram, V.; Mishra, Y.; Kumar, D. Output power smoothing control approaches for wind and photovoltaic generation systems: A review. Renew. Sustain. Energy Rev. 2019, 113, 109245. [Google Scholar] [CrossRef]
- Walling, R.A.; Gursoy, E.; English, B. Current contributions from Type 3 and Type 4 wind turbine generators during faults. In Proceedings of the IEEE/PES Transmission and Distribution Conference and Exposition (T&D), Orlando, FL, USA, 7–10 May 2012; pp. 1–6. [Google Scholar] [CrossRef]
- Wang, C. Control, Stability Analysis and Grid Integration of Wind Turbines. Ph.D. Thesis, Imperial College, London, UK, 2008. [Google Scholar]
- Honrubia-Escribano, A.; Jiménez-Buendía, F.; Sosa-Avendaño, J.L.; Gartmann, P.; Frahm, S.; Fortmann, J.; Sørensen, P.E.; Gómez-Lázaro, E. Fault-ride trough validation of IEC 61400-27-1 type 3 and type 4 models of different wind turbine manufacturers. Energies 2019, 12, 3039. [Google Scholar] [CrossRef]
- Mansouri, A.; El Magri, A.; Lajouad, R.; El Myasse, I.; Younes, E.K.; Giri, F. Wind energy based conversion topologies and maximum power point tracking: A comprehensive review and analysis. e-Prime—Adv. Electr. Eng. Electron. Energy 2023, 6, 100351. [Google Scholar] [CrossRef]
- Zeng, Y.; Zou, G.; Zhang, X.; Wei, X.; Jiang, L.; Sun, C. Faulty feeder selection and segment location method for SPTG fault in radial MMC-MVDC distribution grid. IET Gener. Transm. Distrib. 2020, 14, 223–233. [Google Scholar] [CrossRef]
- Zhou, H.; Yao, W.; Sun, K.; Ai, X.; Wen, J.; Cheng, S. Characteristic Investigation and Overvoltage Suppression of MMC-HVDC Integrated Offshore Wind Farms under Onshore Valve-Side SPG Fault. IEEE Trans. Power Syst. 2024, 39, 1346–1359. [Google Scholar] [CrossRef]
- Liu, W.; Li, G.; Liang, J.; Ugalde-Loo, C.E.; Li, C.; Guillaud, X. Protection of single-phase fault at the transformer valve side of FB-MMC-based bipolar HVdc systems. IEEE Trans. Ind. Electron. 2020, 67, 8416–8427. [Google Scholar] [CrossRef]
- Krneta, N.; Sano, K. AC Fault Ride-Through Method of HVDC Interconnector for Islanded AC Grid with Offshore Wind Farm and Loads. IEEE Access 2024, 12, 62099–62106. [Google Scholar] [CrossRef]
- Badar, J.; Akhtar, F.; Kumar, D.; Munir, H.M.; Ali, K.H.; Alsaif, F.; Alsulamy, S. An MMC based HVDC system with optimized AC fault ride-through capability and enhanced circulating current suppression control. Front. Energy 2023, 11, 1190975. [Google Scholar] [CrossRef]
- Cui, S.; Lee, H.J.; Jung, J.J.; Lee, Y.; Sul, S.K. A Comprehensive AC-Side Single-Line-to-Ground Fault Ride Through Strategy of an MMC-Based HVDC System. IEEE J. Emerg. Sel. Top. Power Electron. 2018, 6, 1021–1031. [Google Scholar] [CrossRef]
- Guo, Y. Enhanced Voltage Control of VSC-HVDC-Connected Offshore Wind Farms Based on Model Predictive Control. IEEE Trans. Sustain. Energy 2018, 9, 474–487. [Google Scholar] [CrossRef]
- Zhou, H.; Yao, W.; Sun, K.; Zhao, H.; Zong, Q.; Wen, J. Two-Level Suppressing Controller of Offshore DC Overvoltage Using Zero-Sequence Voltage. IEEE Trans. Power Deliv. 2023, 38, 3991–4003. [Google Scholar] [CrossRef]
- Wu, S.; Qi, L.; Jin, M.; He, Z.; Zhang, X. An MMC With Integrated Energy Dissipation Function Using Thyristor-Based Chopper Modules for the Offshore Wind VSC-HVDC System. IEEE Trans. Power Electron. 2024, 39, 1609–1623. [Google Scholar] [CrossRef]
- Chaudhary, S.K.; Teodorescu, R.; Rodriguez, P.; Kjær, P.C. Chopper controlled resistors in VSC-HVDC transmission for WPP with full-scale converters. In Proceedings of the 2009 IEEE PES/IAS Conference on Sustainable Alternative Energy (SAE), Valencia, Spain, 28–30 September 2009; pp. 1–8. [Google Scholar] [CrossRef]
- Thesis, A. Control Strategies of MMC-HVDC Connected to Large Offshore Wind Farms for Improving Fault Ride-Through Capability. Master’s Thesis, University of Minnesota, Saint Paul, MN, USA, 2020. [Google Scholar]
- Wu, S.; Qi, L.; Jia, W.; Zhu, Y.; Zhang, X.; Guo, X.; Pan, X. A Modular Multilevel Converter with Integrated Energy Dissipation Equipment for Offshore Wind VSC-HVDC System. IEEE Trans. Sustain. Energy 2022, 13, 353–362. [Google Scholar] [CrossRef]
- Qi, L.; Wu, S.; Zhang, X.; Zhang, M.; Liu, C.; Wang, H.; Wu, L. A Low-Cost DC Chopper with Coupling Transformer for Offshore Wind VSC-HVdc System. IEEE Trans. Power Electron. 2022, 37, 4979–4984. [Google Scholar] [CrossRef]
- Xu, B.; Gao, C.; Zhang, J.; Yang, J.; Xia, B.; He, Z. A Novel DC Chopper Topology for VSC-Based Offshore Wind Farm Connection. IEEE Trans. Power Electron. 2021, 36, 3017–3027. [Google Scholar] [CrossRef]
- Giddani, O.A.; Adam, G.P.; Anaya-Lara, O.; Burt, G.; Lo, K.L. Control strategies of VSC-HVDC transmission system for wind power integration to meet GB Grid Code requirements. In Proceedings of the 2010 International Symposium on Power Electronics, Electrical Drives, Automation and Motion (SPEEDAM 2010), Pisa, Italy, 14–16 June 2010; pp. 385–390. [Google Scholar] [CrossRef]
- Kirakosyan, A.; El Moursi, M.S.; Khadkikar, V. Fault ride through and grid support topology for the VSC-HVDC connected offshore wind farms. IEEE Trans. Power Deliv. 2017, 32, 1592–1604. [Google Scholar] [CrossRef]
- Pinto, R.T.; Bauer, P.; Rodrigues, S.F.; Wiggelinkhuizen, E.J.; Pierik, J.; Ferreira, B. A Novel Distributed Direct-Voltage Control Strategy for Grid Integration of Offshore Wind Energy Systems through MTDC Network. IEEE Trans. Ind. Electron. 2011, 60, 2429–2441. [Google Scholar] [CrossRef]
- Adam, G.P.; Ahmed, K.H.; Finney, S.J.; Williams, B.W. AC fault ride-through capability of a VSC-HVDC transmission systems. In Proceedings of the IEEE Energy Conversion Congress and Exposition (ECCE), Atlanta, GA, USA, 12–16 September 2010; pp. 3739–3745. [Google Scholar] [CrossRef]
- Krneta, N. Low-Voltage Ride-Through Method of the HVDC Transmission System for Feeding Islanded Offshore AC Loads. In Proceedings of the 2023 IEEE Energy Conversion Congress and Exposition (ECCE), Nashville, TN, USA, 29 October–2 November 2023; pp. 698–703. [Google Scholar] [CrossRef]
- Silva, B.; Moreira, C.L.; Leite, H.; Lopes, J.A.P. Control strategies for AC fault ride through in multiterminal HVDC grids. IEEE Trans. Power Deliv. 2014, 29, 395–405. [Google Scholar] [CrossRef]
- Feltes, C.; Wrede, H.; Koch, F.W.; Erlich, I. Enhanced fault ride-through method for wind farms connected to the grid through VSC-based HVDC transmission. IEEE Trans. Power Syst. 2009, 24, 1537–1546. [Google Scholar] [CrossRef]
- Ma, H.; Ping, M.; Li, D.; Yang, M.; Liu, X.; Zhou, Y. Optimized AC fault ride-through strategy for back-to-back VSC-HVDC system. In Proceedings of the 2020 IEEE 4th Conference on Energy Internet and Energy System Integration (EI2), Wuhan, China, 30 October–1 November 2020; pp. 794–799. [Google Scholar] [CrossRef]
- Choudhury, S. Flywheel energy storage systems: A critical review on technologies, applications, and future prospects. Int. Trans. Electr. Energy Syst. 2021, 31, e13024. [Google Scholar] [CrossRef]
- Hossain, M.I.; Hamanah, W.M.; Alam, M.S.; Shafiullah, M.; Abido, M.A. Fault Ride Through and Intermittency Improvement of Renewable Energy Integrated MMC-HVDC System Employing Flywheel Energy Storage. IEEE Access 2023, 11, 50528–50546. [Google Scholar] [CrossRef]
- Wang, X.; Yang, R.; Shi, Z.; Cai, X.; Shi, X.; Chen, Y. Coordinated Low Voltage Ride-Through of MMC-HVDC Transmission System and Wind Farm With Distributed Braking Resistors. IEEE Access 2022, 10, 87860–87869. [Google Scholar] [CrossRef]
- Jiang, S.; Xu, Y.; Li, G.; Xin, Y.; Wang, L. Coordinated Control Strategy of Receiving-End Fault Ride-Through for DC Grid Connected Large-Scale Wind Power. IEEE Trans. Power Deliv. 2022, 37, 2673–2683. [Google Scholar] [CrossRef]
- HosseiniKordkheili, S.F. AC Fault ride-through strategy for MMC-based HVDC systems with short lines. In Proceedings of the 2023 14th Power Electronics, Drive Systems, and Technologies Conference (PEDSTC), Babol, Iran, 31 January–2 February 2023. [Google Scholar]
- Oguma, K.; Akagi, H. Low-Voltage-Ride-Through (LVRT) Control of an HVDC Transmission System Using Two Modular Multilevel DSCC Converters. IEEE Trans. Power Electron. 2017, 32, 5931–5942. [Google Scholar] [CrossRef]
- Jia, K.; Member, S.; Dong, X.; Member, G.S.; Wen, Z. Harmonic Injection Based Fault Ride-through Control of MMC-HVDC Connected Offshore Wind Farms. IEEE Trans. Sustain. Energy 2023, 14, 1796–1806. [Google Scholar] [CrossRef]
- Tavakoli, S.D.; Prieto-araujo, E.; Member, S. AC Fault Ride Through in MMC-Based HVDC Systems. IEEE Trans. Power Deliv. 2022, 37, 2775–2786. [Google Scholar] [CrossRef]
- Xiao, F.; Yin, X.; Tang, J.; He, Q.; Zhou, K.; Tang, C. A fault ride-through strategy for accurate energy optimization of offshore wind VSC—HVDC system without improved fault ride-through strategy of wind turbines. Comput. Electr. Eng. 2024, 118, 109292. [Google Scholar] [CrossRef]
- Zhou, H.; Yao, W.; Zhou, M.; Ai, X.; Wen, J.; Cheng, S. Active Energy Control for Enhancing AC Fault Ride-Through Capability of MMC-HVDC Connected. IEEE Trans. Power Syst. 2023, 38, 2705–2718. [Google Scholar] [CrossRef]
- Zhou, H.; Member, S.; Yao, W.; Member, S.; Sun, K. Dynamic Reactive Current Optimization Based Onshore AC Fault Ride-Through Strategy for MMC-HVDC Integrated Offshore Wind Farms. IEEE Trans. Sustain. Energy 2024, 15, 735–746. [Google Scholar] [CrossRef]
- Zhou, H.; Member, S.; Yao, W.; Member, S.; Sun, K. Enhancing Fault Ride-Through and Voltage Support Capability for MMC-HVDC Integrated Offshore Wind Farms Based on Multi-Mode Matching. IEEE Trans. Sustain. Energy 2024, 15, 1256–1268. [Google Scholar] [CrossRef]
- Sun, P.; Li, G.; Wang, H.; Liang, J.; Konstantinou, G. Valve-side Single-phase-to-ground Fault Analysis in Bipolar MMC-HVDC Systems with Hybrid SMs. IEEE Trans. Power Deliv. 2024, 39, 1–4. [Google Scholar] [CrossRef]
- Li, H.; Deng, F.; Tian, J.; Lu, Y.; Li, G.; Lin, J. Grounded Thyristor Loop-Based Hybrid MMCs for Valve-Side Single-Phase-to-Ground Faults in Bipolar HVdc Systems. IEEE Trans. Power Electron. 2024, 39, 6298–6311. [Google Scholar] [CrossRef]
- Li, G.; Liang, J.; Ma, F.; Ugalde-Loo, C.E.; Liang, H. Analysis of single-phase-to-ground faults at the valve-side of HB-MMCs in HVDC systems. IEEE Trans. Ind. Electron. 2019, 66, 2444–2453. [Google Scholar] [CrossRef]
- Li, G.; Liang, J.; Ugalde-Loo, C.E.; Ma, F.; Liang, H.; Song, Z. Protection for Submodule Overvoltage Caused by Converter Valve-Side Single-Phase-to-Ground Faults in FB-MMC Based Bipolar HVDC Systems. IEEE Trans. Power Deliv. 2020, 35, 2641–2650. [Google Scholar] [CrossRef]
- Karaagac, U.; Mahseredjian, J.; Cai, L.; Saad, H. Offshore Wind Farm Modeling Accuracy and Efficiency in MMC-Based Multiterminal HVDC Connection. IEEE Trans. Power Deliv. 2017, 32, 617–627. [Google Scholar] [CrossRef]
- Mohammadi, M.; Avendano-Mora, M.; Barnes, M.; Chan, J.Y. A study on Fault Ride-Through of VSC-connected offshore wind farms. IEEE Power Energy Soc. Gen. Meet. 2013, 1–5. [Google Scholar] [CrossRef]
- Nentwig, C.; Haubrock, J.; Renner, R.H.; Van Hertem, D. Application of DC choppers in HVDC grids. In Proceedings of the 2013 IEEE Power & Energy Society General Meeting, Leuven, Belgium, 4–8 April 2016; pp. 1–5. [Google Scholar] [CrossRef]
- Olowookere, O.; Skarvelis-Kazakos, S.; Habtay, Y.; Woodhead, S. AC fault ride through of modular multilevel converter VSC-HVDC transmission systems. In Proceedings of the 2015 50th International Universities Power Engineering Conference (UPEC), Stoke on Trent, UK, 1–4 September 2015; pp. 1–6. [Google Scholar] [CrossRef]
- Jia, W.; Zhang, X.; Wu, S.; Qi, L.; Huang, Y.; Zhao, G. Energy Control technology for MMC During Fault Ride Through. In Proceedings of the 18th International Conference on AC and DC Power Transmission (ACDC 2022), Online, 2–3 July 2022; pp. 1–7. [Google Scholar]
- Nanou, S.; Papathanassiou, S. Evaluation of a communication-based fault ride-through scheme for offshore wind farms connected through high-voltage DC links based on voltage source converter. IET Renew. Power Gener. 2015, 9, 882–891. [Google Scholar] [CrossRef]
- Ahmed, M.A.; Kim, Y.C. Hierarchical communication network architectures for offshore wind power farms. Energies 2014, 7, 3420–3437. [Google Scholar] [CrossRef]
- Daoud, M.I.; Massoud, A.M.; Member, S. A Flywheel Energy Storage System for Fault Ride Through Support of Grid-Connected VSC HVDC-Based Offshore Wind Farms. IEEE Trans. Power Syst. 2015, 31, 1671–1680. [Google Scholar] [CrossRef]
- Daoud, M.I.; Massoud, A.; Elserougi, A.; Abdel-Khalik, A.; Ahmed, S. A dual three-phase induction machine based flywheel storage system driven by modular multilevel converters for fault ride through in HVDC systems. In Proceedings of the 2015 IEEE PES Asia-Pacific Power and Energy Engineering Conference (APPEEC), Brisbane, QLD, Australia, 15–18 November 2016. [Google Scholar] [CrossRef]
- Shi, L.; Adam, G.P.; Li, R.; Xu, L. Control of Offshore MMC During Asymmetric Offshore AC Faults for Wind Power Transmission. IEEE J. Emerg. Sel. Top. Power Electron. 2020, 8, 1074–1083. [Google Scholar] [CrossRef]
- Kong, D. Advanced HVDC Systems for Renewable Energy Integration and Power Transmission: Modelling and Control for Power System Transient Stability. Ph.D. Thesis, University of Birmingham, Birmingham, UK, June 2013. [Google Scholar]
- Jing, Y.; Li, R.; Xu, L.; Wang, Y. Enhanced AC voltage and frequency control on offshore MMC station for wind farm. J. Eng. 2017, 2017, 1264–1268. [Google Scholar] [CrossRef]
- Vidal-Albalate, R.; Beltran, H.; Rolán, A.; Belenguer, E.; Peña, R.; Blasco-Gimenez, R. Analysis of the Performance of MMC under Fault Conditions in HVDC-Based Offshore Wind Farms. IEEE Trans. Power Deliv. 2016, 31, 839–847. [Google Scholar] [CrossRef]
- Xie, X.; Quan, X.; Wu, Z.; Cao, X.; Dou, X.; Hu, Q. Adaptive Master-Slave Control Strategy for Medium Voltage DC Distribution Systems Based on a Novel Nonlinear Droop Controller. IEEE Trans. Smart Grid 2021, 12, 4765–4777. [Google Scholar] [CrossRef]
- Mohammadi, F.; Azizi, N.; Moradi, H.; Rouzbehi, K. Stability and control of VSC-based HVDC systems: A systematic review Point of Common Coupling. E-Prime—Adv. Electr. Eng. Electron. Energy 2023, 8, 100503. [Google Scholar] [CrossRef]
- Rodrigues, S.M.F.; Pinto, R.T.; Bauer, P. Dynamic Modeling and Control of VSC-based Multi-terminal DC Network. December 2011; pp. 1–110. Available online: https://fenix.tecnico.ulisboa.pt/downloadFile/395143509846/Sílvio Rodrigues 58091—Dynamic Modeling and Control of VSC-based Multi-terminal DC Networks.pdf (accessed on 13 March 2022).
- Nakajima, T.; Irokawa, S. A control system for HVDC transmission by voltage sourced converters. In Proceedings of the 199 IEEE Power Engineering Society Summer Meeting. Conference Proceedings (Cat. No.99CH36364), Edmonton, AB, Canada, 18–22 July 1999. [Google Scholar] [CrossRef]
- Chaudhuri, A.Y.N.R.; Chaudhuri, B.; Majumder, R. Multi-Terminal Direct-Current Grids, Modeling, Analysis, and Control; John Wiley Sons, Inc.: Hoboken, NJ, USA, 2014. [Google Scholar]
- Cui, S.; Lee, H.J.; Jung, J.J.; Lee, Y.; Sul, S.K. A comprehensive AC side single line to ground fault ride through strategy of a modular multilevel converter for HVDC system. In Proceedings of the 2015 IEEE Energy Conversion Congress and Exposition (ECCE), Montreal, QC, Canada, 20–24 September 2015; pp. 5378–5385. [Google Scholar] [CrossRef]
- Tavakoli, S.D.; Sanchez-Sanchez, E.; Prieto-Araujo, E.; Gomis-Bellmunt, O. DC Voltage Droop Control Design for MMC-Based Multiterminal HVDC Grids. IEEE Trans. Power Deliv. 2020, 35, 2414–2424. [Google Scholar] [CrossRef]
- Wang, Y.; Qiu, F.; Liu, G.; Lei, M.; Yang, C.; Wang, C. Adaptive Reference Power Based Voltage Droop Control for VSC-MTDC Systems. J. Mod. Power Syst. Clean Energy 2023, 11, 381–388. [Google Scholar] [CrossRef]
- Wang, Y.; Li, B.; Zhou, Z.; Chen, Z.; Wen, W.; Li, X.; Wang, C. DC voltage deviation-dependent voltage droop control method for VSC-MTDC systems under large disturbances. IET Renew. Power Gener. 2020, 14, 891–896. [Google Scholar] [CrossRef]
- Zhao, J.; Tao, Y. Hierarchical coordinated adaptive droop control for hybrid HVDC with cascaded multi-infeed MMC inverters. IET Renew. Power Gener. 2022, 16, 1148–1158. [Google Scholar] [CrossRef]
- Lin, Y.; Eto, J.H.; Johnson, B.B.; Flicker, J.D.; Lasseter, R.H.; Pico, H.N.V.; Seo, G.-S.; Pierre, B.J.; Ellis, A. Research Roadmap on Grid-Forming Inverters; NREL: Golden, CO, USA, 2020; p. 60. Available online: https://www.nrel.gov/docs/fy21osti/73476.pdf (accessed on 20 March 2022).
- Zhang, H.; Xiang, W.; Wen, J. Dual Grid-Forming Control With Energy Regulation Capability of MMC-HVDC System Integrating Offshore Wind Farms and Weak Grids. IEEE Trans. Power Syst. 2024, 39, 261–272. [Google Scholar] [CrossRef]
- Jain, A.; Sakamuri, J.N.; Cutululis, N.A. Grid-forming control strategies for black start by offshore wind power plants. Wind Energy Sci. 2020, 5, 1297–1313. [Google Scholar] [CrossRef]
- Yang, R.; Shi, G.; Zhang, C.; Li, G.; Cai, X. Internal Energy Based Grid-Forming Control for MMC-HVDC Systems With Wind Farm Integration. IEEE Trans. Ind. Appl. 2023, 59, 503–512. [Google Scholar] [CrossRef]
- DNV GL-Energy. Technical Report on the Events of 9 August 2019; National Grid: London, UK, 2019; pp. 1–95. Available online: https://www.ofgem.gov.uk/sites/default/files/docs/2019/09/eso_technical_report_-_appendices_-_final.pdf (accessed on 8 July 2024).
- Wang, Y.; Zhao, C.; Guo, C.; Rehman, A.U. Dynamics and small signal stability analysis of pmsg-based wind farm with an MMC-HVDC system. CSEE J. Power Energy Syst. 2020, 6, 226–235. [Google Scholar] [CrossRef]
- Deshmukh, M.K.; Moorthy, C.B. Review on Stability Analysis of Grid Connected Wind Power Generating System. Int. J. Electr. Electron. Eng. Res. Dev. 2014, 3, 2248–9282. [Google Scholar]
- Shah, R.; Sánchez, J.C.; Preece, R.; Barnes, M. Stability and control of mixed AC-DC systems with VSC-HVDC: A review. IET Gener. Transm. Distrib. 2018, 12, 2207–2219. [Google Scholar] [CrossRef]
- Elahidoost, A. Stability Improvement of MMC—Based Multiterminal HVDC Grids; NTNU Norwegian University of Science and Technology: Trondheim, Norway, 2024. [Google Scholar]
- Xue, T.; Lyu, J.; Wang, H.; Cai, X. A Complete Impedance Model of a PMSG-Based Wind Energy Conversion System and Its Effect On the Stability Analysis of MMC-HVDC Connected. IEEE Trans. Energy Convers. 2021, 36, 3449–3461. [Google Scholar] [CrossRef]
- Raza, S.A.; Rahim, A.H.M.A. An adaptive pitch control strategy for a doubly fed wind generation system. Simul. Ser. 2013, 45, 320–325. [Google Scholar]
- Gontijo, G.F.; Bakhshizadeh, M.K.; Kocewiak, L.H.; Teodorescu, R. State Space Modeling of an Offshore Wind Power Plant With an MMC-HVDC Connection for an Eigenvalue-Based Stability Analysis. IEEE Access 2022, 10, 82844–82869. [Google Scholar] [CrossRef]
- Wang, X.; Blaabjerg, F. Harmonic Stability in Power Electronic-Based Power Systems: Concept, Modeling, and Analysis. IEEE Trans. Smart Grid 2019, 10, 2858–2870. [Google Scholar] [CrossRef]
- Lyu, J.; Cai, X.; Molinas, M. Frequency Domain Stability Analysis of MMC-Based HVdc for Wind Farm Integration. IEEE J. Emerg. Sel. Top. Power Electron. 2016, 4, 141–151. [Google Scholar] [CrossRef]
- Zhu, M.; Chen, L. Impedence-based Stability Analysis of MMC-HVDC for Offshore DFIG-based Wind Farms. In Proceedings of the 2018 21st International Conference on Electrical Machines and Systems (ICEMS), Jeju, Republic of Korea, 7–10 October 2018; pp. 1139–1144. [Google Scholar]
- Offshore, G.W. Generic EMT Model for Real-Time Simulation of Large Disturbances in 2 GW Offshore HVAC HVDC Renewable Energy Hubs. Energies 2021, 14, 757. [Google Scholar] [CrossRef]
- Sun, K.; Xiao, H.; You, S.; Li, H.; Pan, J.; Li, K.-J.; Liu, Y. Frequency secure control strategy for power grid with large-scale wind farms through HVDC links. Int. J. Electr. Power Energy Syst. 2020, 117, 105706. [Google Scholar] [CrossRef]
- Zhang, Y.; Zhang, C.; Yang, R.; Lyu, J.; Liu, L.; Cai, X. Transient Synchronization Stability Analysis of Wind Farms with MMC-HVDC Integration Under Offshore AC Grid Fault. In Proceedings of the 2021 Annual Meeting of CSEE Study Committee of HVDC and Power Electronics (HVDC 2021), Hybrid Conference, China, 28–30 December 2021; pp. 1–7. [Google Scholar]
- Wang, X.; Taul, M.G.; Wu, H.; Liao, Y.; Blaabjerg, F.; Harnefors, L. Grid-Synchronization Stability of Converter-Based Resources—An Overview. IEEE Open J. Ind. Appl. 2020, 1, 115–134. [Google Scholar] [CrossRef]
Disclaimer/Publisher’s Note: The statements, opinions and data contained in all publications are solely those of the individual author(s) and contributor(s) and not of MDPI and/or the editor(s). MDPI and/or the editor(s) disclaim responsibility for any injury to people or property resulting from any ideas, methods, instructions or products referred to in the content. |
© 2024 by the authors. Licensee MDPI, Basel, Switzerland. This article is an open access article distributed under the terms and conditions of the Creative Commons Attribution (CC BY) license (https://creativecommons.org/licenses/by/4.0/).









