Sign in to use this feature.

Years

Between: -

Subjects

remove_circle_outline
remove_circle_outline
remove_circle_outline
remove_circle_outline
remove_circle_outline
remove_circle_outline

Journals

Article Types

Countries / Regions

Search Results (6)

Search Parameters:
Keywords = bridge type fault current limiter (BFCL)

Order results
Result details
Results per page
Select all
Export citation of selected articles as:
19 pages, 5259 KB  
Article
Design and Implementation of Novel Fault Ride through Circuitry and Control for Grid-Connected PV System
by Donghwi Kim, Umar Fitra Ramadhan, Saif Ul Islam, Seungmin Jung and Minhan Yoon
Sustainability 2022, 14(15), 9736; https://doi.org/10.3390/su14159736 - 8 Aug 2022
Cited by 6 | Viewed by 2876
Abstract
This paper provides a comparison of a designed method of a fault ride through (FRT) circuit, i.e., switch-type fault current limiter (STFCL) and bridge-type fault current limiter (BFCL), to optimize the electrical parameters of grid-connected solar systems (PVSs) under asymmetric single line-to-ground fault [...] Read more.
This paper provides a comparison of a designed method of a fault ride through (FRT) circuit, i.e., switch-type fault current limiter (STFCL) and bridge-type fault current limiter (BFCL), to optimize the electrical parameters of grid-connected solar systems (PVSs) under asymmetric single line-to-ground fault and symmetric three-phase fault. The main differences between switch- and bridge-type fault current limiters is the electric component devices such as the bridge rectifier, snubber capacitor, energy absorption bypass and current-limiting inductors. In addition, the designed FRT performance with the inverter control are analyzed in-depth, e.g., a well-adjusted proportional integral (PI) and proposed steepest descent (SD) controller are compared in the fault condition. To compare the proposed method with the conventional method, the AC power and voltage on a common coupling point (PCC) and DC link voltage of the PV system are analyzed with a MATLAB/Simulink model of a 100 kW three-phase grid-connected photovoltaic system. The simulation results of the proposed FRT circuit and SD controller verify the stability improvement and vibration-free and fast and robust responses of electrical parameters on both PV grid sides during asymmetric disturbances. Full article
(This article belongs to the Special Issue Renewable Energy: Technologies and Challenges)
Show Figures

Figure 1

25 pages, 2120 KB  
Article
Fault Ride Through Capability Improvement of DFIG Based Wind Farm Using Nonlinear Controller Based Bridge-Type Flux Coupling Non-Superconducting Fault Current Limiter
by Md. Rashidul Islam, Md. Najmul Huda, Jakir Hasan, Mohammad Ashraf Hossain Sadi, Ahmed AbuHussein, Tushar Kanti Roy and Md. Apel Mahmud
Energies 2020, 13(7), 1696; https://doi.org/10.3390/en13071696 - 3 Apr 2020
Cited by 28 | Viewed by 4658
Abstract
High penetration of Doubly Fed Induction Generator (DFIG) into existing power grid can attribute complex issues as they are very sensitive to the grid faults. In addition, Fault Ride Through (FRT) is one of the main requirements of the grid code for integrating [...] Read more.
High penetration of Doubly Fed Induction Generator (DFIG) into existing power grid can attribute complex issues as they are very sensitive to the grid faults. In addition, Fault Ride Through (FRT) is one of the main requirements of the grid code for integrating Wind Farms (WFs) into the power grid. In this work, to enhance the FRT capability of the DFIG based WFs, a Bridge-Type Flux Coupling Non-Superconducting Fault Current Limiter (BFC-NSFCL) is proposed. The effectiveness of the proposed BFC-NSFCL is evaluated through performance comparison with that of the Bridge-Type Fault Current Limiter (BFCL) and Series Dynamic Braking Resistor (SDBR). Moreover, a dynamic nonlinear controller is also proposed for controlling the operation of the BFC-NSFCL. Extensive simulations are carried out in the MATLAB/SIMULINK environment for both symmetrical and unsymmetrical temporary as well as permanent faults. Based on the simulation results and different numerical analysis, it is found that the proposed nonlinear controller based BFC-NSFCL is very effective in enhancing the FRT capability of the WF. Also, the BFC-NSFCL outperforms the conventional BFCL and SDBR by maintaining a near-seamless performance during various grid fault situations. Full article
Show Figures

Figure 1

26 pages, 14233 KB  
Article
Design of Robust Fuzzy Logic Controller Based on the Levenberg Marquardt Algorithm and Fault Ride Trough Strategies for a Grid-Connected PV System
by Saif Ul Islam, Kamran Zeb, Waqar Ud Din, Imran Khan, Muhammad Ishfaq, Altaf Hussain, Tiago Davi Curi Busarello and Hee Je Kim
Electronics 2019, 8(4), 429; https://doi.org/10.3390/electronics8040429 - 12 Apr 2019
Cited by 19 | Viewed by 5080
Abstract
This paper emphasizes the design and investigation of a new optimization scheme for a grid-connected photovoltaic system (PVS) under unbalance faults. The proposed scheme includes fuzzy logic controller (FLC) based on the Levenberg–Marquardt (LM) optimization technique in coordination with bridge-type-fault-current limiter (BFCL) as [...] Read more.
This paper emphasizes the design and investigation of a new optimization scheme for a grid-connected photovoltaic system (PVS) under unbalance faults. The proposed scheme includes fuzzy logic controller (FLC) based on the Levenberg–Marquardt (LM) optimization technique in coordination with bridge-type-fault-current limiter (BFCL) as the fault ride through (FRT) Strategy. The LM optimization-based control is an iterative process with a fast and robust response and is always convergent. The BFCL reduces the fault currents to rated values without compromising at ripples. A keen and critical comparison of the designed strategy is carried out with a conventionally tuned proportional-integral (PI) controller in coordination with the crowbar FRT strategy. A 100kW MATLAB/Simulink model of a photovoltaic system is used for simulation and analysis of unbalance faults at the point of common-coupling (PCC) and at 5 km away from PCC. It is found that grid-connected PVS is highly influenced by the fault type and less effected by the distribution line length. The simulation results authenticated smooth, stable, ripples with free, robust, and fault-tolerant behavior of the proposed scheme. Full article
(This article belongs to the Special Issue Grid Connected Photovoltaic Systems)
Show Figures

Figure 1

23 pages, 5719 KB  
Article
Fault Ride through Capability Augmentation of a DFIG-Based Wind Integrated VSC-HVDC System with Non-Superconducting Fault Current Limiter
by Md Shafiul Alam, Mohammad Ali Yousef Abido, Alaa El-Din Hussein and Ibrahim El-Amin
Sustainability 2019, 11(5), 1232; https://doi.org/10.3390/su11051232 - 26 Feb 2019
Cited by 37 | Viewed by 4066
Abstract
This paper proposes a non-superconducting bridge-type fault current limiter (BFCL) as a potential solution to the fault problems of doubly fed induction generator (DFIG) integrated voltage source converter high-voltage DC (VSC-HVDC) transmission systems. As the VSC-HVDC and DFIG systems are vulnerable to AC/DC [...] Read more.
This paper proposes a non-superconducting bridge-type fault current limiter (BFCL) as a potential solution to the fault problems of doubly fed induction generator (DFIG) integrated voltage source converter high-voltage DC (VSC-HVDC) transmission systems. As the VSC-HVDC and DFIG systems are vulnerable to AC/DC faults, a BFCL controller is developed to insert sizeable impedance during the inception of system disturbances. In the proposed control scheme, constant capacitor voltage is maintained by the stator VSC (SVSC) controller, while current extraction or injection is achieved by rotor VSC (RVSC) controller. Current control mode-based active and reactive power controllers for an HVDC system are developed. Balanced and different unbalanced faults are applied in the system to show the effectiveness of the proposed BFCL solution. A DFIG wind-based VSC-HVDC system, BFCL, and their controllers are implemented in a real time digital simulator (RTDS). The performance of the proposed BFCL control strategy in DFIG-based VSC-HVDC system is compared with a series dynamic braking resistor (SDBR). Comparative RTDS implementation results show that the proposed BFCL control strategy is very efficient in improving system fault ride through (FRT) capability and outperforms SDBR in all cases considered. Full article
(This article belongs to the Special Issue Advances in Renewable Energy Technologies for Sustainability)
Show Figures

Figure 1

16 pages, 3711 KB  
Article
Non-Linear Control for Variable Resistive Bridge Type Fault Current Limiter in AC-DC Systems
by Md Shafiul Alam, Mohammad Ali Yousef Abido and Alaa El-Din Hussein
Energies 2019, 12(4), 713; https://doi.org/10.3390/en12040713 - 22 Feb 2019
Cited by 10 | Viewed by 3207
Abstract
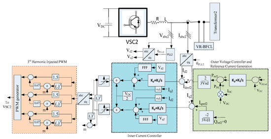
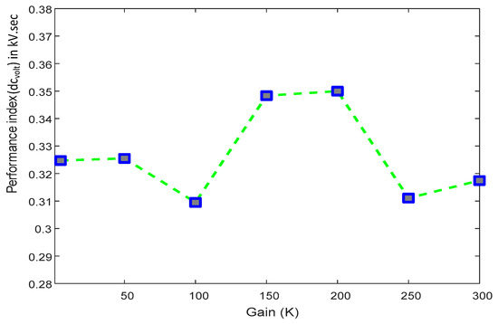
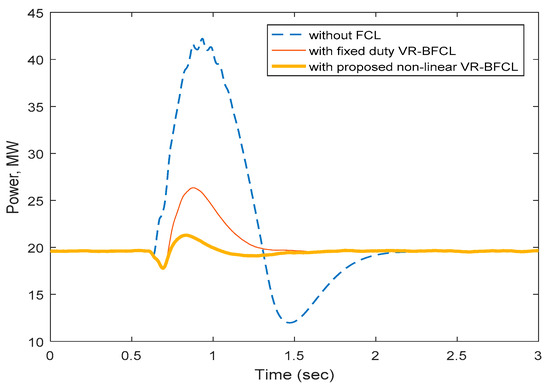
This paper proposes a non-linear control-based variable resistive bridge type fault current limiter (VR-BFCL) as a prospective solution to ease the effect of disturbances on voltage source converter-based high voltage DC (VSC-HVDC) systems. A non-linear controller for VR-BFCL has been developed to insert [...] Read more.
This paper proposes a non-linear control-based variable resistive bridge type fault current limiter (VR-BFCL) as a prospective solution to ease the effect of disturbances on voltage source converter-based high voltage DC (VSC-HVDC) systems. A non-linear controller for VR-BFCL has been developed to insert a variable optimum resistance during the inception of system disturbances in order to limit the fault current. The non-linear controller takes the amount of DC link voltage deviation as its input and provides variable duty to generate a variable effective resistance during faults. The VSC-HVDC system’s real and reactive power controllers have been developed based on a current control loop where direct axis and quadrature axis currents are used to control the active and reactive power, respectively. The efficacy of the proposed non-linear control-based VR-BFCL solution has been proved with balanced as well as unbalanced faults. The results confirm that the oscillations in active power and DC link voltage have been significantly reduced by limiting the fault current through the insertion of an optimum effective resistance with the proposed control technique. The real time digital simulator (RTDS) has been used to implement the proposed approach. The performance of the proposed non-linear control based VR-BFCL is compared with that of traditional fixed duty control. Full article
(This article belongs to the Section F: Electrical Engineering)
Show Figures

Figure 1

19 pages, 6598 KB  
Article
Fault Ride-through Capability Enhancement of Voltage Source Converter-High Voltage Direct Current Systems with Bridge Type Fault Current Limiters
by Md Shafiul Alam and Mohammad Ali Yousef Abido
Energies 2017, 10(11), 1898; https://doi.org/10.3390/en10111898 - 18 Nov 2017
Cited by 29 | Viewed by 6108
Abstract
This paper proposes the use of bridge type fault current limiters (BFCLs) as a potential solution to reduce the impact of fault disturbance on voltage source converter-based high voltage DC (VSC-HVDC) systems. Since VSC-HVDC systems are vulnerable to faults, it is essential to [...] Read more.
This paper proposes the use of bridge type fault current limiters (BFCLs) as a potential solution to reduce the impact of fault disturbance on voltage source converter-based high voltage DC (VSC-HVDC) systems. Since VSC-HVDC systems are vulnerable to faults, it is essential to enhance the fault ride-through (FRT) capability with auxiliary control devices like BFCLs. BFCL controllers have been developed to limit the fault current during the inception of system disturbances. Real and reactive power controllers for the VSC-HVDC have been developed based on current control mode. DC link voltage control has been achieved by a feedback mechanism such that net power exchange with DC link capacitor is zero. A grid-connected VSC-HVDC system and a wind farm integrated VSC-HVDC system along with the proposed BFCL and associated controllers have been implemented in a real time digital simulator (RTDS). Symmetrical three phase as well as different types of unsymmetrical faults have been applied in the systems in order to show the effectiveness of the proposed BFCL solution. DC link voltage fluctuation, machine speed and active power oscillation have been greatly suppressed with the proposed BFCL. Another significant feature of this work is that the performance of the proposed BFCL in VSC-HVDC systems is compared to that of series dynamic braking resistor (SDBR). Comparative results show that the proposed BFCL is superior over SDBR in limiting fault current as well as improving system fault ride through (FRT) capability. Full article
(This article belongs to the Section F: Electrical Engineering)
Show Figures

Figure 1

Back to TopTop