Sign in to use this feature.

Years

Between: -

Subjects

remove_circle_outline
remove_circle_outline
remove_circle_outline
remove_circle_outline
remove_circle_outline

Journals

Article Types

Countries / Regions

Search Results (14)

Search Parameters:
Keywords = backlash elimination

Order results
Result details
Results per page
Select all
Export citation of selected articles as:
13 pages, 3082 KB  
Proceeding Paper
Design of an Electromechanical Testing Machine for Elastomers’ Fatigue Characterization
by Gabriel Testa, Nicola Bonora, Luca Esposito and Gianluca Iannitti
Eng. Proc. 2025, 85(1), 21; https://doi.org/10.3390/engproc2025085021 - 19 Feb 2025
Cited by 2 | Viewed by 628
Abstract
The VITAL-E (Versatile Innovative Testing Low-Cycle Fatigue for Elastomers) project introduces a shift in low-cycle fatigue (LCF) testing by replacing traditional hydraulic systems with an electromechanical solution. Hydraulic machines, although widely used, present issues such as fluid leakage, environmental impact, high maintenance, and [...] Read more.
The VITAL-E (Versatile Innovative Testing Low-Cycle Fatigue for Elastomers) project introduces a shift in low-cycle fatigue (LCF) testing by replacing traditional hydraulic systems with an electromechanical solution. Hydraulic machines, although widely used, present issues such as fluid leakage, environmental impact, high maintenance, and complex feedback control. In contrast, VITAL-E incorporates a zero-backlash linear actuator, addressing a key challenge in electromechanical systems: backlash. This issue, caused by axial movement between the nut and screw during load reversals, can disrupt load application and compromise test accuracy. By eliminating backlash, the chosen actuator ensures continuous and precise load application, especially during critical cycle reversals, enhancing both the accuracy and reliability of LCF testing. Beyond technical improvements, the electromechanical system reduces component complexity, wear, and maintenance needs while offering easier upgrades and adaptability to evolving testing demands. Compared to conventional hydraulic systems, VITAL-E’s design offers an innovative industrial solution, promoting a new generation of LCF test machines that excel in accuracy, reliability, and operational efficiency. This innovation aligns with the growing demand for sustainable and adaptable testing solutions, particularly in the automotive industry, ensuring that LCF testing remains relevant for future research and industrial needs. Full article
Show Figures

Figure 1

25 pages, 11860 KB  
Review
Recent Advances in Piezoelectric Compliant Devices for Ultrahigh-Precision Engineering
by Zeyi Wu, Zehao Wu, I-Ming Chen and Qingsong Xu
Micromachines 2024, 15(12), 1456; https://doi.org/10.3390/mi15121456 - 29 Nov 2024
Cited by 4 | Viewed by 2008
Abstract
With advancements in small-scale research fields, precision manipulation has become crucial for interacting with small objects. As research progresses, the demand for higher precision in manipulation has led to the emergence of ultrahigh-precision engineering (UHPE), which exhibits significant potential for various applications. Traditional [...] Read more.
With advancements in small-scale research fields, precision manipulation has become crucial for interacting with small objects. As research progresses, the demand for higher precision in manipulation has led to the emergence of ultrahigh-precision engineering (UHPE), which exhibits significant potential for various applications. Traditional rigid-body manipulators suffer from issues like backlash and friction, limiting their effectiveness at smaller-scale applications. Smart materials, particularly piezoelectric materials, offer promising solutions with their rapid response and high resolution, making them ideal for creating efficient piezoelectric transducers. Meanwhile, compliant mechanisms, which use elastic deformation to transmit force and motion, eliminate inaccuracies induced by rigid-body mechanisms. Integrating piezoelectric transducers and compliant mechanisms into piezoelectric compliant devices enhances UHPE system performance. This paper reviews the recent advances in piezoelectric compliant devices. By focusing on the utilization of piezoelectric transducers and compliant mechanisms, their applications in perception, energy harvesting, and actuation have been surveyed, and future research suggestions are discussed. Full article
Show Figures

Figure 1

20 pages, 5016 KB  
Article
Observer-Based Finite-Time Prescribed Performance Sliding Mode Control of Dual-Motor Joints-Driven Robotic Manipulators with Uncertainties and Disturbances
by Jiqian Xu, Lijin Fang, Huaizhen Wang, Qiankun Zhao, Yingcai Wan and Yue Gao
Actuators 2024, 13(9), 325; https://doi.org/10.3390/act13090325 - 26 Aug 2024
Cited by 2 | Viewed by 1711
Abstract
Considering system uncertainties (e.g., gear backlash, unmodeled dynamics, nonlinear friction and parameters perturbation) coupling disturbances weaken the motion performance of robotic systems, an observer-based finite-time prescribed performance sliding mode control with faster reaching law is proposed for robotic manipulators equipped with dual-motor joints [...] Read more.
Considering system uncertainties (e.g., gear backlash, unmodeled dynamics, nonlinear friction and parameters perturbation) coupling disturbances weaken the motion performance of robotic systems, an observer-based finite-time prescribed performance sliding mode control with faster reaching law is proposed for robotic manipulators equipped with dual-motor joints (DMJs). In the case where the backlash information is completely unknown, the backlash is maximally eliminated using a simple but efficient dual-motor adaptive anti-backlash strategy. Thus, the design of position tracking controllers for DMJs can be simplified. Then, to deal with the influence of disturbances and residual uncertainties (excluding backlash), a novel finite-time adaptive sliding mode disturbance observer (ASMDO) is proposed to practically estimate the lumped uncertainties where their upper bounds are assumed to be unknown. Finally, a finite-time composite fast non-singular terminal sliding mode (TSM) controller, integrated with the prescribed performance principle, is proposed in this paper. To enhance the convergence rate, a novel TSM-type reaching law has been developed. The controller ensures that the tracking error is not only stabilized within a finite-time convergence rate but also adheres to a predefined maximum transient-steady-state error. The proposed scheme is implemented through simulation and experimental results, demonstrating its superior performance. Full article
(This article belongs to the Section Actuators for Robotics)
Show Figures

Figure 1

21 pages, 8230 KB  
Article
Backlash Elimination Control for Robotic Joints with Dual–Motor Drive
by Longfei Sun and Huiying Gu
Actuators 2024, 13(8), 291; https://doi.org/10.3390/act13080291 - 1 Aug 2024
Cited by 1 | Viewed by 3251
Abstract
Dual–motor drive is commonly used in heavy–duty robotic joint servo systems. However, the backlash inevitably affects joint accuracy. In this article, a variable bias torque control method is proposed for a dual–motor–driven robotic joint. The variable bias torque varies directly according to the [...] Read more.
Dual–motor drive is commonly used in heavy–duty robotic joint servo systems. However, the backlash inevitably affects joint accuracy. In this article, a variable bias torque control method is proposed for a dual–motor–driven robotic joint. The variable bias torque varies directly according to the motor current, and the conversion method of the bias compensation torque is presented. A simulation model of the dual–motor drive system in MATLAB/Simulink is established based on the dynamic modeling of a dual–motor drive system, and a robotic joint prototype is also established. The variable bias torque control can achieve a reasonable distribution of the output torque for the whole servo cycle and can effectively reduce the energy consumption of the system to maintain static backlash elimination; the dynamic loading of the bias voltage can be achieved through the setting of the conversion function to complete the smooth transition between the two states of backlash elimination control and common drive control; the dynamic loading of the bias torque improves the torque output capability of the dual–motor system. In the experiment, the steady–state error of the servo system is less than 0.05°, and the error is much smaller than the internal backlash angle (about 2°) of the system, which indicates that the internal backlash of the robot joint has been eliminated. The static backlash elimination bias current of the joint is reduced from about 250 mA to about 110 mA, reducing the energy consumption of the servo system effectively. Full article
(This article belongs to the Section Actuators for Robotics)
Show Figures

Figure 1

17 pages, 6591 KB  
Article
Multi-Joint Bionic Mechanism Based on Non-Circular Gear Drive
by Dawei Liu, Tao Zhang and Yuetong Cao
Biomimetics 2023, 8(3), 272; https://doi.org/10.3390/biomimetics8030272 - 27 Jun 2023
Cited by 9 | Viewed by 2220
Abstract
Aiming at the nonlinear expansion/contraction drive problem between different cables in multi-joint cable drive mechanisms, a mechanical drive method based on a non-circular gear drive was proposed, which could replace the servo-sensing control system and minimize the system’s complexity and cost. A multi-joint [...] Read more.
Aiming at the nonlinear expansion/contraction drive problem between different cables in multi-joint cable drive mechanisms, a mechanical drive method based on a non-circular gear drive was proposed, which could replace the servo-sensing control system and minimize the system’s complexity and cost. A multi-joint single-degree-of-freedom (DOF) bending mechanism was constructed with several T-shaped components and cross-shaped components. The principle of the multi-joint mechanism driven by non-circular gears was clarified. The corresponding relationships between the joint bending angle, cables’ extension/retraction amount and non-circular gear transmission ratio were established. Using the Bowden cable driving, a multi-DOF bending mechanism decoupling scheme was proposed. Considering the adverse effect of non-circular gear hysteresis on the motion of multi-joint mechanisms, a non-circular gear backlash elimination method was proposed. The expression of the backlash of the non-circular gear with respect to the axial movement amount was deduced, which could enable the precise control of the backlash. A two-DOF multi-joint bionic mechanism driven by the non-circular gear was developed. The experimental results show that the mechanism can achieve coordinated bending motion by precisely controlling the line extension/contraction through non-circular gears. This multi-joint bionic mechanism driven by non-circular gears has the characteristics of reliable structure and simple control, and it is expected to be applied to bionic fish and bionic quadruped robots in the future. Full article
(This article belongs to the Special Issue Biomimetic Soft Robotics)
Show Figures

Figure 1

14 pages, 1078 KB  
Article
Adaptive Backlash Compensation for CNC Machining Applications
by Lu Gan, Liuping Wang and Fei Huang
Machines 2023, 11(2), 193; https://doi.org/10.3390/machines11020193 - 1 Feb 2023
Cited by 8 | Viewed by 5518
Abstract
The mechanical transmission employed inside the computer numerical control (CNC) machine electromechanical system usually has an inherent backlash. As a position-controlled system is commonly used for the electromechanical system, the backlash limits the performance of the motion control system due to its nonlinearity [...] Read more.
The mechanical transmission employed inside the computer numerical control (CNC) machine electromechanical system usually has an inherent backlash. As a position-controlled system is commonly used for the electromechanical system, the backlash limits the performance of the motion control system due to its nonlinearity and discontinuity. This paper proposes an effective method to adaptively detect and compensate for the backlash effect in real time, in which the end-effect load position of the CNC machine is estimated and controlled by the position-controlled servo system, in order to eliminate the influence of backlash on the contour path performance. The simulation results obtained from the model of a realistic CNC machine show the successful elimination of the error between the reference and the end-effector position and a significant improvement in the control system performance. Full article
(This article belongs to the Special Issue Recent Trends in Robot Motion Planning and Control)
Show Figures

Figure 1

17 pages, 17174 KB  
Article
An Elaborate Dynamic Model of the Dual-Motor Precision Transmission Mechanism for Performance Optimization
by Jieji Zheng, Xin Xie, Ruoyu Tan, Lingyu Chen, Baoyu Li and Dapeng Fan
Machines 2022, 10(12), 1181; https://doi.org/10.3390/machines10121181 - 7 Dec 2022
Cited by 1 | Viewed by 2038
Abstract
The dual-motor precision transmission mechanism (DMPTM) is an alternative way to eliminate backlash while ensuring the stiffness of the servo system. However, most of the established models of DMPTM are not accurate enough, and are not conducive to the optimization of system performance [...] Read more.
The dual-motor precision transmission mechanism (DMPTM) is an alternative way to eliminate backlash while ensuring the stiffness of the servo system. However, most of the established models of DMPTM are not accurate enough, and are not conducive to the optimization of system performance and the design of high-precision controllers. In this paper, based on the detailed linear model of the single components of the DMPTM, the dead-zone model, considering the time-varying stiffness, is proposed to describe the backlash of the two transmission chains, and the friction of the mechanism is depicted by the Stribeck model. Then, a high-precision dynamic model of the DMPTM is formed. Finally, the model validation experiments for the open-loop and closed-loop are carried out in the time domain and frequency domain. The experimental results show that the proposed model can accurately describe the nonlinear characteristics of the mechanism. The Pearson correlation coefficient between the proposed model and the actual system is ropen-loop > 99.41%, for the open-loop, and rclosed-loop > 83.7%, for the closed-loop, and these results are both better than those of the existing model. In the frequency domain, whether it is the open-loop or closed-loop model, the frequency response of the proposed model also reproduces the actual system well, which verifies the accuracy of the model. Full article
(This article belongs to the Special Issue Dynamic Analysis of Multibody Mechanical Systems)
Show Figures

Figure 1

17 pages, 7339 KB  
Article
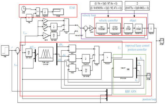
A Novel Fuzzy Controller for Visible-Light Camera Using RBF-ANN: Enhanced Positioning and Autofocusing
by Junpeng Zhou, Letang Xue, Yan Li, Lihua Cao and Changqing Chen
Sensors 2022, 22(22), 8657; https://doi.org/10.3390/s22228657 - 9 Nov 2022
Cited by 6 | Viewed by 2187
Abstract
To obtain high-precision for focal length fitting and improve the visible-light camera autofocusing speed, simultaneously, the backlash caused by gear gaps is eliminated. We propose an improved RBF (Radical Basis Function) adaptive neural network (ANN) FUZZY PID (Proportional Integral Derivative) position closed-loop control [...] Read more.
To obtain high-precision for focal length fitting and improve the visible-light camera autofocusing speed, simultaneously, the backlash caused by gear gaps is eliminated. We propose an improved RBF (Radical Basis Function) adaptive neural network (ANN) FUZZY PID (Proportional Integral Derivative) position closed-loop control algorithm to achieve the precise positioning of zoom and focus lens groups. Thus, the Levenberg–Marquardt iterative algorithm is used to fit the focal length, and the improved area search algorithm is applied to achieve autofocusing and eliminate backlash. In this paper, we initially adopt an improved RBF ANN fuzzy PID control algorithm in the position closed-loop in the visible-light camera position and velocity double closed-loop control system. Second, a similar triangle method is used to calibrate the focal length of the visible-light camera system, and the Levenberg–Marquardt iterative algorithm is used to fit the relation of the zoom potentiometer code values and the focal length to achieve the zoom position closed-loop control. Finally, the improved area search algorithm is used to achieve fast autofocusing and acquire clear images. The experimental results show that the ITAE (integrated time and absolute error) performance index of the improved RBF ANN fuzzy PID control algorithm is improved by more than two orders of magnitude as compared with the traditional fuzzy PID control algorithm, and the settling time is 6.4 s faster than that of the traditional fuzzy PID control. Then, the Levenberg–Marquardt iterative algorithm has a fast convergence speed, and the fitting precision is high. The quintic polynomial fitting results are basically consistent with the sixth-degree polynomial. The fitting accuracy is much better than that of the quadratic polynomial and exponential. Autofocusing requires less than 2 s and is improved by more than double that of the traditional method. The improved area search algorithm can quickly obtain clear images and solve the backlash problem. Full article
(This article belongs to the Section Physical Sensors)
Show Figures

Figure 1

17 pages, 2994 KB  
Article
A Robust Electric Power-Steering-Angle Controller for Autonomous Vehicles with Disturbance Rejection
by Lubna Khasawneh and Manohar Das
Electronics 2022, 11(9), 1337; https://doi.org/10.3390/electronics11091337 - 22 Apr 2022
Cited by 20 | Viewed by 3052
Abstract
This paper addresses the challenges associated with steering-angle control of electric power steering for autonomous vehicles, including steering model parameter uncertainty, dependency of self-aligning moment disturbance estimation on tire parameters, and compensation for the asymmetrical hysteresis behavior in the steering system caused by [...] Read more.
This paper addresses the challenges associated with steering-angle control of electric power steering for autonomous vehicles, including steering model parameter uncertainty, dependency of self-aligning moment disturbance estimation on tire parameters, and compensation for the asymmetrical hysteresis behavior in the steering system caused by backlash in gears and static friction. A variable gain-sliding mode steering-angle controller is developed to deal with these challenges. Replacing the fixed gain with variable gain in the sliding mode controller solves two problems: it eliminates chattering, and it allows for automatic gain adjustment based on the maneuver and the size of the error, which eliminates the need for gain scheduling. Both fixed and variable gain-sliding mode controllers are derived and compared in simulations to prove the superiority of the variable gain controller. A sliding mode observer is developed to estimate the self-aligning moment disturbance without required information about the tire parameters, which makes it vehicle independent. The observer also treats the static friction as disturbance and estimates it along with any other disturbance, such as driver torque disturbance. The stability of both the controller and the observer is proven using Lyapunov stability theory. Simulation and experimental results proved the robustness of the presented methods to the above challenges. Full article
(This article belongs to the Section Electrical and Autonomous Vehicles)
Show Figures

Figure 1

19 pages, 4281 KB  
Article
Worm Gear Drives with Improved Kinematic Accuracy
by Wojciech Kacalak, Maciej Majewski, Zbigniew Budniak and Jacek Ponomarenkow
Materials 2021, 14(24), 7825; https://doi.org/10.3390/ma14247825 - 17 Dec 2021
Cited by 10 | Viewed by 5047
Abstract
This paper presents the fundamentals of the design and applications of new worm gear drive solutions, which enable the minimisation of backlash and are characterised by higher kinematic accuracy. Different types of worm surfaces are briefly outlined. Technological problems concerning the principles of [...] Read more.
This paper presents the fundamentals of the design and applications of new worm gear drive solutions, which enable the minimisation of backlash and are characterised by higher kinematic accuracy. Different types of worm surfaces are briefly outlined. Technological problems concerning the principles of achieving a high degree of precision in machining are also described. Special attention is paid to the shaping of conical helical surfaces. Increasing the manufacturing precision of drive components allows one to achieve both lower backlash values and lower levels of its dispersion. However, this does not ensure that backlash can be eliminated, with its value being kept low during longer periods of operation. This is important in positioning systems and during recurrent operations. Various design solutions for drives in which it is possible to reduce backlash are presented. Results of experiments of a worm gear drive with a worm axially adaptive only locally, in its central section, are presented. In this solution, it is possible to reduce backlash by introducing adjustment settings without disassembling the drive. An important scientific problem concerned defining the principles of achieving a compromise between the effectiveness of reducing backlash and the required load capacity of the drive. In this paper it has been shown that in worm gear drives with a locally axially adaptive worm, as well as with a worm wheel with a deformable rim, it is possible to achieve significant reduction of backlash. In high precision drives—for example, those with an average backlash value of <15 micrometers—this can enable more than a two-fold reduction of the average backlash value and more than a three-fold decrease of the standard deviation of local backlash values. Full article
(This article belongs to the Special Issue Precision Kinematic Systems - Design and Operation)
Show Figures

Figure 1

15 pages, 5298 KB  
Article
Attaining Ultraprecision Machining by Feed Drive System Stability Control with Piezoelectric Preloading Actuators
by Guangcheng Zhang, Hao Jin and Yueh-Jaw Lin
Appl. Sci. 2021, 11(18), 8491; https://doi.org/10.3390/app11188491 - 13 Sep 2021
Cited by 4 | Viewed by 2080
Abstract
In this paper, a variable preload force control structure utilizing piezoelectric actuators (PEAs) is proposed for the stability control of the feed drive system. Three PEAs are installed between the two nuts to exert preload force on the ball screw, leading to an [...] Read more.
In this paper, a variable preload force control structure utilizing piezoelectric actuators (PEAs) is proposed for the stability control of the feed drive system. Three PEAs are installed between the two nuts to exert preload force on the ball screw, leading to an elimination or substantial reduction of the backlash, which is the main cause of instability of feed drives. This results in better machining precision throughout the operation process. In addition, the force analysis of the whole preload feed drive system is established. Moreover, the hysteresis of the PEAs is determined with reference to the Prandtl–Ishlinskii (P-I) model. Lastly, the P-I model-based feedforward controller is applied to the feed drive system to improve the resultant machining precision. Based on the modeling and experiments, to demonstrate the efficacy and high-performance of the proposed P-I model-based control algorithm against conventional PID control system, comparative experiments are conducted, showing satisfactory results. Full article
(This article belongs to the Section Mechanical Engineering)
Show Figures

Figure 1

15 pages, 5344 KB  
Article
A New Control Method for Backlash Error Elimination of Pneumatic Control Valve
by Haiming Xu, Yong Li and Lanzhu Zhang
Processes 2021, 9(8), 1378; https://doi.org/10.3390/pr9081378 - 6 Aug 2021
Cited by 7 | Viewed by 3978
Abstract
Backlash is a commonly non-linear phenomenon, which can directly degrade the control accuracy of a pneumatic control valve. To explain the cause and law of backlash error, and to propose an effective method, many research works on the modeling of a pneumatic control [...] Read more.
Backlash is a commonly non-linear phenomenon, which can directly degrade the control accuracy of a pneumatic control valve. To explain the cause and law of backlash error, and to propose an effective method, many research works on the modeling of a pneumatic control valve system have been carried out. The currently model of a control valve system can be classified as a physical model, data-driven model, and semi-physical model. However, most models only consider the force-displacement conversion process of a pneumatic diagram actuator in a pneumatic control valve system. A physical model based on the whole workflow of the pneumatic control valve system is established and a control method to eliminate the backlash error is proposed in this paper. Firstly, the physical model of the pneumatic control valve system is established, which is composed of three parts: pneumatic diaphragm actuator model, nozzle-flapper structure model and electromagnetic model. After that, the input–output relationship of the pneumatic control valve system can be calculated according to the established physical model, and the calculation results are consistent with the experimental result. Lastly, a self-calibration PID (SC-PID) control method is proposed for backlash error elimination. The proposed method can solve valve stem oscillation caused by backlash during valve control. Full article
(This article belongs to the Special Issue Recent Advances in Chemical Process Safety)
Show Figures

Figure 1

13 pages, 5739 KB  
Article
Elimination of Gear Clearance for the Rotary Table of Ultra Heavy Duty Vertical Milling Lathe Based on Dual Servo Motor Driving System
by Hui Jiang, Hongya Fu, Zhenyu Han and Hongyu Jin
Appl. Sci. 2020, 10(11), 4050; https://doi.org/10.3390/app10114050 - 11 Jun 2020
Cited by 10 | Viewed by 4010
Abstract
The effective way to improve the position accuracy of rotary table of ultra-heavy vertical milling lathe is to reduce or even eliminate the clearance of mechanical transmission structure. In this paper, a useful method for eliminating the gear clearance of C axis of [...] Read more.
The effective way to improve the position accuracy of rotary table of ultra-heavy vertical milling lathe is to reduce or even eliminate the clearance of mechanical transmission structure. In this paper, a useful method for eliminating the gear clearance of C axis of heavy duty machine tool is proposed based on dual servo motor driving system. The principle of double gear anti-backlash is explained and the process of clearance elimination is determined by adjusting the driving torques of the two motors. The dynamic model of the driving system of the dual servo motor is established, so as to find the non-linearity of the clearance, wear and tooth clearance in the drive system. According to the dynamic model and simulation results, the master-slave control parameters of the dual servo motor system are optimized in order to eliminate the clearance and improve the accuracy of the dual drive C-axis. Experiments are carried out to verify the validity of the proposed anti-backlash method. The experimental result also shows that the indexing accuracy of the table has been improved by more than 50% under different working conditions. Full article
(This article belongs to the Section Mechanical Engineering)
Show Figures

Figure 1

18 pages, 369 KB  
Article
State Space System Identification of 3-Degree-of-Freedom (DOF) Piezo-Actuator-Driven Stages with Unknown Configuration
by Yu Cao and Xiongbiao Chen
Actuators 2013, 2(1), 1-18; https://doi.org/10.3390/act2010001 - 8 Mar 2013
Cited by 5 | Viewed by 9346
Abstract
Due to their fast response, high accuracy and non-friction force, piezo-actuators have been widely employed in multiple degree-of-freedom (DOF) stages for various nano-positioning applications. The use of flexible hinges in these piezo-actuator-driven stages allows the elimination of the influence of friction and backlash [...] Read more.
Due to their fast response, high accuracy and non-friction force, piezo-actuators have been widely employed in multiple degree-of-freedom (DOF) stages for various nano-positioning applications. The use of flexible hinges in these piezo-actuator-driven stages allows the elimination of the influence of friction and backlash clearance, as observed in other configurations; meanwhile it also causes more complicated stage performance in terms of dynamics and the cross-coupling effect between different axes. Based on the system identification technique, this paper presents the development of a model for the 3-DOF piezo-actuator-driven stages with unknown configuration, with its parameters estimated from the Hankel matrix by means of the maximum a posteriori (MAP) online estimation. Experiments were carried out on a commercially-available piezo-actuator-driven stage to verify the effectiveness of the developed model, as compared to other methods. The results show that the developed model is able to predict the stage performance with improved accuracy, while the model parameters can be well updated online by using the MAP estimation. These capabilities allow investigation of the complicated stage performance and also provide a starting point from which the mode-based control scheme can be established for improved performance. Full article
(This article belongs to the Special Issue Human Centered Actuators)
Show Figures

Figure 1

Back to TopTop