Sign in to use this feature.

Years

Between: -

Subjects

remove_circle_outline
remove_circle_outline
remove_circle_outline
remove_circle_outline
remove_circle_outline
remove_circle_outline
remove_circle_outline
remove_circle_outline
remove_circle_outline

Journals

remove_circle_outline
remove_circle_outline
remove_circle_outline
remove_circle_outline
remove_circle_outline
remove_circle_outline
remove_circle_outline
remove_circle_outline
remove_circle_outline
remove_circle_outline
remove_circle_outline
remove_circle_outline
remove_circle_outline
remove_circle_outline
remove_circle_outline
remove_circle_outline
remove_circle_outline

Article Types

Countries / Regions

remove_circle_outline
remove_circle_outline
remove_circle_outline
remove_circle_outline
remove_circle_outline
remove_circle_outline
remove_circle_outline

Search Results (2,732)

Search Parameters:
Keywords = TiO2 nanoparticle

Order results
Result details
Results per page
Select all
Export citation of selected articles as:
24 pages, 9004 KB  
Article
PbS-Decorated TiO2 Nanotubes via SILAR for Enhanced Wear and Corrosion Protection in Technical Coatings
by Hafedh Dhiflaoui, Karim Choubani, Jabeur Ghozlani, Syrine Sassi, Wissem Zayani, Mohamed Aziz Hajjaji, Lotfi Khezami, Mohamed Salah, Mounir Gaidi, Mohamed Ben Rabha, Mohammed A. Almeshaal and Anouar Hajjaji
Crystals 2026, 16(4), 254; https://doi.org/10.3390/cryst16040254 (registering DOI) - 11 Apr 2026
Abstract
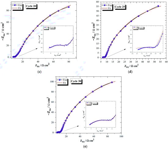
TiO2 nanotubes were synthesized using the anodization method on Ti foils and decorated with PbS nanoparticles by the SILAR method at different cycle numbers (10, 15, 20, 25, and 30). These samples were characterized using SEM, TEM, XRD, and microhardness tests. Morphologically, [...] Read more.
TiO2 nanotubes were synthesized using the anodization method on Ti foils and decorated with PbS nanoparticles by the SILAR method at different cycle numbers (10, 15, 20, 25, and 30). These samples were characterized using SEM, TEM, XRD, and microhardness tests. Morphologically, the PbS nanoparticles were evenly dispersed on TiO2 nanotubes in the shape of small spheres. With an increase in the number of cycles, the size and shape of the nanoparticles increased. This also affected the structure and crystallinity of the PbS NPs, as the crystallite size of PbS increased. The in-depth analysis of the tribological characteristics of the coatings conducted using the scratch test allowed us to evaluate the adhesion of the coatings, a crucial aspect in determining their effectiveness and durability. Furthermore, we found that the wear resistance of the coatings increased with the number of PbS cycles up to 15 cycles. However, for the samples with higher size distribution and crystallite size, such as those with more than 15 cycles, the microhardness continued to decrease. This indicates that the addition of PbS can improve the durability of TiO2 coatings, making them a potential candidate for advanced surface coatings in demanding engineering applications. Electrochemical measurements were conducted to assess the corrosion resistance of the samples. The electrochemical impedance spectra (EIS) results revealed that the PbS/TiO2 coatings with 15 deposition cycles exhibited the most effective corrosion resistance, with a dense and uniform distribution of PbS nanoparticles forming a compact barrier that effectively protects against corrosion. The charge transfer resistance (Rct) and the absorption capacitance (Qab) values were higher for the 15-cycle sample (4.49 Ω·cm2 and 0.9 Fsn−1cm−2, respectively). Full article
Show Figures

Figure 1

21 pages, 2134 KB  
Article
TiO2/CdS Heterojunction as an Efficient Photocatalyst for Degradation of Crystal Violet Dye and Antibacterial Activity
by Shehzad Ahmad, Sumbul Irfan, Summaya Riaz, Naveed Akhtar, Dilaram Khan, Amir Zada, Muhammad Ateeq, Noor S. Shah, Javed Ali Khan and Changseok Han
Water 2026, 18(8), 910; https://doi.org/10.3390/w18080910 - 10 Apr 2026
Abstract
In this study, TiO2 nanoparticles (NPs), CdS NPs and TiO2/CdS nanocomposite were synthesized via the sol–gel, hydrothermal and ex situ method, respectively. The synthesized materials were characterized using XRD, UV–vis DRS, FTIR, SEM, and EDX analysis. XRD analysis confirmed the [...] Read more.
In this study, TiO2 nanoparticles (NPs), CdS NPs and TiO2/CdS nanocomposite were synthesized via the sol–gel, hydrothermal and ex situ method, respectively. The synthesized materials were characterized using XRD, UV–vis DRS, FTIR, SEM, and EDX analysis. XRD analysis confirmed the crystalline structure of the as-prepared samples, while the bandgap energy of TiO2 NPs, CdS NPs, and TiO2/CdS nanocomposite were determined to be 2.98, 1.94, and 2.27 eV, respectively. Photocatalytic efficiency of TiO2 NPs, CdS NPs, and TiO2/CdS nanocomposite was systematically evaluated by photocatalytic degradation of crystal violet (CV) dye under visible-light irradiation. Under optimized reaction conditions of [CV concentration] = 20 mg/L, [catalyst dosage] = 0.25 g/L, and pH = 6, TiO2/CdS nanocomposite achieved 86.3% removal of CV within 180 min, outperforming pure TiO2 NPs (16.4%) and CdS NPs (66.9%). The enhanced performance of TiO2/CdS nanocomposite as compared to CdS NPs is attributed to improved charge separation via heterojunction formation, while significantly superior performance over TiO2 demonstrates successful visible-light activation. Further optimization study revealed that maximum removal efficiency of CV (97.1%) was achieved at lower dye concentration (10 mg/L). Photocatalytic degradation of CV followed pseudo-first-order kinetics. Moreover, scavenger experiments confirmed hydroxyl radicals (OH) as dominant reactive species. Furthermore, the TiO2/CdS nanocomposite demonstrated good reusability with minimal activity loss after five runs. Additionally, the as-prepared nanocomposites showed significant antibacterial activity against Pseudomonas aeruginosa (P. aeruginosa). The present study indicated that TiO2/CdS nanocomposite could be simultaneously used for degradation of organic pollutants as well as for removal of microorganisms while targeting environmental sustainability and water purification. Full article
(This article belongs to the Special Issue Recent Advances in Photocatalysis in Water and Wastewater Treatment)
Show Figures

Graphical abstract

20 pages, 3952 KB  
Article
Surface Characterization of DPPG Films Modified by Chitosan, Hyaluronic Acid and Titanium Dioxide
by Agata Ładniak, Małgorzata Jurak and Agnieszka E. Wiącek
Int. J. Mol. Sci. 2026, 27(8), 3400; https://doi.org/10.3390/ijms27083400 - 10 Apr 2026
Abstract
This study focused on elucidating the effects of chitosan (Ch), hyaluronic acid (HA), and titanium dioxide nanoparticles (nano-TiO2) on the physicochemical characteristics of a model bacterial membrane (layer) composed of the phospholipid DPPG (1,2-dipalmitoyl-sn-glycero-3-phospho-rac-(1-glycerol) sodium salt). The [...] Read more.
This study focused on elucidating the effects of chitosan (Ch), hyaluronic acid (HA), and titanium dioxide nanoparticles (nano-TiO2) on the physicochemical characteristics of a model bacterial membrane (layer) composed of the phospholipid DPPG (1,2-dipalmitoyl-sn-glycero-3-phospho-rac-(1-glycerol) sodium salt). The membrane was prepared on mica using the Langmuir–Blodgett (LB) technique from an aqueous subphase containing Ch, HA and/or TiO2. Its surface properties were subsequently characterized by optical profilometry and surface free energy estimation. The nanoscale topography of the DPPG layer provided a biomimetic platform that reflects the organization of bacterial membranes, enabling a precise evaluation of how external agents, such as Ch, HA, and nano-TiO2, modify the surface’s structural and energetic properties. The results showed that the LB films exhibit mildly heterogeneous topography, which can be attributed to lipid domains with distinct molecular packing densities. Depending on the type of biopolymer employed with TiO2, distinct topographic architectures of the DPPG monolayers were obtained. Furthermore, the presence of nano-TiO2 was clearly manifested as a topographic irregularity, while the analysis of hydrophilic–hydrophobic properties revealed a structurally perturbed lipid film. The results provide detailed insight into how these specific molecules (Ch, HA, nano-TiO2) interact at the molecular level with model bacterial membranes, offering a comprehensive picture of cell–microenvironment interactions. Full article
(This article belongs to the Special Issue New Perspectives of Colloids for Biological Applications, 2nd Edition)
Show Figures

Figure 1

22 pages, 9732 KB  
Article
Room Temperature N2O Detection by UV-Assisted SnO2-TiO2 Sensor Elements Fabricated by Atmospheric PLD
by Anna Dikovska, Nadya Stankova, Tina Dilova, Genoveva Atanasova, Georgi Avdeev, Tsanislava Genova, Daniela Karashanova, Mihail Mihaylov and Nikolay Nedyalkov
Appl. Sci. 2026, 16(8), 3676; https://doi.org/10.3390/app16083676 - 9 Apr 2026
Abstract
In this work, we report the fabrication of SnO2-based composite nanostructures in view of their application as a sensor element toward N2O gas exposure. The samples were produced by laser ablation of a composite SnO2-TiO2 target [...] Read more.
In this work, we report the fabrication of SnO2-based composite nanostructures in view of their application as a sensor element toward N2O gas exposure. The samples were produced by laser ablation of a composite SnO2-TiO2 target performed in air at atmospheric pressure (in open air). We examined how the structure, morphology, composition, and physical properties of the samples change with the TiO2 content being introduced into the SnO2 target. The laser ablation of SnO2-based targets in open air produced samples with a structure in which SnO2 and SnO crystal phases co-existed, as the crystal phases were distinguished in separate nanoparticles. The nanoparticles formed a complex porous structure with oxygen-related defects. We investigated the gas-sensing properties of composite SnO2-based sensor elements working under UV irradiation. The highest response to N2O exposure and the fastest response/recovery times were demonstrated by the sensor element produced by the laser ablation of a composite target prepared by 10 wt% TiO2 in SnO2. Additionally, we found that a small amount (below 0.1 wt%) of noble metal (Pt) added to the sensor element substantially improved the gas sensor performance without inducing significant structural and/or morphological changes. Further, we explored how simultaneous irradiation of the sensor surface with UV and visible light changes the sensor properties. The best sensor performance toward N2O exposure was achieved by irradiating the Pt-doped SnO2-TiO2 sensor surface simultaneously with UV and red lights. Full article
(This article belongs to the Section Nanotechnology and Applied Nanosciences)
Show Figures

Figure 1

21 pages, 5147 KB  
Article
Self-Humidifying and Super-Protonic Conductivity of SPEEK-Based Composite Proton Exchange Membranes Incorporated by Functionalized MXene and Modified TiO2 Nanofillers
by Manting Huang, Ai Song, Xingliu Ben, Weijia Ji, Yuxuan Pan and Huaxin Rao
Nanomaterials 2026, 16(8), 446; https://doi.org/10.3390/nano16080446 - 8 Apr 2026
Abstract
MXene, as a suitable and alternative 2D nanofiller incorporated into a proton exchange membrane (PEM), has recently received considerable attention because of desired mechanical stability, promising conductivity, and active surface functional groups. However, agglomeration or sedimentation in PEMs, as well as the water [...] Read more.
MXene, as a suitable and alternative 2D nanofiller incorporated into a proton exchange membrane (PEM), has recently received considerable attention because of desired mechanical stability, promising conductivity, and active surface functional groups. However, agglomeration or sedimentation in PEMs, as well as the water retention capacity under low humidity of MXene, are limiting factors in the field of PEMs. In this paper, modified MXene and TiO2 nanoparticles used as functional nanofillers were incorporated into sulfonated poly (ether ether ketone) (SPEEK) to prepare novel SPEEK-based composite PEMs. The effects of the nanofiller contents on self-humidifying and protonic conductivity of the composite PEMs were also investigated under different temperatures. When the contents of functionalized MXene and modified TiO2 are 5 wt.%, proton conductivity, water uptake and methanol permeability of the composite PEMs can be up to 0.143 S/cm, 60% and 2.27 × 10−7 cm2/s, respectively, which represent increases of about 192%, about 38% and a decrease of 47%, respectively, compared with that of primary SPEEK PEM. Under the synergistic action of functionalized MXene providing a higher number of exchangeable proton sites, modified TiO2 with inherent hydrophilicity enhancing water retention and Pt providing catalytic sites for the H2/O2 reaction to generate water in situ, the self-humidifying capability and proton conductivity of the composite PEMs were improved significantly. Full article
Show Figures

Figure 1

19 pages, 3674 KB  
Article
Laser-Synthesized Vanadium-Based Nanoparticles on TiO2 Nanotubes for Photocatalytic Degradation of Acid Yellow 23
by Miloš Tošić, Marina Radenković, Rafaela Radičić, Stevan Stojadinović, Sanja Živković, Nikša Krstulović and Miloš Momčilović
Processes 2026, 14(8), 1188; https://doi.org/10.3390/pr14081188 - 8 Apr 2026
Abstract
Various metal-modified titanium dioxide (TiO2) nanotubes have been widely investigated for water purification due to their large surface area, stability, and photocatalytic activity. In this context, this study investigates the deposition of vanadium-based nanoparticles (V NPs) on TiO2 nanotubes via [...] Read more.
Various metal-modified titanium dioxide (TiO2) nanotubes have been widely investigated for water purification due to their large surface area, stability, and photocatalytic activity. In this context, this study investigates the deposition of vanadium-based nanoparticles (V NPs) on TiO2 nanotubes via immersion in aqueous dispersions of V NPs synthesized by picosecond and nanosecond pulsed laser ablation in liquid at four different output energies (picosecond: 15 and 30 mJ; nanosecond: 120 and 250 mJ), with the aim of improving their photocatalytic performance. By optimizing the concentration of V NPs in the dispersions and the immersion time, the degradation efficiency of Acid Yellow 23 under photocatalytic conditions was enhanced for TiO2 modified with V NPs synthesized at output energies of 30 and 250 mJ, whereas no improvement was observed for TiO2 modified with V NPs synthesized at 15 and 120 mJ. A series of V-TiO2 photocatalysts was fabricated by depositing laser-synthesized V NPs of various sizes on TiO2 nanotubes prepared by electrochemical anodization of a titanium mesh. Full article
(This article belongs to the Special Issue Metal Oxides and Their Composites for Photocatalytic Degradation)
Show Figures

Figure 1

15 pages, 3396 KB  
Article
Waterproof and Breathable Polyurethane Membranes with Self-Healing and Self-Cleaning Properties: Synergistic Enhancement by Polydimethylsiloxane and Phenolic Carbamate Network and Photocatalytic Effect
by Yuqing He, Xiaohan Yang, Fufen Li, Xiudan Tao, Chenhui Liu and Zhengjun Li
Polymers 2026, 18(7), 881; https://doi.org/10.3390/polym18070881 - 3 Apr 2026
Viewed by 181
Abstract
Developing environmentally friendly, multifunctional waterproof and breathable membranes (WBMs) has attracted extensive attention and is of great significance but remains challenging. Herein, an environmentally friendly and multifunctional waterborne polyurethane WBM with self-healing and self-cleaning properties is developed in two steps. Firstly, by using [...] Read more.
Developing environmentally friendly, multifunctional waterproof and breathable membranes (WBMs) has attracted extensive attention and is of great significance but remains challenging. Herein, an environmentally friendly and multifunctional waterborne polyurethane WBM with self-healing and self-cleaning properties is developed in two steps. Firstly, by using polydimethylsiloxane (PDMS) as a hydrophobicity giver and tannic acid (TA) as a crosslinker, a dual-modified waterborne polyurethane (PTWPU) is prepared, which has high surface hydrophobicity due to the surface enrichment of siloxane segments and self-healing performance from the formation of a dynamic phenolic carbamate network. Secondly, by incorporating titanium dioxide (TiO2) photocatalyst nanoparticles to increase internal porosity and establish hydrophilic pathways, a multifunctional waterborne polyurethane WBM (TPTWPU) is developed. This membrane features further enhanced surface hydrophobicity from generated micro-roughness and effective self-cleaning performance, because TA acts as an electron trap to promote the photocatalytic activity of TiO2. The TPTWPU membrane shows good hydrophobicity (water contact angle of 115.3°) and satisfactory moisture permeability of 135.0 g/(m2·24 h), which is 61.2% higher than unmodified membranes. Furthermore, it exhibits efficient self-healing, with a recovery rate exceeding 80% within 2 h. This feasible strategy will provide guidance for materials design in multifunctional coatings for textiles and leather. Full article
Show Figures

Graphical abstract

23 pages, 5727 KB  
Article
Titanium-Integrated Magnetic Silica Aerogels via Microfluidic Synthesis for Pesticide Removal from Water
by Elena-Theodora Moldoveanu, Adelina-Gabriela Niculescu, Dana-Ionela Tudorache (Trifa), Alexandra-Cătălina Bîrcă, Bogdan Purcăreanu, Ionela C. Voinea, Miruna S. Stan, Bogdan-Ștefan Vasile, Dan Eduard Mihaiescu, Tony Hadibarata and Alexandru Mihai Grumezescu
Gels 2026, 12(4), 309; https://doi.org/10.3390/gels12040309 - 3 Apr 2026
Viewed by 177
Abstract
Pesticides are a major cause of water contamination, making this issue a major environmental and public health concern. In this context, the development of advanced and effective remediation materials is needed. In this study, a titanium-functionalized magnetic silica aerogel (AG-Ti@Fe3O4 [...] Read more.
Pesticides are a major cause of water contamination, making this issue a major environmental and public health concern. In this context, the development of advanced and effective remediation materials is needed. In this study, a titanium-functionalized magnetic silica aerogel (AG-Ti@Fe3O4-SA) was successfully prepared via microfluidics and evaluated for water decontamination. The structural and compositional features of the aerogel were determined using XRD, FT-IR, RAMAN, SEM, TEM, BET, and DLS, confirming the formation of the aerogel with dispersed Fe3O4-SA nanoparticles and the successful incorporation of titanium within the aerogel matrix. Regarding decontamination potential, the aerogel was tested against a pesticide mixture, yielding pesticide-dependent removal efficiencies (16–100%). Notably, the aerogel exhibited a high affinity for organophosphorus pesticides and a moderate affinity for polar compounds, whereas bulky hydrophobic pesticides showed lower adsorption. In vitro, the aerogel induced a moderate decrease in HaCaT cell viability after 48 h of exposure, accompanied by a slight increase in lactate dehydrogenase release, while HEK293 cells remained largely unaffected, indicating a cell-type-dependent biological response. Overall, the findings from this screening-level study recommend AG-Ti@Fe3O4-SA aerogel as a promising selective adsorbent for pesticide removal. Full article
Show Figures

Figure 1

27 pages, 6182 KB  
Article
Tailoring Interfacial Charge Transfer via Defect-Mediated Au/Bi4Ti3O12 Heterostructures for Highly Selective Photocatalytic CO2 Reduction to CH4
by Biao Zhang, Liantao Yang, Boyu Chen, Yuanzhe Li and Hao Wang
Catalysts 2026, 16(4), 327; https://doi.org/10.3390/catal16040327 - 2 Apr 2026
Viewed by 194
Abstract
Defect engineering and metal–support coupling provide an effective route to tune interfacial charge dynamics for selective photocatalytic CO2 reduction. Here, Ti-vacancy-rich Bi4Ti3O12 (BTvO) nanosheets were prepared and decorated with Au nanoparticles (Au NPs) to build Au-BTvO junctions [...] Read more.
Defect engineering and metal–support coupling provide an effective route to tune interfacial charge dynamics for selective photocatalytic CO2 reduction. Here, Ti-vacancy-rich Bi4Ti3O12 (BTvO) nanosheets were prepared and decorated with Au nanoparticles (Au NPs) to build Au-BTvO junctions that favor multi-electron/proton transfer toward deep hydrogenation. The optimized 3%Au-BTvO achieved high hydrocarbon productivity under visible light (λ > 420 nm), delivering CH4 and C2H6 formation rates of 92.66 and 17.96 μmol g−1 h−1, respectively, with stable performance over 25 h. Spectroscopic analyses reveal higher CO2 uptake and more effective surface activation, increased water adsorption with a more favorable interfacial hydration environment, and time-dependent formation of key C1 and C2 intermediates. In situ light-irradiation XPS, PL mapping, and KPFM collectively demonstrate directional electron transfer from Bi4Ti3O12 to Au and amplified surface band bending, enabling efficient charge separation and accelerated surface reduction. This work highlights defect–metal synergy as a general strategy to boost activity, selectivity, and durability in visible-light CO2-to-methane conversion. Full article
(This article belongs to the Special Issue Efficient Catalysts in Carbon Dioxide (CO2) Conversion)
Show Figures

Graphical abstract

20 pages, 4177 KB  
Article
Nd2O3/TiO2 Nanotube Array Heterojunctions: Rare Earth Modification Driven Efficient Photoelectrochemical Water Splitting for Hydrogen Production
by Wei Wang, Wen-Ya Zhong, Ke-Xian Li, Yang Yang, Bai-Rui Chen, Chi Xing, Hai-Long Wang, Xin-Zhi Tian, Xiao-Wei Wu, Yan-Xin Chen and Can-Zhong Lu
Catalysts 2026, 16(4), 307; https://doi.org/10.3390/catal16040307 - 1 Apr 2026
Viewed by 183
Abstract
The photoelectrochemical water-splitting process for hydrogen production is limited by the large bandgap of semiconductor titanium dioxide (TiO2) and by interfacial recombination at particle interfaces. The technique used in this paper is that of electrochemical anodization to produce robust, ordered TiO [...] Read more.
The photoelectrochemical water-splitting process for hydrogen production is limited by the large bandgap of semiconductor titanium dioxide (TiO2) and by interfacial recombination at particle interfaces. The technique used in this paper is that of electrochemical anodization to produce robust, ordered TiO2 nanotube arrays (TiO2 nanorod arrays denoted as TNTAs). Using the immersion-annealing method, Nd2O3 nanoparticles can be immobilized in situ, and Nd2O3/TNTAs composite photoanodes are fabricated. The heterointerface caused between the Nd2O3 nanoparticles and TiO2 results in the alignment of the Fermi levels and the formation of band bending and an internal electric field at the interface. It allows rapid photo-generated electron-hole (e/h+) separation at the interface and, simultaneously, introduces novel localized electron states of Nd3+ within the TiO2 bandgap. This triggers hybridisation between the 3d orbitals of Ti and the 2p orbitals of O, thereby altering the band structure of TiO2. The best-performing Nd2O3/TNTAs photoelectrode outperforms pure TNTAs, with a photocurrent density of 1.59 mA·cm−2 at 1.23 V vs. RHE. It produces 162.6 μmol·cm−2 of hydrogen in a 3 h photocatalytic hydrogen production experiment, which is about 12.2 times that of pure TNTAs. This approach highlights the unique benefits and creative opportunities of applying rare-earth elements to address the critical issues of photocatalysts, such as significant band gaps and rapid recombination. Full article
(This article belongs to the Special Issue Catalytic Strategies for Sustainable Water Splitting)
Show Figures

Figure 1

14 pages, 4657 KB  
Article
Strong Metal–Support Interaction in Rh/TiO2 Catalysts for Reductive Deuteration of Quinoline
by Wenting Zhang, Xiang-Ting Min and Botao Qiao
Catalysts 2026, 16(4), 301; https://doi.org/10.3390/catal16040301 - 31 Mar 2026
Viewed by 182
Abstract
Reductive deuteration of N-heterocycles provides an efficient route to deuterated scaffolds, yet achieving controlled deuterium incorporation in quinoline remains challenging. Herein, we report a high-temperature H2-treated Rh/TiO2 catalyst (Rh/TiO2–H500) that enables efficient reductive deuteration of quinoline using D [...] Read more.
Reductive deuteration of N-heterocycles provides an efficient route to deuterated scaffolds, yet achieving controlled deuterium incorporation in quinoline remains challenging. Herein, we report a high-temperature H2-treated Rh/TiO2 catalyst (Rh/TiO2–H500) that enables efficient reductive deuteration of quinoline using D2O as a deuterium source. Structural characterization reveals that reduction at 500 °C induces a pronounced strong metal–support interaction (SMSI), leading to partial TiOx encapsulation of Rh nanoparticles and interfacial electron transfer that generates electron-rich Rh0 species. This optimized interfacial structure promotes cooperative C–H activation and effective H/D transfer across the reduced quinoline framework, affording high deuterium incorporation at multiple positions of 1,2,3,4-tetrahydroquinoline (THQ). These results highlight the importance of SMSI-driven electronic and interfacial modulation in regulating reductive H/D exchange over heterogeneous catalysts. Full article
(This article belongs to the Section Catalytic Materials)
Show Figures

Graphical abstract

17 pages, 3055 KB  
Article
Antiviral Potential Efficacy of Green-Synthesized Silver and Titanium Dioxide Nanoparticles Against Rotavirus, Cytomegalovirus, and Human Papillomavirus
by Mohamed Z. Sayed-Ahmed, Mohamed A. Rizk, Soheir A. A. Hagras, Moaddey Alfarhan, Ayed A. Alshamrani, Ahmed H. Albariqi, Amal A. Mohamed, Mostafa A. Abdel-Maksoud, Wahidah H. Al-Qahtani, Bushra Hafeez Kiani and Atef S. Elgebaly
Pharmaceuticals 2026, 19(4), 556; https://doi.org/10.3390/ph19040556 - 31 Mar 2026
Viewed by 351
Abstract
Background: Viral infections represent a major challenge in modern medicine, including diseases caused by human papillomavirus (HPV), cytomegalovirus (CMV), and rotavirus, which are among the most prevalent viral pathogens. The rapid transmission and high mutation rates of these viruses contribute to substantial health [...] Read more.
Background: Viral infections represent a major challenge in modern medicine, including diseases caused by human papillomavirus (HPV), cytomegalovirus (CMV), and rotavirus, which are among the most prevalent viral pathogens. The rapid transmission and high mutation rates of these viruses contribute to substantial health burdens and socio economic consequences. Silver nanoparticles (Ag NPs) and titanium dioxide nanoparticles (TiO2-NPs) are effective antiviral agents. The major objective of this investigation was to measure the antiviral activity of titanium dioxide nanoparticles (TiO2-NPs) and green-produced silver nanoparticles (Ag NPs) against rotavirus, HPV, and CMV. Methods: UV-Vis spectroscopy, transmission electron microscopy (TEM), Fourier transform infrared (FTIR) spectroscopy, and X-ray diffraction (XRD) were used to characterize the nanoparticles. Cytotoxicity and antiviral activity were evaluated using a crystal violet assay in infected cell cultures. Results: The main findings indicate that both Ag NPs and TiO2-NPs exhibited pronounced antiviral activity against HPV, CMV, and rotavirus. Ag NPs exhibited strong antiviral activity, with lower IC50 values against HPV and CMV; however, this effect was associated with lower cytotoxic concentration (CC50) and selectivity index (SI) values, indicating higher cytotoxicity. In contrast, TiO2-NPs demonstrated a favorable safety profile, as indicated by higher CC50 value particularly against CMV (863.90 µg/mL) and rotavirus (386.84 µg/mL)—and low cytotoxicity toward host cells—highlighting their strong antiviral selectivity and therapeutic potential. Conclusions: Overall, these findings suggest that, while Ag-NPs possess strong antiviral efficacy, TiO2 NPs offer a more balanced combination of antiviral effectiveness and biosafety and may therefore be more promising candidates for antiviral applications. Full article
(This article belongs to the Section Pharmaceutical Technology)
Show Figures

Graphical abstract

39 pages, 4635 KB  
Article
Rice Husk Ash Geopolymers Modified with Fe3O4 or ZnTiO3/TiO2 Nanoparticles for the Adsorption and Photodegradation of Organic Dyes
by Ximena Jaramillo-Fierro, Juan-Pablo Cueva, John Ramón and Eduardo Valarezo
Nanomaterials 2026, 16(7), 413; https://doi.org/10.3390/nano16070413 - 29 Mar 2026
Viewed by 391
Abstract
Hybrid nanomaterials integrating magnetic and semiconductor phases offer promising multifunctional platforms for wastewater remediation; however, their stabilization and recovery remain challenging. In this study, Fe3O4 and ZnTiO3/TiO2 nanoparticles were incorporated into a rice husk ash-based geopolymer matrix [...] Read more.
Hybrid nanomaterials integrating magnetic and semiconductor phases offer promising multifunctional platforms for wastewater remediation; however, their stabilization and recovery remain challenging. In this study, Fe3O4 and ZnTiO3/TiO2 nanoparticles were incorporated into a rice husk ash-based geopolymer matrix to develop hybrid nanocomposites for synergistic adsorption–photodegradation of methylene blue (MB) and methyl orange (MO). The materials were synthesized via alkaline activation followed by nanoparticle incorporation, and characterized by XRD, XRF, FTIR, SEM, EDX, BET surface area analysis, and pHPZC determination. XRD confirmed the presence of nanocrystalline Fe3O4 and ZnTiO3/TiO2 phases while preserving the amorphous aluminosilicate framework. Modified powders exhibited higher specific surface areas (up to 198 m2 g−1) compared to the unmodified geopolymer. Adsorption followed the Langmuir isotherm and pseudo-second-order kinetics, with spontaneous and exothermic behavior. Under UV irradiation, the ZnTiO3/TiO2-modified composite achieved photodegradation efficiencies up to 94% for MB and 92% for MO, whereas the Fe3O4-modified material combined adsorption capacity with magnetic recoverability. These results demonstrate that nanoparticle incorporation enables multifunctional performance while maintaining structural integrity of the geopolymeric matrix. Full article
(This article belongs to the Section Nanocomposite Materials)
Show Figures

Figure 1

23 pages, 5229 KB  
Article
Experimental Investigation of Surface Integrity Analysis Using Machine Learning for Nano-Powder Mixed Electrical Discharge Machining
by Amreeta R. Kaigude, Nitin K. Khedkar and Vijaykumar S. Jatti
J. Manuf. Mater. Process. 2026, 10(4), 115; https://doi.org/10.3390/jmmp10040115 - 28 Mar 2026
Viewed by 339
Abstract
This research investigates the optimization of surface integrity in powder-mixed electrical discharge machining (PMEDM) through the innovative use of Jatropha biodielectric fluid enhanced with titanium dioxide (TiO2) nanoparticles. A comprehensive experimental framework was developed using design expert software (DOE) with Response [...] Read more.
This research investigates the optimization of surface integrity in powder-mixed electrical discharge machining (PMEDM) through the innovative use of Jatropha biodielectric fluid enhanced with titanium dioxide (TiO2) nanoparticles. A comprehensive experimental framework was developed using design expert software (DOE) with Response Surface Methodology (RSM) to systematically analyze the machining of AISI D2 tool steel using copper electrodes. The study examined five critical process parameters, gap current (Ip), pulse-on duration (Ton), pulse-off time (Toff), gap voltage (V), and powder concentration, evaluating their combined effects on surface roughness (SR), surface crack density (SCD), and residual stress characteristics. Advanced characterization techniques including scanning electron microscopy (SEM) were employed to analyze surface topography and subsurface microstructural changes. The optimization process successfully identified optimal machining conditions of current = 9 A, Ton = 100 µs, Toff = 10 µs, and gap voltage = 65 V, achieving exceptional surface quality with a minimum surface roughness of 3.22 µm. Remarkably, these optimized parameters resulted in crack-free surfaces with zero surface crack density and minimal residual stress values across the 2θ range of 90° to 180°. To enhance predictive capabilities, supervised machine learning algorithms were implemented to model surface roughness behavior. Comparative analysis of classification algorithms demonstrated that Support Vector Machine (SVM), k-Nearest Neighbors (kNNs), and Gaussian Naïve Bayes achieved superior performance with F1-scores of 0.88 and prediction accuracies of 90%. The integration of sustainable Jatropha biodielectric with TiO2 nanoparticles represents a significant advancement in environmentally conscious precision machining, while the machine learning approach establishes a robust framework for intelligent process optimization and quality prediction in advanced manufacturing applications. Full article
Show Figures

Figure 1

17 pages, 4174 KB  
Article
Detecting Polarized Side-Scattering Signals in Media with Ultra-Low-Scattering Coefficients: An Improved Monte Carlo Simulation Approach
by Chenyu Shan, Lin He, Bingjie Jin, Zhengbang Wu and Shihe Yi
Sensors 2026, 26(7), 2105; https://doi.org/10.3390/s26072105 - 28 Mar 2026
Viewed by 214
Abstract
Polarized side-scattering techniques are widely used in aerosol detection, oceanographic optics, and biomedical sensing due to their high sensitivity to weak optical signals in low-scattering coefficient media. Conventional polarized Monte Carlo methods face significant challenges in such regimes due to geometric mismatch, where [...] Read more.
Polarized side-scattering techniques are widely used in aerosol detection, oceanographic optics, and biomedical sensing due to their high sensitivity to weak optical signals in low-scattering coefficient media. Conventional polarized Monte Carlo methods face significant challenges in such regimes due to geometric mismatch, where photon exit positions deviate substantially from the detector plane. This study addresses the geometric mismatch issue in polarized Monte Carlo simulations for side scattering in low-scattering media (scattering coefficient μs= 1 cm−1), where photon exit positions often deviate from the detector plane. We propose a novel algorithm incorporating backward ray tracing with geometric projection correction to enhance simulation accuracy. Experimental validation was conducted using 532 nm laser illumination on both 500 nm polystyrene microspheres (μs= 0.21 cm−1) and 5 nm TiO2 nanoparticles (μs= 1.06 × 10−6–1.06 × 10−5 cm−1). The results demonstrate excellent agreement between simulations and experiments, confirming the algorithm’s capability to accurately capture the polarization characteristics of side-scattered light. This work provides a high-fidelity simulation tool for designing optical sensors in low-scattering media and holds direct applicability in nanoparticle concentration sensing and aerosol monitoring. Full article
(This article belongs to the Section Optical Sensors)
Show Figures

Figure 1

Back to TopTop