Sign in to use this feature.

Years

Between: -

Subjects

remove_circle_outline
remove_circle_outline
remove_circle_outline
remove_circle_outline
remove_circle_outline
remove_circle_outline
remove_circle_outline
remove_circle_outline
remove_circle_outline

Journals

remove_circle_outline
remove_circle_outline
remove_circle_outline
remove_circle_outline

Article Types

Countries / Regions

remove_circle_outline
remove_circle_outline
remove_circle_outline

Search Results (286)

Search Parameters:
Keywords = Poisson variation

Order results
Result details
Results per page
Select all
Export citation of selected articles as:
19 pages, 708 KB  
Article
Lean 5S + Safety and Work-Related Injuries in an Aluminum Casting Plant: A Five-Year Department-Stratified Analysis
by İbrahim Şahin and Sezai Şen
Appl. Sci. 2026, 16(3), 1395; https://doi.org/10.3390/app16031395 - 29 Jan 2026
Viewed by 201
Abstract
Lean 5S programs are widely promoted to improve occupational safety and health, but quantitative evaluations in metal casting are scarce. This study examined whether a Lean 5S + Safety program was associated with changes in injury outcomes in an aluminum casting plant. Safety [...] Read more.
Lean 5S programs are widely promoted to improve occupational safety and health, but quantitative evaluations in metal casting are scarce. This study examined whether a Lean 5S + Safety program was associated with changes in injury outcomes in an aluminum casting plant. Safety records from 2021 to 2025 for production and shopfloor support workers included injuries, lost workdays, and person–hours. Injury frequency (IFR) and severity (SR) rates per 1,000,000 person–hours were computed, and multivariable Poisson regression with log(person–hours) offsets estimated incidence rate ratios (IRRs) comparing the program period (2022–2025) with the pre-implementation year (2021); negative binomial models were also fitted. Over 3.53 million person–hours, 170 lost-time injuries, and 1848 lost workdays were recorded, and the annual IFR declined from 68.2 to 29.3 per 1,000,000 person–hours. Across model specifications, the program period was associated with 30–40% lower injury rates and roughly halved lost workday rates versus baseline. Injuries and lost workdays were concentrated in foundry and machining, and young short-tenure workers and those with lower secondary education had the highest rates; exploratory analyses suggested a late-summer shift in injuries from day to evening and night shifts. Overall, this multi-component Lean 5S + Safety-centered occupational safety and health (OSH) improvement program was associated with improved safety performance, while residual risk remained concentrated in specific departments and worker groups. Full article
Show Figures

Figure 1

21 pages, 3659 KB  
Article
Nonlinear Characteristics of Tensile and Compressive Mechanical Parameters for Typical Pavement Materials
by Qinxue Pan, Yuting Tan, Jia Hu, Long Zhang, Songtao Lv, Haihui Duan, Pan Tan, Jiang Yuan, Tongsheng Zhang, Xiaojin Song and Xudong Zha
Materials 2026, 19(3), 536; https://doi.org/10.3390/ma19030536 - 29 Jan 2026
Viewed by 158
Abstract
The reliability of the mechanical property values adopted for current pavement structural design remains low. Therefore, this study investigated the nonlinear characteristics for the tensile and compressive properties of cement-stabilized macadam (CSM) and an asphalt mixture (AM) under different gradation types and loading [...] Read more.
The reliability of the mechanical property values adopted for current pavement structural design remains low. Therefore, this study investigated the nonlinear characteristics for the tensile and compressive properties of cement-stabilized macadam (CSM) and an asphalt mixture (AM) under different gradation types and loading rates. And a multi-factor value model was developed for both. The results show that the tensile and compressive stress–strain behavior of both CSM and AM exhibited bilinear characteristics consistent with the bi-modulus theory (elasticity with different moduli in tension and compression). The strength, elastic modulus, and Poisson’s ratio followed a power function relationship with increasing loading rates, stabilizing at values beyond 0.1 MPa/s. The skeleton-dense gradation demonstrates the most favorable mechanical performance. For semi-open-graded AM with a void ratio of 8~16%, the mechanical parameters exhibit relatively high rates of change. Among the influencing factors, gradation type had the most significant impact on the mechanical parameters, especially on the elastic modulus. In general, tensile mechanical parameters were more sensitive to changes than compressive ones. Rc/Rt was most strongly affected by gradation type. Accordingly, a quantitative value model was established to describe the variation in tensile and compressive mechanical parameters of typical asphalt pavement materials, which vary with air void ratio, loading rate, binder content, and temperature. The findings provide a reference for the prediction of pavement structure design parameters considering the difference in compression and tension. Full article
(This article belongs to the Section Construction and Building Materials)
Show Figures

Figure 1

24 pages, 1203 KB  
Article
Unequal Regional Access to ACL Reconstruction in Romania: A Nationwide Epidemiologic Assessment (2017–2023)
by Gloria Alexandra Tolan, Cris Virgiliu Precup, Roxana Furau, Bogdan Uivaraseanu, Delia Mirela Tit, Gabriela S. Bungau, Mirela Marioara Toma, Tiberiu Sebastian Nemeth and Cristian George Furau
Medicina 2026, 62(1), 193; https://doi.org/10.3390/medicina62010193 - 16 Jan 2026
Viewed by 166
Abstract
Background and Objectives: Access to anterior cruciate ligament reconstruction (ACLR) varies substantially across health systems, yet national-level data from Eastern Europe remain limited. This study provides the first nationwide, regionally stratified assessment of ACLR activity in Romania, examining geographic variation, socioeconomic and [...] Read more.
Background and Objectives: Access to anterior cruciate ligament reconstruction (ACLR) varies substantially across health systems, yet national-level data from Eastern Europe remain limited. This study provides the first nationwide, regionally stratified assessment of ACLR activity in Romania, examining geographic variation, socioeconomic and workforce determinants, and inequality. Materials and Methods: We conducted a retrospective cross-sectional analysis of all ACLRs reported in the national administrative hospital database (2017–2023), supplemented with demographic, GDP, and workforce statistics. Outomes included incidence per 100,000 population, private-sector share, and sex distribution. Regional differences were tested using Kruskal–Wallis and Dunn post hoc comparisons. Predictors of ACLR incidence and private-sector utilization were identified through multivariable Poisson and logistic models. Inequality metrics (Gini coefficients, P90/P10 ratios) and sensitivity analyses excluding Bucharest–Ilfov were also performed. Results: A total of 11, 080 ACLRs were recorded. Incidence varied markedly across regions, from a median of 40.0 per 100,000 in Bucharest–Ilfov to <1–3 per 100,000 in the South, South-East, and South-West (p < 0.001). Higher GDP per capita correlated with incidence (ρ = 0.36) and explained 45% of its variance. Private-sector involvement ranged from <5% in Bucharest–Ilfov and the South to 80–100% in the Centre, North-West, and South-East. In adjusted Poisson models, GDP, surgeon availability, and private-sector share were strong independent predictors of incidence (all p < 0.001). Private-sector access was primarily determined by the proportion of private orthopedic surgeons (OR 21.03). National inequality was extreme (Gini 0.842–0.752; P90/P10 > 109), reflecting the concentration of procedures within a small number of counties. Results were consistent across sensitivity analyses. Conclusions: ACLR in Romania displays severe territorial inequities driven by socioeconomic development, workforce distribution, and uneven private-sector capacity. Targeted regional investment and coordinated workforce strategies are necessary to improve equitable access to surgical care. Full article
(This article belongs to the Section Epidemiology & Public Health)
Show Figures

Figure 1

16 pages, 336 KB  
Article
Bayesian Neural Networks with Regularization for Sparse Zero-Inflated Data Modeling
by Sunghae Jun
Information 2026, 17(1), 81; https://doi.org/10.3390/info17010081 - 13 Jan 2026
Viewed by 260
Abstract
Zero inflation is pervasive across text mining, event log, and sensor analytics, and it often degrades the predictive performance of analytical models. Classical approaches, most notably the zero-inflated Poisson (ZIP) and zero-inflated negative binomial (ZINB) models, address excess zeros but rely on rigid [...] Read more.
Zero inflation is pervasive across text mining, event log, and sensor analytics, and it often degrades the predictive performance of analytical models. Classical approaches, most notably the zero-inflated Poisson (ZIP) and zero-inflated negative binomial (ZINB) models, address excess zeros but rely on rigid parametric assumptions and fixed model structures, which can limit flexibility in high-dimensional, sparse settings. We propose a Bayesian neural network (BNN) with regularization for sparse zero-inflated data modeling. The method separately parameterizes the zero inflation probability and the count intensity under ZIP/ZINB likelihoods, while employing Bayesian regularization to induce sparsity and control overfitting. Posterior inference is performed using variational inference. We evaluate the approach through controlled simulations with varying zero ratios and a real-world dataset, and we compare it against Poisson generalized linear models, ZIP, and ZINB baselines. The present study focuses on predictive performance measured by mean squared error (MSE). Across all settings, the proposed method achieves consistently lower prediction error and improved uncertainty problems, with ablation studies confirming the contribution of the regularization components. These results demonstrate that a regularized BNN provides a flexible and robust framework for sparse zero-inflated data analysis in information-rich environments. Full article
(This article belongs to the Special Issue Feature Papers in Information in 2024–2025)
Show Figures

Graphical abstract

20 pages, 7215 KB  
Article
Nest Depth and Height Are Associated with Breeding Outcomes in the Small Bee-Eater (Merops orientalis): A Preliminary Field Study from Pakistan
by Asif Sadam, Muhammad Awais, Huijian Hu, Dongmei Yu and Yiming Hu
Animals 2026, 16(2), 186; https://doi.org/10.3390/ani16020186 - 8 Jan 2026
Viewed by 226
Abstract
Nest architecture and surrounding habitat features can strongly influence the reproductive success of cavity-nesting birds; however, quantitative data from natural environments remain limited. We examined how nest structure and surrounding habitat features correlate with reproduction in the small bee-eater (Merops orientalis). [...] Read more.
Nest architecture and surrounding habitat features can strongly influence the reproductive success of cavity-nesting birds; however, quantitative data from natural environments remain limited. We examined how nest structure and surrounding habitat features correlate with reproduction in the small bee-eater (Merops orientalis). A total of 38 natural nests were monitored during the breeding season. The Conway–Maxwell–Poisson model showed that cavity depth was a significant positive predictor of clutch size (β = 0.46 ± 0.22 SE, p = 0.036), whereas entrance diameter and nest height were not significantly related. Principal component analysis (PCA) of standardized cavity dimensions (cavity depth, entrance diameter, and nest height) showed that nest height (captured by PC2) was strongly associated with higher breeding success (OR = 0.002, p = 0.021), whereas overall cavity size (PC1) had a weaker, marginally positive correlation (OR = 3.87, p = 0.09). Habitat distance variables showed only weak, non-significant trends after accounting for multicollinearity. Nest structural traits explained more variation in reproductive performance than landscape variables (pseudo-R2 = 0.80 for clutch size; 0.59 for breeding success). Field monitoring of 38 nests showed a mean clutch size of 3.9 eggs, an overall hatching success of 77.5%, and a fledging success of 51.2%, yielding a 37.1% breeding success. Our results highlight the importance of conserving sandy streambanks and mitigating human disturbance in proximity to active nests to conserve breeding success in small bee-eaters. As these findings were based on one site and a single breeding season, broader generalizations will require replication across additional years and locations. Full article
(This article belongs to the Section Ecology and Conservation)
Show Figures

Figure 1

20 pages, 6705 KB  
Article
Numerical Simulation and Stability Analysis of Highway Subgrade Slope Collapse Induced by Rainstorms—A Case Study
by Pancheng Cen, Boheng Shen, Yong Ding, Jiahui Zhou, Linze Shi, You Gao and Zhibin Cao
Water 2026, 18(2), 144; https://doi.org/10.3390/w18020144 - 6 Jan 2026
Cited by 1 | Viewed by 467 | Correction
Abstract
This study investigates rainstorm-induced highway subgrade slope collapses in the coastal areas of Southeast China. By integrating the seepage–stress coupled finite element method with the strength reduction method, we simulate the entire process of seepage, deformation, and slope collapse under rainstorm conditions, analyzing [...] Read more.
This study investigates rainstorm-induced highway subgrade slope collapses in the coastal areas of Southeast China. By integrating the seepage–stress coupled finite element method with the strength reduction method, we simulate the entire process of seepage, deformation, and slope collapse under rainstorm conditions, analyzing the variation in the stability factor. The key findings are as follows: (1) During rainstorms, water infiltration increases soil saturation and pore water pressure, while reducing matrix suction and soil shear strength, leading to soil softening. (2) The toe of the subgrade slope first undergoes plastic deformation under rainstorms, which develops upward, and finally the plastic zone connects completely, causing collapse. The simulated landslide surface is consistent with the actual one, revealing the collapse mechanism of the subgrade slope. Additionally, the simulated displacement at the slope toe when the plastic zone connects provides valuable insights for setting warning thresholds in landslide monitoring. (3) The stability factor of the subgrade slope in the case study decreased from 1.24 before the rainstorm to 0.985 after the rainstorm, indicating a transition from a stable state to an unstable state. (4) Parameter analysis shows that heavy downpour or downpour will cause the case subgrade slope to enter an unstable state. The longer the rainfall duration, the lower the stability factor. Analysis of soil parameters indicates that strength parameters, internal friction angle, and effective cohesion exert a significant influence on slope stability, whereas deformation parameters, elastic modulus, and Poisson’s ratio have a negligible effect. Slope collapse can be timely forecasted by predicting the stability factor. Full article
(This article belongs to the Special Issue Disaster Analysis and Prevention of Dam and Slope Engineering)
Show Figures

Figure 1

38 pages, 65263 KB  
Article
Generation of Digital Elevation Models Using the Poisson Equation and the Finite Element Method
by Eduardo Conde López, Jesús Flores Escribano, Eduardo Salete Casino and Antonio Vargas Ureña
Modelling 2026, 7(1), 10; https://doi.org/10.3390/modelling7010010 - 2 Jan 2026
Viewed by 258
Abstract
This paper presents a finite element methodology for generating continuous digital elevation models (DEMs) from discrete terrain data using the Poisson equation under steady-state conditions. Unlike conventional DEM interpolation techniques, the proposed methodology formulates terrain reconstruction as a constrained harmonic problem, solved directly [...] Read more.
This paper presents a finite element methodology for generating continuous digital elevation models (DEMs) from discrete terrain data using the Poisson equation under steady-state conditions. Unlike conventional DEM interpolation techniques, the proposed methodology formulates terrain reconstruction as a constrained harmonic problem, solved directly on scattered point sets using standard finite element procedures, without requiring structured grids or intermediate interpolation stages. The approach interprets the elevation field as a harmonic scalar function whose smoothness is enforced by the variational formulation of the Poisson problem. The governing equation is solved using standard finite element procedures with Dirichlet boundary conditions applied at the measurement points, ensuring that the reconstructed surface passes exactly through the known elevations. The isotropic conductivity coefficient is set to unity and the source term to zero, which simplifies the formulation and yields a harmonic interpolation independent of any physical parameters. The resulting surfaces exhibit continuous slopes and reduced sensitivity to irregular data distributions. Numerical tests comprising two analytical examples and a real terrain case show that, compared with thin-plate FEM and RBF–NURBS reconstructions, the proposed Poisson-based approach yields smoother and more stable surfaces, with global errors of the same order of magnitude and reduced computational cost. Full article
Show Figures

Figure 1

22 pages, 1555 KB  
Article
Toothbrush-Driven Handheld Droplet Generator for Digital LAMP and Rapid CFU Assays
by Xiaochen Lai, Yong Zhu, Mingpeng Yang and Xicheng Wang
Biosensors 2026, 16(1), 30; https://doi.org/10.3390/bios16010030 - 1 Jan 2026
Viewed by 380
Abstract
Droplet microfluidics enables high-throughput, compartmentalized reactions using minimal reagent volumes, but most implementations rely on precision-fabricated chips and external pumping systems that limit portability and accessibility. Here, we present a handheld vibrational droplet generator that repurposes a consumer electric toothbrush and a modified [...] Read more.
Droplet microfluidics enables high-throughput, compartmentalized reactions using minimal reagent volumes, but most implementations rely on precision-fabricated chips and external pumping systems that limit portability and accessibility. Here, we present a handheld vibrational droplet generator that repurposes a consumer electric toothbrush and a modified disposable pipette tip to produce nearly monodisperse water-in-oil droplets without microfluidic channels or syringe pumps. The device is powered by the toothbrush’s built-in motor and controlled by a simple 3D-printed adapter and adjustable counterweight that tune the vibration amplitude transmitted to the pipette tip. By varying the aperture of the pipette tip, droplets with diameters from ~100–300 µm were generated at rates of ~100 droplets s−1. Image analysis revealed narrow size distributions with coefficients of variation below 5% in typical operating conditions. We further demonstrate proof-of-concept applications in digital loop-mediated isothermal amplification (LAMP) and microbiological colony-forming unit (CFU) assays. A commercial feline parvovirus (FPV) kit manufactured by Beyotime Biotechnology Co., Ltd. (Shanghai, China), three template concentrations yielded emulsified reaction droplets that remained stable at 65 °C for 45 min and produced distinct fractions of fluorescent-positive droplets, allowing estimation of template concentration via a Poisson model. In a second set of experiments, the device was used as a droplet-based spreader to dispense diluted Escherichia coli suspensions onto LB agar plates, achieving uniform colony distributions across the plate at different dilution factors. The proposed handheld vibrational generator is inexpensive, easy to assemble from off-the-shelf components, and minimizes dead volume and cross-contamination because only the pipette tip contacts the sample. Although the current prototype still exhibits device-to-device variability and moving droplets in open containers complicate real-time imaging, these results indicate that toothbrush-based vibrational actuation can provide a practical and scalable route toward “lab-in-hand” droplet assays in resource-limited or educational settings. Full article
Show Figures

Figure 1

17 pages, 2152 KB  
Article
Dengue Incidence Following Mass Vaccination: An Interrupted Time Series Study in Paraná, Brazil
by Magda Clara Vieira da Costa-Ribeiro, Elias Teixeira Krainski, Angela Maron de Mello, Denise Siqueira de Carvalho, Karin Regina Luhm, Fredi Alexander Diaz-Quijano, Sonia Mara Raboni, Lineu Roberto da Silva, Marilene da Cruz Magalhães Buffon, Eliane Mara Cesário Pereira Maluf, Gabriel Graef, Gustavo Araújo de Almeida, Clara Preto and Silvia Emiko Shimakura
Trop. Med. Infect. Dis. 2026, 11(1), 11; https://doi.org/10.3390/tropicalmed11010011 - 30 Dec 2025
Cited by 1 | Viewed by 679
Abstract
In southern Brazil, dengue transmission in the state of Paraná has shown a significant increase in the number of cases since the first recorded occurrence in 1995, with more frequent outbreaks in the west, northwest, and north of the state. We evaluated the [...] Read more.
In southern Brazil, dengue transmission in the state of Paraná has shown a significant increase in the number of cases since the first recorded occurrence in 1995, with more frequent outbreaks in the west, northwest, and north of the state. We evaluated the impact of a campaign of dengue vaccination administered to a fraction of the population in 30 municipalities in the state by conducting a 15-year interrupted time-series ecological study using data obtained from an official Brazilian data register. We modeled dengue incidence using Poisson regression adjusted by covariates (demographic, climate, and epidemiological factors), allowing for specific temporal variation for each site. A reduction of 18.7% in dengue incidence rate was estimated for a vaccination coverage of 100%. Although there was an increase in the crude dengue incidence rate, considering the three-dose coverage achieved in the municipalities, we estimated an 8.2% relative reduction in the incidence rate. This reduction would increase to 17% with a hypothetical coverage of 90%. The campaign was more effective in small municipalities since they had higher vaccination coverage. These findings underscore the significant impact of the vaccination campaign on reducing dengue incidence trends across the targeted municipalities. Full article
(This article belongs to the Special Issue Beyond Borders—Tackling Neglected Tropical Viral Diseases)
Show Figures

Figure 1

12 pages, 1759 KB  
Article
Pressure Field Estimation from 2D-PIV Measurements: A Case Study of Fish Suction-Feeding
by Jensine C. Coggin, Duvall Dickerson-Evans, Erin E. Hackett and Roi Gurka
Fluids 2026, 11(1), 10; https://doi.org/10.3390/fluids11010010 - 29 Dec 2025
Viewed by 241
Abstract
Particle image velocimetry (PIV) flow measurements are common practice in laboratory settings in a wide variety of fields involving fluid dynamics, including biology, physics, engineering, and medicine. Dynamic fluid pressure is a notoriously difficult property to measure non-intrusively, yet its variation is a [...] Read more.
Particle image velocimetry (PIV) flow measurements are common practice in laboratory settings in a wide variety of fields involving fluid dynamics, including biology, physics, engineering, and medicine. Dynamic fluid pressure is a notoriously difficult property to measure non-intrusively, yet its variation is a driving flow force and critical to model correctly. Techniques have been developed to estimate the pressure from velocity and velocity gradient measurements. Here, we highlight a novel application of boundary conditions when applying such pressure estimation techniques based on two-dimensional PIV data; the novel method is especially relevant to problems with complex boundary conditions. As such, it is demonstrated with PIV measurements of in vivo fish suction-feeding, which represents a challenging flow environment. Suction-feeding is a common method for capturing prey by aquatic organisms. Suction-feeding is a complex fish–fluid interaction governed by various hydrodynamic forces and the dynamic behavior of the fish (motion and forces). This study focuses on estimating the pressure within the flow field surrounding the mouth of a Bluegill sunfish (Lepomis macrochirus) during suction-feeding utilizing two-dimensional PIV measurements. High-speed imaging was used for measurements of the fish kinematics (duration and amplitude). Through the Poisson equation, the pressure field is estimated from the PIV velocity measurements. The boundary conditions for the pressure field are determined from the integral momentum equation, separately for three phases of the suction-feeding cycle. We demonstrate the utility of the technique with this case study on fish suction-feeding by quantifying the pressure field that drives the flow towards the buccal cavity, a feeding mechanism known to be dominated by pressure spatial variations over the feeding cycle. Full article
Show Figures

Figure 1

11 pages, 637 KB  
Article
Two Decades of Female Breast Cancer Mortality in Hungary: Epidemiological Trends Since EU Accession
by Tamás Lantos, Tibor András Nyári and Giuseppe Verlato
Cancers 2025, 17(24), 4034; https://doi.org/10.3390/cancers17244034 - 18 Dec 2025
Viewed by 499
Abstract
Objective: This study aimed to investigate annual and seasonal trends, as well as regional differences, in female breast cancer mortality in Hungary between 2004 and 2023. Methods: Data on cancer mortality were obtained from the publicly available nationwide population register. Poisson and quasi-Poisson [...] Read more.
Objective: This study aimed to investigate annual and seasonal trends, as well as regional differences, in female breast cancer mortality in Hungary between 2004 and 2023. Methods: Data on cancer mortality were obtained from the publicly available nationwide population register. Poisson and quasi-Poisson regression models were applied to investigate the annual trend in breast cancer mortality rates. Cyclic trends in mortality were analysed using the Walter–Elwood method, and regional differences in age-standardised mortality rates (ASMRs) were evaluated across Hungarian regions. Results: Over the two decades studied, a total of 42,779 deaths from breast cancer were recorded. A significant declining trend in annual ASMRs for female breast cancer was observed during the study period (IRR = 0.996; 95% CI [0.993–0.998]; p = 0.002). Seasonal analysis revealed a significant cyclic pattern, with the highest number of deaths occurring during the winter months, peaking in December. The highest age-standardised breast cancer mortality rate (43.9 ± 0.2 per 100,000 female persons per year) was observed in the Capital region (Budapest), while the lowest ASMR (36.2 ± 0.25 per 100,000 female persons per year) was found in the Northern Great Plain region (p = 0.028). Conclusions: Although Hungary has implemented a free national breast cancer screening programme, this study demonstrates that breast cancer mortality remains high in the country. Additionally, breast cancer mortality exhibits significant regional and seasonal variation. These findings underscore the need for targeted public health interventions and optimised resource allocation to improve outcomes. Full article
(This article belongs to the Special Issue Emerging Trends in Global Cancer Epidemiology: 2nd Edition)
Show Figures

Figure 1

18 pages, 8460 KB  
Article
Simulation of Fracture Propagation and Permeability Enhancement in Heterogeneous Coal Seams During Hydraulic Fracturing Using a Thermo-Hydro-Mechanical-Damage Coupling Model
by Sukai Wang, Lipeng Zhang, Yonglong Li, Wei Liu, Xionghui Liu, Yan Liang, Songling Pu, Lei Sun, Shiqi Liu and Wenkai Wang
Sustainability 2025, 17(24), 10935; https://doi.org/10.3390/su172410935 - 7 Dec 2025
Cited by 1 | Viewed by 392
Abstract
The development of deep coalbed methane is hindered by the strong heterogeneity of coal mechanical properties and complex hydraulic fracturing behavior. To identify the key factors controlling fracture geometry and permeability enhancement, this study developed a thermo-hydro-mechanical-damage coupled model within a COMSOL Multiphysics [...] Read more.
The development of deep coalbed methane is hindered by the strong heterogeneity of coal mechanical properties and complex hydraulic fracturing behavior. To identify the key factors controlling fracture geometry and permeability enhancement, this study developed a thermo-hydro-mechanical-damage coupled model within a COMSOL Multiphysics 6.3-MATLAB R2022b co-simulation framework, incorporating a Weibull random field to characterize mechanical heterogeneity. Sensitivity analysis demonstrates that tensile strength is the predominant factor governing both the fracturing damage zone and permeability-enhanced area, with its damage area extreme difference (10.094) and coefficient of variation (0.85) significantly surpassing those of other parameters. Poisson’s ratio and elastic modulus emerge as key secondary parameters, while compressive strength shows the lowest sensitivity. The parametric influences exhibit distinct patterns: tensile strength shows a strong negative correlation with damage and permeability-enhanced areas (up to 85% reduction), whereas the maximum permeability enhancement rate follows a non-monotonic trend, peaking at 215 when tensile strength reaches 3.33 MPa. Compressive strength minimally affects the damage area (~15%) but steadily improves the maximum permeability enhancement rate (7.5% increase). Elastic modulus exhibits an optimal value (8.93 GPa) for maximizing damage area, while negatively correlating with maximum permeability enhancement rate (9.1% decrease). Fracture morphology is differentially controlled by multiple parameters: low compressive strength promotes fracture deflection and branching, elastic modulus regulates fracture network complexity, and low Poisson’s ratio enhances coal brittleness to effectively activate natural fractures, thereby facilitating complex fracture network formation. Full article
Show Figures

Figure 1

23 pages, 4151 KB  
Article
Study on the Mechanical Behavior of Joint in Articulated Assembled Subgrade Asphalt Pavement
by Yichao Liu, Xuelei Jiang, Jixu Yang, Wenpeng Bian, Wengang Zhang, Kui Hu, Lilong Cui and Xiaoping Ji
Appl. Sci. 2025, 15(23), 12822; https://doi.org/10.3390/app152312822 - 4 Dec 2025
Viewed by 257
Abstract
To study the mechanical response of the joint under the lateral synergistic action of articulated assembled subgrade, and to screen out the joint materials with the best suitability, this paper establishes a finite element model of an articulated, assembled base-layer asphalt pavement using [...] Read more.
To study the mechanical response of the joint under the lateral synergistic action of articulated assembled subgrade, and to screen out the joint materials with the best suitability, this paper establishes a finite element model of an articulated, assembled base-layer asphalt pavement using ABAQUS. It analyses the influence of articulated reinforcement, structural layer, and material parameters on the mechanical response of the joint. The results show that the articulated reinforcement effectively inhibits the displacement of the slab so that the vertical compressive stress at the bottom of the joint decreases by about 37%; the extreme value variation in the modulus of the surface layer, subgrade layer, and soil base causes the principal stress to decrease by about 0.26%, 5.5%, and 11.6%, respectively; the increase in the thickness of the surface layer and the subgrade layer effectively improves the stress state, with a maximum reduction of 9% and 22%, respectively; Poisson’s ratio and modulus of elasticity of the joint material have a significant effect on the principal stress, and when the material parameters are at the maximum value, the principal stress increases by about 20.8%. In addition, this paper proposes a screening standard for joint material. Finally, it selects 60 mesh rubber-modified asphalt as the optimal joint material. Full article
(This article belongs to the Section Civil Engineering)
Show Figures

Figure 1

28 pages, 3966 KB  
Article
Impact of Varied Recycled Aggregate Inclusions on Mechanical Properties and Damage Evolution Based on Multiphase Inclusion Theory
by Yongsheng Ma, Tiefeng Chen, Xiaojian Gao, Congkai Jin and Qiong Liu
Materials 2025, 18(23), 5430; https://doi.org/10.3390/ma18235430 - 2 Dec 2025
Viewed by 334
Abstract
This research investigates stress concentration in model recycled concrete using Multiphase Inclusion Theory (MIT). Natural stone, ceramic tiles, glass, red brick, waste concrete, and aerated brick were selected as inclusions in the model recycled concrete matrix. The influence of these inclusions on stress [...] Read more.
This research investigates stress concentration in model recycled concrete using Multiphase Inclusion Theory (MIT). Natural stone, ceramic tiles, glass, red brick, waste concrete, and aerated brick were selected as inclusions in the model recycled concrete matrix. The influence of these inclusions on stress distribution was thoroughly analyzed through theoretical, experimental, and numerical approaches. The results demonstrate that inclusions with varying elastic moduli and Poisson’s ratios induce substantial variations in stress concentration within the matrix. Low-modulus inclusions like aerated brick cause substantial stress concentration, leading to localized failure, whereas high-modulus materials like natural stone and ceramic tile distribute stress more effectively, mitigating concentration effects. Inclusions like red brick and waste concrete, with elastic moduli similar to the matrix, provide better stress compatibility, resulting in a more balanced stress distribution. This study confirms that MIT is a reliable predictor of stress concentration phenomena in materials with high elastic moduli under compression experiments, with theoretical results closely corresponding to experimental and Finite Element Method (FEM) simulations. This validated reliability supports the advanced design and optimization of composite materials in various engineering applications. Full article
Show Figures

Figure 1

15 pages, 1395 KB  
Article
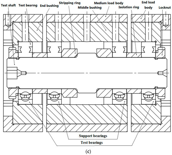
Research on the Performance Degradation Rules of Rolling Bearings Under Discrete Constant Conditions
by Liang Ye, Bo Liang, Jingxuan Pei and Yongcun Cui
Lubricants 2025, 13(12), 520; https://doi.org/10.3390/lubricants13120520 - 30 Nov 2025
Viewed by 345
Abstract
During the service life of bearings in ship systems, they operate under discrete constant operating conditions involving load levels, rotational speeds, and ambient vibrations. Traditional research mostly relies on idealized laboratory conditions of single constant load and constant speed, leading to significant discrepancies [...] Read more.
During the service life of bearings in ship systems, they operate under discrete constant operating conditions involving load levels, rotational speeds, and ambient vibrations. Traditional research mostly relies on idealized laboratory conditions of single constant load and constant speed, leading to significant discrepancies between the derived performance degradation patterns and actual on-site scenarios of marine bearings. In view of this, this study integrates the maximum entropy method (MEM) and Poisson counting principle (PCP) to analyze the variation law of the bearing performance degradation parameter—degradation probability—with changes in load ratio and rotational speed. Temperature gradients and impact vibrations are excluded to align with the actual experimental scope. The research results show that (1) the degradation probability of the optimal vibration performance state of the test bearings exhibits an overall nonlinear increasing trend during operation. (2) For the same time series, the degradation probability increases with the rise in load ratio and enters the non-zero phase earlier (indicating earlier degradation initiation). (3) Except for the 3rd–6th time series at 6000 r/min, the degradation probability within the same time series decreases with increasing rotational speed under discrete constant speed conditions. Full article
(This article belongs to the Special Issue Tribological Characteristics of Bearing System, 3rd Edition)
Show Figures

Figure 1

Back to TopTop