Sign in to use this feature.

Years

Between: -

Subjects

remove_circle_outline
remove_circle_outline
remove_circle_outline
remove_circle_outline

Journals

Article Types

Countries / Regions

Search Results (8)

Search Parameters:
Keywords = MVDC circuit breaker

Order results
Result details
Results per page
Select all
Export citation of selected articles as:
14 pages, 2354 KB  
Article
Analysis of the Feasibility of Using Hybrid DC Circuit Breakers with Forced Switching for Parallel Connections
by Łukasz Nowak, Michał Rodak and Piotr Borkowski
Energies 2025, 18(24), 6620; https://doi.org/10.3390/en18246620 - 18 Dec 2025
Viewed by 382
Abstract
The use of advanced switching technologies, including hybrid and fully semiconductor-based circuit breakers, enables a significant reduction in the prospective short-circuit current. This enhances the level of circuit protection by minimizing thermal and electrodynamic stresses. One of the available solutions is a hybrid [...] Read more.
The use of advanced switching technologies, including hybrid and fully semiconductor-based circuit breakers, enables a significant reduction in the prospective short-circuit current. This enhances the level of circuit protection by minimizing thermal and electrodynamic stresses. One of the available solutions is a hybrid DC circuit breaker employing the forced commutation method, in which a counter-current generator is incorporated into the auxiliary branch. Increasing requirements not only for short-circuit protection reliability but also for operational flexibility impose the need to configure DC breakers for parallel operation. This paper presents an analysis of the performance of forced-commutation circuit breakers connected in parallel with another identical device, as well as with a conventional fast magnetic blow-out breaker. To prevent unintended and undesired tripping, the influence of counter-current generator parameters on the overcurrent protection response was investigated. In the analyzed configuration, the applied hybrid DC breaker limits the expected short-circuit current from approximately 45 kA to 5 kA within about 2 ms. Full article
(This article belongs to the Section F6: High Voltage)
Show Figures

Figure 1

16 pages, 4237 KB  
Article
Solid-State Circuit Breaker Topology Design Methodology for Smart DC Distribution Grids with Millisecond-Level Self-Healing Capability
by Baoquan Wei, Haoxiang Xiao, Hong Liu, Dongyu Li, Fangming Deng, Benren Pan and Zewen Li
Energies 2025, 18(14), 3613; https://doi.org/10.3390/en18143613 - 9 Jul 2025
Viewed by 1592
Abstract
To address the challenges of prolonged current isolation times and high dependency on varistors in traditional flexible short-circuit fault isolation schemes for DC systems, this paper proposes a rapid fault isolation circuit design based on an adaptive solid-state circuit breaker (SSCB). By introducing [...] Read more.
To address the challenges of prolonged current isolation times and high dependency on varistors in traditional flexible short-circuit fault isolation schemes for DC systems, this paper proposes a rapid fault isolation circuit design based on an adaptive solid-state circuit breaker (SSCB). By introducing an adaptive current-limiting branch topology, the proposed solution reduces the risk of system oscillations induced by current-limiting inductors during normal operation and minimizes steady-state losses in the breaker. Upon fault occurrence, the current-limiting inductor is automatically activated to effectively suppress the transient current rise rate. An energy dissipation circuit (EDC) featuring a resistor as the primary energy absorber and an auxiliary varistor (MOV) for voltage clamping, alongside a snubber circuit, provides an independent path for inductor energy release after faults. This design significantly alleviates the impact of MOV capacity constraints on the fault isolation process compared to traditional schemes where the MOV is the primary energy sink. The proposed topology employs a symmetrical bridge structure compatible with both pole-to-pole and pole-to-ground fault scenarios. Parameter optimization ensures the IGBT voltage withstand capability and energy dissipation efficiency. Simulation and experimental results demonstrate that this scheme achieves fault isolation within 0.1 ms, reduces the maximum fault current-to-rated current ratio to 5.8, and exhibits significantly shorter isolation times compared to conventional approaches. This provides an effective solution for segment switches and tie switches in millisecond-level self-healing systems for both low-voltage (LVDC, e.g., 750 V/1500 V DC) and medium-voltage (MVDC, e.g., 10–35 kV DC) smart DC distribution grids, particularly in applications demanding ultra-fast fault isolation such as data centers, electric vehicle (EV) fast-charging parks, and shipboard power systems. Full article
(This article belongs to the Special Issue AI Solutions for Energy Management: Smart Grids and EV Charging)
Show Figures

Figure 1

25 pages, 7806 KB  
Article
A Simple Single-Ended Post-Fault Location Technique for DC Lines Based on Controlled Re-Energizations
by Kumar Mahtani, José M. Guerrero, Julien Decroix and Carlos A. Platero
Electronics 2025, 14(2), 275; https://doi.org/10.3390/electronics14020275 - 11 Jan 2025
Cited by 3 | Viewed by 1468
Abstract
Fault location in medium-voltage direct current (MVDC) systems is an essential yet underexplored area compared to high-voltage (HVDC) and low-voltage (LVDC) systems. MVDC systems, characterized by intermediate line lengths and fault resistances, as well as rapid fault clearance requirements, demand specialized solutions. This [...] Read more.
Fault location in medium-voltage direct current (MVDC) systems is an essential yet underexplored area compared to high-voltage (HVDC) and low-voltage (LVDC) systems. MVDC systems, characterized by intermediate line lengths and fault resistances, as well as rapid fault clearance requirements, demand specialized solutions. This paper proposes a novel single-ended, offline fault location method based on controlled re-energizations after fault clearance. This approach employs a switched grounding resistor and a bypass connection through the current-limiting inductor to extract fault parameters from the discharge curves of two re-energization cycles. By analyzing the time constants derived from these curves, the method estimates fault location and resistance with high accuracy. The proposed method eliminates the need for additional active injection sources and circuit breaker modifications, ensuring seamless integration into existing MVDC infrastructure. Furthermore, the method avoids inter-terminal communication delays and sampling delays before fault clearance. Validation through electromagnetic transient simulations demonstrates fault location errors below 5% for fault resistances up to 50 Ω. Results show that the method performs better for faults farther from the active terminal, with the higher errors seen for short distances and elevated resistances. The proposed technique offers a robust and practical solution for post-fault location in DC lines. Full article
Show Figures

Figure 1

15 pages, 5583 KB  
Article
The Development of Bi-LSTM Based on Fault Diagnosis Scheme in MVDC System
by Jae-Sung Lim, Haesong Cho, Dohoon Kwon and Junho Hong
Energies 2024, 17(18), 4689; https://doi.org/10.3390/en17184689 - 20 Sep 2024
Cited by 3 | Viewed by 1774
Abstract
Diagnosing faults is crucial for ensuring the safety and reliability of medium-voltage direct current (MVDC) systems. In this study, we propose a bidirectional long short-term memory (Bi-LSTM)-based fault diagnosis scheme for the accurate classification of faults occurring in MVDC systems. First, to ensure [...] Read more.
Diagnosing faults is crucial for ensuring the safety and reliability of medium-voltage direct current (MVDC) systems. In this study, we propose a bidirectional long short-term memory (Bi-LSTM)-based fault diagnosis scheme for the accurate classification of faults occurring in MVDC systems. First, to ensure stability in case a fault occurs, we modeled an MVDC system that included a resistor-based fault current limiter (R-FCL) and a direct current circuit breaker (DCCB). A discrete wavelet transform (DWT) extracted the transient voltages and currents measured using DC lines and AC grids in the frequency–time domain. Based on the digital signal normalized by the DWT, using the measurement data, the Bi-LSTM algorithm was used to classify and learn the types and locations of faults, such as DC line (PTP, P-PTG, and N-PTG) and internal inverter faults. The effectiveness of the proposed fault diagnosis scheme was validated through comparative analysis within the four-terminal MVDC system, demonstrating superior accuracy and a faster diagnosis time compared to those of the existing schemes that utilize other AI algorithms, such as the CNN and LSTM. According to the test results, the proposed fault diagnosis scheme detects MVDC faults and shows a high recognition accuracy of 97.7%. Additionally, when applying the Bi-LSTM-based fault diagnosis scheme, it was confirmed that not only the training diagnosis time (TraDT) but also the average diagnosis time (AvgDT) were 0.03 ms and 0.05 ms faster than LSTM and CNN, respectively. The results validate the superior fault clarification and fast diagnosis performance of the proposed scheme over those of the other methods. Full article
(This article belongs to the Special Issue Advances in Research and Practice of Smart Electric Power Systems)
Show Figures

Figure 1

16 pages, 6518 KB  
Article
Hybrid Z-Source Circuit Breaker with Thomson Coil for MVDC
by Hyun-Seung Lee, Hyung-Wook Kang, Jae-Ho Rhee and Kun-A Lee
Energies 2024, 17(1), 69; https://doi.org/10.3390/en17010069 - 21 Dec 2023
Cited by 4 | Viewed by 2081
Abstract
Hybrid circuit breakers are the most promising circuit breakers among DC circuit breakers. Conventional hybrid circuit breakers complete fault current isolation by converting current to IGBT when fault current occurs. However, in this case, the fault current continues to increase, so the IGBT [...] Read more.
Hybrid circuit breakers are the most promising circuit breakers among DC circuit breakers. Conventional hybrid circuit breakers complete fault current isolation by converting current to IGBT when fault current occurs. However, in this case, the fault current continues to increase, so the IGBT must be large enough to withstand this current. In addition, in the case of a method of detecting and operating a fault, a delay time of up to hundreds of microseconds occurs, and in a hybrid circuit breaker, this delay time is a very large value. To solve this problem, this paper proposes a hybrid Z-source circuit breaker that operates without delay for low-impedance faults. The proposed breaker is designed to reduce stress on IGBTs and mechanical switches by generating a current zero crossing, as well as to enable the breaker to trip quickly in high-risk cases such as low-impedance fault circuits. Due to the limited environment of the laboratory, we performed 600 V fault isolation experiments. As a result of the experiment, it was confirmed that the proposed circuit breaker successfully isolated the fault within 1.6 ms. The current limiting feature of the Z-source appears to reduce stress on the IGBTs and MOVs used, and it allows for faster fault isolation. Full article
(This article belongs to the Section F: Electrical Engineering)
Show Figures

Figure 1

22 pages, 6275 KB  
Article
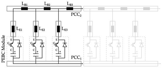
Interconnecting Power-Electronic Buck Converter Modules in a Novel High-Power Test Bench for MVDC Circuit Breakers
by Nils Langenberg, Simon Kimpeler and Albert Moser
Energies 2022, 15(21), 7915; https://doi.org/10.3390/en15217915 - 25 Oct 2022
Cited by 6 | Viewed by 1942
Abstract
Advances in medium voltage direct current (MVDC) technologies and the penetration of extended MVDC systems are still significantly hindered by the lack of adequate direct current (DC) switching equipment. The fundamentally different fault current behavior in case of a DC fault, compared to [...] Read more.
Advances in medium voltage direct current (MVDC) technologies and the penetration of extended MVDC systems are still significantly hindered by the lack of adequate direct current (DC) switching equipment. The fundamentally different fault current behavior in case of a DC fault, compared to faults in alternating current (AC) systems, with regard to the characteristics and development of fault currents and their interruption make dedicated test procedures necessary. One testing approach is the application of a power-electronic buck converter (PEBC) to simulate relevant stresses on DC switching equipment during a DC fault current interruption. Since the associated requirements, especially regarding current ratings of several kiloamperes, cannot be fulfilled by using a singular PEBC, a modularization becomes necessary. However, particularly in high-power applications, the interconnection of several PEBC modules poses significant challenges. In this article, a demonstrator PEBC-based high-power test circuit for the provision of relevant testing parameters is presented. The underlying challenges and respective solutions with regard to the interconnection of, in total, 120 individual PEBC modules are discussed. It can be shown that the harmonization of connection busbar inductances is the main contributor towards a stable and safe test circuit operation. Full article
(This article belongs to the Section F: Electrical Engineering)
Show Figures

Figure 1

13 pages, 3424 KB  
Case Report
Capacitor Commutation Method for MVDC Hybrid Circuit Breakers
by Hyosung Kim
Designs 2021, 5(2), 28; https://doi.org/10.3390/designs5020028 - 13 Apr 2021
Cited by 3 | Viewed by 3750
Abstract
The medium voltage DC (MVDC) type system can connect multiple terminals to a common MVDC bus, so it is possible to connect several renewable DC power sources to the common MVDC bus, but a DC circuit breaker is needed to isolate short circuit [...] Read more.
The medium voltage DC (MVDC) type system can connect multiple terminals to a common MVDC bus, so it is possible to connect several renewable DC power sources to the common MVDC bus, but a DC circuit breaker is needed to isolate short circuit accidents that may occur in the MVDC bus. For this purpose, the concept of a hybrid DC circuit breaker that takes advantage of a low conduction loss contact type switch and an arcless-breaking semiconductor switch has been proposed. During break the hybrid switch, a dedicated current commutation device is required to temporarily bypass the load current flowing through the main switch into a semiconductor switch branch. Existing current commutation methods include a proactive method and a reverse current injection method by a LC (Inductor-capacitor) resonant circuit. This paper proposes a power circuit of a new MVDC hybrid circuit breaker using a low withstanding voltage capacitor branch for commutation and a sequence controller according to it, and verifies its operation through an experiment. Full article
(This article belongs to the Section Electrical Engineering Design)
Show Figures

Figure 1

19 pages, 2949 KB  
Article
Efficient Protection Scheme Based on Y-Source Circuit Breaker in Bi-Directional Zones for MVDC Micro-Grids
by Haider Al-khafaf and Johnson Asumadu
Inventions 2021, 6(1), 18; https://doi.org/10.3390/inventions6010018 - 10 Mar 2021
Cited by 8 | Viewed by 2945
Abstract
A new bi-directional circuit breaker is presented for medium-voltage dc (MVDC) systems. The Y-source impedance network topology is used to implement the breaker. The current transfer function is derived to show the frequency response and the breaker operation with the high frequencies. Mathematical [...] Read more.
A new bi-directional circuit breaker is presented for medium-voltage dc (MVDC) systems. The Y-source impedance network topology is used to implement the breaker. The current transfer function is derived to show the frequency response and the breaker operation with the high frequencies. Mathematical analysis is achieved with different conditions of coupling among the breaker inductors. The minimum level of the magnetic coupling is determined, which is represented by the null condition. The effect of the turns-ratio on this condition is investigated as well. The breaker is designed with two types of fault conductance slope rates. The Y-source breaker is simulated, and the results verify the breaker operation during the fault condition and the load change. The results also demonstrate the effect of the coupling level on the minimum values of the source current when the fault occurs. Based on the expected fault type in the MVDC systems, the proposed breaker is developed to interrupt the overcurrent due to any of these fault types. A protection scheme is proposed for a 12-bus, two-level micro-grid, where the Y-source breakers are used in the bi-directional zones. The results verify the ability of the breaker to conduct and interrupt the current in both directions of the power flow. Full article
(This article belongs to the Special Issue Microgrids: Protection, Cyber Physical Issues, and Control)
Show Figures

Figure 1

Back to TopTop