Interconnecting Power-Electronic Buck Converter Modules in a Novel High-Power Test Bench for MVDC Circuit Breakers
Abstract
1. Introduction
2. Fundamentals
2.1. Power Electronic Buck Converter (PEBC)
2.2. Insulated Gate Bipolar Transistor (IGBT)
3. Experimental Setup
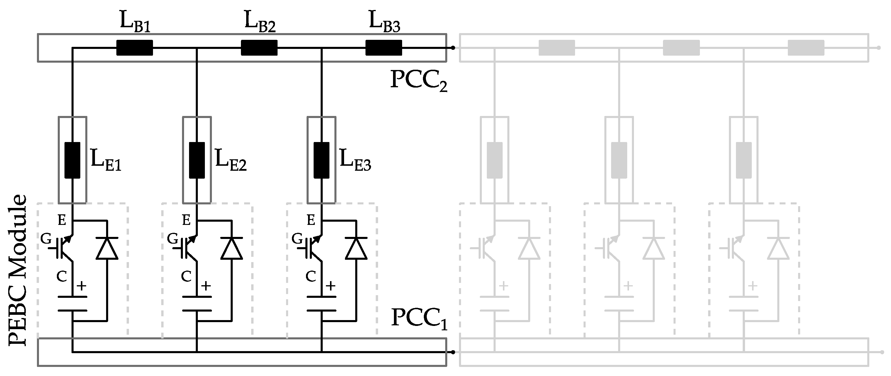
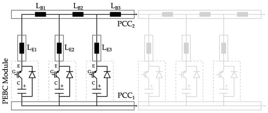
3.1. Power-Electronic Buck Converter Module
3.2. Interconnection Coordination of PEBC Modules
- Target current amplitude
- Level of test voltage
- Magnitude of test energy
3.3. Setup of Demonstrator High-Power Test Circuit
3.3.1. Realization of Integrated Overall Demonstrator Test Circuit Interconnection
3.3.2. PEBC Modules in Master–Slave Configuration
3.3.3. Overall Test Current Control System
3.4. Investigation Scheme
3.4.1. Investigated Design Options for Interconnection Coordination of PEBC Modules
3.4.2. Experimental Method and Investigation Approach
4. Results and Discussion
4.1. Experimental Investigation of Interconnection Coordination
4.2. Experimental Demonstration of Presented Interconnection Method
5. Conclusions
Author Contributions
Funding
Data Availability Statement
Conflicts of Interest
Appendix A
| Parameter | Symbol | Value | Unit |
|---|---|---|---|
| Maximum Module Current | ÎModule | 500 | A |
| Maximum Module Voltage | VModule,max | 4 | kV |
| Module Capacity | CModule | 2 | mF |
| Maximum Module Energy | EModule,max | 16 | kJ |
| Parameter | Symbol | Value | Unit |
|---|---|---|---|
| Maximum Test Circuit Current | Îtotal | 30 | kA |
| Maximum Test Circuit Voltage | Vtotal,max | 8 | kV |
| Maximum Test Circuit Capacity | Ctotal,max | 60 | mF |
| Maximum Test Circuit Energy | Etotal,max | 1.92 | MJ |
| Test Circuit Inductance | LControl | 0.5, 1.0 | mH |
| Maximum Test Current Slope | di/dtmax | 16 | kA/ms |
| Total Number of Modules | 120 |
References
- EU European Union. Renewable Energy: Fact Sheet of the European Union. 2021. Available online: https://www.europarl.europa.eu/factsheets/en/sheet/70/renewable-energy (accessed on 12 September 2022).
- IPCC (Intergovernmental Panel on Climate Change). Global Warming of 1.5°C—Summary for Policymakers; IPCC: Geneva, Switzerland, 2018. [Google Scholar]
- IRENA (International Renewable Energy Agency). Renewable Capacity Statistics 2021; IRENA: Abu Dhabi, United Arab Emirates, 2021. [Google Scholar]
- Grainger, B. Medium Voltage DC System Architectures; Energy Engineering Series; Institution of Engineering & Technology: London, UK, 2022. [Google Scholar]
- Priebe, J. Strukturelle Ausgestaltung von Mittelspannungsnetzen auf Basis von Gleichstromtechnologie unter Berücksichtigung einer Leistungsflusssteuerung. Ph.D. Thesis, RWTH Aachen University, Aachen, Germany, 2020. [Google Scholar]
- Coffey, S.; Timmers, V.; Li, R.; Wu, G.; Egea-Àlvarez, A. Review of MVDC Applications, Technologies, and Future Prospects. Energies 2021, 14, 8294. [Google Scholar] [CrossRef]
- Cigré. WG C6.31: Medium Voltage Direct Current (MVDC) Grid Feasibility Study; Technical Brochure TB793; Cigré: Paris, France, 2020. [Google Scholar]
- De Doncker, R.W. Power electronic technologies for flexible DC distribution grids. In Proceedings of the 2014 International Power Electronics Conference (IPEC-Hiroshima 2014—ECCE ASIA), Hiroshima, Japan, 18–21 May 2014; IEEE: Piscataway, NJ, USA, 2014; pp. 736–743. [Google Scholar] [CrossRef]
- Kusic, G.L.; Reed, G.F.; Svensson, J.; Wang, Z. A case for medium voltage DC for distribution circuit applications. In Proceedings of the 2011 IEEE/PES Power Systems Conference and Exposition, Phoenix, AZ, USA, 20–23 March 2011; IEEE: Piscataway, NJ, USA, 2011; pp. 1–7. [Google Scholar] [CrossRef]
- Carpita, M.; Dujic, D.; Christe, A.; Milovanovic, S.; Utvic, M.; Schultz, T.; Franck, C.M.; Razzaghi, R.; Wang, Z.; Paolone, M.; et al. Direct Current Technologies for Switzerland’ s Electricity Transmission and Distribution: White Paper on DC Technologies; Swiss Innovation Agency (Innosuisse): Bern, Switzerland, 2019. [Google Scholar]
- VDE (Verband der Elektrotechnik Elektronik Informationstechnik e.V.). Gleichspannung in der Elektrischen Energieverteilung: Grundsatzstudie; VDE: Frankfurt am Main, Germany, 2019. [Google Scholar]
- Stumpe, M.; Tünnerhoff, P.; Schnettler, A.; Schmidt, D. Grid topology and technology influences on selective protection concepts for multi-terminal medium voltage DC grids. J. Eng. 2018, 2018, 796–801. [Google Scholar] [CrossRef]
- Pei, X.; Cwikowski, O.; Vilchis-Rodriguez, D.S.; Barnes, M.; Smith, A.C.; Shuttleworth, R. A review of technologies for MVDC circuit breakers. In Proceedings of the IECON 2016—42nd Annual Conference of the IEEE Industrial Electronics Society, Florence, Italy, 24–27 October 2016; IEEE: Piscataway, NJ, USA, 2016; pp. 3799–3805. [Google Scholar] [CrossRef]
- He, J.; Chen, K.; Li, M.; Luo, Y.; Liang, C.; Xu, Y. Review of protection and fault handling for a flexible DC grid. Protect. Control Mod. Power Syst. 2020, 5, 15. [Google Scholar] [CrossRef]
- Langenberg, N.; Bendig, M.; Wienkamp, P.; Würde, A.; Moser, A. Prospective Fault Currents in MVDC Distribution Grids—An Evaluation Methodology. In Proceedings of the NEIS 2021: Conference on Sustainable Energy Supply and Energy Storage Systems, Hamburg, Germany, 13–14 September 2021; Schulz, D., Ed.; VDE Verlag: Berlin, Germany, 2021; pp. 166–171. [Google Scholar]
- Belda, N.A. HVDC Circuit Breakers—Test Requirements, Methods and Circuits. Ph.D. Thesis, TU Darmstadt, Darmstadt, Germany, 2021. [Google Scholar]
- Cigré. JWG A3/B4.34: Technical Requirements and Specifications of State-of-the-Art HVDC Switching Equipment; Technical Brochure TB683, Technical Brochure/CIGRE; CIGRE: Paris, France, 2017; Volume 683. [Google Scholar]
- Cigré. JWG B4/A3: Design, Test and Application of HVDC Circuit Breakers; Technical Brochure TB 873; CIGRE: Paris, France, 2022. [Google Scholar]
- Franck, C.M. HVDC Circuit Breakers: A Review Identifying Future Research Needs. IEEE Trans. Power Deliv. 2011, 26, 998–1007. [Google Scholar] [CrossRef]
- Gao, Y.; Han, Y.; Zhang, J.; Xiao, F.; Zhao, Y.; Li, L. Study on Fault Current Characteristics and Current Limiting Method of Plug-In Devices in VSC-DC Distribution System. Energies 2019, 12, 3159. [Google Scholar] [CrossRef]
- Li, G.; Liang, J.; Balasubramaniam, S.; Joseph, T.; Ugalde-Loo, C.E.; Jose, K.F. Frontiers of DC circuit breakers in HVDC and MVDC systems. In Proceedings of the 2017 IEEE Conference on Energy Internet and Energy System Integration (EI2), Beijing, China, 26–28 November 2017; IEEE: Piscataway, NJ, USA, 2017; pp. 1–6. [Google Scholar] [CrossRef]
- Bucher, M.K. Transient Fault Currents in HVDC VSC Networks During Pole-to-Ground Faults. Ph.D. Thesis, ETH Zurich, Zürich, Switzerland, 2014. [Google Scholar]
- Langenberg, N.; Krampert, T.; Heidemann, M. Development of a Modular High-Power Test Circuit for Components of Future Direct Current Grids. In Proceedings of the 21st International Symposium on High Voltage Engineering, Budapest, Hungary, 26–30 August 2019; Németh, B., Ed.; Lecture Notes in Electrical Engineering. Springer International Publishing: Berlin/Heidelberg, Germany, 2020; pp. 885–893. [Google Scholar] [CrossRef]
- Langenberg, N.; Kimpeler, S.; Wienkamp, P.; Würde, A.; Moser, A. Innovative Synthetic High-Power Test Circuit for the Investigation of MVDC Circuit Breakers—Setup, Functionality and Application. In Proceedings of the VDE Hochspannungstechnik 2022: VDE Fachtagung, Berlin, Germany, 8–10 November 2022. accepted, in print. [Google Scholar]
- Ali, S.; Shengxue, T.; Jianyu, Z.; Ali, A.; Nawaz, A. An Implementation of Parallel Buck Converters for Common Load Sharing in DC Microgrid. Information 2019, 10, 91. [Google Scholar] [CrossRef]
- Guerrero, E.; Guzmán, E.; Linares, J.; Martínez, A.; Guerrero, G. FPGA-based active disturbance rejection velocity control for a parallel DC/DC buck converter-DC motor system. IET Power Electron. 2020, 13, 356–367. [Google Scholar] [CrossRef]
- Mazumder, S.K.; Tahir, M.; Kamisetty, S.L. Wireless PWM Control of a Parallel DC–DC Buck Converter. IEEE Trans. Power Electron. 2005, 20, 1280–1286. [Google Scholar] [CrossRef]
- Tsang, C.-W.; Foster, M.; Stone, D.; Gladwin, D. Active current ripple cancellation in parallel connected buck converter modules. IET Power Electron. 2013, 6, 721–731. [Google Scholar] [CrossRef]
- Zhang, X.; Ruan, X.; Zhong, Q.-C. Improving the Stability of Cascaded DC/DC Converter Systems via Shaping the Input Impedance of the Load Converter with a Parallel or Series Virtual Impedance. IEEE Trans. Ind. Electron. 2015, 62, 7499–7512. [Google Scholar] [CrossRef]
- Erickson, R.W. DC-DC Power Converters. In Wiley Encyclopedia of Electrical and Electronics Engineering; Webster, J.G., Ed.; John Wiley & Sons, Inc.: Hoboken, NJ, USA, 2001. [Google Scholar] [CrossRef]
- Mohan, N.; Undeland, T.M.; Robbins, W.P. Power Electronics: Converters, Applications, and Design, 2nd ed.; Wiley: Hoboken, NJ, USA, 1995. [Google Scholar]
- Schröder, D.; Marquardt, R. (Eds.) Leistungselektronische Schaltungen; Springer: Berlin/Heidelberg, Germany, 2019. [Google Scholar] [CrossRef]
- Vinod, S.; Balaji, M.; Prabhakar, M. Robust control of parallel buck fed buck converter using hybrid fuzzy PI controller. In Proceedings of the 2015 IEEE 11th International Conference on Power Electronics and Drive Systems, Sydney, Australia, 9–12 June 2015; IEEE: Piscataway, NJ, USA, 2015; pp. 347–351. [Google Scholar] [CrossRef]
- Pavlovic, T.; Bjazic, T.; Ban, Z. Simplified Averaged Models of DC–DC Power Converters Suitable for Controller Design and Microgrid Simulation. IEEE Trans. Power Electron. 2013, 28, 3266–3275. [Google Scholar] [CrossRef]
- Volke, A.; Hornkamp, M. IGBT Modules: Technologies, Driver and Application, 2nd ed.; Infineon Technologies AG: Neubiberg, Germany, 2012. [Google Scholar]
- Perret, R.; Aloïsi, P.; Austin, P.; Béroual, A.; Breil, M.; Chatroux, D.; Clavel, E.; Costa, F.; Gautier, C.; Guena, A.; et al. Power Electronics Semiconductor Devices; ISTE: London, UK; Wiley: Hoboken, NJ, USA, 2009. [Google Scholar]
- Wintrich, A.; Nicolai, U.; Tursky, W.; Reimann, T. Applikationshandbuch Leistungshalbleiter; SEMIKRON International GmbH: Nürnberg, Germany, 2010. [Google Scholar]
- Drexhage, P. Gate Driver Basics: Application Note AN 21-002; Semikron: Nuremberg, Germany, 2021. [Google Scholar]
- Khanna, V.K. Insulated Gate Bipolar Transistor IGBT Theory and Design; John Wiley & Sons, Inc.: Hoboken, NJ, USA, 2003. [Google Scholar] [CrossRef]
















| Parameter | Value |
|---|---|
| Level of Maximum Current Amplitude | 30 kA |
| Resulting number of parallel modules per stage 1 | 60 |
| Level of Maximum Test Voltage | 8 kV |
| Resulting number of stages 2 | 2 |
| Parameter | Value |
|---|---|
| Test Circuit Capacitance | 60 mF |
| Test Circuit Inductance | 1 mH |
| Overall Charging Voltage | 400 V |
| Module Charging Voltage | 200 V |
| Target Current Amplitude | 500 A |
| Considered Interconnection Design | Maximum Absolute Deviation VGE,Diff |
|---|---|
| Base case (a) | 2.43 V |
| Development (b) | 0.87 V |
| Development (c) | 0.63 V |
| Development (d) | 0.23 V |
| Parameter | Value |
|---|---|
| Test Circuit Capacitance | 60 mF |
| Test Circuit Inductance | 0.5 mH |
| Overall Charging Voltage | 3.0 kV |
| Module Charging Voltage | 1.5 kV |
| Target Current Amplitude | 10.0 kA |
| Length of Control Sequence | 50 ms |
Publisher’s Note: MDPI stays neutral with regard to jurisdictional claims in published maps and institutional affiliations. |
© 2022 by the authors. Licensee MDPI, Basel, Switzerland. This article is an open access article distributed under the terms and conditions of the Creative Commons Attribution (CC BY) license (https://creativecommons.org/licenses/by/4.0/).
Share and Cite
Langenberg, N.; Kimpeler, S.; Moser, A. Interconnecting Power-Electronic Buck Converter Modules in a Novel High-Power Test Bench for MVDC Circuit Breakers. Energies 2022, 15, 7915. https://doi.org/10.3390/en15217915
Langenberg N, Kimpeler S, Moser A. Interconnecting Power-Electronic Buck Converter Modules in a Novel High-Power Test Bench for MVDC Circuit Breakers. Energies. 2022; 15(21):7915. https://doi.org/10.3390/en15217915
Chicago/Turabian StyleLangenberg, Nils, Simon Kimpeler, and Albert Moser. 2022. "Interconnecting Power-Electronic Buck Converter Modules in a Novel High-Power Test Bench for MVDC Circuit Breakers" Energies 15, no. 21: 7915. https://doi.org/10.3390/en15217915
APA StyleLangenberg, N., Kimpeler, S., & Moser, A. (2022). Interconnecting Power-Electronic Buck Converter Modules in a Novel High-Power Test Bench for MVDC Circuit Breakers. Energies, 15(21), 7915. https://doi.org/10.3390/en15217915

