The Development of Bi-LSTM Based on Fault Diagnosis Scheme in MVDC System
Abstract
1. Introduction
- To the best of our knowledge, this study is the first to develop a fault diagnosis scheme using the Bi-LSTM algorithm in an MVDC system. The Bi-LSTM is used to develop a highly accurate classification model for the location and type of faults, including both DC line and internal inverter faults.
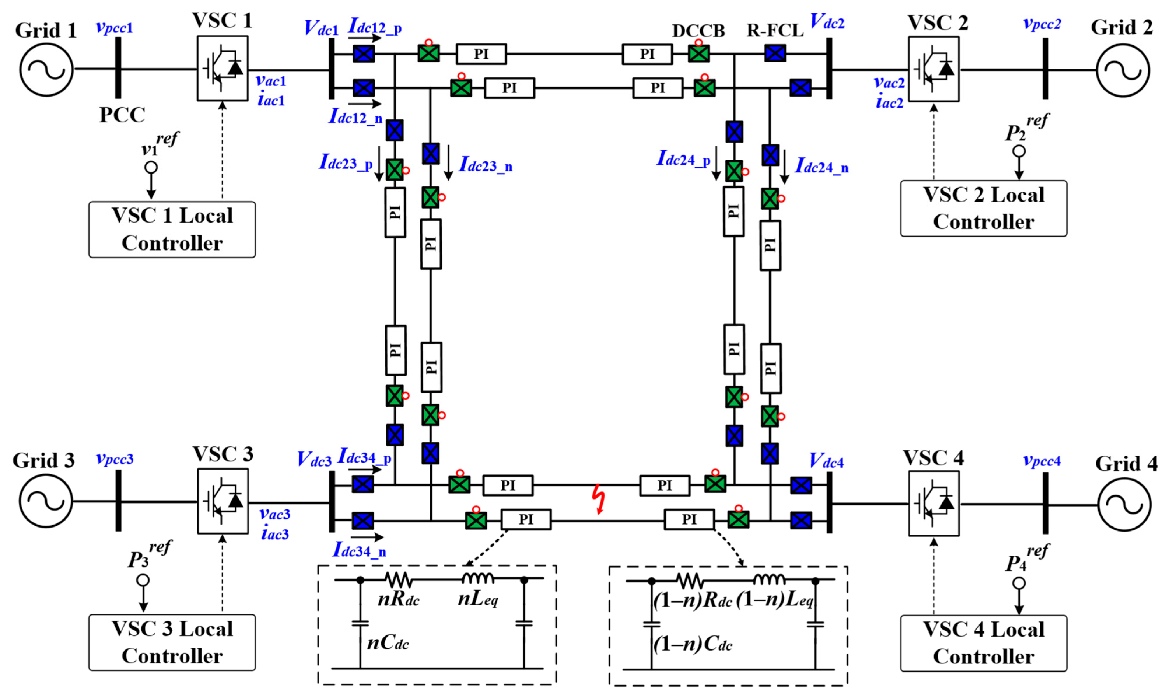
- To quickly alleviate faults in the MVDC system, an R-FCL and a DCCB are implemented at both the ends of each DC line, and the two devices are appropriately combined to ensure system stability in the event of a fault.
- The proposed fault diagnosis method is verified for reliability and accuracy by comparison with the existing methods, such as the CNN and LSTM in a four-terminal MVDC system.
2. System Configuration
3. Structure of the R-FCL and DCCB
4. Proposed Bi-LSTM Based on a Fault Diagnosis Scheme
- Data signal processing transforms the fault data (Idc, Vdc, iac, vac, and vpcc) measured during MVDC system faults, which are modeled in MATLAB/Simulink R2024a, using the discrete wavelet transform (DWT).
- Fault classification involves utilizing the Bi-LSTM network to classify the location and type of faults, including DC line (PTP, P-PTG, and N-PTG) and internal inverter faults (inverter short-circuit), based on the processed digital data.
4.1. Digital Signal Processing Based on the DWT with Normalization
4.2. Fault Clarification Based on the Bi-LSTM Algorithm
5. Case Study
5.1. Test Conditions
5.2. Verification of the Effectiveness of Proposed Fault Diagnosis Scheme in a Four-Terminal MVDC System
5.3. Verification of the Effectiveness of R-FCL and DCCB
6. Conclusions
Author Contributions
Funding
Data Availability Statement
Conflicts of Interest
Correction Statement
Abbreviations
| Wavelet Function | |
| m | Scale Parameter |
| n | Shift Parameter |
| Approximation Coefficient | |
| Detail Coefficient | |
| Scaling Coefficients | |
| Reconfigured Coefficient | |
| Scaling Coefficient | |
| Forget Gate | |
| Input Gate | |
| Update Cell | |
| New Cell | |
| Output Gate | |
| Forget Gate Learnable Weights | |
| Input Gate Learnable Weights | |
| Cell Learnable Weights | |
| Output Gate Learnable Weights | |
| Forget Gate Biases | |
| Input Gate Biases | |
| Cell Biases | |
| Output Gate Biases | |
| Block’s Output | |
| Feature Vector Input |
References
- Doerry, N.; Amy, J.; Krolick, C. History and the status of electric ship propulsion, integrated power systems, and future trends in the U. S. Navy. Proc. IEEE 2015, 103, 2243–2251. [Google Scholar] [CrossRef]
- Jin, Z.; Meng, L.; Guerrero, J.M.; Han, R. Hierarchical control design for a shipboard power system with DC distribution and energy storage aboard future more-electric ships. IEEE Trans. Ind. Inform. 2018, 14, 703–714. [Google Scholar] [CrossRef]
- Yuan, C.; Haj-ahmed, M.A.; Illindala, M.S. Protection strategies for medium-voltage direct-current microgrid at a remote area mine site. IEEE Trans. Ind. Appl. 2015, 51, 2846–2853. [Google Scholar] [CrossRef]
- Nougain, V.; Mishra, S.; Jena, S.S. Resilient protection of medium voltage DC microgrids against cyber intrusion. IEEE Trans. Power Del. 2022, 37, 960–971. [Google Scholar] [CrossRef]
- Gowaid, I.A.; Adam, G.P.; Massoud, A.M.; Ahmed, S.; Williams, B.W. Hybrid and modular multilevel converter designs for isolated HVDC-DC converters. IEEE J. Emerg. Sel. Top. Power Electron. 2018, 6, 188–202. [Google Scholar] [CrossRef]
- Xu, J.; Zhao, X.; Han, N.; Liang, J.; Zhao, C. A thyristor-based DC fault current limiter with inductor inserting-bypassing capability. IEEE J. Emerg. Sel. Top. Power Electron. 2019, 7, 1748–1757. [Google Scholar] [CrossRef]
- Chaudhuri, N.; Chaudhuri, B.; Majumder, R.; Yazdani, A. Multi-Terminal Direct-Current Grids: Modeling, Analysis, and Control; Wiley: Hoboken, NJ, USA, 2014; Chapter 6. [Google Scholar]
- Jiang, S.; Fan, C.; Huang, N.; Zhu, Y.; He, M. A fault location method for DC lines connected with DAB terminal in power electronic transformer. IEEE Trans. Power Del. 2019, 34, 301–311. [Google Scholar] [CrossRef]
- Makkieh, A.; Psaras, V.; Peña-Alzola, R.; Tzelepis, D.; Emhemed, A.A.S.; Burt, G.M. Fault location in DC microgrids based on a multiple capacitive earthing scheme. IEEE J. Emerg. Sel. Top. Power Electron. 2021, 9, 2550–2559. [Google Scholar] [CrossRef]
- Hunter, L.C.; Booth, C.D.; Egea-Alvarez, A.; Dyśko, A.; Finney, S.J.; Junyent-Ferré, A. A New Fast-Acting Backup Protection Strategy for Embedded MVDC Links in Future Distribution Networks. IEEE Trans. Power Del. 2021, 36, 861–869. [Google Scholar] [CrossRef]
- Baran, M.E.; Mahajan, N.R. Overcurrent protection on voltage-source-converter-based multiterminal DC distribution systems. IEEE Trans. Power Del. 2007, 22, 406–412. [Google Scholar] [CrossRef]
- Fletcher, S.D.A.; Norman, P.J.; Galloway, S.J.; Crolla, P.; Burt, G.M. Optimizing the roles of unit and non-unit protection methods within DC microgrids. IEEE Trans. Smart Grid 2012, 3, 2079–2087. [Google Scholar] [CrossRef]
- Sharma, N.K.; Samantaray, S.R.; Bhende, C.N. VMD-Enabled Current-Based Fast Fault Detection Scheme for DC Microgrid. IEEE Syst. J. 2022, 16, 933–944. [Google Scholar] [CrossRef]
- Sneath, J.; Rajapakse, A.D. Fault detection and interruption in an earthed HVDC grid using ROCOV and hybrid DC breakers. IEEE Trans. Power Del. 2016, 31, 973–981. [Google Scholar] [CrossRef]
- Monadi, M.; Gavriluta, C.; Luna, A.; Candela, J.I.; Rodriguez, P. Centralized protection strategy for medium voltage DC microgrids. IEEE Trans. Power Del. 2017, 32, 430–440. [Google Scholar] [CrossRef]
- Emhemed, A.A.; Fong, K.; Fletcher, S.; Burt, G.M. Validation of fast and selective protection scheme for an LVDC distribution network. IEEE Trans. Power Del. 2017, 32, 1432–1440. [Google Scholar] [CrossRef]
- Zain Yousaf, M.; Liu, H.; Raza, A.; Baber Baig, M. Primary and Backup Fault Detection Techniques for Multi-Terminal HVDC Systems: A Review. IET Gener. Trans. Distrib. 2020, 14, 5261–5276. [Google Scholar] [CrossRef]
- Yousaf, M.Z.; Singh, A.R.; Khalid, S.; Bajaj, M.; Kumar, B.H.; Zaitsev, I. Bayesian-Optimized LSTM-DWT Approach for Reliable Fault Detection in MMC-Based HVDC Systems. Sci. Rep. 2024, 14, 17968. [Google Scholar] [CrossRef]
- Yousaf, M.Z.; Khalid, S.; Tahir, M.F.; Tzes, A.; Raza, A. A Novel DC Fault Protection Scheme Based on Intelligent Network for Meshed DC Grids. Int. J. Electr. Power Energy Syst. 2023, 154, 109423. [Google Scholar] [CrossRef]
- Christopher, E.; Sumner, M.; Thomas, D.W.; Wang, X.; de Wildt, F. Fault location in a zonal DC marine power system using active impedance estimation. IEEE Trans. Ind. Appl. 2013, 49, 860–865. [Google Scholar] [CrossRef]
- Zhang, N.; Kezunovic, M. Transmission line boundary protection using wavelet transform and neural network. IEEE Trans. Power Del. 2007, 22, 859–869. [Google Scholar] [CrossRef]
- Li, H.; Li, W.; Luo, M.; Monti, A.; Ponci, F. Design of smart MVDC power grid protection. IEEE Trans. Instrum. Meas. 2011, 60, 3035–3046. [Google Scholar] [CrossRef]
- Merlin, V.L.; Santos, R.C.D.; Le Blond, S.; Coury, D.V. Efficient and robust ANN-based method for an improved protection of VSC HVDC systems. IET Renew. Power Gener. 2018, 12, 1555–1562. [Google Scholar] [CrossRef]
- Yang, Q.Q.; Le Blond, S.; Aggarwal, R.; Wang, Y.W.; Li, J.W. New ANN method for multi-terminal HVDC protection relaying. Electr. Power Syst. Res. 2017, 148, 192–201. [Google Scholar] [CrossRef]
- Li, W.; Monti, A.; Ponci, F. Fault detection and classification in medium voltage DC shipboard power systems with wavelets and artificial neural networks. IEEE Trans. Instrum. Meas. 2014, 63, 2651–2665. [Google Scholar] [CrossRef]
- Hossam-Eldin, A.; Lotfy, A.; Elgamal, M.; Ebeed, M. Artificial intelligence-based short-circuit fault identifier for MT-HVDC systems. IET Gener. Transm. Distrib. 2018, 12, 2436–2443. [Google Scholar] [CrossRef]
- Luo, G.M.; Yao, C.Y.; Tan, Y.J.; Liu, Y.L. Transient signal identification of HVDC transmission lines based on wavelet entropy and SVM. J. Eng. 2019, 2019, 2414–2419. [Google Scholar] [CrossRef]
- Han, Y.; Qi, W.; Ding, N.; Geng, Z. Short-time wavelet entropy integrating improved LSTM for fault diagnosis of modular multilevel converter. IEEE Trans. Cybern. 2022, 52, 7504–7512. [Google Scholar] [CrossRef] [PubMed]
- Yousaf, M.Z.; Liu, H.; Raza, A.; Mustafa, A. Deep Learning-based Robust DC Fault Protection Scheme for Meshed HVDC Grids. CSEE J. Power Energy Syst. 2023, 9, 2423–2434. [Google Scholar]
- Wang, Y.; Zheng, D.; Jia, R. Fault Diagnosis Method for MMC-HVDC Based on Bi-GRU Neural Network. Energies 2022, 15, 994. [Google Scholar] [CrossRef]
- Li, J.; Song, G.; Yan, J.; Li, Y.; Xu, Z. Data-Driven Fault Detection and Classification for MTDC Systems by Integrating HCTSA and Softmax Regression. IEEE Trans. Power Del. 2022, 37, 893–904. [Google Scholar] [CrossRef]
- Pourfaraj, A.; Iman-Eini, H.; Bazyar, S.; Ahmadi, S.; Asadi, E.; Langwasser, M.; Liserre, M. A Fault Detection Algorithm Based on Artificial Neural Network Threshold Selection in Multi-Terminal DC Grids. IEEE Trans. Power Del. 2023, 38, 2510–2520. [Google Scholar] [CrossRef]
- Pérez-Molina, M.J.; Larruskain, D.M.; Eguía, P.; Santiago, V.V. Local Derivative-Based Fault Detection for HVDC Grids. IEEE Trans. Ind. Appl. 2022, 58, 1521–1530. [Google Scholar] [CrossRef]
- Kalcon, G.O.; Adam, G.P.; Anaya-Lara, O.; Lo, S.; Uhlen, K. Small-Signal Stability Analysis of Multi-Terminal VSC-Based DC Transmission Systems. IEEE Trans. Power Syst. 2012, 27, 1818–1830. [Google Scholar] [CrossRef]
- Tan, X.; Ren, L.; Liang, S.; Tang, Y.; Xu, Y.; Shi, J.; Li, Z. Analysis of R-SFCL with Shunt Resistor in MMC-HVDC System Using Novel R-Q Method. IEEE Trans. Appl. Supercond. 2020, 30, 1–5. [Google Scholar] [CrossRef]
- Jiang, Z.; Yu, Z.; Zhou, Y.; Liu, S.; Li, X.; Pan, R. Application of Resistance SFCL in MTDC Grid With Reclosing Protection Strategy. IEEE Trans. Appl. Supercond. 2021, 31, 1–5. [Google Scholar] [CrossRef]
- Ryan, D.J.; Torresan, H.D.; Bahrani, B. A Bidirectional Series Z-Source Circuit Breaker. IEEE Trans. Power. Electron. 2018, 33. [Google Scholar] [CrossRef]
- Meyer, J.M.; Rufer, A. A DC hybrid circuit breaker with ultrafast contact opening and integrated gate-commutated thyristors (IGCTS). IEEE Trans. Power Del. 2006, 21, 646–651. [Google Scholar] [CrossRef]
- Jayamaha, D.K.J.S.; Lidula, N.W.A.; Rajapakse, A.D. Wavelet-multi resolution analysis based ANN architecture for fault detection and localization in DC microgrids. IEEE Access 2019, 7, 145371–145384. [Google Scholar] [CrossRef]
- Schmidhuber, J. Deep learning in neural networks: An overview. Neural Netw. 2015, 61, 85–117. [Google Scholar] [CrossRef]
- Baker, M.; Fard, A.Y.; Althuwaini, H.; Shadmand, M.B. Real-Time AI-Based Anomaly Detection and Classification in Power Electronics Dominated Grids. IEEE J. Emerg. Sel. Top. Ind. Electron. 2023, 4, 549–559. [Google Scholar] [CrossRef]
- Xu, P.; Wang, C.; Ye, J.; Ouyang, T. State-of-Charge Estimation and Health Prognosis for Lithium-Ion Batteries Based on Temperature-Compensated Bi-LSTM Network and Integrated Attention Mechanism. IEEE Trans. Indus. Elec. 2024, 71, 5586–5596. [Google Scholar] [CrossRef]
- Zheng, L.; Jia, K.; Yang, B.; Bi, T.; Yang, Q. Singular value decomposition based pilot protection for transmission lines with converters on both ends. IEEE Trans. Power Del. 2022, 37, 2728–2737. [Google Scholar] [CrossRef]











| Devices | Description | Parameters | Value |
|---|---|---|---|
| Voltage Source Converter | Capacity [MW] | Prated | 20 |
| DC rated voltage [kV] | Vdc, rated | ±35 | |
| AC rated voltage [kV] | Vac, rated | 40 | |
| Switching frequency [Hz] | fsw | 5000 | |
| DC capacitance [mH] | Cdc_cap | 5.6 | |
| DC line | Resistance [Ω/km] | Rdc | 0.015 |
| Inductance [mH/km] | Ldc | 0.3 | |
| Capacitance [μF/km] | Cdc | 13.75 | |
| Length [km] | L | 50 | |
| Fault Resistance [Ω] | Rfault | 1.0 |
| Value | Train | Test |
|---|---|---|
| Number | 31,348 | 12,908 |
| DT Type | Bi-LSTM | LSTM | CNN |
|---|---|---|---|
| TraDT | 3.63 ms | 3.72 ms | 3.81 ms |
| PTP | 4.45 ms | 4.83 ms | 4.88 ms |
| P-PTG | 3.99 ms | 3.60 ms | 3.98 ms |
| N-PTG | 3.63 ms | 4.16 ms | 4.16 ms |
| Inv.sh | 3.01 ms | 3.01 ms | 3.01 ms |
| TesDT | 3.05 ms | 3.05 ms | 3.05 ms |
| PTP | 3.05 ms | 3.05 ms | 3.05 ms |
| P-PTG | 3.05 ms | 3.05 ms | 3.05 ms |
| N-PTG | 3.05 ms | 3.05 ms | 3.05 ms |
| Inv.sh | 3.05 ms | 3.05 ms | 3.05 ms |
| Avg.DT | 3.21 ms | 3.24 ms | 3.26 ms |
| Fault Type | Bi-LSTM | LSTM | CNN |
|---|---|---|---|
| Normal | 99.9% | 99.2% | 99.8% |
| PTP | 84.2% | 78.3% | 81.5% |
| P-PTG | 94.8% | 95.2% | 92.0% |
| N-PTG | 91.8% | 89.7% | 89.9% |
| Inv.sh | 99.0% | 99.8% | 99.6% |
| Total | 97.7% | 96.8% | 97.2% |
| AI Method | Bi-LSTM | LSTM | CNN |
|---|---|---|---|
| Training time | 6 m 9 s | 6 m 27 s | 74 m 34 s |
Disclaimer/Publisher’s Note: The statements, opinions and data contained in all publications are solely those of the individual author(s) and contributor(s) and not of MDPI and/or the editor(s). MDPI and/or the editor(s) disclaim responsibility for any injury to people or property resulting from any ideas, methods, instructions or products referred to in the content. |
© 2024 by the authors. Licensee MDPI, Basel, Switzerland. This article is an open access article distributed under the terms and conditions of the Creative Commons Attribution (CC BY) license (https://creativecommons.org/licenses/by/4.0/).
Share and Cite
Lim, J.-S.; Cho, H.; Kwon, D.; Hong, J. The Development of Bi-LSTM Based on Fault Diagnosis Scheme in MVDC System. Energies 2024, 17, 4689. https://doi.org/10.3390/en17184689
Lim J-S, Cho H, Kwon D, Hong J. The Development of Bi-LSTM Based on Fault Diagnosis Scheme in MVDC System. Energies. 2024; 17(18):4689. https://doi.org/10.3390/en17184689
Chicago/Turabian StyleLim, Jae-Sung, Haesong Cho, Dohoon Kwon, and Junho Hong. 2024. "The Development of Bi-LSTM Based on Fault Diagnosis Scheme in MVDC System" Energies 17, no. 18: 4689. https://doi.org/10.3390/en17184689
APA StyleLim, J.-S., Cho, H., Kwon, D., & Hong, J. (2024). The Development of Bi-LSTM Based on Fault Diagnosis Scheme in MVDC System. Energies, 17(18), 4689. https://doi.org/10.3390/en17184689

