Sign in to use this feature.

Years

Between: -

Subjects

remove_circle_outline
remove_circle_outline
remove_circle_outline
remove_circle_outline
remove_circle_outline
remove_circle_outline
remove_circle_outline
remove_circle_outline
remove_circle_outline

Journals

Article Types

Countries / Regions

Search Results (145)

Search Parameters:
Keywords = LADRC

Order results
Result details
Results per page
Select all
Export citation of selected articles as:
23 pages, 3225 KB  
Article
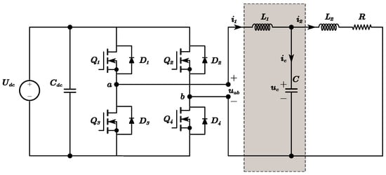
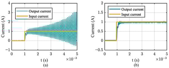
Design and High-Performance Control of a Wide-Bandwidth, Low-Current Ripple LCL-SPA for Active Magnetic Bearing
by Shuo Liu, Juming Liang and Jingbo Wei
Actuators 2026, 15(3), 144; https://doi.org/10.3390/act15030144 - 3 Mar 2026
Abstract
To address the issue that current ripple in traditional switching power amplifiers (SPA) for active magnetic bearing (AMB) systems is constrained by the switching frequency, this paper proposes a novel LCL filter-based switching power amplifier (LCL-SPA) along with its parameter design and high-performance [...] Read more.
To address the issue that current ripple in traditional switching power amplifiers (SPA) for active magnetic bearing (AMB) systems is constrained by the switching frequency, this paper proposes a novel LCL filter-based switching power amplifier (LCL-SPA) along with its parameter design and high-performance control strategy. Without altering the original full-bridge topology or the switching frequency, the proposed scheme achieves superior ripple suppression. To tackle the inherent resonance problem of the LCL filter, a sensorless capacitor current feedback active damping (CCFAD) strategy is proposed. This approach effectively suppresses resonance without additional hardware sensors and ensures system stability under digital control delays. Furthermore, to overcome the limitations of traditional PI controllers in terms of the dynamic performance and parameter tuning of the LCL-SPA, a high-performance LESO-based control algorithm within the Linear Active Disturbance Rejection Control (LADRC) framework is designed. By utilizing a Linear Extended State Observer (LESO) to estimate and compensate for total lumped disturbances in real-time, the algorithm simplifies the parameter tuning process and achieves rapid current tracking with nearly zero overshoot. Experimental results demonstrate that the proposed LCL-SPA achieves extremely low current ripple across various reference currents, with the ripple minimized to 20 mA at a 3 A load. Frequency response tests confirm that the system possesses a closed-loop bandwidth of up to 2 kHz, satisfying the high dynamic requirements of magnetic bearings. Full article
(This article belongs to the Section Control Systems)
Show Figures

Figure 1

19 pages, 3696 KB  
Article
Speed Control of Sliding Mode Variable Structure for Permanent Magnet Synchronous Motors Based on Iterative Learning and Torque Compensation
by Na Zheng, Guoqiang Qiu, Yanming Cheng and Dejun Liu
Appl. Sci. 2026, 16(4), 1958; https://doi.org/10.3390/app16041958 - 16 Feb 2026
Viewed by 173
Abstract
To reduce the impact of periodic pulsating torque and non-periodic disturbances on the speed control performance of permanent magnet synchronous motors (PMSMs), a sliding mode variable structure control method incorporating iterative learning compensation and load torque observation compensation is proposed. First, iterative learning [...] Read more.
To reduce the impact of periodic pulsating torque and non-periodic disturbances on the speed control performance of permanent magnet synchronous motors (PMSMs), a sliding mode variable structure control method incorporating iterative learning compensation and load torque observation compensation is proposed. First, iterative learning control (ILC) is designed to address periodic disturbances and suppress periodic torque ripple. A load torque observation compensator is developed to counteract non-periodic disturbances, thereby enhancing the system’s robustness against uncertain disturbances. Second, numerical simulations compare the proposed method with sliding mode control (SMC), sliding mode control with load torque observation compensation (SMC + LO), and linear active disturbance rejection control (LADRC). The simulation results demonstrate that the proposed control strategy achieves reduced torque ripple, improved system tracking, and strong robustness. Finally, physical experiments are conducted, and the results closely align with the simulations. Both simulation and experimental outcomes confirm the effectiveness of the proposed control strategy in enhancing the speed performance of permanent magnet synchronous motors. Full article
(This article belongs to the Special Issue Power Electronics and Motor Control)
Show Figures

Figure 1

17 pages, 4856 KB  
Article
Stability Control of the DC/DC Converter in DC Microgrids Considering Negative Damping and Parameter Uncertainties
by Hao Deng, Wusong Wen, Yingchao Zhang, Sheng Long and Liping Jin
Energies 2026, 19(3), 697; https://doi.org/10.3390/en19030697 - 28 Jan 2026
Viewed by 212
Abstract
To address the issue of negative damping instability easily induced by DC/DC converters under constant power load (CPL) in DC microgrids and to enhance the control robustness of the system under uncertainties such as parameter perturbations, this paper designs a controller based on [...] Read more.
To address the issue of negative damping instability easily induced by DC/DC converters under constant power load (CPL) in DC microgrids and to enhance the control robustness of the system under uncertainties such as parameter perturbations, this paper designs a controller based on the linear active disturbance rejection control (LADRC) theory. Firstly, by establishing an equivalent model of the DC microgrid with CPL, the intrinsic relationship between the equivalent incremental admittance of the hybrid load and the system damping is revealed. Subsequently, treating the nonlinear characteristics of the CPL and model parameter variations as external disturbances, the linear extended state observer (LESO) is employed to estimate and compensate for the total system disturbance in real time. This effectively eliminates the risk of negative damping instability caused by the CPL and enhances the system’s robustness against parameter variations. Then, theoretical analysis is conducted from three perspectives, the convergence of disturbance estimation error, the stability of the closed-loop system, and robustness against parameter variations, thereby ensuring the reliability of the proposed control strategy. Finally, the proposed control strategy is validated through simulations and experiments. The results confirm that, even in the presence of negative damping effects and parameter variations, the strategy can effectively maintain fast tracking and stable control of the output voltage. Full article
(This article belongs to the Section F3: Power Electronics)
Show Figures

Figure 1

21 pages, 3304 KB  
Article
Improved Linear Active Disturbance Rejection Control of Energy Storage Converter
by Zicheng He, Guangchen Liu, Guizhen Tian, Hongtao Xia and Yan Wang
Energies 2026, 19(3), 597; https://doi.org/10.3390/en19030597 - 23 Jan 2026
Viewed by 188
Abstract
To improve DC-bus voltage regulation of bidirectional DC/DC converters in photovoltaic–energy storage DC microgrids, this paper proposes an improved linear active disturbance rejection control (LADRC) strategy based on observation error reconstruction. In conventional LADRC, the linear extended state observer (LESO) is driven solely [...] Read more.
To improve DC-bus voltage regulation of bidirectional DC/DC converters in photovoltaic–energy storage DC microgrids, this paper proposes an improved linear active disturbance rejection control (LADRC) strategy based on observation error reconstruction. In conventional LADRC, the linear extended state observer (LESO) is driven solely by the output tracking error, which may lead to weakened disturbance excitation after rapid error convergence and thus degraded disturbance estimation performance. To address this limitation, an observation error reconstruction mechanism is introduced, in which a reconstructed error variable incorporating higher-order estimation deviation information is used to redesign the LESO update law. This modification fundamentally enhances the disturbance-driving mechanism without excessively increasing observer bandwidth, resulting in improved mid- and high-frequency disturbance estimation capability. The proposed method is analyzed in terms of disturbance estimation characteristics, frequency-domain behavior, and closed-loop stability. Comparative simulations and hardware-in-the-loop experiments under typical load and photovoltaic power step variations within the safe operating range demonstrate that the proposed LADRC–PI significantly outperforms conventional PI and LADRC–PI control. Experimental results show that the maximum DC-bus voltage fluctuation is reduced by over 60%, and the voltage recovery time is shortened by approximately 40–50% under the tested operating conditions. Full article
Show Figures

Figure 1

22 pages, 15581 KB  
Article
Cascaded Linear–Nonlinear Active Disturbance Rejection Control and Parameter Tuning of Magnetic Levitation Ball System
by Yubo Wang, Zhixian Zhong, Peng Liu and Meng Wang
Appl. Sci. 2026, 16(2), 1140; https://doi.org/10.3390/app16021140 - 22 Jan 2026
Viewed by 162
Abstract
Due to the significant nonlinear characteristics of the magnetic bearing, it is difficult to establish an accurate mathematical model, and it is susceptible to external disturbances. Traditional control methods struggle to meet the control requirements. Active disturbance rejection control (ADRC) does not rely [...] Read more.
Due to the significant nonlinear characteristics of the magnetic bearing, it is difficult to establish an accurate mathematical model, and it is susceptible to external disturbances. Traditional control methods struggle to meet the control requirements. Active disturbance rejection control (ADRC) does not rely on accurate models and has outstanding anti-interference ability. In order to improve the anti-disturbance ability and control stability of the system, a cascaded linear–nonlinear active disturbance rejection control method (CL-NLADRC) based on the improved artificial jellyfish algorithm is proposed and applied to the magnetic levitation ball system. Firstly, the mathematical model of the magnetic levitation ball system is established, and based on this model, a cascaded linear–nonlinear extended state observer is constructed to estimate and compensate for the system state, thereby enhancing the dynamic response capability of the system. Subsequently, the tangent spiral motion and the lens reversal learning strategy are introduced to improve the artificial jellyfish algorithm to further improve the global optimization performance of the algorithm. Finally, the improved artificial jellyfish algorithm is used to optimize the CL-NLADRC controller parameters. The simulation and experimental results show that compared with the traditional LADRC and PID controllers, the proposed CL-NLADRC has a significant improvement in the steady-state error, response speed, and anti-disturbance performance of the system. Among them, the root mean square error decreased by 14% and 47%, respectively, which verified the effectiveness and stability of the method in the magnetic levitation ball system. Full article
Show Figures

Figure 1

29 pages, 10646 KB  
Article
A CPO-Optimized Enhanced Linear Active Disturbance Rejection Control for Rotor Vibration Suppression in Magnetic Bearing Systems
by Ting Li, Jie Wen, Tianyi Ma, Nan Wei, Yanping Du and Huijuan Bai
Sensors 2026, 26(2), 456; https://doi.org/10.3390/s26020456 - 9 Jan 2026
Viewed by 327
Abstract
To mitigate rotor vibrations in magnetic bearing systems arising from mass imbalance, this study proposes a novel suppression strategy that integrates the crested porcupine optimizer (CPO) with an enhanced linear active disturbance rejection control (ELADRC) framework. The approach introduces a disturbance estimation and [...] Read more.
To mitigate rotor vibrations in magnetic bearing systems arising from mass imbalance, this study proposes a novel suppression strategy that integrates the crested porcupine optimizer (CPO) with an enhanced linear active disturbance rejection control (ELADRC) framework. The approach introduces a disturbance estimation and compensation scheme based on a linear extended state observer (LESO), wherein both the LESO bandwidth ω0 and the LADRC controller parameter ωc are adaptively tuned using the CPO algorithm to enable decoupled control and real-time disturbance rejection in complex multi-degree-of-freedom (DOF) systems. Drawing inspiration from the crested porcupine’s layered defensive behavior, the CPO algorithm constructs a state-space model incorporating rotor displacement, rotational speed, and control current, while leveraging a reward function that balances vibration suppression performance against control energy consumption. The optimized parameters guide a real-time LESO-based compensation model, achieving accurate disturbance cancelation via amplitude-phase coordination between the generated electromagnetic force and the total disturbance. Concurrently, the LADRC feedback structure adjusts the system’s stiffness and damping matrices to improve closed-loop robustness under time-varying operating conditions. Simulation studies over a wide speed range (0~45,000 rpm) reveal that the proposed CPO-ELADRC scheme significantly outperforms conventional control methods: it shortens regulation time by 66.7% and reduces peak displacement by 86.8% under step disturbances, while achieving a 79.8% improvement in adjustment speed and an 86.4% reduction in peak control current under sinusoidal excitation. Overall, the strategy offers enhanced vibration attenuation, prevents current saturation, and improves dynamic stability across diverse operating scenarios. Full article
(This article belongs to the Section Industrial Sensors)
Show Figures

Figure 1

25 pages, 3201 KB  
Article
Embedding System Knowledge in Nonlinear Active Disturbance Rejection Control: Insights from a Magnetic Levitation System
by Mikołaj Mrotek, Jacek Michalski, Eric William Zurita-Bustamante, Rafal Madonski and Dariusz Pazderski
Electronics 2025, 14(24), 4811; https://doi.org/10.3390/electronics14244811 - 7 Dec 2025
Cited by 1 | Viewed by 288
Abstract
Two new active disturbance rejection control (ADRC) structures for nonlinear systems are introduced: a locally linearized variant and a fully nonlinear formulation. Both approaches incorporate model knowledge to enhance performance but differ in how nonlinear dynamics are integrated into the control and observer [...] Read more.
Two new active disturbance rejection control (ADRC) structures for nonlinear systems are introduced: a locally linearized variant and a fully nonlinear formulation. Both approaches incorporate model knowledge to enhance performance but differ in how nonlinear dynamics are integrated into the control and observer design. The first proposed structure employs a state-dependent local approximation of the nonlinear model to generate dynamic controller and observer gains, aiming to balance robustness and accuracy. In contrast, the second one directly embeds the full nonlinear dynamics into both the control law and extended state observer, tightly coupling performance to model fidelity. The proposed methods were experimentally validated on a magnetic levitation system, known for its strong nonlinearity, and compared with a classical linear ADRC (LADRC). Furthermore, stability analysis of the methods was conducted using Lyapunov theory. Results show that the linearized structure consistently improves regulation performance over LADRC and, in most cases, achieves similar results to nonlinear ADRC with lower computational effort. However, the performance of the nonlinear approach may degrade under modeling inaccuracies and limited observer bandwidth. This study highlights that the way model information is integrated–rather than its level of detail–has a decisive impact on control quality. Finally, practical design guidelines are provided to assist in selecting an appropriate ADRC structure for nonlinear applications where robustness, computational efficiency, and limited model knowledge must be balanced. Full article
(This article belongs to the Section Computer Science & Engineering)
Show Figures

Figure 1

29 pages, 3005 KB  
Article
ISWO-LADRC: Improved Spider Wasp Optimization Algorithm-Based Rotational Speed Control for Micro-Aero-Engine
by Huigui Long, Kui Chen, Zhuojie Nong and Haozhong Huang
Aerospace 2025, 12(12), 1068; https://doi.org/10.3390/aerospace12121068 - 30 Nov 2025
Viewed by 376
Abstract
Rotational speed is a key performance parameter of aero-engines. As an indispensable parameter in control systems, rotational speed has received widespread attention. However, research on rotational speed control methods for micro-turbojet engines used in unmanned aerial vehicles is relatively limited. Therefore, this paper [...] Read more.
Rotational speed is a key performance parameter of aero-engines. As an indispensable parameter in control systems, rotational speed has received widespread attention. However, research on rotational speed control methods for micro-turbojet engines used in unmanned aerial vehicles is relatively limited. Therefore, this paper proposes a rotational speed controller for micro-turbojet engines based on the Improved Spider Wasp Optimization (ISWO) algorithm, which adopts Linear Active Disturbance Rejection Control (LADRC) technology. Data from the actual operation of the micro-turbojet engine were collected, and the engine rotational speed models under three operating conditions were obtained through system identification. The proposed controller was applied to these rotational speed models, along with the classic Proportional–Integral–Derivative (PID) controller, the LADRC controller, and the LADRC controller based on the original Spider Wasp Optimization (SWO) algorithm. Simulation experiments and comparisons of the controllers were conducted based on performance indicators. The simulation results show that under the three operating conditions, the ISWO-LADRC controller outperforms the other three controllers in indicators such as rise time, overshoot, and settling time, all of which are smaller. Thus, ISWO-LADRC exhibits better comprehensive control performance. Full article
(This article belongs to the Section Aeronautics)
Show Figures

Figure 1

29 pages, 3696 KB  
Article
Design of a Novel Shipborne Parallel Stabilization Platform and Control Strategy Based on Improved LADRC
by Yu Wang, Hongbin Qiang, Shaopeng Kang, Kailei Liu, Jing Yang, Hanbin Wang and Xiangyang Tian
Actuators 2025, 14(11), 564; https://doi.org/10.3390/act14110564 - 19 Nov 2025
Viewed by 626
Abstract
To enhance the precision, load capacity, disturbance rejection, and reliability of shipborne parallel stabilization platforms under complex sea conditions, this paper proposes a redundant, actuated, parasitic-motion-free 3-DOF 3RRS-RUS parallel stabilization platform. Based on the proposed 3RRS-RUS shipborne parallel stabilization platform, a Linear Active [...] Read more.
To enhance the precision, load capacity, disturbance rejection, and reliability of shipborne parallel stabilization platforms under complex sea conditions, this paper proposes a redundant, actuated, parasitic-motion-free 3-DOF 3RRS-RUS parallel stabilization platform. Based on the proposed 3RRS-RUS shipborne parallel stabilization platform, a Linear Active Disturbance Rejection Control (LADRC) approach, integrated with a Sliding Mode Disturbance Observer (SMDO), is developed. First, the mechanism is synthesized using screw theory, and its 2R1T 3-DOF characteristics are verified through parasitic motion analysis. Second, the inverse kinematics model is established. Third, the conventional LADRC is decoupled, and a new Linear Extended State Observer (LESO) together with its corresponding control law is designed. Moreover, an SMDO is incorporated into the motor’s three-loop control scheme to alleviate the estimation burden on the LESO and enhance the system’s disturbance rejection capability. Finally, experimental validations were carried out on both the CSPACE and SimMechanics platforms. The results demonstrate that the proposed SMDO–LADRC achieves superior tracking performance, high robustness, and strong disturbance rejection capability, The tracking errors along the RX, RY, and Z axes were reduced by 6.5%, 1.1%, and 16.6%, respectively, compared with the conventional LADRC, while also confirming the feasibility of the newly designed 3-DOF 3RRS-RUS shipborne parallel stabilization platform. Full article
(This article belongs to the Special Issue Design and Control of Parallel Robotics)
Show Figures

Figure 1

23 pages, 2795 KB  
Article
Research on Position-Tracking Control Method for Fatigue Test Bed of Absorber Based on SCHO and Fuzzy Adaptive LADRC
by Muzhi Zhu, Zhilei Chen, Xingrong Huang, Xujie Zhang and Chao Xun
Machines 2025, 13(11), 1026; https://doi.org/10.3390/machines13111026 - 6 Nov 2025
Viewed by 566
Abstract
A collaborative control strategy combining the hyperbolic sine-cosine optimization (SCHO) algorithm with fuzzy adaptive linear active disturbance rejection control is proposed to address the nonlinearity and uncertainties in the hydraulic position servo system of shock absorber test benches. First, based on the dynamic [...] Read more.
A collaborative control strategy combining the hyperbolic sine-cosine optimization (SCHO) algorithm with fuzzy adaptive linear active disturbance rejection control is proposed to address the nonlinearity and uncertainties in the hydraulic position servo system of shock absorber test benches. First, based on the dynamic characteristics of the shock absorber fatigue test bench and the tested shock absorber, a linearized model of the valve-controlled hydraulic cylinder and its load was established. The coupling mechanism of system parameter perturbation and disturbance was also analyzed. A third-order LADRC (Linear Active Disturbance Rejection Control) was designed considering the linear model characteristics of the test bench hydraulic servo system model to quickly estimate internal system disturbances and perform real-time compensation. Secondly, a multi-objective optimization function was constructed by integrating system performance indicators and incorporating controller and observer bandwidths into the optimization objectives. The SCHO algorithm was used for the global search and optimization of key LADRC parameters. To enhance the controller’s adaptive capability of modeling uncertainties and external disturbances, a fuzzy adaptive module was introduced to adjust control gains online according to errors and their rates of change, further improving system robustness and dynamic performance. The results show that compared with traditional PID, under different working conditions, the proposed method reduced the maximum tracking error, overshoot, and system response time by an average of 45%, from 15% to 5%, and by approximately 30%, respectively. Meanwhile, the parameter combination obtained via SCHO effectively avoids the limitations of manual parameter tuning, significantly improving control accuracy and energy utilization. The simulation results indicate that this method can significantly enhance position-tracking accuracy compared with traditional LADRC, providing an effective solution for position-tracking control in hydraulic servo testing systems. Full article
(This article belongs to the Section Automation and Control Systems)
Show Figures

Figure 1

26 pages, 2950 KB  
Article
Decoupling-Free Attitude Control of UAV Considering High-Frequency Disturbances: A Modified Linear Active Disturbance Rejection Method
by Changjin Dong, Yan Huo, Nanmu Hui, Xiaowei Han, Binbin Tu, Zehao Wang and Jiaying Zhang
Actuators 2025, 14(10), 504; https://doi.org/10.3390/act14100504 - 18 Oct 2025
Viewed by 694
Abstract
With the rapid development of unmanned aerial vehicle (UAV) technology, quadrotor UAVs have demonstrated extensive application potential in various fields. However, due to parameter uncertainties and strong coupling, the flight attitude of quadrotors is prone to external disturbances, posing challenges for achieving precise [...] Read more.
With the rapid development of unmanned aerial vehicle (UAV) technology, quadrotor UAVs have demonstrated extensive application potential in various fields. However, due to parameter uncertainties and strong coupling, the flight attitude of quadrotors is prone to external disturbances, posing challenges for achieving precise control and stable flight. In this paper, we address the tracking control problem under unknown command rate variations by proposing a Modified Linear Active Disturbance Rejection Control (LADRC) strategy, aiming to enhance flight stability and anti-disturbance capability in complex environments. First, based on the attitude dynamics model of quadrotors, an LADRC technique is adopted to realize three-channel decoupling-free control. By integrating a parameter estimator, the proposed method can compensate unknown disturbances in real time, thereby improving the system’s anti-disturbance ability and dynamic response performance. Second, to further enhance system robustness, a linear extended state observer (LESO) is designed to accurately estimate the tracking error rate and total disturbances. Additionally, a Levant differentiator is introduced to replace the traditional differentiation component for optimizing the response speed of command rate. Finally, a modified LADRC controller incorporating error rate estimation is constructed. Simulation results validate that the proposed scheme maintains good tracking accuracy under high-frequency disturbances, providing an effective solution for stable UAV flight in complex scenarios. Compared with traditional control methods, the modified LADRC strategy exhibits significant advantages in tracking performance, anti-disturbance capability, and dynamic response. This research not only offers a novel perspective and solution for quadrotor control problems but also holds important implications for improving UAV performance and reliability in practical applications. Full article
(This article belongs to the Section Control Systems)
Show Figures

Figure 1

23 pages, 4197 KB  
Article
Position and Attitude Control of Multi-Modal Underwater Robots Using an Improved LADRC Based on Sliding Mode Control
by Luze Wang, Yu Lu, Lei Zhang, Bowei Cui, Fengluo Chen, Bingchen Liang, Liwei Yu and Shimin Yu
Sensors 2025, 25(19), 6010; https://doi.org/10.3390/s25196010 - 30 Sep 2025
Cited by 1 | Viewed by 1124
Abstract
This paper focuses on the control problems of a multi-modal underwater robot, which is designed mainly for the task of detecting the working environment in deep-sea mining. To tackle model uncertainty and external disturbances, an improved linear active disturbance rejection control scheme based [...] Read more.
This paper focuses on the control problems of a multi-modal underwater robot, which is designed mainly for the task of detecting the working environment in deep-sea mining. To tackle model uncertainty and external disturbances, an improved linear active disturbance rejection control scheme based on sliding mode control is proposed (SM-ADRC). Firstly, to reduce overshoot, a piecewise fhan function is introduced into the tracking differentiator (TD). This design retains the system’s fast nonlinear tracking characteristics outside the boundary layer while leveraging linear damping within it to achieve effective overshoot suppression. Secondly, two key enhancements are made to the SMC: an integral sliding surface is designed to improve steady-state accuracy, and a saturation function replaces the sign function to suppress high-frequency chattering. Furthermore, the SMC integrates the total disturbance estimate from the linear extended state observer (LESO) for feedforward compensation. Finally, the simulation experiment verification is completed. The simulation results show that the SM-ADRC scheme significantly improves the dynamic response and disturbance suppression ability of the system and simultaneously suppresses the chattering problem of SMC. Full article
(This article belongs to the Special Issue Smart Sensing and Control for Autonomous Intelligent Unmanned Systems)
Show Figures

Figure 1

16 pages, 2759 KB  
Article
Research on Linear Active Disturbance Rejection Control of Electrically Excited Motor for Vehicle Based on ADP Parameter Optimization
by Heping Ling, Junzhi Zhang and Hua Pan
Actuators 2025, 14(9), 440; https://doi.org/10.3390/act14090440 - 4 Sep 2025
Viewed by 698
Abstract
In the three-motor hybrid architecture, the auxiliary drive uses electrically excited synchronous motor (EESM), which has the advantages of high torque density, wide speed range and strong anti-demagnetization ability. However, the strong electromagnetic coupling between the field winding and the armature winding leads [...] Read more.
In the three-motor hybrid architecture, the auxiliary drive uses electrically excited synchronous motor (EESM), which has the advantages of high torque density, wide speed range and strong anti-demagnetization ability. However, the strong electromagnetic coupling between the field winding and the armature winding leads to the difficulty of current control, and the traditional PID has limitations in dynamic response and immunity. In order to solve this problem, a linear active disturbance rejection control (LADRC) method for the rotor of EESM is proposed in this paper, linear extended state observer (LESO) is used to estimate and compensate the system internal and external disturbances (such as winding coupling and parameter perturbation) in real time. The method only uses the input and output of the system and does not depend on any mechanical parameters, so that the torque response is improved by 50%, and the steady-state fluctuation is reduced by 10.2%. In addition, an adaptive dynamic programming (ADP) parameter optimization strategy is proposed to solve the bandwidth parameter tuning problem of LADRC algorithm in complex operating conditions, and the related mathematical analysis of optimality properties is given. Finally, the proposed method is compared with the traditional PI controller in several operating conditions of EESM, and the effectiveness of the proposed method is validated by the corresponding results. Full article
(This article belongs to the Section Control Systems)
Show Figures

Figure 1

21 pages, 2990 KB  
Article
Research on Speed Control of PMSM Based on Super-Twisting Sliding Mode Corrected Differential Linear Active Disturbance Rejection
by Fei Tan, Yuxin Ma and Chaohui Zhao
Energies 2025, 18(17), 4555; https://doi.org/10.3390/en18174555 - 28 Aug 2025
Cited by 1 | Viewed by 1089
Abstract
To improve the dynamic response and disturbance rejection performance of a permanent magnet synchronous motor (PMSM) speed control system, this paper designs a speed control strategy of PMSM based on super-twisting sliding mode corrected differential linear active disturbance rejection (STSM-CDLADRC). First, the speed [...] Read more.
To improve the dynamic response and disturbance rejection performance of a permanent magnet synchronous motor (PMSM) speed control system, this paper designs a speed control strategy of PMSM based on super-twisting sliding mode corrected differential linear active disturbance rejection (STSM-CDLADRC). First, the speed loop model of a permanent magnet synchronous motor based on traditional LADRC is established. Second, the observer of LADRC is reconstructed according to the principle of error control, and the differential linear extended state observer (DLESO) is obtained. Then, to solve the observation hysteresis problem existing in the DLESO, the phase lead correction unit is introduced, and a corrected DLESO is designed (CDLESO); on this basis, the feedback rate in LADRC is also improved by using the super-twisting sliding mode control algorithm to design the super-twisting sliding mode linear state error feedback rate (STSM-LSEF), which improves the dynamic response performance of the system. Finally, the effectiveness and feasibility of the designed control strategy are verified by MATLAB/Simulink simulation and an experimental platform, and the results show that in the speed control system of the PMSM, the strategy effectively improves the dynamic response performance and anti-disturbance performance of the system. Full article
Show Figures

Figure 1

21 pages, 6784 KB  
Article
A Second-Order LADRC-Based Control Strategy for Quadrotor UAVs Using a Modified Crayfish Optimization Algorithm and Fuzzy Logic
by Kelin Li, Guangzhao Wang and Yalei Bai
Electronics 2025, 14(15), 3124; https://doi.org/10.3390/electronics14153124 - 5 Aug 2025
Viewed by 966
Abstract
To enhance the rapid and stable tracking of a specified trajectory by quadcopter drones, while ensuring a degree of resistance to external wind disturbances, this paper proposes an integrated control strategy that combines an optimization algorithm and fuzzy control. In this system, both [...] Read more.
To enhance the rapid and stable tracking of a specified trajectory by quadcopter drones, while ensuring a degree of resistance to external wind disturbances, this paper proposes an integrated control strategy that combines an optimization algorithm and fuzzy control. In this system, both the position and attitude loops utilize second-order Linear Active Disturbance Rejection Control (LADRC) controllers, supplemented by fuzzy controllers. These controllers have been optimized using a modified crayfish optimization algorithm (MCOA), resulting in a dual-closed-loop control system. In comparisons with both the dual-closed-loop LADRC controller and the dual-closed-loop fuzzy control LADRC controller, the proposed method reduces the rise time by 52.87% in the X-channel under wind-free conditions, reduces the maximum trajectory tracking error by 86.37% under wind-disturbed conditions, and reduces the ITAE exponent by 66.2%, which demonstrates that the newly designed system delivers excellent tracking speed and accuracy along the specified trajectory. Furthermore, it remains effective even in the presence of external disturbances, it can reliably maintain the target position and the attitude angle, demonstrating strong resistance to interference and stability. Full article
Show Figures

Figure 1

Back to TopTop