Sign in to use this feature.

Years

Between: -

Subjects

remove_circle_outline
remove_circle_outline
remove_circle_outline
remove_circle_outline
remove_circle_outline
remove_circle_outline
remove_circle_outline
remove_circle_outline
remove_circle_outline

Journals

remove_circle_outline
remove_circle_outline
remove_circle_outline
remove_circle_outline
remove_circle_outline
remove_circle_outline

Article Types

Countries / Regions

remove_circle_outline
remove_circle_outline
remove_circle_outline
remove_circle_outline

Search Results (600)

Search Parameters:
Keywords = Ga droplet

Order results
Result details
Results per page
Select all
Export citation of selected articles as:
16 pages, 4175 KB  
Article
Filtration Performance of Coalescence Filter with Nanofiber Membrane
by Yuee Chen, Rongjun Song, Jiajiang Zhang, Kang Ji, Kailong Cui and Feng Chen
Processes 2025, 13(11), 3645; https://doi.org/10.3390/pr13113645 - 11 Nov 2025
Viewed by 164
Abstract
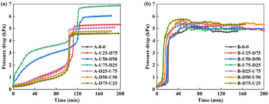
Glass fiber filter media are widely used to remove submicron liquid droplets from air and gas streams. However, there is still a challenge to obtain filter media with high efficiency and low resistance. In this study, the electrospinning method was used to deposit [...] Read more.
Glass fiber filter media are widely used to remove submicron liquid droplets from air and gas streams. However, there is still a challenge to obtain filter media with high efficiency and low resistance. In this study, the electrospinning method was used to deposit a nanofiber membrane on the micron fiber filter media. The filtration performance and liquid distribution in the filters with different electrospinning area ratio were analyzed. The filtration performances of dual-layer filters with different combinations were investigated. The results show that with the increase in electrospinning area ratio, the filtration efficiency of oleophilic filters can be improved, while it seems to have no effect on the filtration efficiency of oleophobic filters. At the initial stage of filtration, there is liquid film forming on the electrospinning area for both the oleophilic and oleophobic filters, resulting in an increase airflow resistance on the non-electrospinning area. As the nanofiber membrane is coated on the up region of the first layer filter media, with the increase in the electrospinning area ratio, the steady pressure drop increases for the dual-layer combinations based on oleophilic filter media, while the filtration efficiency increases gradually for the dual-layer combinations based on both oleophilic and oleophobic filter media. The best filtration performance was found for Filter B-U75-D25. Full article
Show Figures

Figure 1

13 pages, 6341 KB  
Article
GaAs Nanowire Growth by MBE with Catalyst Forming Eutectic Points with Both Elements
by Nickolay V. Sibirev, Ilya P. Soshnikov, Igor V. Ilkiv, Evgenii V. Ubyivovk, George E. Cirlin and Igor V. Shtrom
Nanomaterials 2025, 15(21), 1664; https://doi.org/10.3390/nano15211664 - 1 Nov 2025
Viewed by 299
Abstract
A3B5 nanowires are usually grown via the vapor-liquid-solid mechanism. Species from the vapor are incorporated into the nanowires using a catalyst droplet. Typically, the droplet is a low-melting-point eutectic alloy of catalyst and group III metal. This growth imposes a set of limitations [...] Read more.
A3B5 nanowires are usually grown via the vapor-liquid-solid mechanism. Species from the vapor are incorporated into the nanowires using a catalyst droplet. Typically, the droplet is a low-melting-point eutectic alloy of catalyst and group III metal. This growth imposes a set of limitations on the heterostructure formation and doping. Axial A3B5 heterostructure nanowires obtained via an interchange of group III metals suffer from blurring and kinking. Amphoteric dopants such as Si could act as donors and acceptors, leading to electron-to-hole ratio oscillations along the nanowire. To overcome these limits, the growth with a catalyst, which could dissolve both components of the nanowire, is studied. Tin has a eutectic with both components, As and Ga. This makes the growth of GaAs nanowires with a tin catalyst different from that with standard catalysts. Nanowire growth occurs with at least two types of catalysts, Ga-rich and Ga-poor (As-rich). This article aims to study the nanowire growth with an Sn catalyst. For the first time, the growth of GaAs nanowires using a tin catalyst by molecular beam epitaxy is shown. Tin can serve as a catalyst not only for the chemical growth of GaAs nanowires but also as a nucleation site for their growth. Both compositions of the catalyst are observed. The annealing of a thin film of tin on a Si and GaAs substrate has also been studied. At temperatures below 450 °C, small metal droplets form, while tin dissolves into the substrate at higher temperatures. Full article
(This article belongs to the Section Synthesis, Interfaces and Nanostructures)
Show Figures

Figure 1

24 pages, 4204 KB  
Article
Effect of Twin-Fluid Mass Ratio on Near-Field Spray Characteristics and Dynamics of a Novel Two-Phase Injector with an Internal Swirl
by Rachel Swinney, Md Shakil Ahmed and Lulin Jiang
Fire 2025, 8(11), 425; https://doi.org/10.3390/fire8110425 - 31 Oct 2025
Viewed by 478
Abstract
The present study investigates the influence of atomizing air-to-liquid mass ratio (ALR) on the near-field spray characteristics and stability of a novel twin-fluid injector that integrates bubble-bursting for primary atomization and shear-induced secondary atomization. Unlike conventional injectors, the novel design generates ultra-fine sprays [...] Read more.
The present study investigates the influence of atomizing air-to-liquid mass ratio (ALR) on the near-field spray characteristics and stability of a novel twin-fluid injector that integrates bubble-bursting for primary atomization and shear-induced secondary atomization. Unlike conventional injectors, the novel design generates ultra-fine sprays at the exit with low sensitivity to liquid properties. The previous version improved secondary atomization even for highly viscous liquids, showing strong potential in hydrogel-based fire suppression. The current design improves primary atomization, leading to more stable and finer sprays. The near-field spray characteristics are quantified using a high-speed shadowgraph across ALRs ranging from 1.25 to 2.00. This study found that stable and finely atomized sprays are produced across all the tested ALRs. Increasing ALR reduces droplet size, while the spray is the widest at 1.25. Sauter Mean Diameter (SMD) contours show larger droplets at the edges and smaller ones toward the center, with ALR 2.00 yielding the most uniform size distribution. As per the atomization efficiency, ALR of 1.25 shows the best performance. Overall, an optimum ALR of 1.75 is identified, offering balanced droplet size distribution, stability, and atomization efficiency, making the injector potentially suitable for fire suppression and liquid-fueled gas turbines requiring high stability and fuel flexibility. Full article
Show Figures

Graphical abstract

18 pages, 4036 KB  
Article
Precise Control of Micropipette Flow Rate for Fluorescence Imaging in In Vivo Micromanipulation
by Ruimin Li, Shaojie Fu, Zijian Guo, Jinyu Qiu, Yuzhu Liu, Mengya Liu, Qili Zhao and Xin Zhao
Sensors 2025, 25(21), 6647; https://doi.org/10.3390/s25216647 - 30 Oct 2025
Viewed by 644
Abstract
Precise regulation of micropipette outlet flow is critical for fluorescence imaging in vivo micromanipulations. In such procedures, a micropipette with a micro-sized opening is driven by gas pressure to deliver internal solution into the in vivo environment. The outlet flow rate needs to [...] Read more.
Precise regulation of micropipette outlet flow is critical for fluorescence imaging in vivo micromanipulations. In such procedures, a micropipette with a micro-sized opening is driven by gas pressure to deliver internal solution into the in vivo environment. The outlet flow rate needs to be precisely regulated to ensure a uniform and stable fluorescence distribution. However, conventional manual pressure injection methods face inherent limitations, including insufficient precision and poor reproducibility. Existing commercial microinjection systems lack a quantitative relationship between pressure and flow rate. And existing calibration methods in the field of microfluidics suffer from a limited flow-rate measurement resolution, constraining the establishment of a precise pressure–flow quantitative relationship. To address these challenges, we developed a closed-loop pressure regulation system with 1 Pa-level control resolution and established a quantitative calibration of the pressure–flow relationship using a droplet-based method. The calibration revealed a linear relationship with a mean pressure–flow gain of 4.846 × 1017m3·s1·Pa1 (R2 > 0.99). Validation results demonstrated that the system achieved the target outlet flow rate with a flow control error less than 10 fL/s. Finally, the application results in brain-slice environment confirmed its capability to maintain stable fluorescence imaging, with fluorescence intensity fluctuations around 1.3%. These results demonstrated that the proposed approach provides stable, precise, and reproducible flow regulation under physiologically relevant conditions, thereby offering a valuable tool for in vivo micromanipulation and detection. Full article
Show Figures

Figure 1

10 pages, 565 KB  
Article
Analysis of the Occurrence of PIK3CA Gene Mutation in Children with Lymphatic Malformation—Single Center Study
by Justyna Kukulska, Elżbieta Sałacińska-Łoś, Ewelina Perdas and Przemysław Przewratil
Children 2025, 12(11), 1460; https://doi.org/10.3390/children12111460 - 28 Oct 2025
Viewed by 345
Abstract
Background: Lymphatic malformations (LM) are rare congenital vascular anomalies caused by abnormal development and growth of lymphatic vessels. These malformations can lead to a wide range of symptoms, from mild swelling to more severe complications. Treatment options remain limited, especially for complex [...] Read more.
Background: Lymphatic malformations (LM) are rare congenital vascular anomalies caused by abnormal development and growth of lymphatic vessels. These malformations can lead to a wide range of symptoms, from mild swelling to more severe complications. Treatment options remain limited, especially for complex cases. Recent research has suggested that PIK3CA mutations play a key role in the pathogenesis of LM, potentially offering new possibilities for targeted treatment strategies. Methods: In this study, a cohort of 36 patients diagnosed with LM, Klippel-Trenaunay syndrome (KTS), and Proteus syndrome was analyzed. PIK3CA mutations were assessed in tissue samples obtained from the LM during clinically indicated procedures using digital droplet polymerase chain reaction (ddPCR), targeting five hotspots. Results: PIK3CA mutations were found in 18 patients (50%). The most frequent mutation was p.E542K (c.1624G>A), found in 19.44% of patients, followed by p.H1047R (c.3149A>G), p.E545K (c.1633G>A), and p.H1047L (c.3140A>T) each occurring in 11.11% of the cases. Mutations were more common in isolated LMs, with 63.16% of patients exhibiting PIK3CA mutations. Conclusions: PIK3CA mutations are common in LM, supporting the potential for targeted therapies like PI3K inhibitors in treating complex cases. This research highlights the importance of genetic analysis in the management of LM and offers a new therapeutic approach. Full article
(This article belongs to the Section Translational Pediatrics)
Show Figures

Figure 1

23 pages, 3697 KB  
Article
Microfluidic Edible Coatings: Multiphase VOF Modeling, Physicochemical Properties, Image Analysis, and Applications in Fried Foods
by Cristian Aarón Dávalos-Saucedo, Giovanna Rossi-Márquez, Sergio Rodríguez-Miranda and Carlos E. Castañeda
Coatings 2025, 15(11), 1245; https://doi.org/10.3390/coatings15111245 - 26 Oct 2025
Viewed by 536
Abstract
Edible coatings are widely used to modulate oil uptake and moisture in fried foods. In this study, we evaluated a microfluid-assisted flow-blurring spray against conventional application by dipping/spraying, focusing on the coating efficiency and preliminary implications for sustainable process. This study combines benchtop [...] Read more.
Edible coatings are widely used to modulate oil uptake and moisture in fried foods. In this study, we evaluated a microfluid-assisted flow-blurring spray against conventional application by dipping/spraying, focusing on the coating efficiency and preliminary implications for sustainable process. This study combines benchtop experiments with a near-nozzle numerical analysis where the gas–liquid interface and primary breakup are modeled using the Volume of Fluid (VOF) approach implemented in OpenFOAM, configured for a flow-blurring geometry to generate whey protein isolate (WPI) coatings. Viscosity, density, solid content, and contact angle were validated experimentally and used in the simulation setup. An image-based droplet pipeline quantified spray characteristics, yielding a volumetric median diameter D50 = 83.69 µm and confirming process uniformity. Contact angles showed marked substrate dependence: hydrophilic surfaces, 68°–85°; hydrophobic surfaces, 95°–110°. For turkey sausages, sessile-drop contact angles were not determinable (N.D.) due to wicking/roughness; wettability was therefore assessed on smooth surrogates and via performance metrics. Fit-for-purpose simulation procedures are outlined. Microfluidic application (WPI-McF) lowered oil uptake versus uncoated controls. Together, robust modeling, targeted image analytics, and high-precision microfluidics enable rational tuning of coating microstructure and barrier performance, offering a scalable pathway to reduce lipid content and enhance fried food quality. Full article
(This article belongs to the Section Coatings for Food Technology and System)
Show Figures

Figure 1

10 pages, 1367 KB  
Article
Influence of the Etching Material Deposition Rate and Annealing Time on Nanohole Morphology Etched into InP/In0.52Al0.48As Layers via Local Droplet Epitaxy
by Dennis Deutsch and Dirk Reuter
Crystals 2025, 15(11), 913; https://doi.org/10.3390/cryst15110913 - 23 Oct 2025
Viewed by 238
Abstract
Local droplet etching and subsequent refilling enables the fabrication of highly symmetric quantum dots with low fine structure splitting, suitable for generating polarization entangled photons. While well established in GaAs/AlxGa1−xAs, this approach does not yield emission in the [...] Read more.
Local droplet etching and subsequent refilling enables the fabrication of highly symmetric quantum dots with low fine structure splitting, suitable for generating polarization entangled photons. While well established in GaAs/AlxGa1−xAs, this approach does not yield emission in the telecom bands required for low loss fiber-based quantum communication. To achieve emission at 1.55 μm, local droplet etching must be adapted to alternative material platforms such as InP. Here, we systematically investigate how the etching material deposition rate and etching time influence nanohole morphology in In0.52Al0.48As layers lattice-matched to InP. In the first experiment, InAl was deposited at fluxes of 0.2–4.0 Å s−1 at Tetch = 350 °C and 460 °C. Lower fluxes produced nanoholes with lower density and larger ring diameters, indicating fewer and larger initial droplets, consistent with scaling theory. The average nanohole diameter decreased monotonically with increasing flux, whereas the average depth showed no clear dependence on flux. In the second experiment, etching times of 30–600 s were tested for InAl, In, and Al droplets. Average nanohole diameters remained constant for Al across all etching times, but decreased for In and InAl with increasing etching time, suggesting sidewall redeposition during etching. For all droplet types, depths peaked at intermediate times and decreased for prolonged etching, consistent with material diffusion into the nanohole after droplet consumption. Full article
(This article belongs to the Section Inorganic Crystalline Materials)
Show Figures

Figure 1

14 pages, 3001 KB  
Article
Investigation of Debris Mitigation in Droplet-Based Terbium Plasma Sources Produced by Laser Ablation Under Varying Buffer Gas Pressures
by Shuaichao Zhou, Tao Wu, Ziyue Wu, Junjie Tian and Peixiang Lu
Photonics 2025, 12(10), 1035; https://doi.org/10.3390/photonics12101035 - 19 Oct 2025
Viewed by 345
Abstract
The fragment suppression ability of terbium plasma generated by laser at different environmental pressures is investigated, with a focus on exploring the slowing effect of buffer gas on high-energy particles. Using two-dimensional radiation hydrodynamic simulations with the FLASH code, this study evaluates the [...] Read more.
The fragment suppression ability of terbium plasma generated by laser at different environmental pressures is investigated, with a focus on exploring the slowing effect of buffer gas on high-energy particles. Using two-dimensional radiation hydrodynamic simulations with the FLASH code, this study evaluates the debris mitigation efficiency of terbium plasma across a range of buffer gas pressures (50–1000 Pa). Key findings reveal that helium buffer gas exhibits a nonlinear pressure-dependent response in plasma dynamics and debris suppression. Specifically, at 1000 Pa helium, the plasma shockwave stops within stopping distance xst = 12.13 mm with an attenuation coefficient of b = 0.0013 ns−1, reducing radial expansion by 40% compared to 50 Pa (xst = 23.15 mm, b = 0.0010). This pressure scaling arises from enhanced collisional dissipation, confining over 80% of debris kinetic energy below 200 eV under 1000 Pa conditions. In contrast, argon exhibits superior stopping power within ion energy domains (≤1300 eV), attaining a maximum stopping power of 2000 eV·mm−1 at 1300 eV–a value associated with a 6.4-times-larger scattering cross-section compared to helium under equivalent conditions. The study uncovers a nonlinear relationship between kinetic energy and gas pressure, where the deceleration capability of buffer gases intensifies with increasing kinetic energy. This work demonstrates that by leveraging argon’s broadband stopping efficiency and helium’s confinement capacity, debris and high energy ions can be effectively suppressed, thereby securing mirror integrity and source efficiency at high repetition rates. Full article
(This article belongs to the Special Issue The Principle and Application of Photonic Metasurfaces)
Show Figures

Figure 1

15 pages, 3948 KB  
Article
Study on the Preparation of Metallic Aluminum Powder by Nitrogen Atomization
by Xiaoyun Yu, Jiasheng Yang, Guozhi Wang, Qingchun Yu, Yong Deng and Weijin Yu
Processes 2025, 13(10), 3264; https://doi.org/10.3390/pr13103264 - 13 Oct 2025
Viewed by 398
Abstract
Metal additive manufacturing represents the most promising application for Three-dimensional printing systems. Gas atomization is an important method for the preparation of metal powders. In this work, aluminum powders were prepared via vacuum induction atomization. Morphology and microstructure were investigated. Results demonstrated that [...] Read more.
Metal additive manufacturing represents the most promising application for Three-dimensional printing systems. Gas atomization is an important method for the preparation of metal powders. In this work, aluminum powders were prepared via vacuum induction atomization. Morphology and microstructure were investigated. Results demonstrated that optimal atomization occurred at 3 MPa with a 2.5 mm delivery tube diameter, yielding powders with an average particle size of 63.8 μm and a sphericity of more than 90%. Variations in droplet size caused differential cooling rates, enabling rapidly solidified small droplets to adhere to incompletely cooled large droplets and form satellite spheres. Quantitative analysis confirmed a positive correlation between metal powder particle size and surface satellite spheres. Large droplets exhibited long cooling times, resulting in more pronounced dendritic microstructures. This study provides theoretical insights for the preparation of metal powders. Full article
(This article belongs to the Special Issue Microstructure Properties and Characterization of Metallic Material)
Show Figures

Figure 1

12 pages, 2700 KB  
Article
Study on the Emission Characteristics of Fine Particulate Matter in the White Mud Desulfurization Process
by Changqing Wang, Yongchao Feng, Xin Wang, Rongliang Xie, Guanglei Li, Li Yu and Lingxiao Zhan
Separations 2025, 12(10), 281; https://doi.org/10.3390/separations12100281 - 11 Oct 2025
Viewed by 330
Abstract
White mud is a promising desulfurizing agent, but the risk of fine particulate emissions exists during its application. This study investigated the fine particulate emissions in the white mud desulfurization process and analyzed the effects of process parameters, including gas-to-liquid ratio, empty tower [...] Read more.
White mud is a promising desulfurizing agent, but the risk of fine particulate emissions exists during its application. This study investigated the fine particulate emissions in the white mud desulfurization process and analyzed the effects of process parameters, including gas-to-liquid ratio, empty tower gas velocity, and slurry concentration, on particulate emissions. The results showed that white mud desulfurization achieved effective SO2 removal, with a removal efficiency ranging from 93.5% to 95.8%. However, the emission of fine particulates was found to be a significant environmental concern. At a slurry concentration of 15%, the fine particulate number concentration was found to be 5.9 × 106 particles/cm3, with a mass concentration of approximately 43.2 mg/m3. The study further revealed that increasing the empty tower gas velocity from 2.5 m/s to 4.5 m/s also significantly increased particulate emissions. Similarly, increasing the gas-to-liquid ratio from 10 L/m3 to 15 L/m3 led to a 25.5% increase in the fine particulate number concentration. These changes were attributed to the increased atomization of fine droplets and the enhanced gas–liquid relative movement, which facilitated the entrainment of more fine particulates into the flue gas. While improving the slurry concentration led to better desulfurization efficiency, these adjustments also resulted in higher fine particulate emissions. Therefore, optimizing process parameters to balance desulfurization efficiency and fine particulate emission control was crucial for practical applications. Full article
Show Figures

Figure 1

15 pages, 3156 KB  
Article
Numerical Investigation of NASA SC (2)-0714 Airfoil Icing in a Supersonic Flow
by Andrey Kozelkov, Nikolay Galanov and Andrey Kurkin
Fluids 2025, 10(10), 260; https://doi.org/10.3390/fluids10100260 - 5 Oct 2025
Viewed by 525
Abstract
Modern software systems have implemented calculation techniques that allow numerical modeling of the icing of various aerodynamic objects and show themselves well when modeling the icing of objects at subsonic speeds. This paper describes a technique that is used to solve the problem [...] Read more.
Modern software systems have implemented calculation techniques that allow numerical modeling of the icing of various aerodynamic objects and show themselves well when modeling the icing of objects at subsonic speeds. This paper describes a technique that is used to solve the problem of icing the profile of a NASA SC (2)-0714 airfoil streamlined by a supersonic gas stream. A feature of modeling this class of problems is the consideration of factors that arise when moving at high speeds: at supersonic flight speed, aerodynamic heating of the surface above 0 °C is observed, which is accompanied by a high intensity of impinging supercooled water droplets on this surface. The results of the numerical solution of the NASA SC (2)-0714 airfoil icing problem showed that even at a positive airfoil surface temperature, ice shapes can grow at the leading edge due to intense deposition of supercooled droplets. Full article
(This article belongs to the Special Issue High-Speed Processes in Continuous Media)
Show Figures

Figure 1

16 pages, 4003 KB  
Article
Study on Decarburization Behavior in BOF Steelmaking Based on Multi-Zone Reaction Mechanism
by Zicheng Xin, Wenhui Lin, Jiangshan Zhang and Qing Liu
Materials 2025, 18(19), 4599; https://doi.org/10.3390/ma18194599 - 3 Oct 2025
Cited by 1 | Viewed by 511
Abstract
In this study, the decarburization behavior in basic oxygen furnace (BOF) steelmaking was investigated based on the multi-zone reaction mechanism. The contributions of the main reaction zones to decarburization were clarified, and the effects of key factors—including the effective reaction amount in the [...] Read more.
In this study, the decarburization behavior in basic oxygen furnace (BOF) steelmaking was investigated based on the multi-zone reaction mechanism. The contributions of the main reaction zones to decarburization were clarified, and the effects of key factors—including the effective reaction amount in the main reaction zones, the post combustion ratio (PCR) in auxiliary reaction zones, and the carbon content of scrap steel—on decarburization behavior were quantitatively analyzed. The results indicate that decarburization predominantly occurs in the jet impact reaction zone (approximately 76% of the total decarburization), followed by the emulsion and metal droplet reaction zone (approximately 14%) and the bulk metal and slag reaction zone (approximately 10%). Variations in the effective reaction amount for the main reaction zones significantly affect both the decarburization rate and the endpoint carbon content, with the direct oxidation decarburization reaction in the jet impact reaction zone being the dominant factor. In addition, the PCR in the gas homogenization zone of the auxiliary reaction zones determines the distribution ratio of effective reaction oxygen, while the melting behavior of scrap steel in the metal homogenization zone plays a critical role in the precise control of the endpoint carbon content. This study provides a quantitative elucidation of the effects of different reaction zones on decarburization behavior, offering a foundation for the precise control of endpoint carbon content in BOF steelmaking. Full article
(This article belongs to the Section Manufacturing Processes and Systems)
Show Figures

Figure 1

20 pages, 3033 KB  
Review
Particle-Laden Two-Phase Boundary Layer: A Review
by Aleksey Yu. Varaksin and Sergei V. Ryzhkov
Aerospace 2025, 12(10), 894; https://doi.org/10.3390/aerospace12100894 - 2 Oct 2025
Viewed by 597
Abstract
The presence of solid particles (or droplets) in a flow leads to a significant increase in heat fluxes, the occurrence of chemical reactions, and erosive surface wear of various aircraft moving in the dusty (or rainy) atmosphere of Earth or Mars. A review [...] Read more.
The presence of solid particles (or droplets) in a flow leads to a significant increase in heat fluxes, the occurrence of chemical reactions, and erosive surface wear of various aircraft moving in the dusty (or rainy) atmosphere of Earth or Mars. A review of computational, theoretical, and experimental work devoted to the study of the characteristics of the boundary layers (BL) of gas with solid particles was performed. The features of particle motion in laminar and turbulent boundary layers, as well as their inverse effect on gas flow, are considered. Available studies on the stability of the laminar boundary layer and the effect of particles on the laminar–turbulent transition are analyzed. At the end of the review, conclusions are drawn, and priorities for future research are discussed. Full article
(This article belongs to the Special Issue Fluid Flow Mechanics (4th Edition))
Show Figures

Figure 1

24 pages, 5021 KB  
Article
Droplet-Laden Flows in Multistage Compressors: An Overview of the Impact of Modeling Depth on Calculated Compressor Performance
by Silvio Geist and Markus Schatz
Int. J. Turbomach. Propuls. Power 2025, 10(4), 36; https://doi.org/10.3390/ijtpp10040036 - 2 Oct 2025
Viewed by 409
Abstract
There are various mechanisms through which water droplets can be present in compressor flows, e.g., rain ingestion in aeroengines or overspray fogging used in heavy-duty gas turbines to boost power output. For the latter, droplet evaporation within the compressor leads to a cooling [...] Read more.
There are various mechanisms through which water droplets can be present in compressor flows, e.g., rain ingestion in aeroengines or overspray fogging used in heavy-duty gas turbines to boost power output. For the latter, droplet evaporation within the compressor leads to a cooling of the flow as well as to a shift in the fluid properties, which is beneficial to the overall process. However, due to their inertia, the majority of droplets are deposited in the first stages of a multistage compressor. While this phenomenon is generally considered in CFD computations of droplet-laden flows, the subsequent re-entrainment of collected water, the formation of new droplets, and the impact on the overall evaporation are mostly neglected because of the additional computational effort required, especially with regard to the modeling of films formed by the deposited water. The work presented here shows an approach that allows for the integration of the process of droplet deposition and re-entrainment based on relatively simple correlations and experimental observations from the literature. Thus, the two-phase flow in multistage compressors can be modelled and analyzed very efficiently. In this paper, the models and assumptions used are described first, then the results of a study performed based on a generic multistage compressor are presented, whereby the various models are integrated step by step to allow an assessment of their impact on the droplet evaporation throughout the compressor and overall performance. It can be shown that evaporation becomes largely independent of droplet size when deposition on both rotor and stator and subsequent re-entrainment of collected water is considered. In addition, open issues with regard to the future improvement of models and correlations of two-phase flow phenomena are highlighted based on the results of the current investigation. Full article
Show Figures

Figure 1

15 pages, 2750 KB  
Article
Study on the Spreading Dynamics of Droplet Pairs near Walls
by Jing Li, Junhu Yang, Xiaobin Liu and Lei Tian
Fluids 2025, 10(10), 252; https://doi.org/10.3390/fluids10100252 - 26 Sep 2025
Viewed by 347
Abstract
This study develops an incompressible two-phase flow solver based on the open-source OpenFOAM platform, employing the volume-of-fluid (VOF) method to track the gas–liquid interface and utilizing the MULES algorithm to suppress numerical diffusion. This study provides a comprehensive investigation of the spreading dynamics [...] Read more.
This study develops an incompressible two-phase flow solver based on the open-source OpenFOAM platform, employing the volume-of-fluid (VOF) method to track the gas–liquid interface and utilizing the MULES algorithm to suppress numerical diffusion. This study provides a comprehensive investigation of the spreading dynamics of droplet pairs near walls, along with the presentation of a corresponding mathematical model. The numerical model is validated through a two-dimensional axisymmetric computational domain, demonstrating grid independence and confirming its reliability by comparing simulation results with experimental data in predicting drConfirmedoplet collision, spreading, and deformation dynamics. The study particularly investigates the influence of surface wettability on droplet impact dynamics, revealing that increased contact angle enhances droplet retraction height, leading to complete rebound on superhydrophobic surfaces. Finally, a mathematical model is presented to describe the relationship between spreading length, contact angle, and Weber number, and the study proves its accuracy. Analysis under logarithmic coordinates reveals that the contact angle exerts a significant influence on spreading length, while a constant contact angle condition yields a slight monotonic increase in spreading length with the Weber number. These findings provide an effective numerical and mathematical tool for analyzing the spreading dynamics of droplet pairs. Full article
Show Figures

Figure 1

Back to TopTop