Sign in to use this feature.

Years

Between: -

Subjects

remove_circle_outline
remove_circle_outline
remove_circle_outline
remove_circle_outline
remove_circle_outline
remove_circle_outline
remove_circle_outline
remove_circle_outline

Journals

Article Types

Countries / Regions

Search Results (18)

Search Parameters:
Keywords = Aspen Custom Modeler®

Order results
Result details
Results per page
Select all
Export citation of selected articles as:
18 pages, 2067 KB  
Article
Modeling and Parameter Tuning for Continuous Catalytic Reforming of Naphtha in an Industrial Reactor System
by Mahmud Atarianshandiz, Kimberley B. McAuley and Akbar Shahsavand
Processes 2023, 11(10), 2838; https://doi.org/10.3390/pr11102838 - 27 Sep 2023
Cited by 8 | Viewed by 6317
Abstract
A two-dimensional mathematical model was developed to simulate naphtha reforming in a series of three industrial continuous catalytic regeneration (CCR) reactors. Discretization of the resulting partial differential equations (PDEs) in the vertical direction and a coordinate transformation in the radial direction were performed [...] Read more.
A two-dimensional mathematical model was developed to simulate naphtha reforming in a series of three industrial continuous catalytic regeneration (CCR) reactors. Discretization of the resulting partial differential equations (PDEs) in the vertical direction and a coordinate transformation in the radial direction were performed to make the model solvable using Aspen Custom Modeler. A sensitivity-based parameter subset selection method was employed to identify the most influential parameters within the model. Tuning of 8 out of 180 parameters was used to ensure that model predictions match experimental data from one steady-state run. The updated parameter values improved the model fit to the data, reducing the weighted least-squares objective function for parameter estimation by 73%. The proposed model was used to predict reactor temperatures, catalyst coke weight fraction at the exit of the third reactor, and benzene flowrate from the outlet of the third reactor. The simulation results demonstrated a good agreement between the simulated values and the industrial measurements. Finally, the reactor model was utilized to explore the effects of changes in inlet temperatures and inlet level of catalyst deactivation, providing valuable insights for identifying desirable operational conditions that will improve the overall efficiency of the CCR process. Full article
(This article belongs to the Section Chemical Processes and Systems)
Show Figures

Figure 1

6 pages, 1652 KB  
Proceeding Paper
Modeling and Simulation of Hollow Fiber Modules of Hybrid Facilitated Transport Membranes for Flue Gas CO2 Capture
by Abbos Elmanov, Abdulaziz Bakhtiyorov, Zafar Turakulov, Azizbek Kamolov and Adham Norkobilov
Eng. Proc. 2023, 37(1), 27; https://doi.org/10.3390/ECP2023-14664 - 17 May 2023
Viewed by 2245
Abstract
A basis for modeling and simulation of the post-combustion CO2 capture process was developed using hollow fiber membrane technology. The membrane cell was modeled using Aspen Custom Modeler (ACM) and exported to Aspen Plus as a membrane unit. The Aspen Plus methodology [...] Read more.
A basis for modeling and simulation of the post-combustion CO2 capture process was developed using hollow fiber membrane technology. The membrane cell was modeled using Aspen Custom Modeler (ACM) and exported to Aspen Plus as a membrane unit. The Aspen Plus methodology was effectively used to estimate the physico-chemical parameters of CO2 absorption by kinetic and thermodynamic models. The membrane cell for the permeation of gas mixtures was programmed using ACM and successfully imported into the simulation media, as there was no model block included for the hollow fiber membrane unit in the standard package for a process flowsheet simulation. The transport mechanism in hollow fiber membranes was discussed, and both empirical and theoretical models are presented for the facilitated transport theory of gases in membrane cells. The goal of modeling membrane cells is to design and optimize membranes for carbon capture processes. The concept of modeling membrane processes is identified, and some of the most important aspects of the simulation of membrane systems are discussed. As a reference, a CO2 flux of more than 700 NL m−2h−1 through a membrane cell was obtained. Challenges adversely affecting the separation performance of hollow fiber-based gas separation membranes are explained in detail, and the significance of incorporating the effects of such challenges into membrane models is clarified. Parameters affecting the separation performance of hollow fiber-based gas separation membranes were studied, and the significance of integrating the effect of probable challenges into membrane models was clarified. Full article
Show Figures

Figure 1

22 pages, 3858 KB  
Article
Carbon Capture from Post-Combustion Flue Gas Using a State-Of-The-Art, Anti-Sublimation, Solid–Vapor Separation Unit
by Hani Ababneh, Ahmed AlNouss and Shaheen A. Al-Muhtaseb
Processes 2022, 10(11), 2406; https://doi.org/10.3390/pr10112406 - 15 Nov 2022
Cited by 15 | Viewed by 7942
Abstract
This work attempts to address the quest of removing carbon dioxide from flue gas streams to help preserve the environment. It is based on a model that is able to describe the solid-liquid-vapour and solid-vapour phase equilibria for the ternary system of N [...] Read more.
This work attempts to address the quest of removing carbon dioxide from flue gas streams to help preserve the environment. It is based on a model that is able to describe the solid-liquid-vapour and solid-vapour phase equilibria for the ternary system of N2-O2-CO2 at pressures from 5 to 130 bar and over a wide range of temperature (140 to 220 K). Furthermore, a corresponding state-of-the art solid-vapor (SV) CO2 capture/separation unit is developed and introduced in this work. The SV unit was modeled using the Aspen Custom Modeler software by implementing the thermodynamic model developed before. It was then simulated using the Aspen Plus simulator; its performance was studied and analyzed. Moreover, the performance of the unit was optimized and compared to the most conventional corresponding technology used by the industry (i.e., amine-scrubbing). Results proved that for the same output clean gas composition, which contains only 0.3% CO2, the developed state-of-the-art SV unit consumes almost half of the energy required by the conventional process. Other advantages of the novel SV separation unit include the lower requirement of capital equipment, no need of additional agents (such as solvents) and the avoidance of product contamination with such additional agents. Full article
(This article belongs to the Special Issue Trends in Carbon Capture, Storage and Utilisation)
Show Figures

Graphical abstract

14 pages, 1939 KB  
Article
Sustainability Enhancement of Fossil-Fueled Power Plants by Optimal Design and Operation of Membrane-Based CO2 Capture Process
by Javad Asadi and Pejman Kazempoor
Atmosphere 2022, 13(10), 1620; https://doi.org/10.3390/atmos13101620 - 4 Oct 2022
Cited by 6 | Viewed by 2460
Abstract
Fossil-fueled power plants are a major source of carbon dioxide (CO2) emission and the membrane process is a promising technology for CO2 removal and mitigation. This study aims to develop optimal membrane-based carbon capture systems to enhance the sustainability of [...] Read more.
Fossil-fueled power plants are a major source of carbon dioxide (CO2) emission and the membrane process is a promising technology for CO2 removal and mitigation. This study aims to develop optimal membrane-based carbon capture systems to enhance the sustainability of fossil-fuel power plants by reducing their energy consumption and operating costs. The multi-stage membrane process is numerically modeled using Aspen Custom Modeler based on the solution-diffusion mechanism and then the effects of important operating and design parameters are investigated. Multi-objective process optimization is then carried out by linking Aspen Plus with MATLAB and using an evolutionary technique to determine optimal operating and design conditions. The results show that, as the CO2 concentration in the feed gas increases, the CO2 capture cost significantly decreases and CO2 removal is enhanced, although the process energy demand slightly increases. The best possible trade-offs between objective functions are reported and analyzed, which confirm the considerable potential for improving the sustainability of the process. The CO2 capture cost and energy penalty of the process is as low as 13.1 $/tCO2 and 10% at optimal design and operating conditions. This study provides valuable insight into membrane separation and can be used by decision-makers for the sustainable improvement of fossil-fueled power plants. Full article
(This article belongs to the Special Issue CO2 Capture Technologies — Utilization and Storage)
Show Figures

Figure 1

19 pages, 2158 KB  
Article
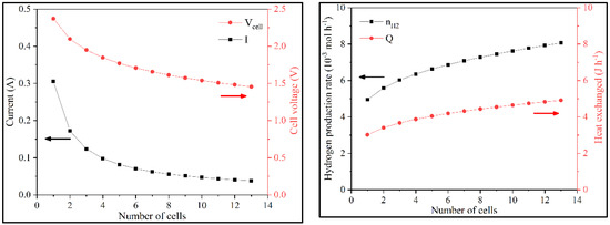
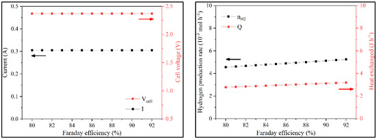
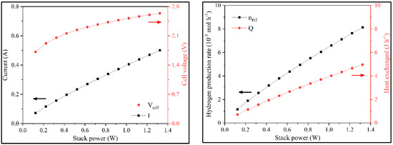
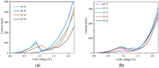
Development of an Aspen Plus® Model for the Process of Hydrogen Production by Black Liquor Electrolysis
by José R. M. Gonçalves, Duarte M. Cecílio, Raisa C. P. Oliveira, Maria M. Mateus and Diogo M. F. Santos
Symmetry 2022, 14(8), 1676; https://doi.org/10.3390/sym14081676 - 12 Aug 2022
Cited by 3 | Viewed by 7830
Abstract
The electrolysis of black liquor (BL) has emerged as a new form to valorize this byproduct from the pulp and paper industry. BL electrolysis produces a green fuel, hydrogen, and lignin, a high added-value compound. In opposition to water electrolysis, a symmetric process [...] Read more.
The electrolysis of black liquor (BL) has emerged as a new form to valorize this byproduct from the pulp and paper industry. BL electrolysis produces a green fuel, hydrogen, and lignin, a high added-value compound. In opposition to water electrolysis, a symmetric process with two different gases produced at the electrodes, hydrogen and oxygen, BL electrolysis is seen as an asymmetric process, as hydrogen is the only gas generated (at the cathode), while solid lignin is electrodeposited at the anode. The present work intended to develop a model in Aspen Plus® to simulate BL electrolysis and consequently evaluate the performance of the BL electrolyzer. Aspen Plus® does not include a package for electrolyzers, so it was necessary to use the Aspen Custom Modeler (ACM) tool. The model developed in ACM is valid for the following conditions: nickel electrodes with 2 cm interelectrode distance, cell voltage between 1.5 V and 2.0 V, and temperatures between 25 and 35 °C for batch operation and 25 and 65 °C for continuous operation. Sensitivity analysis demonstrated that the optimum working temperature for batch operation is 35 °C, whereas it is 45 °C for continuous operation. An economic analysis was carried out, calculating the real gross profit (RGP) for the process and the electricity cost. A 2 kW electrolyzer with 80 cells and an active area of 0.3 m2 was simulated. For the electrolyzer in batch operation, RGP values of 1056 €/year and 1867 €/year for the worst and the best scenario were obtained, respectively, and the electricity cost was 1431 €/year. For continuous operation, the RGP values were 2064 €/year and 3648 €/year for the worst and best scenario, respectively, and 2967 €/year for the electricity costs. Full article
(This article belongs to the Section Chemistry: Symmetry/Asymmetry)
Show Figures

Graphical abstract

12 pages, 2684 KB  
Article
Natural Gas Sweetening Using an Energy-Efficient, State-of-the-Art, Solid–Vapor Separation Process
by Hani Ababneh, Ahmed AlNouss, Iftekhar A. Karimi and Shaheen A. Al-Muhtaseb
Energies 2022, 15(14), 5286; https://doi.org/10.3390/en15145286 - 21 Jul 2022
Cited by 10 | Viewed by 5842
Abstract
With the anticipated rise in global demand for natural gas (NG) and liquefied natural gas (LNG), sour gas reserves are attracting the attention of the gas industry as a potential resource. However, to monetize these reserves, sour natural gas has to be sweetened [...] Read more.
With the anticipated rise in global demand for natural gas (NG) and liquefied natural gas (LNG), sour gas reserves are attracting the attention of the gas industry as a potential resource. However, to monetize these reserves, sour natural gas has to be sweetened by removing acid gases (carbon dioxide and/or hydrogen sulfide) before liquefaction. The solidification of these acid gases could be the basis for their separation from natural gas. In this study, a state-of-the art solid-vapor (SV) separation unit is developed for removal of acid gases from methane and simulated using a customized Aspen Plus operation unit. The operating principles and conditions, mathematical model, and performance results are presented for the SV unit. Further performance analyses, means of optimization and comparisons to conventional methods used by the industry were studied. Results showed that for similar sweet gas purity, the developed SV unit consumes only 27% of the energy required by the amine sweetening unit. Furthermore, it saves on capital costs, as it requires less equipment and does not suffer from high levels of corrosion. Full article
Show Figures

Figure 1

21 pages, 2710 KB  
Article
Biopolymer-Based Mixed Matrix Membranes (MMMs) for CO2/CH4 Separation: Experimental and Modeling Evaluation
by Andrea Torre-Celeizabal, Clara Casado-Coterillo and Aurora Garea
Membranes 2022, 12(6), 561; https://doi.org/10.3390/membranes12060561 - 28 May 2022
Cited by 17 | Viewed by 4143
Abstract
Alternative materials are needed to tackle the sustainability of membrane fabrication in light of the circular economy, so that membrane technology keeps playing a role as sustainable technology in CO2 separation processes. In this work, chitosan (CS)-based mixed matrix thin layers have [...] Read more.
Alternative materials are needed to tackle the sustainability of membrane fabrication in light of the circular economy, so that membrane technology keeps playing a role as sustainable technology in CO2 separation processes. In this work, chitosan (CS)-based mixed matrix thin layers have been coated onto commercial polyethersulfone (PES) supports. The CS matrix was loaded by non-toxic 1-Ethyl-3-methylimidazolium acetate ionic liquid (IL) and/or laminar nanoporous AM-4 and UZAR-S3 silicates prepared without costly organic surfactants to improve CO2 permselectivity and mechanical robustness. The CO2/CH4 separation behavior of these membranes was evaluated experimentally at different feed gas composition (CO2/CH4 feed mixture from 20:80 to 70:30%), covering different separation applications associated with this separation. A cross-flow membrane cell model built using Aspen Custom Modeler was used to validate the process performance and relate the membrane properties with the target objectives of CO2 and CH4 recovery and purity in the permeate and retentate streams, respectively. The purely organic IL-CS and mixed matrix AM-4:IL-CS composite membranes showed the most promising results in terms of CO2 and CH4 purity and recovery. This is correlated with their higher hydrophilicity and CO2 adsorption and lower swelling degree, i.e., mechanical robustness, than UZAR-S3 loaded composite membranes. The purity and recovery of the 10 wt.% AM-4:IL-CS/PES composite membrane were close or even surpassed those of the hydrophobic commercial membrane used as reference. This work provides scope for membranes fabricated from renewable or biodegradable polymers and non-toxic fillers that show at least comparable CO2/CH4 separation as existing membranes, as well as the simultaneous feedback on membrane development by the simultaneous correlation of the process requirements with the membrane properties to achieve those process targets. Full article
(This article belongs to the Special Issue Selected Papers from Euromembrane 2021)
Show Figures

Figure 1

39 pages, 13722 KB  
Article
Reactor Selection for Upgrading Hemicelluloses: Conventional and Miniaturised Reactors for Hydrogenations
by Stefan Haase, Cesar A. de Araujo Filho, Johan Wärnå, Dmitry Yu. Murzin and Tapio Salmi
Processes 2021, 9(9), 1558; https://doi.org/10.3390/pr9091558 - 31 Aug 2021
Cited by 1 | Viewed by 4197
Abstract
This work presents an advanced reactor selection strategy that combines elements of a knowledge-based expert system to reduce the number of feasible reactor configurations with elaborated and automatised process simulations to identify reactor performance parameters. Special focus was given to identify optimal catalyst [...] Read more.
This work presents an advanced reactor selection strategy that combines elements of a knowledge-based expert system to reduce the number of feasible reactor configurations with elaborated and automatised process simulations to identify reactor performance parameters. Special focus was given to identify optimal catalyst loadings and favourable conditions for each configuration to enable a fair comparison. The workflow was exemplarily illustrated for the Ru/C-catalysed hydrogenation of arabinose and galactose to the corresponding sugar alcohols. The simulations were performed by using pseudo-2D reactor models implemented in Aspen Custom Modeler® and automatised by using the MS-Excel interface and VBA. The minichannel packings, namely wall-coated minichannel reactor (MCWR), minichannel reactor packed with catalytic particles (MCPR), and minichannel reactor packed with a catalytic open-celled foam (MCFR), outperform the conventional and miniaturised trickle-bed reactors (TBR and MTBR) in terms of space-time yield and catalyst use. However, longer reactor lengths are required to achieve 99% conversion of the sugars in MCWR and MCPR. Considering further technical challenges such as liquid distribution, packing the reactor, as well as the robustness and manufacture of catalysts in a biorefinery environment, miniaturised trickle beds are the most favourable design for a production scenario of 5000 t/a galactitol. However, the minichannel configurations will be more advantageous for reaction systems involving consecutive and parallel reactions and highly exothermic systems. Full article
(This article belongs to the Special Issue Process Intensification in Chemical Reaction Engineering)
Show Figures

Figure 1

15 pages, 4379 KB  
Article
Membrane-Assisted Methanol Synthesis Processes and the Required Permselectivity
by Homa Hamedi, Torsten Brinkmann and Sergey Shishatskiy
Membranes 2021, 11(8), 596; https://doi.org/10.3390/membranes11080596 - 6 Aug 2021
Cited by 14 | Viewed by 8989
Abstract
Water-selective membrane reactors are proposed in the literature to improve methanol yield for a standalone reactor. However, the methanol productivity is not a precise metric to show the system improvement since, with this approach, we do not consider the amount of energy loss [...] Read more.
Water-selective membrane reactors are proposed in the literature to improve methanol yield for a standalone reactor. However, the methanol productivity is not a precise metric to show the system improvement since, with this approach, we do not consider the amount of energy loss through the undesirable co-permeation of H2, which could otherwise remain on the reaction side at high pressure. In other words, the effectiveness of this new technology should be evaluated at a process flowsheet level to assess its advantages and disadvantages on the overall system performance and, more importantly, to identify the minimum required properties of the membrane. Therefore, an equation-based model for a membrane reactor, developed in Aspen Custom Modeler, was incorporated within the process flowsheet of the methanol plant to develop an integrated process framework to conduct the investigation. We determined the upper limit of the power-saving at 32% by exploring the favorable conditions wherein a conceptual water selective membrane reactor proves more effective. Using these suboptimal conditions, we realized that the minimum required H2O/H2 selectivity is 190 and 970 based on the exergy analysis and overall power requirement, respectively. According to our results, the permselectivity of membranes synthesized for this application in the literature, showing improvements in the one-pass conversion, is well below the minimum requirement when the overall methanol synthesis process flowsheet comes into consideration. Full article
Show Figures

Graphical abstract

25 pages, 3654 KB  
Article
Technological Solutions and Tools for Circular Bioeconomy in Low-Carbon Transition: Simulation Modeling of Rice Husks Gasification for CHP by Aspen PLUS V9 and Feasibility Study by Aspen Process Economic Analyzer
by Diamantis Almpantis and Anastasia Zabaniotou
Energies 2021, 14(7), 2006; https://doi.org/10.3390/en14072006 - 5 Apr 2021
Cited by 14 | Viewed by 6149
Abstract
This study explored the suitability of simulation tools for accurately predicting fluidized bed gasification in various scenarios without disturbing the operational system, and dedicating time to experimentation, in the aim of benefiting the decision makers and investors of the low-carbon waste-based bioenergy sector, [...] Read more.
This study explored the suitability of simulation tools for accurately predicting fluidized bed gasification in various scenarios without disturbing the operational system, and dedicating time to experimentation, in the aim of benefiting the decision makers and investors of the low-carbon waste-based bioenergy sector, in accelerating circular bioeconomy solutions. More specifically, this study aimed to offer a customized circular bioeconomy solution for a rice processing residue. The objectives were the simulation and economic assessment of an air atmospheric fluidized bed gasification system fueled with rice husk, for combined heat and power generation, by using the tools of Aspen Plus V9, and the Aspen Process Economic Analyzer. The simulation model was based on the Gibbs energy minimization concept. The technological configurations of the SMARt-CHP technology were used. A parametric study was conducted to understand the influence of process variables on product yield, while three different scenarios were compared: (1) air gasification; (2) steam gasification; and (3) oxygen-steam gasification-based scenario. Simulated results show good accuracy for the prediction of H2 in syngas from air gasification, but not for the other gas components, especially regarding CO and CH4 content. It seems that the RGIBBS and Gibbs free minimization concept is far from simulating the operation of a fluidized bed gasifier. The air gasification scenario for a capacity of 25.000 t/y rice husk was assessed for its economic viability. The economic assessment resulted in net annual earnings of EUR 5.1 million and a positive annual revenue of EUR 168/(t/y), an excellent pay out time (POT = 0.21) and return of investment (ROI = 2.8). The results are dependent on the choices and assumptions made. Full article
(This article belongs to the Special Issue Circular Economy in Low-Carbon Transition)
Show Figures

Figure 1

15 pages, 9852 KB  
Article
Selection, Sizing, and Modeling of a Trickle Bed Reactor to Produce 1,2 Propanediol from Biodiesel Glycerol Residue
by Juan B. Restrepo, Johnnys A. Bustillo, Antonio J. Bula and Carlos D. Paternina
Processes 2021, 9(3), 479; https://doi.org/10.3390/pr9030479 - 8 Mar 2021
Cited by 8 | Viewed by 5651
Abstract
Propylene glycol, also known as 1,2 propanediol, is one of the most important chemicals in the industry. It is a water-soluble liquid, considered by the U.S. Food and Drug Administration as safe to manufacture consumer products, including foodstuffs, medicines, and cosmetics. This chemical [...] Read more.
Propylene glycol, also known as 1,2 propanediol, is one of the most important chemicals in the industry. It is a water-soluble liquid, considered by the U.S. Food and Drug Administration as safe to manufacture consumer products, including foodstuffs, medicines, and cosmetics. This chemical has essential properties, such as solvent, moisturizer, or antifreeze, in addition to a low level of toxicity. This paper aims to present the selection, simulation, and dimensioning of a trickle bed reactor at a laboratory scale. The sizing was validated with other authors. Two predictive models have been considered for reactor modeling, intrinsic kinetics and coupled intrinsic kinetics, along with mass transfer equations and the wetting of the catalyst particles. The model was implemented using Aspen Custom Modeler® (20 Crosby Dr. Bedford, MA 01730, EE. UU.) to study the reactor behavior in terms of conversion. The results show the profiles of different variables throughout the reactor and present higher glycerol conversion when mass transfer is added to the model. Full article
(This article belongs to the Special Issue Synergies in Combined Development of Processes and Models)
Show Figures

Figure 1

24 pages, 3463 KB  
Article
Modeling and Multi-Criteria Optimization of a Process for H2O2 Electrosynthesis
by Martin von Kurnatowski and Michael Bortz
Processes 2021, 9(2), 399; https://doi.org/10.3390/pr9020399 - 23 Feb 2021
Cited by 8 | Viewed by 4735
Abstract
This article introduces a novel laboratory-scale process for the electrochemical synthesis of hydrogen peroxide (H2O2). The process aims at an energy-efficient, decentralized production, and a mathematical optimization of it is presented. A dynamic, zero-dimensional mathematical model of the reactor [...] Read more.
This article introduces a novel laboratory-scale process for the electrochemical synthesis of hydrogen peroxide (H2O2). The process aims at an energy-efficient, decentralized production, and a mathematical optimization of it is presented. A dynamic, zero-dimensional mathematical model of the reactor is set up in Aspen custom modeler®. The proposed model constitutes a reasonable compromise between complexity and convergence. After thoroughly determining the reaction kinetics by adjustment to experimental data, the reactor unit is embedded in an Aspen Plus® flowsheet in order to investigate its interaction with other unit operations. The downstream contains another custom module for membrane distillation. Electricity appears as a resource in the process, and optimization shows that it reaches product purities of up to 3 wt.-%. Both the process optimization and the adjustment of the reaction kinetics are treated as multi-criteria optimization (MCO) problems. Full article
(This article belongs to the Special Issue Design and Optimization in Process Engineering)
Show Figures

Figure 1

20 pages, 4892 KB  
Article
Economic Design of Solar-Driven Membrane Distillation Systems for Desalination
by Yih-Hang Chen, Hwo-Gan Hung, Chii-Dong Ho and Hsuan Chang
Membranes 2021, 11(1), 15; https://doi.org/10.3390/membranes11010015 - 24 Dec 2020
Cited by 16 | Viewed by 4006
Abstract
Solar-driven membrane distillation (SDMD) for desalination is a feasible method to solve water and energy resource issues. The design and operation of SDMD is different from continuous and steady state processes, such as common chemical plants, due to the intermittent and unpredictive characteristics [...] Read more.
Solar-driven membrane distillation (SDMD) for desalination is a feasible method to solve water and energy resource issues. The design and operation of SDMD is different from continuous and steady state processes, such as common chemical plants, due to the intermittent and unpredictive characteristics of solar radiation. Employing the steady state and dynamic simulation models developed on the platform of Aspen Custom Modeler®, this paper presents a two-stage design approach for the SDMD systems using different types of membrane distillation configurations, including AGMD (air gap MD), DCMD (direct contract MD) and VMD (vacuum MD). The first design stage uses the steady state simulation model and determines equipment sizes for different constant-value solar radiation intensities with the objective of minimizing total annual cost. The second design stage is implemented on the SDMD systems with process control to automatically adjust the operating flow rates using the dynamic simulation model. Operated with the yearly solar radiation intensity of Taiwan, the unit production costs (UPCs) of the optimal SDMD systems using AGMD, DCMD, and VMD are $2.71, 5.38, and 10.41 per m3 of water produced, respectively. When the membrane unit cost is decreased from $90/m2 to $36/m2, the UPC of the optimal solar-driven AGMD system can be reduced from $2.71/m3 to $2.04/m3. Full article
(This article belongs to the Special Issue Solar-assisted Membrane Distillation)
Show Figures

Graphical abstract

20 pages, 5412 KB  
Article
Control of Solvent-Based Post-Combustion Carbon Capture Process with Optimal Operation Conditions
by Yih-Hang Chen, Ming-Tien Shen, Hsuan Chang and Chii-Dong Ho
Processes 2019, 7(6), 366; https://doi.org/10.3390/pr7060366 - 12 Jun 2019
Cited by 10 | Viewed by 7966
Abstract
Solvent-based post-combustion carbon capture (PCC) is a mature and essential technology to solve the global warming problem. The high energy consuming issue and the flexible operation required by the power plants inquire about the development of effective control systems for PCC plants. This [...] Read more.
Solvent-based post-combustion carbon capture (PCC) is a mature and essential technology to solve the global warming problem. The high energy consuming issue and the flexible operation required by the power plants inquire about the development of effective control systems for PCC plants. This study proposes the optimal-based control approach that utilizes optimal set-point values for the quality controllers. The five optimal-based control schemes studied all employed L/G (liquid to gas ratio in absorber) as one quality control variable. Performance comparisons with a typical conventional control scheme are conducted employing a rate-based dynamic model for the MEA (monoethanolamine) solvent PCC process developed on a commercial process simulator. Compared to the typical control scheme, the optimal-based control schemes provide faster responses to the disturbance changes from the flue gas conditions and the set-point change of the CO2 capture efficiency, as well as better results in terms of IAEs (integral of absolute errors) of capture efficiency and reboiler heat duty during the stabilization period. LG-Tstr and LG-Tabs-Cascade are the best schemes. In addition to L/G, these two schemes employ the control of Tstr (the temperature of a stage of stripper) and a cascade control of Tabs (the temperature of a stage of absorber) (outer loop) and Tstr (inner loop), respectively. Full article
(This article belongs to the Special Issue Dynamic Modeling and Control in Chemical and Energy Processes)
Show Figures

Graphical abstract

21 pages, 6933 KB  
Article
Development of a Dynamic Model and Control System for Load-Following Studies of Supercritical Pulverized Coal Power Plants
by Parikshit Sarda, Elijah Hedrick, Katherine Reynolds, Debangsu Bhattacharyya, Stephen E. Zitney and Benjamin Omell
Processes 2018, 6(11), 226; https://doi.org/10.3390/pr6110226 - 17 Nov 2018
Cited by 40 | Viewed by 9211
Abstract
Traditional energy production plants are increasingly forced to cycle their load and operate under low-load conditions in response to growth in intermittent renewable generation. A plant-wide dynamic model of a supercritical pulverized coal (SCPC) power plant has been developed in the Aspen Plus [...] Read more.
Traditional energy production plants are increasingly forced to cycle their load and operate under low-load conditions in response to growth in intermittent renewable generation. A plant-wide dynamic model of a supercritical pulverized coal (SCPC) power plant has been developed in the Aspen Plus Dynamics® (APD) software environment and the impact of advanced control strategies on the transient responses of the key variables to load-following operation and disturbances can be studied. Models of various key unit operations, such as the steam turbine, are developed in Aspen Custom Modeler® (ACM) and integrated in the APD environment. A coordinated control system (CCS) is developed above the regulatory control layer. Three control configurations are evaluated for the control of the main steam; the reheat steam temperature is also controlled. For studying servo control performance of the CCS, the load is decreased from 100% to 40% at a ramp rate of 3% load per min. The impact of a disturbance due to a change in the coal feed composition is also studied. The CCS is found to yield satisfactory performance for both servo control and disturbance rejection. Full article
(This article belongs to the Special Issue Modeling and Simulation of Energy Systems)
Show Figures

Graphical abstract

Back to TopTop