Due to scheduled maintenance work on our servers, there may be short service disruptions on this website between 11:00 and 12:00 CEST on March 28th.
Sign in to use this feature.

Years

Between: -

Subjects

remove_circle_outline
remove_circle_outline
remove_circle_outline
remove_circle_outline
remove_circle_outline
remove_circle_outline
remove_circle_outline
remove_circle_outline

Journals

Article Types

Countries / Regions

Search Results (37)

Search Parameters:
Keywords = AVL BOOST

Order results
Result details
Results per page
Select all
Export citation of selected articles as:
9 pages, 1776 KB  
Proceeding Paper
Validation of a 1D Thermodynamic Simulation of a 4-Cylinder Turbocharged DI Engine with Testbench Measurements
by György Marton, Zoltán Szávicza and András Lajos Nagy
Eng. Proc. 2025, 113(1), 23; https://doi.org/10.3390/engproc2025113023 - 31 Oct 2025
Viewed by 737
Abstract
This paper presents a one-dimensional (1-D) thermodynamic engine simulation validated through testbench measurements. The objective was to evaluate the accuracy of the 1-D model by comparing simulated results with experimental data from a modern 2-L turbocharged gasoline direct injection (DI) internal combustion engine [...] Read more.
This paper presents a one-dimensional (1-D) thermodynamic engine simulation validated through testbench measurements. The objective was to evaluate the accuracy of the 1-D model by comparing simulated results with experimental data from a modern 2-L turbocharged gasoline direct injection (DI) internal combustion engine featuring variable valve timing. Key parameters such as engine speed, air–fuel ratio, temperature, and pressure were measured under controlled conditions. Using AVL BOOST, simulation modeled combustion, valve timing, and thermodynamic processes across intake and exhaust systems. Simulation results were compared with experimental data across various steady-state operating points. The model demonstrated strong agreement with experimental results in steady-state operation. A few differences highlight the need for further refinement of the model. The study confirms the effectiveness of 1-D simulations as a reliable and cost-efficient tool for engine analysis and optimization. Future work will focus on enhancing the accuracy of the simulation. Full article
(This article belongs to the Proceedings of The Sustainable Mobility and Transportation Symposium 2025)
Show Figures

Figure 1

18 pages, 2916 KB  
Article
A Study of Performance and Emission Characteristics of Diesel-Palm Oil Mill Effluent Gas on Dual-Fuel Diesel Engines Based on Energy Ratio
by Yanuandri Putrasari, Hafiziani Eka Putri, Achmad Praptijanto, Arifin Nur, Mulia Pratama, Ahmad Dimyani, Suherman, Bambang Wahono, Muhammad Khristamto Aditya Wardana, Ocktaeck Lim, Manida Tongroon and Sakda Thongchai
Technologies 2025, 13(10), 475; https://doi.org/10.3390/technologies13100475 - 20 Oct 2025
Viewed by 839
Abstract
Biogas from palm oil mill effluent (POME) is a promising fuel that has many advantages as an alternative fuel. The methane content in biogas derived from POME is up to 75% and can be used as an alternative fuel in an internal combustion [...] Read more.
Biogas from palm oil mill effluent (POME) is a promising fuel that has many advantages as an alternative fuel. The methane content in biogas derived from POME is up to 75% and can be used as an alternative fuel in an internal combustion engine. One of the technologies for utilizing biogas in compression ignition engines is the Diesel Dual-Fuel (DDF) technique due to the different characteristics of fuel and the impact on the environment due to significantly reducing emissions. This study aims to find the effect of biogas POME composition and energy ratio on the DDF engine’s performance and emissions. The simulations using AVL BOOST software were confirmed by experimental engine parameters. The modeling was conducted on the biogas energy ratio (20%, 40%, 60%, and 75% POME) and biogas POME composition (55% and 75% methane). The results showed that the fuel consumption of diesel fuel was reduced by up to 69%, and NOx and soot emissions were reduced by up to 92% and 80%, respectively, with dual-fuel mode operation. Meanwhile, the value of brake mean effective pressure (BMEP) and efficiency was reduced by up to 18%, volumetric efficiency decreased by up to 4%, the increase in brake specific energy consumption (BSEC) was up to 23%, and brake specific fuel consumption (BSFC) was up to 155%. The optimum of the engine’s performance and emission was 40% biogas ratio with 75% methane content. Full article
(This article belongs to the Section Environmental Technology)
Show Figures

Figure 1

20 pages, 3671 KB  
Article
Simulation-Based Performance Analysis of Electrically Assisted Turbocharging in Diesel Engine
by Tayfun Ozgur and Kadir Aydin
Processes 2025, 13(9), 2718; https://doi.org/10.3390/pr13092718 - 26 Aug 2025
Cited by 2 | Viewed by 1652
Abstract
This study explores the effects of electrically assisted turbochargers (EAT) on the performance of diesel engines by incorporating an electrical motor/generator into a conventional turbocharged model. The engine simulations were conducted at three different power levels of 2, 2.5, and 3 kW to [...] Read more.
This study explores the effects of electrically assisted turbochargers (EAT) on the performance of diesel engines by incorporating an electrical motor/generator into a conventional turbocharged model. The engine simulations were conducted at three different power levels of 2, 2.5, and 3 kW to assess the impact of electrical assistance. The results demonstrated that EAT significantly boosts engine performance, with an increase in boost pressure of up to 58.9% at 1000 rpm and an average increase of 30.9% across the low engine speed range (1000–2200 rpm). Additionally, the maximum turbocharger speed was achieved at lower engine speeds, dropping from 2400 rpm to as low as 1600 rpm with 3 kW assistance. Engine torque improved by up to 28.2% at 1000 rpm, and brake-specific fuel consumption (BSFC) was reduced by as much as 8.1%. Transient simulations showed notable improvements in response times, with turbo lag reduced by up to 53% under acceleration conditions. Overall, EAT technology provides significant enhancements in engine efficiency, torque output, fuel economy, and transient response, positioning it as a promising solution for improving diesel engine performance, particularly in addressing turbo lag and low-speed inefficiencies. Full article
(This article belongs to the Special Issue Numerical Modeling and Optimization of Fluid Flow in Engines)
Show Figures

Figure 1

21 pages, 5955 KB  
Article
Impact of Heat Exchanger Effectiveness and EGR on Energy and Emission Performance of a CI Engine
by Alfredas Rimkus, Audrius Matulis and Saugirdas Pukalskas
Appl. Sci. 2025, 15(16), 8780; https://doi.org/10.3390/app15168780 - 8 Aug 2025
Viewed by 1356
Abstract
This study explores the impact of intake air cooling intensity, defined by heat exchanger effectiveness (HEE) and exhaust gas recirculation (EGR), on the energy and environmental performance of a turbocharged compression ignition (CI) engine. Experimental investigations were conducted on a 1.9-litre CI engine [...] Read more.
This study explores the impact of intake air cooling intensity, defined by heat exchanger effectiveness (HEE) and exhaust gas recirculation (EGR), on the energy and environmental performance of a turbocharged compression ignition (CI) engine. Experimental investigations were conducted on a 1.9-litre CI engine operating at 2000 rpm under three brake mean effective pressure (BMEP) conditions (0.2, 0.4, and 0.6 MPa), which correspond to part-load engine operation. HEE was varied at 0%, 50%, and 100%, in both EGR-on and EGR-off modes. Additional numerical simulations were carried out using AVL BOOST software to analyze combustion dynamics, including engine operating cycle modeling to validate the accuracy of the combustion analysis. The results demonstrate that increasing HEE significantly improves cylinder filling and excess air ratio, leading to enhanced combustion efficiency and lower in-cylinder temperatures. This, in turn, reduces specific NOx emissions by approximately 40% with EGR and approximately 60% without EGR; however, under EGR-on conditions, the reduced combustion intensity leads to increased smoke and unburned hydrocarbon emissions—particularly at high cooling intensities. This effect is primarily associated with the engine control unit’s (ECU) limitations on intake air mass flow to maintain the target EGR ratio. Integrated control of HEE and EGR systems improves engine performance and reduces emissions across varying conditions, while highlighting trade-offs that inform the refinement of air management strategies. Full article
(This article belongs to the Section Mechanical Engineering)
Show Figures

Figure 1

25 pages, 5837 KB  
Article
Spark Ignition (SI) Engine Energy and Ecological Performance Using Natural Gas and Late Intake Valve Close (LIVC)
by Tadas Vipartas, Alfredas Rimkus, Saulius Stravinskas, Aurelijus Pitrėnas and Audrius Matulis
Appl. Sci. 2025, 15(11), 6185; https://doi.org/10.3390/app15116185 - 30 May 2025
Cited by 4 | Viewed by 3171
Abstract
Natural gas stands out as a promising alternative fuel, and utilizing late intake valve close (LIVC) can further enhance its potential by improving internal combustion engine performance. The present study investigated the effect of LIVC on the performance of a Nissan Qashqai J10 [...] Read more.
Natural gas stands out as a promising alternative fuel, and utilizing late intake valve close (LIVC) can further enhance its potential by improving internal combustion engine performance. The present study investigated the effect of LIVC on the performance of a Nissan Qashqai J10 four-cylinder internal combustion ignition engine (ICE) operating on gasoline (G) and natural gas (NG), with a focus on both energy and ecological aspects at stoichiometric points. Experimental tests were performed under the usual engine operating conditions, with engine speeds of 2000 and 3000 rpm and brake mean effective pressures (BMEPs) of 0.31, 0.55, and 0.79 MPa, while the intake valve closing moment was delayed at 24°, 31°, 38°, 45°, 52°, and 59° after bottom dead center (aBDC). The software AVL BOOST™ (version R2021.2) and its utility BURN were used to calculate the rate of heat release (ROHR), mass fraction burned (MFB), in-cylinder temperature, and the rate of temperature rise. The substitution of natural gas for gasoline substantially decreases CO2 and NOx emissions while enhancing the engine’s energy efficiency. Implementing a LIVC strategy can further boost brake thermal efficiency and reduce CO2, though it negatively impacts CO, HC, and NOx emissions. Optimal performance necessitates balancing efficiency improvements and CO2 reduction against the control of other pollutants, potentially through combining LIVC with alternative engine control methodologies. Full article
(This article belongs to the Special Issue Modern Internal Combustion Engines: Design, Testing, and Application)
Show Figures

Figure 1

22 pages, 4410 KB  
Article
Study of the Combustion Characteristics of a Compression Ignition Engine Fueled with a Biogas–Hydrogen Mixture and Biodiesel
by Alfredas Rimkus and Justas Žaglinskis
J. Mar. Sci. Eng. 2024, 12(12), 2192; https://doi.org/10.3390/jmse12122192 - 30 Nov 2024
Cited by 8 | Viewed by 2410
Abstract
Increasing the use of renewable energy sources is essential to reduce the use of fossil fuels in internal combustion engines and to reduce greenhouse gas emissions. An experimental and numerical simulation study of the combustion process of a compression ignition engine was carried [...] Read more.
Increasing the use of renewable energy sources is essential to reduce the use of fossil fuels in internal combustion engines and to reduce greenhouse gas emissions. An experimental and numerical simulation study of the combustion process of a compression ignition engine was carried out by replacing fossil diesel with a dual fuel produced from renewable energy sources. In conventional dual-fuel applications, fossil diesel is used to initiate the combustion of natural gas or petroleum gas. In the present study, fossil diesel was replaced with advanced biodiesel – hydrotreated vegetable oil, and natural gas was replaced with biogas. In the experimental study, a gas mixture of 60% natural gas (by volume) and 40% carbon dioxide (by volume) was used to replicate the biogas while maintaining a 40%, 60%, and 80% gas energy share in the fuel. It was observed that using fossil diesel and biogas in the dual-fuel engine significantly slowed down the combustion process, which normally resulted in poorer energy performance. One way to compensate for the lack of energy (due to the presence of carbon dioxide) in the cylinder is to use a gas such as hydrogen, which has a high energy content. To analyze the effect of hydrogen on the dual-fuel combustion process, hydrogen gas was added to the replicated biogas at 10%, 20%, and 30% of the natural gas volume, maintaining the biogas at a (natural gas + hydrogen)-to-carbon dioxide volume ratio of 60%/40% and the expected gas energy share. The combustion process analysis, which was conducted using the AVL BOOST software (Austria), determined the heat release rate, temperature, and cylinder pressure rise in the dual-fuel operation with different renewable fuels and compared the results with those of fossil diesel. It was found that when the engine was operated at medium load and with the flammability of the biogas approaching the limit, the addition of hydrogen significantly improved the combustion characteristics of the dual-fuel engine. Full article
Show Figures

Figure 1

22 pages, 9175 KB  
Article
Investigation into the Impact of Piston Bowl Size on Diesel Engine Characteristics with Changes in Fuel Injection Pressure and Boost Pressure
by Thin Quynh Nguyen and Andrey Y. Dunin
Appl. Sci. 2024, 14(10), 4334; https://doi.org/10.3390/app14104334 - 20 May 2024
Cited by 6 | Viewed by 3618
Abstract
This study presents the effects of piston bowl size on the characteristics of a four-stroke single-cylinder diesel engine, which is considered in relation to changes in factors such as fuel injection pressure and turbocharger pressure. The study was carried out by 3D modeling [...] Read more.
This study presents the effects of piston bowl size on the characteristics of a four-stroke single-cylinder diesel engine, which is considered in relation to changes in factors such as fuel injection pressure and turbocharger pressure. The study was carried out by 3D modeling using AVL Fire with an omega combustion chamber size and dimensions determined by the ratio between the diameter and depth of the piston bowl, which varies from 3.4 to 10.0. Additionally, the turbocharger pressure varies from 0.15 to 0.45 MPa at an engine speed of 1400 rpm and fuel injection pressure up to 300 MPa. The results show that the engine reaches the best values of indicated power, fuel efficiency, and a substantial decrease in emissions of nitrogen oxides at a turbocharger pressure from 0.25 to 0.35 MPa and with a ratio of the diameter to the depth from 7.8 to 10. However, the injection angle changes slightly, and the penetration depth and the tip velocity decrease with increasing boost pressure. While the piston bowl parameters only impact significantly on the tip velocity, the penetration and the spray angle are almost unchanged. In addition, the variation in the diameter of the combustion chamber has an influence on the fluctuation of the spray tip velocity and penetration. Full article
(This article belongs to the Section Applied Thermal Engineering)
Show Figures

Figure 1

16 pages, 2219 KB  
Article
Methodological Aspects of Assessing the Thermal Load on Diesel Engine Parts for Operation on Alternative Fuel
by Sergejus Lebedevas and Edmonas Milašius
J. Mar. Sci. Eng. 2024, 12(2), 325; https://doi.org/10.3390/jmse12020325 - 13 Feb 2024
Cited by 4 | Viewed by 2280
Abstract
The decarbonization of maritime transport has become a crucial strategy for the adoption of renewable low-carbon fuels (LCFs) (MARPOL 73/78 (Annex VI) and COM (2021) 562-final 2021/0210 (COD)). In 2018, 98% of operated marine diesel engines ran on fossil fuels. The application of [...] Read more.
The decarbonization of maritime transport has become a crucial strategy for the adoption of renewable low-carbon fuels (LCFs) (MARPOL 73/78 (Annex VI) and COM (2021) 562-final 2021/0210 (COD)). In 2018, 98% of operated marine diesel engines ran on fossil fuels. The application of LCFs, according to expert assessments (DNV GL), is considered the most effective solution to the decarbonization challenge in the maritime sector. This publication presents methodological proposals related to assessing the reliability of operational diesel engines when transitioning to low- carbon fuels. The proposed methodology implements an interconnected assessment of the combustion cycle parameters and the limiting reliability factors of the thermal load on the most critical components of the cylinder–piston group. The optimization of the combustion cycle parameters for the indicators of energy and the environmental efficiency of low-carbon fuel applications was combined with the evaluation and assurance of permissible values of the thermal load factors on the components to determine the overall reliability of the engine. Thus, the possibility of overload and engine failures was already eliminated at the retrofitting design stage. The algorithm for the parametric analysis was grounded in the practical application of established α-formulae for the heat exchange intensity, such as those of the Central Diesel Engine Research Institute and G. Woschni. This approach was combined with modeling the combustion cycle parameters by employing statistical or single-zone mathematical models such as IMPULS and AVL BOOST. The α-formulae for low carbon fuels were verified based on the thermal balance data. The structure of the solutions for the effectiveness of the practical implementation of this methodology was comprehensively oriented towards diesel “families”, as exemplified by the models 15/15 (pmi = 1.2, 1.4, and 1.6 MPa). The long-term goal of the obtained results in the structure of comprehensive decarbonization research was to assess the factors of the reliable operation of characteristic groups of medium-speed (350–1000 rpm) and high-speed (1000–2100 rpm) marine engines for reliable operation in the medium term on ammonia. Full article
(This article belongs to the Special Issue Advanced Research on the Sustainable Maritime Transportation)
Show Figures

Figure 1

16 pages, 3358 KB  
Article
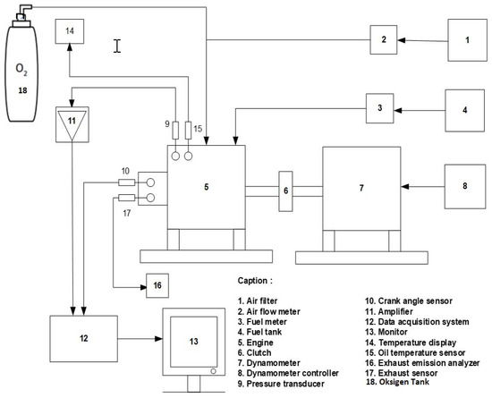
Study on the Effect of High-Concentration Oxygen Enrichment on Engine Performance and Exhaust Emissions Using Diesel Fuel and Palm Biodiesel Substitute Fuel
by Fariza Almira Ghany, Bambang Wahono, Achmad Praptijanto, Yanuandri Putrasari, Ahmad Dimyani, Arifin Nur, Suherman, Mulia Pratama and Muhammad Khristamto Aditya Wardana
Energies 2024, 17(1), 244; https://doi.org/10.3390/en17010244 - 3 Jan 2024
Cited by 10 | Viewed by 4595
Abstract
Air pollution remains a big issue in many countries. One form of air pollution comes from the use of fossil fuels as the primary fuel in the power generating and transportation sectors. Diesel engines are employed in a variety of industries due to [...] Read more.
Air pollution remains a big issue in many countries. One form of air pollution comes from the use of fossil fuels as the primary fuel in the power generating and transportation sectors. Diesel engines are employed in a variety of industries due to their dependability, durability, and efficiency. Enhancing the availability of oxygen within the combustion chamber is one technique for reducing exhaust gas emissions and optimizing diesel engine combustion. The aim of this study is to investigate how oxygen enrichment in diesel engines with diesel fuel and biodiesel affects their performance and emissions. The modeling in this research was carried out using AVL BOOST version 2011 software based on experimental results of the YANMAR TF 155 R-DI diesel engine at 1200 rpm with and without oxygen enrichment. Modeling was performed based on the baseline parameter of a diesel engine with gradual loads at 50%, 75%, and 100%. The oxygen concentration was increased to 30.6%, 37.8%, 45%, and 54% by mass. The results show an increase in the maximum heat release rate (HRR) and the mass fraction burned (MFB) up to 90% for both fuels. The peak heat release rate of biodiesel shifts around 6 J/degree and the brake-specific fuel consumption (BSFC) is up to 0.0035 kg/kWh higher than that of diesel fuel. When compared to diesel fuel, the thermal efficiency and BSFC of biodiesel usage are around 0.3% and 0.028 kg/kWh, respectively. NOx emissions increase due to higher combustion temperatures and more oxygen availability. Biodiesel emits 50% less NOx than diesel fuel, presumably due to a lower combustion temperature. As a result, while high-concentration oxygen enrichment improves combustion and lowers soot emissions, it raises NOx emissions. Soot emissions were reduced as a result of the enhanced combustion process, while NOx emissions rose due to higher combustion temperatures and increased oxygen availability. Full article
(This article belongs to the Section A4: Bio-Energy)
Show Figures

Figure 1

36 pages, 7375 KB  
Article
Effects of Pre-Turbocharger Turbine Water Injection on the Sustainable Performance of Spark Ignition Engine
by Ibham Veza, Ling Chee Huat, Mohd Azman Abas, Muhammad Idris, Martin Spraggon and Safarudin G. Herawan
Sustainability 2023, 15(5), 4559; https://doi.org/10.3390/su15054559 - 3 Mar 2023
Cited by 1 | Viewed by 7583
Abstract
Water injection strategy is considered a promising technique to improve the performance of boosted engine and reduce the NOx emission via the latent heat of water vaporization. Numerous research on water injection has been conducted on in-cylinder and intake port water injection. However, [...] Read more.
Water injection strategy is considered a promising technique to improve the performance of boosted engine and reduce the NOx emission via the latent heat of water vaporization. Numerous research on water injection has been conducted on in-cylinder and intake port water injection. However, the water injection focusing on the spark ignition (SI) engine exhaust system is still lacking. This study proposed a pre-turbocharger turbine water injection (PTWI) concept to reduce the turbine inlet temperature. This was done so that the stoichiometric engine operation could be achieved at a medium–high load and engine speed without resorting to a fuel enrichment strategy to reduce the exhaust gas temperature. This study aims to investigate the effect of injecting water into the exhaust gas at the pre-turbine of a turbocharged spark ignition engine. This study experimented on a 1.3-L 4-cylinder turbocharged engine to collect engine data for computational fluid dynamics (CFD) baseline model validation. A one-dimensional engine model was then developed based on the 1.6-L 4-cylinder turbocharged engine experiment using AVL BOOST software. The CFD model was used to investigate the effects of water injection pressure, pipe diameter, and water injector location. The CFD results showed that a 50 mm connecting pipe with 4 bar of injection pressure gives the largest reduction in exhaust temperature. The CFD results were then applied to the one-dimensional engine model. The engine model simulation results showed that the fuel consumption could be reduced up to 13% at 4000 rpm during wide-open throttle and 75% engine load. The PTWI is a new approach, but this study has proved the potential of using water injection at the pre-turbine turbocharger to reduce the fuel consumption of a turbocharged SI engine. Full article
Show Figures

Figure 1

24 pages, 3437 KB  
Article
Combustion, Ecological, and Energetic Indicators for Mixtures of Hydrotreated Vegetable Oil (HVO) with Duck Fat Applied as Fuel in a Compression Ignition Engine
by Oleksandra Shepel, Jonas Matijošius, Alfredas Rimkus, Olga Orynycz, Karol Tucki and Antoni Świć
Energies 2022, 15(21), 7892; https://doi.org/10.3390/en15217892 - 24 Oct 2022
Cited by 9 | Viewed by 3336
Abstract
The aim of the present study was to investigate the effects of the application of hydrotreated vegetable oil (HVO) mixed with pure duck fat (F100) as fuel, replacing the conventional fossil diesel fuel (D100). The tests were performed using a four-stroke direct injection [...] Read more.
The aim of the present study was to investigate the effects of the application of hydrotreated vegetable oil (HVO) mixed with pure duck fat (F100) as fuel, replacing the conventional fossil diesel fuel (D100). The tests were performed using a four-stroke direct injection CI engine diesel engine. Six fuel samples were used: D100, HVO100, F100, as well as three HVO–fat mixtures F25, F50, and F75. To further study the main characteristics of fuel combustion, the AVL BOOST software (Burn program) was applied. The results of experimental studies showed that with the addition of pure fat to HVO, the ignition delay phase increased with an increase in the amount of heat released during the premix combustion phase and the pressure and temperature rise in the cylinder increased; however, the mentioned parameters were not higher as compared to diesel fuel. It was found that as the concentration of fat in the HVO–fat mixtures increases, the viscosity and density increases, while LHV was decreased, which thereby increases brake specific fuel consumption and slightly decreases brake thermal efficiency in comparison to diesel fuel. A decrease of CO2, HC, NOx emissions, and smoke was established for all HVO–fat mixtures as compared to diesel fuel at all loads; however; under low loads, CO emissions increased. Full article
(This article belongs to the Special Issue Modeling Energy–Environment–Economy Interrelations)
Show Figures

Figure 1

23 pages, 6825 KB  
Article
Performance Optimization and Knock Investigation of Marine Two-Stroke Pre-Mixed Dual-Fuel Engine Based on RSM and MOPSO
by Weijie Jin, Huibing Gan, Yujin Cong and Guozhong Li
J. Mar. Sci. Eng. 2022, 10(10), 1409; https://doi.org/10.3390/jmse10101409 - 2 Oct 2022
Cited by 12 | Viewed by 3318
Abstract
The two-stroke pre-mixed dual-fuel marine engine is prone to knocking at full load in gas mode, which affects the overall dynamic and economic performance of the engine. In this paper, the 7X82DF engine produced by Winterthur Gas & Diesel Ltd. (WinGD) was selected [...] Read more.
The two-stroke pre-mixed dual-fuel marine engine is prone to knocking at full load in gas mode, which affects the overall dynamic and economic performance of the engine. In this paper, the 7X82DF engine produced by Winterthur Gas & Diesel Ltd. (WinGD) was selected as the research object, aiming to investigate the effect of different parameters on engine power and knocking. Multi-objective optimizations were carried out. First, we used the one-dimensional simulation software AVL-BOOST to build the gas mode model of 7X82DF. Second, the pilot fuel start of combustion timing (SOC), the gas injection pressure, and the mass of diesel were taken as independent variables. The response surface methodology analysis of the independent variables was completed using the Design-Expert software and corresponding prediction model equations were generated. Finally, we took ringing intensity (RI) as the knock intensity evaluation index, combined with multi-objective particle swarm optimization (MOPSO) to optimize multiple-parameters to improve the overall performance and reduce combustion roughness of the engine. The optimization results showed that when the SOC was −8.36 °CA ATDC, the gas injection pressure was 20.00 bar, the mass of diesel was 14.96 g, the corresponding power was 22,668 kW, which increased by 0.68%, the brake-specific fuel consumption was 156.256 g/kWh, which was reduced by 3.58%, the RI was 4.4326 MW/m2, and the knock intensity decreased by 6.49%. Full article
(This article belongs to the Section Ocean Engineering)
Show Figures

Figure 1

16 pages, 4028 KB  
Article
Study on the Cumulative Effects of Using a High-Efficiency Turbocharger and Biodiesel B20 Fuelling on Performance and Emissions of a Large Marine Diesel Engine
by Nicolae Adrian Visan, Razvan Carlanescu, Dan Catalin Niculescu and Radu Chiriac
J. Mar. Sci. Eng. 2022, 10(10), 1403; https://doi.org/10.3390/jmse10101403 - 1 Oct 2022
Cited by 12 | Viewed by 2882
Abstract
The marine sector represents probably the most powerful segment of international transport. Most ships use diesel engines for propulsion. Pollutant emission regulations with their continuous decline of acceptable limits put huge pressure on engine manufacturers. The use of low-quality fuels makes the marine [...] Read more.
The marine sector represents probably the most powerful segment of international transport. Most ships use diesel engines for propulsion. Pollutant emission regulations with their continuous decline of acceptable limits put huge pressure on engine manufacturers. The use of low-quality fuels makes the marine sector a significant contributor to global pollution. The present study shows how turbocharger operating parameters and replacing diesel fuel with biodiesel B20 (20% oil and 80% diesel volumetric fractions) affect the performance, efficiency and pollutant emissions of a four-stroke diesel engine ALCO V16 251F for marine application. A combustion model developed with the AVL BOOST software was used to perform calculations using diesel fuel and biodiesel B20 for different turbocharger characteristics and injection timings. The model was calibrated against experimental data measured on a tested engine at the application site using diesel fuel and operating in a stationary condition of full load at 600, 700 and 800 rpm engine speeds. The results show that the cumulative effects of using an improved turbocharger associated with B20 fuelling under optimized injection timings could provide reductions of 45% for soot and 5% for NOx, while maintaining the same engine performance obtained with diesel fuel operation. Full article
(This article belongs to the Special Issue Marine Fuels and Green Energy)
Show Figures

Figure 1

18 pages, 12669 KB  
Article
Effects of Injection Rate Shape on Performance and Emissions of a Diesel Engine Fuelled by Diesel and Biodiesel B20
by Andrei Laurentiu Niculae, Radu Chiriac and Alexandru Racovitza
Appl. Sci. 2022, 12(3), 1333; https://doi.org/10.3390/app12031333 - 26 Jan 2022
Cited by 7 | Viewed by 4386
Abstract
The combustion process in diesel engines is controlled by the injection rate shape. The stricter emission regulations requiring simultaneous reduction of nitrogen oxides and particulate matter imposes intense research and development activity for achieving clean and robust combustion. This work describes the experimental [...] Read more.
The combustion process in diesel engines is controlled by the injection rate shape. The stricter emission regulations requiring simultaneous reduction of nitrogen oxides and particulate matter imposes intense research and development activity for achieving clean and robust combustion. This work describes the experimental investigation made for calibration of an engine model and the numerical investigation performed to assess the influences of different injection rate shapes on performances of a diesel engine fuelled with diesel and rapeseed biodiesel B20. The engine model was developed with the AVL-BOOST code using the AVL-MCC combustion mode. The model was calibrated for the reference Top-Hat injection rate shape using experimental data registered for maximum brake torque and maximum brake power speed conditions. Other injection rate shapes such as triangular, trapezoidal, and boot having the same area, start, and duration of injection were investigated in terms of combustion characteristics, performance, and pollutant emissions. The link existing between the injection characteristics and the NOx and Soot emissions highlights that, for the optimal rate of injection shape, a simultaneous reduction of NOx and Soot by 11%, respectively 4% for maximum brake torque and by 22%, respectively 7% for maximum brake power, can be obtained using biodiesel B20. Full article
(This article belongs to the Special Issue Fuel Combustion Mechanisms, Characteristics and Emission Analysis)
Show Figures

Figure 1

21 pages, 18706 KB  
Article
The Effect of Intake Valve Timing on Spark-Ignition Engine Performances Fueled by Natural Gas at Low Power
by Alfredas Rimkus, Tadas Vipartas, Donatas Kriaučiūnas, Jonas Matijošius and Tadas Ragauskas
Energies 2022, 15(2), 398; https://doi.org/10.3390/en15020398 - 6 Jan 2022
Cited by 18 | Viewed by 5827
Abstract
To reduce the greenhouse effect, it is important to reduce not only carbon dioxide but also methane emissions. Methane gas can be not only a fossil fuel (natural gas) but also a renewable energy source when it is extracted from biomass. After biogas [...] Read more.
To reduce the greenhouse effect, it is important to reduce not only carbon dioxide but also methane emissions. Methane gas can be not only a fossil fuel (natural gas) but also a renewable energy source when it is extracted from biomass. After biogas has been purified, its properties become closer to those of natural gas or methane. Natural gas is an alternative energy source that can be used for spark-ignition engines, but its physicochemical properties are different from those of gasoline, and the spark-ignition engine control parameters need to be adjusted. This article presents the results of a study that considers a spark-ignition engine operating at different speeds (2000 rpm, 2500 rpm, and 3000 rpm) and the regulation of the timing of intake valve closure when the throttle is partially open (15%), allowing the engine to maintain the stoichiometric air–fuel mixture and constant spark timing. Studies have shown a reduction in engine break torque when petrol was replaced by natural gas, but break thermal efficiency has increased and specific emissions of pollutants (NOx, HC, CO2 (g/kWh)) have decreased. The analysis of the combustion process by the AVL BOOST program revealed different results when the engine ran on gasoline as opposed to when it ran on natural gas when the timing of intake valve closure changed. The volumetric efficiency of the engine and the speed of the combustion process, which are significant for engine performance due to the different properties of gasoline and natural gas fuels, can be partially offset by adjusting the spark timing and timing of intake valve closure. The effect of intake valve timing on engine fueled by natural gas more noticeable at lower engine speeds when the engine load is low. Full article
Show Figures

Figure 1

Back to TopTop