Foam Pressure Mapping with Optimized Electrodes †
Abstract
1. Introduction
2. Materials and Methods
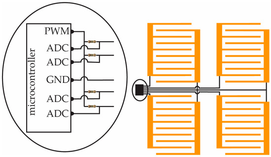
2.1. System Overview
2.2. NCPF Material Impedance
2.3. Impedance Measurement
3. Results
3.1. Electrode Array
3.2. Data Visualization
4. Discussion
5. Conclusions
Author Contributions
Funding
Data Availability Statement
Conflicts of Interest
References
- Bennett, G.; Dealey, C.; Posnett, J. The cost of pressure ulcers in the UK. Age Ageing 2004, 33, 230–235. [Google Scholar] [CrossRef]
- Maklebust, J. Pressure ulcers: Etiology and prevention. Nurs. Clin. N. Am. 1987, 22, 359–377. [Google Scholar]
- Demarré, L.; Van Lancker, A.; Van Hecke, A.; Verhaeghe, S.; Grypdonck, M.; Lemey, J.; Annemans, L.; Beeckman, D. The cost of prevention and treatment of pressure ulcers: A systematic review. Int. J. Nurs. Stud. 2015, 52, 1754–1774. [Google Scholar] [CrossRef]
- Redelings, M.; Lee, N.; Sorvillo, F. Pressure ulcers: More lethal than we thought? Adv. Ski. Wound Care 2005, 18, 367–372. [Google Scholar] [CrossRef]
- Razak, A.; Zayegh, A.; Begg, R.; Wahab, Y. Foot plantar pressure measurement system: A review. Sensors 2012, 12, 9884–9912. [Google Scholar] [CrossRef] [PubMed]
- Lee, K.; Kwon, Y.; Lee, H.; Lee, Y.; Seo, J.; Kwon, O.; Kang, S.; Lee, D. Active Body Pressure Relief System with Time–of–Flight Optical Pressure Sensors for Pressure Ulcer Prevention. Sensors 2019, 19, 3862. [Google Scholar] [CrossRef] [PubMed]
- Maeda, M. Effects of baseball bat mass and position of center of gravity on batting. Procedia Eng. 2010, 2, 2675–2680. [Google Scholar] [CrossRef]
- Huang, M.; Liu, J.; Xu, W.; Alshurafa, N.; Zhang, X.; Sarrafzadeh, M. Using pressure map sequences for recognition of on bed rehabilitation exercises. IEEE J. Biomed. Health Inform. 2014, 18, 411–418. [Google Scholar] [CrossRef]
- Ren, Z.; Nie, J.; Shao, J.; Lai, Q.; Wang, L.; Chen, J.; Chen, X.; Wang, Z. Fully elastic and metal–free tactile sensors for detecting both normal and tangential forces based on triboelectric nanogenerators. Adv. Funct. Mater. 2018, 28, 1802989. [Google Scholar] [CrossRef]
- Claver, U.P.; Zhao, G. Recent progress in flexible pressure sensors based electronic skin. Adv. Eng. Mater. 2021, 23, 2001187. [Google Scholar] [CrossRef]
- Ren, Z.; Nie, J.; Xu, L.; Jiang, T.; Chen, B.; Chen, X.; Wang, Z. Directly visualizing tactile perception and ultrasensitive tactile sensors by utilizing body–enhanced induction of ambient electromagnetic waves. Adv. Funct. Mater. 2018, 28, 1805277. [Google Scholar] [CrossRef]
- Wan, C.; Cai, P.; Wang, M.; Qian, Y.; Huang, W.; Chen, X. Artificial sensory memory. Adv. Mater. 2020, 32, e1902434. [Google Scholar] [CrossRef]
- Tolvanen, J.; Hannu, J.; Jantunen, H. Hybrid foam pressure sensor utilizing piezoresistive and capacitive sensing mechanisms. IEEE Sens. J. 2017, 17, 4735–4746. [Google Scholar] [CrossRef]
- Liu, Q.; Liu, Y.; Shi, J.; Liu, Z.; Wang, Q.; Guo, C. High–porosity foam–based iontronic pressure sensor with superhigh sensitivity of 9280 kPa−1. Nano-Micro Lett. 2021, 14, 21. [Google Scholar] [CrossRef] [PubMed]
- Zuruzi, A.; Haffiz, T.; Affidah, D.; Amirul, A.; Norfatriah, A.; Nurmawati, M. Towards wearable pressure sensors using multiwall carbon nanotube/polydimethylsiloxane nanocomposite foams. Mater. Des. 2017, 132, 449–458. [Google Scholar] [CrossRef]
- Rosquist, P.; Collins, G.; Merrell, A.; Tuttle, N.; Tracy, J.; Bird, E.; Seeley, M.; Fullwood, D.; Christensen, W.; Bowden, A. Estimation of 3D ground reaction force using nanocomposite piezo–responsive foam sensors during walking. Ann. Biomed. Eng. 2017, 45, 2122–2134. [Google Scholar] [CrossRef] [PubMed]
- Seeley, M.; Evans, A.; Collins, G.; Tracy, J.; Tuttle, N.; Rosquist, P.; Merrell, A.; Christensen, W.; Fullwood, D.; Bowden, A. Predicting vertical ground reaction force during running using novel piezoresponsive sensors and accelerometry. J. Sports Sci. 2020, 38, 1844–1858. [Google Scholar] [CrossRef]
- Merrell, A.; Christensen, W.; Seeley, M.; Bowden, A.; Fullwood, D. Nano–composite foam sensor system in football helmets. Ann. Biomed. Eng. 2017, 45, 2742–2749. [Google Scholar] [CrossRef]
- Samad, Y.; Li, Y.; Schiffer, A.; Alhassan, S.; Liao, K. Graphene foam developed with a novel two–step technique for low and high strains and pressure–sensing applications. Small 2015, 11, 2380–2385. [Google Scholar] [CrossRef] [PubMed]
- Brady, S.; Diamond, D.; Lau, K. Inherently conducting polymer modified polyurethane smart foam for pressure sensing. Sens. Actuators A Phys. 2005, 119, 398–404. [Google Scholar] [CrossRef]
- Gupta, N.; Adepu, V.; Tathacharya, M.; Siraj, S.; Pal, S.; Sahatiya, P.; Kuila, B. Piezoresistive pressure sensor based on conjugated polymer framework for pedometer and smart tactile glove applications. Sens. Actuators A Phys. 2023, 350, 114139. [Google Scholar] [CrossRef]
- Hanson, R.; Newton, C.; Merrell, A.; Bowden, A.; Seeley, M.; Mitchell, U.; Mazzeo, B.; Fullwood, D. Dual–Sensing Piezoresponsive Foam for Dynamic and Static Loading. Sensors 2023, 23, 3719. [Google Scholar] [CrossRef] [PubMed]
- ATTINY1627. Available online: https://www.microchip.com/en-us/product/attiny1627 (accessed on 30 September 2023).
- MPLAB® X IDE | Microchip Technology. Available online: https://www.microchip.com/en-us/tools-resources/develop/mplab-x-ide (accessed on 30 September 2023).
- eXpert 5603F Foam Testing System. ADMET. Available online: https://www.admet.com/testing-applications/materials/foam-furniture-and-mattress-testing/expert-5630f-foam-testing-system/ (accessed on 30 September 2023).
- B&K Precision Corporation. Available online: https://www.bkprecision.com/products/component-testers/891 (accessed on 30 September 2023).
- Statistical Software. Available online: https://www.jmp.com/en_us/home.html (accessed on 30 September 2023).


















| Term | Estimate | Standard Deviation | t Ratio | Prob > |t| | Lower 95% | Upper 95% |
|---|---|---|---|---|---|---|
| Intercept | 2,440,000 | 41,800 | 58.4 | <0.0001 | 2,360,000 | 2,520,000 |
| Finger Width, w | −207,000 | 31,900 | −6.47 | <0.0001 | −269,000 | −144,000 |
| Finger Gap, g | 2,690,000 | 31,900 | 84.4 | <0.0001 | 2,630,000 | 2,750,000 |
Disclaimer/Publisher’s Note: The statements, opinions and data contained in all publications are solely those of the individual author(s) and contributor(s) and not of MDPI and/or the editor(s). MDPI and/or the editor(s) disclaim responsibility for any injury to people or property resulting from any ideas, methods, instructions or products referred to in the content. |
© 2024 by the authors. Licensee MDPI, Basel, Switzerland. This article is an open access article distributed under the terms and conditions of the Creative Commons Attribution (CC BY) license (https://creativecommons.org/licenses/by/4.0/).
Share and Cite
Sundet, J.; Merrell, J.; Tree, M.; Christensen, T.; Schultz, S. Foam Pressure Mapping with Optimized Electrodes. Metrology 2024, 4, 82-97. https://doi.org/10.3390/metrology4010006
Sundet J, Merrell J, Tree M, Christensen T, Schultz S. Foam Pressure Mapping with Optimized Electrodes. Metrology. 2024; 4(1):82-97. https://doi.org/10.3390/metrology4010006
Chicago/Turabian StyleSundet, Jake, Jake Merrell, Maxwell Tree, Trevor Christensen, and Stephen Schultz. 2024. "Foam Pressure Mapping with Optimized Electrodes" Metrology 4, no. 1: 82-97. https://doi.org/10.3390/metrology4010006
APA StyleSundet, J., Merrell, J., Tree, M., Christensen, T., & Schultz, S. (2024). Foam Pressure Mapping with Optimized Electrodes. Metrology, 4(1), 82-97. https://doi.org/10.3390/metrology4010006

