Dielectric Spectroscopy of Melt-Mixed Polypropylene and Pyrolytically Stripped Carbon Nanofiber Composites
Abstract
1. Introduction
2. Materials and Methods
2.1. Materials
2.2. Polymer Composites Processing
2.3. Morphological and Structural Analysis
2.4. Electrical Measurements
3. Results and Discussion
3.1. Morphological and Structural Analysis
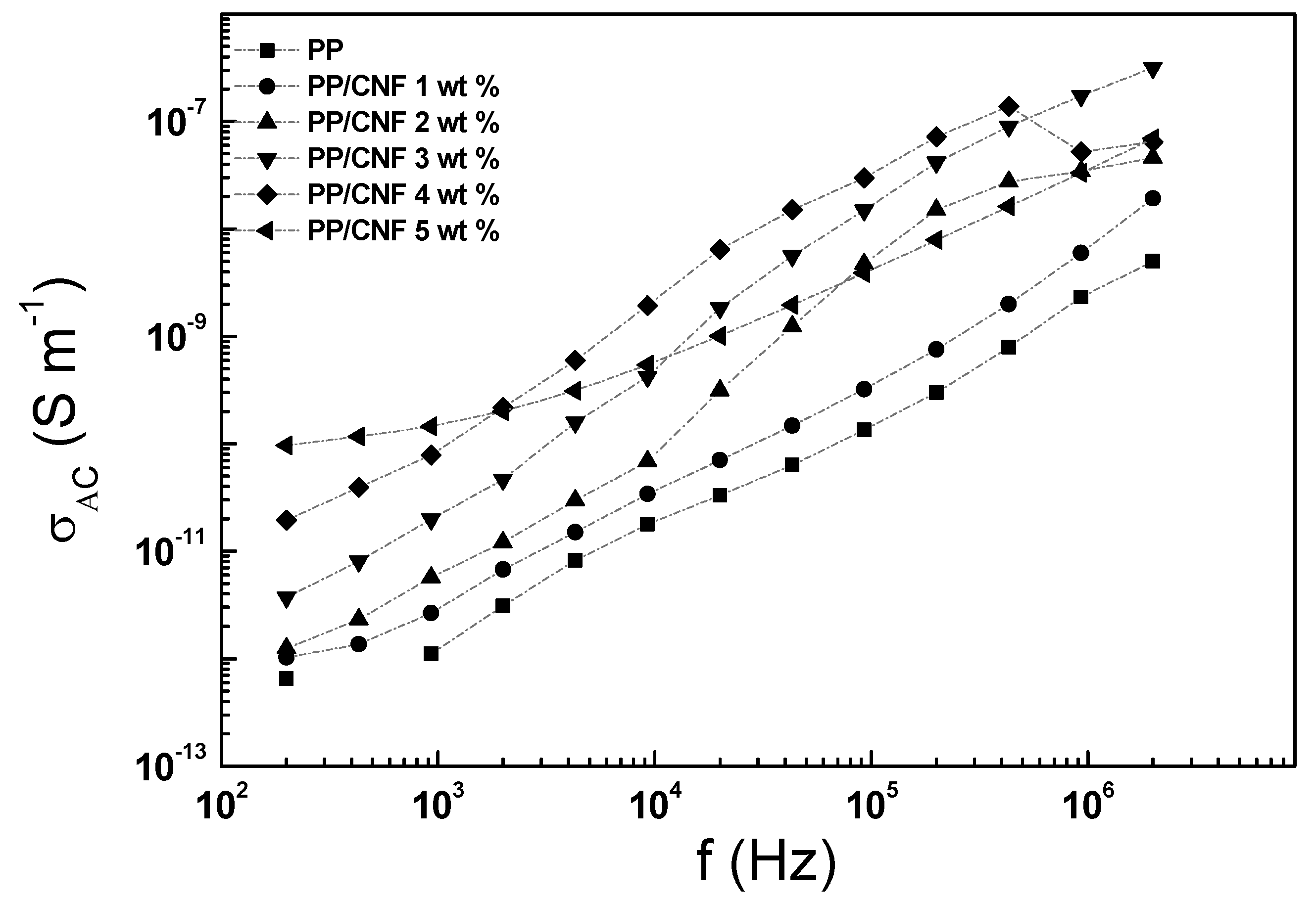
3.2. Electrical Analysis and Cole-Cole Modeling
3.3. Electrical Analysis and Cole-Cole Modeling by the Modulus Formalism
3.4. Electrical Impedance Analysis
4. Conclusions
Author Contributions
Funding
Data Availability Statement
Acknowledgments
Conflicts of Interest
References
- Foulger, S.H. Electrical properties of composites in the vicinity of the percolation threshold. J. Appl. Polym. Sci. 1999, 72, 1573–1582. [Google Scholar] [CrossRef]
- Jing, X.; Zhao, W.; Lan, L. The effect of particle size on electric conducting percolation threshold in polymer/conducting particle composites. J. Mater. Sci. Lett. 2000, 19, 377–379. [Google Scholar] [CrossRef]
- Knite, M.; Teteris, V.; Aulika, I.; Kabelka, H.; Fuith, A. Alternating-current properties of elastomer-carbon nanocomposites. Adv. Eng. Mater. 2004, 6, 746–749. [Google Scholar] [CrossRef]
- Logakis, E.; Pandis, C.; Peoglos, V.; Pissis, P.; Pionteck, J.; Pötschke, P.; Mičušík, M.; Omastová, M. Electrical/dielectric properties and conduction mechanism in melt processed polyamide/multi-walled carbon nanotubes composites. Polymer 2009, 50, 5103–5111. [Google Scholar] [CrossRef]
- Khan, T.; Irfan, M.S.; Ali, M.; Dong, Y.; Ramakrishna, S.; Umer, R. Insights to low electrical percolation thresholds of carbon-based polypropylene nanocomposites. Carbon 2021, 176, 602–631. [Google Scholar] [CrossRef]
- Gogoi, R.; Maurya, A.K.; Manik, G. A review on recent development in carbon fiber reinforced polyolefin composites. Compos. Part C Open Access 2022, 8, 100279. [Google Scholar] [CrossRef]
- Aldica, G.V.; Ciurea, M.L.; Chipara, D.M.; Lepadatu, A.M.; Lozano, K.; Stavarache, I.; Popa, S.; Chipara, M. Isotactic polypropylene–vapor grown carbon nanofibers composites: Electrical properties. J. Appl. Polym. Sci. 2017, 134, 45297. [Google Scholar] [CrossRef]
- Raimondo, M.; Guadagno, L.; Vertuccio, L.; Naddeo, C.; Barra, G.; Spinelli, G.; Lamberti, P.; Tucci, V.; Lafdi, K. Electrical conductivity of carbon nanofiber reinforced resins: Potentiality of Tunneling Atomic Force Microscopy (TUNA) technique. Compos. Part B Eng. 2018, 143, 148–160. [Google Scholar] [CrossRef]
- Guadagno, L.; Pantelakis, S.; Strohmayer, A.; Raimondo, M. High-Performance Properties of an Aerospace Epoxy Resin Loaded with Carbon Nanofibers and Glycidyl Polyhedral Oligomeric Silsesquioxane. Aerospace 2022, 9, 222. [Google Scholar] [CrossRef]
- Al-Saleh, M.H.; Sundararaj, U. A review of vapor grown carbon nanofiber/polymer conductive composites. Carbon 2009, 47, 2–22. [Google Scholar] [CrossRef]
- Available online: https://apsci.com/products/pyrograf/ (accessed on 24 October 2022).
- Burton, D.J.; Glasgow, D.G.; Lake, M.L.; Kwag, C.; Finegan, J.C. In Influence of carbon nanofibers surface characteristics on composite properties. In Proceedings of the 46th International SAMPE Symposium and Exhibition, Long Beach, CA, USA, 6–10 May 2001; p. 647. [Google Scholar]
- Gordeyev, S.A.; Macedo, F.J.; Ferreira, J.A.; van Hattum, F.W.J.; Bernardo, C.A. Transport properties of polymer-vapour grown carbon fibre composites. Phys. B 2000, 279, 33–36. [Google Scholar] [CrossRef]
- Luo, J.; Cerretti, G.; Krause, B.; Zhang, L.; Otto, T.; Jenschke, W.; Ullrich, M.; Tremel, W.; Voit, B.; Pötschke, P. Polypropylene-based melt mixed composites with singlewalled carbon nanotubes for thermoelectric applications: Switching from p-type to n-type by the addition of polyethylene glycol. Polymer 2017, 108, 513–520. [Google Scholar] [CrossRef]
- Gogoi, R.; Kumar, N.; Mireja, S.; Ravindranath, S.S.; Manik, G.; Sinha, S. Effect of Hollow Glass Microspheres on the Morphology, Rheology and Crystallinity of Short Bamboo Fiber-Reinforced Hybrid Polypropylene Composite. JOM 2019, 71, 548–558. [Google Scholar] [CrossRef]
- Lozano, K.; Bonilla-Rios, J.; Barrera, E.V. A study on nanofiber-reinforced thermoplastic composites (II): Investigation of the mixing rheology and conduction properties. J. Appl. Polym. Sci. 2001, 80, 1162–1172. [Google Scholar] [CrossRef]
- Muñoz-Ávila, J.M.; Sánchez-Valdes, S.; Yáñez-Flores, I.; Rodriguez-Fernandez, O.S.; Neira-Velázquez, M.G.; Hernández-Hernández, E.; Flores-Gallardo, S.; Avalos-Belmontes, F.; Lozano-Ramírez, T.; Morales-Cepeda, A.; et al. Influence of carbon nanofiber functionalization and compatibilizer on the physical properties of carbon nanofiber reinforced polypropylene nanocomposites. Polym. Compos. 2018, 39, 3575–3585. [Google Scholar] [CrossRef]
- Paleo, A.J.; Aribou, N.; Nioua, Y.; Samir, Z.; Fernandes, L.; Moreira, J.A.; Achour, M.E. Electrical properties of melt-mixed polypropylene and as-grown carbon nanofiber composites: Analysis of their interphase via the AC conductivity modeling. J. Compos. Mater. 2022, 56, 1879–1889. [Google Scholar] [CrossRef]
- Wang, S.; Yang, C.; Li, X.; Jia, H.; Liu, S.; Liu, X.; Minari, T.; Sun, Q. Polymer-based dielectrics with high permittivity and low dielectric loss for flexible electronics. J. Mater. Chem. C 2022, 10, 6196–6221. [Google Scholar] [CrossRef]
- Paleo, A.J.; Zille, A.; Van Hattum, F.W.; Ares-Pernas, A.; Agostinho Moreira, J. Dielectric relaxation of near-percolated carbon nanofiber polypropylene composites. Phys. B Condens. Matter 2017, 516, 41–47. [Google Scholar] [CrossRef]
- Tessonnier, J.-P.; Rosenthal, D.; Hansen, T.W.; Hess, C.; Schuster, M.E.; Blume, R.; Girgsdies, F.; Pfänder, N.; Timpe, O.; Su, D.S.; et al. Analysis of the structure and chemical properties of some commercial carbon nanostructures. Carbon 2009, 47, 1779–1798. [Google Scholar] [CrossRef]
- Guadagno, L.; Raimondo, M.; Vittoria, V.; Vertuccio, L.; Lafdi, K.; De Vivo, B.; Lamberti, P.; Spinelli, G.; Tucci, V. The role of carbon nanofiber defects on the electrical and mechanical properties of CNF-based resins. Nanotechnology 2013, 24, 305704. [Google Scholar] [CrossRef]
- Paleo, A.J.; Sencadas, V.; van Hattum, F.W.J.; Lanceros-Méndez, S.; Ares, A. Carbon nanofiber type and content dependence of the physical properties of carbon nanofiber reinforced polypropylene composites. Polym. Eng. Sci. 2014, 54, 117–128. [Google Scholar] [CrossRef]
- Tsangaris, G.M.; Psarras, G.C.; Kouloumbi, N. Electric modulus and interfacial polarization in composite polymeric systems. J. Mater. Sci. 1998, 33, 2027–2037. [Google Scholar] [CrossRef]
- Sharma, S.; Basu, T.; Shahee, A.; Singh, K.; Lalla, N.P.; Sampathkumaran, E.V. Complex dielectric and impedance behavior of magnetoelectric Fe2TiO5. J. Alloy. Compd. 2016, 663, 289–294. [Google Scholar] [CrossRef]
- Jonscher, A.K. Dielectric relaxation in solids. J. Phys. D Appl. Phys. 1999, 32, R57–R70. [Google Scholar] [CrossRef]
- Chibani, N.; Djidjelli, H.; Dufresne, A.; Boukerrou, A.; Nedjma, S. Study of effect of old corrugated cardboard in properties of polypropylene composites: Study of mechanical properties, thermal behavior, and morphological properties. J. Vinyl Addit. Technol. 2016, 22, 231–238. [Google Scholar] [CrossRef]
- Khafagy, R.M.; Badr, Y.A. In situ FTIR spectroscopic study of the recently detected low-temperature-induced structural changes in isotactic polypropylene. J. Polym. Sci. Part B Polym. Phys. 2005, 43, 2829–2842. [Google Scholar] [CrossRef]
- Snyder, R.G.; Schachtschneider, J.H. Valence force calculation of the vibrational spectra of crystalline isotactic polypropylene and some deuterated polypropylenes. Spectrochim. Acta 1964, 20, 853–869. [Google Scholar] [CrossRef]
- Nielsen, A.S.; Batchelder, D.N.; Pyrz, R. Estimation of crystallinity of isotactic polypropylene using Raman spectroscopy. Polymer 2002, 43, 2671–2676. [Google Scholar] [CrossRef]
- Lehman, J.H.; Terrones, M.; Mansfield, E.; Hurst, K.E.; Meunier, V. Evaluating the characteristics of multiwall carbon nanotubes. Carbon 2011, 49, 2581–2602. [Google Scholar] [CrossRef]
- Wang, Y.; Alsmeyer, D.C.; McCreery, R.L. Raman spectroscopy of carbon materials: Structural basis of observed spectra. Chem. Mater. 1990, 2, 557–563. [Google Scholar] [CrossRef]
- Knight, D.S.; White, W.B. Characterization of diamond films by Raman spectroscopy. J. Mater. Res. 1989, 4, 385–393. [Google Scholar] [CrossRef]
- Chipara, M.; Villarreal, J.R.; Chipara, M.D.; Lozano, K.; Chipara, A.C.; Sellmyer, D.J. Spectroscopic investigations on polypropylene-carbon nanofiber composites. I. Raman and electron spin resonance spectros-copy. J. Polym. Sci. Part B Polym. Phys. 2009, 47, 1644–1652. [Google Scholar] [CrossRef]
- Paleo, A.J.; Vieira, E.M.F.; Wan, K.; Bondarchuk, O.; Cerqueira, M.F.; Goncalves, L.M.; Bilotti, E.; Alpuim, P.; Rocha, A.M. Negative thermoelectric power of melt mixed vapor grown carbon nanofiber polypropylene composites. Carbon 2019, 150, 408–416. [Google Scholar] [CrossRef]
- Zhan, G.; Mukherjee, A. Processing and Characterization of Nanoceramic Composites with Interesting Structural and Functional Properties. Rev. Adv. Mater. Sci 2005, 10, 185–196. [Google Scholar]
- Novais, R.M.; Covas, J.A.; Paiva, M.C. The effect of flow type and chemical functionalization on the dispersion of carbon nanofiber agglomerates in polypropylene. Compos. Part A Appl. Sci. Manuf. 2012, 43, 833–841. [Google Scholar] [CrossRef]
- Shehzad, K.; Dang, Z.-M.; Ahmad, M.N.; Sagar, R.U.R.; Butt, S.; Farooq, M.U.; Wang, T.-B. Effects of carbon nanotubes aspect ratio on the qualitative and quantitative aspects of frequency response of electrical conductivity and dielectric permittivity in the carbon nanotube/polymer composites. Carbon 2013, 54, 105–112. [Google Scholar] [CrossRef]
- Chang, J.; Liang, G.; Gu, A.; Cai, S.; Yuan, L. The production of carbon nanotube/epoxy composites with a very high dielectric constant and low dielectric loss by microwave curing. Carbon 2012, 50, 689–698. [Google Scholar] [CrossRef]
- Cole, K.S.; Cole, R.H. Dispersion and Absorption in Dielectrics I. Alternating Current Characteristics. J. Chem. Phys. 1941, 9, 341. [Google Scholar] [CrossRef]
- Vo, L.T.; Anastasiadis, S.H.; Giannelis, E.P. Dielectric study of Poly(styrene-co-butadiene) Composites with Carbon Black, Silica, and Nanoclay. Macromolecules 2011, 44, 6162–6171. [Google Scholar] [CrossRef]
- Silva, J.; Oliveira, M.J.T.; Lanceros-Mendez, S.; Nogueira, F. Finite-Size Effects in the Absorption Spectra of a Single-Wall Carbon Nanotube. J. Phys. Chem. C 2016, 120, 18268–18274. [Google Scholar] [CrossRef]
- Alam, R.B.; Ahmad, M.H.; Islam, M.R. Effect of MWCNT nanofiller on the dielectric performance of bio-inspired gelatin based nanocomposites. RSC Adv. 2022, 12, 14686–14697. [Google Scholar] [CrossRef]
- Wang, B.; Liang, G.; Jiao, Y.; Gu, A.; Liu, L.; Yuan, L.; Zhang, W. Two-layer materials of polyethylene and a carbon nanotube/cyanate ester composite with high dielectric constant and extremely low dielectric loss. Carbon 2013, 54, 224–233. [Google Scholar] [CrossRef]
- Singha, S.; Thomas, M.J.; Kulkarni, A. Complex permittivity characteristics of epoxy nanocomposites at low frequencies. IEEE Trans. Dielectr. Electr. Insul. 2010, 17, 1249–1258. [Google Scholar] [CrossRef]
- Bin-Dahman, O.A.; Rahaman, M.; Khastgir, D.; Al-Harthi, M.A. Electrical and dielectric properties of poly(vinyl alcohol)/starch/graphene nanocomposites. Can. J. Chem. Eng. 2018, 96, 903–911. [Google Scholar] [CrossRef]
- Samir, Z.; El Merabet, Y.; Graça, M.; Soreto Teixeira, S.; Achour, M.; Costa, L. Dielectric behaviour of carbon nanotubes particles-filled polyester polymer composites. J. Compos. Mater. 2017, 51, 1831–1837. [Google Scholar] [CrossRef]
- Cole, K.S.; Cole, R.H. Dispersion and Absorption in Dielectrics II. Direct Current Characteristics. J. Chem. Phys. 1942, 10, 98–105. [Google Scholar] [CrossRef]
- Belhimria, R.; Samir, Z.; Boukheir, S.; Soreto Teixeira, S.; Achour, M.E.; Anson-Casaos, A.; Gonzalez-Dominguez, J.M.; Costa, L.C.; El Hasnaoui, M. Thermal and dielectric properties of carbon nanotubes/graphite/polyester ternary composites. J. Compos. Mater. 2021, 55, 3741–3750. [Google Scholar] [CrossRef]
- Nioua, Y.; Melo, B.M.G.; Prezas, P.; Graça, M.F.; Achour, M.E.; Costa, L.C. Analysis of the dielectric relaxation in reduced graphene oxide/epoxy composites materials using the modulus formalism. Eur. Phys. J. E 2021, 44, 109. [Google Scholar] [CrossRef]
- El Hasnaoui, M.; Triki, A.; Graça, M.P.F.; Achour, M.E.; Costa, L.C.; Arous, M. Electrical conductivity studies on carbon black loaded ethylene butylacrylate polymer composites. J. Non-Cryst. Solids 2012, 358, 2810–2815. [Google Scholar] [CrossRef]
- Tsangaris, G.M.; Psarras, G.C.; Kontopoulos, A.J. Dielectric permittivity and loss of an aluminum-filled epoxy resin. J. Non-Cryst. Solids 1991, 131–133, 1164–1168. [Google Scholar] [CrossRef]
- Samir, Z.; Boukheir, S.; Belhimria, R.; Achour, M.E.; Éber, N.; Costa, L.C.; Oueriagli, A. Impedance spectroscopy and dielectric properties of carbon nanotube-reinforced epoxy polymer composites. Jordan J. Phys. 2020, 13, 113–121. [Google Scholar] [CrossRef]
- Cardoso, P.; Silva, J.; Paleo, A.J.; van Hattum, F.W.J.; Simoes, R.; Lanceros-Méndez, S. The dominant role of tunneling in the conductivity of carbon nanofiber-epoxy composites. Phys. Status Solidi (A) 2010, 207, 407–410. [Google Scholar] [CrossRef]








| Sample | wG (cm−1) | FWHMG (cm−1) | wD (cm−1) | FWHMD (cm−1) | ID/IG | IG/IPP | La (nm) |
|---|---|---|---|---|---|---|---|
| PP/CNF 1 wt. % | 1585 | 90 | 1347 | 105 | 0.95 | 2.3 | 4.6 |
| PP/CNF 3 wt. % | 1585 | 100 | 1345 | 105 | 0.80 | 6.9 | 5.5 |
| PP/CNF 5 wt. % | 1584 | 95 | 1345 | 110 | 0.72 | - | 6.1 |
| Sample | τ (ms) | (εs − ε∞) | α |
|---|---|---|---|
| PP/CNF 2 wt. % | 0.795 | 1.20 | 0.05 |
| PP/CNF 3 wt. % | 0.171 | 3.30 | 0.06 |
| PP/CNF 4 wt. % | 0.369 | 6.60 | 0.02 |
| Sample | τ (ms) | (Ms − M∞) | α |
|---|---|---|---|
| PP/CNF 2 wt. % | 0.795 | 0.072 | 0.04 |
| PP/CNF 3 wt. % | 0.171 | 0.211 | 0.03 |
| PP/CNF 4 wt. % | 0.369 | 0.405 | 0.02 |
| PP/CNF 5 wt. % | 796 | 0.119 | 0.09 |
Publisher’s Note: MDPI stays neutral with regard to jurisdictional claims in published maps and institutional affiliations. |
© 2022 by the authors. Licensee MDPI, Basel, Switzerland. This article is an open access article distributed under the terms and conditions of the Creative Commons Attribution (CC BY) license (https://creativecommons.org/licenses/by/4.0/).
Share and Cite
Samir, Z.; Paleo, A.J.; Aribou, N.; Nioua, Y.; da Silva, J.O.; Cerqueira, M.F.; Moreira, J.A.; Achour, M.E. Dielectric Spectroscopy of Melt-Mixed Polypropylene and Pyrolytically Stripped Carbon Nanofiber Composites. J. Compos. Sci. 2022, 6, 368. https://doi.org/10.3390/jcs6120368
Samir Z, Paleo AJ, Aribou N, Nioua Y, da Silva JO, Cerqueira MF, Moreira JA, Achour ME. Dielectric Spectroscopy of Melt-Mixed Polypropylene and Pyrolytically Stripped Carbon Nanofiber Composites. Journal of Composites Science. 2022; 6(12):368. https://doi.org/10.3390/jcs6120368
Chicago/Turabian StyleSamir, Zineb, Antonio J. Paleo, Najoia Aribou, Yassine Nioua, Jaime Oliveira da Silva, Maria F. Cerqueira, Joaquim Agostinho Moreira, and Mohammed E. Achour. 2022. "Dielectric Spectroscopy of Melt-Mixed Polypropylene and Pyrolytically Stripped Carbon Nanofiber Composites" Journal of Composites Science 6, no. 12: 368. https://doi.org/10.3390/jcs6120368
APA StyleSamir, Z., Paleo, A. J., Aribou, N., Nioua, Y., da Silva, J. O., Cerqueira, M. F., Moreira, J. A., & Achour, M. E. (2022). Dielectric Spectroscopy of Melt-Mixed Polypropylene and Pyrolytically Stripped Carbon Nanofiber Composites. Journal of Composites Science, 6(12), 368. https://doi.org/10.3390/jcs6120368

