Numerical Investigation on the Effects of Varying the Arc length of a Windshield on the Performance of a Highway Installed Banki Wind Turbine
Abstract
:1. Introduction
2. Materials and Methods
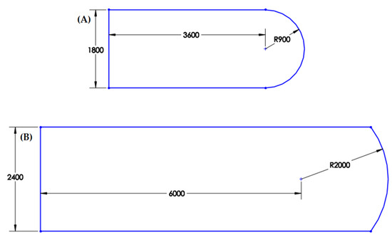
2.1. Geometries and Boundary Conditions
2.2. Mesh Generation and Solution Set-Up
2.3. Simulation Cases
2.4. VAWT Performance
3. Results & Discussion
3.1. Mesh Convergence and Domain Size Confirmation
3.2. Wind Profile and Windshield Position
3.3. VAWT CP versus TSR
3.4. Effects of Windshield and Vehicle Geometry to VAWT Power
4. Conclusions
Author Contributions
Funding
Acknowledgments
Conflicts of Interest
References
- Global Energy Transformation: A Roadmap to 2050; IRENA (2019), International Renewable Energy Agency: Abu Dhabi, United Arab Emirates, 2019.
- Gielen, D.; Boshell, F.; Saygin, D.; Bazilian, M.D.; Wagner, N.; Gorini, R. The Role of Renewable Energy in the Global Energy Transformation. Energy Strateg. Rev. 2019, 24, 38–50. [Google Scholar] [CrossRef]
- Al-Aqel, A.A.; Lim, B.K.; Noor, E.E.M.; Yap, T.C.; Alkaff, S.A. Potentiality of Small Wind Turbines along Highway in Malaysia. In Proceedings of the 2016 International Conference on Robotics, Automation and Sciences (ICORAS), Melaka, Malaysia, 5–6 November 2016; IEEE: New York, NY, USA, 2016; pp. 1–6. [Google Scholar] [CrossRef]
- Bani-Hani, E.H.; Sedaghat, A.; Al-Shemmary, M.; Hussain, A.; Alshaieb, A.; Kakoli, H. Feasibility of Highway Energy Harvesting Using a Vertical Axis Wind Turbine. Energy Eng. 2018, 115, 61–74. [Google Scholar] [CrossRef]
- Basilio, M.A.; Bernardo, J.M.; Cuya, J.M.; Luzano, J.L.; Chua, E.E.; Cudia, F.V.; Pacis, M.C. Harnessing of Electrical Energy Through Vehicular Air Drag on Highways For Lighting Load Applications. In Proceedings of the 2019 IEEE 11th International Conference on Humanoid, Nanotechnology, Information Technology, Communication and Control, Environment, and Management (HNICEM), Laoag, Philippines, 29 November–1 December 2019; IEEE: New York, NY, USA, 2019; pp. 1–5. [Google Scholar] [CrossRef]
- Tian, W.; Song, B.; Mao, Z. Numerical Investigation of Wind Turbines and Turbine Arrays on Highways. Renew. Energy 2020, 147, 384–398. [Google Scholar] [CrossRef]
- Tian, W.; Mao, Z.; Li, Y. Numerical Simulations of a VAWT in the Wake of a Moving Car. Energies 2017, 10, 478. [Google Scholar] [CrossRef] [Green Version]
- Tian, W.; Mao, Z.; An, X.; Zhang, B.; Wen, H. Numerical Study of Energy Recovery from the Wakes of Moving Vehicles on Highways by Using a Vertical Axis Wind Turbine. Energy 2017, 141, 715–728. [Google Scholar] [CrossRef]
- Tartuferi, M.; D’Alessandro, V.; Montelpare, S.; Ricci, R. Enhancement of Savonius Wind Rotor Aerodynamic Performance: A Computational Study of New Blade Shapes and Curtain Systems. Energy 2015, 79, 371–384. [Google Scholar] [CrossRef]
- Burlando, M.; Ricci, A.; Freda, A.; Repetto, M.P. Numerical and Experimental Methods to Investigate the Behaviour of Vertical-Axis Wind Turbines with Stators. J. Wind. Eng. Ind. Aerodyn. 2015, 144, 125–133. [Google Scholar] [CrossRef]
- Wenlong, T.; Baowei, S.; Zhaoyong, M. A Numerical Study on the Improvement of the Performance of a Banki Wind Turbine. J. Wind. Eng. 2014, 38, 109–116. [Google Scholar] [CrossRef]
- Nobile, R.; Vahdati, M.; Barlow, J.F.; Mewburn-Crook, A. Unsteady Flow Simulation of a Vertical Axis Augmented Wind Turbine: A Two-Dimensional Study. J. Wind Eng. Ind. 2014, 125, 168–179. [Google Scholar] [CrossRef] [Green Version]
- Kim, D.; Gharib, M. Efficiency Improvement of Straight-Bladed Vertical-Axis Wind Turbines with an Upstream Deflector. J. Wind Eng. Ind. 2013, 115, 48–52. [Google Scholar] [CrossRef]
- Chong, W.T.; Fazlizan, A.; Poh, S.C.; Pan, K.C.; Hew, W.P.; Hsiao, F.B. The Design, Simulation and Testing of an Urban Vertical Axis Wind Turbine with the Omni-Direction-Guide-Vane. Appl. Energy 2013, 112, 601–609. [Google Scholar] [CrossRef]
- Chong, W.T.; Muzammil, W.K.; Ong, H.C.; Sopian, K.; Gwani, M.; Fazlizan, A.; Poh, S.C. Performance Analysis of the Deflector Integrated Cross Axis Wind Turbine. Renew. Energy 2019, 138, 675–690. [Google Scholar] [CrossRef]

























| Car Case/Bus Case | Arc Length (°) |
|---|---|
| 1 | 0 |
| 2 | 30 |
| 3 | 60 |
| 4 | 90 |
| 5 | 120 |
| 6 | 150 |
| Mesh | Total Elements, in Million | Construction | Skewness (WAVG/Max) | Aspect Ratio (WAVG/Max) |
|---|---|---|---|---|
| Coarse | 1.33 | Structured Unstructured | 0.052/0.501 0.190/0.677 | 1.48/3.15 1.32/2.95 |
| Medium | 1.57 | Structured Unstructured | 0.052/0.500 0.189/0.678 | 1.35/3.20 1.32/2.96 |
| Fine | 1.88 | Structured Unstructured | 0.051/0.501 0.188/0.678 | 1.34/3.02 1.32/2.99 |
| Car Case | Arc Length, deg | Energy, Watt-Sec | % Increase |
|---|---|---|---|
| CC1 | 0 | 35.68 | 0.00 |
| CC2 | 30 | 41.42 | 16.08 |
| CC3 | 60 | 41.44 | 16.14 |
| CC4 | 90 | 40.63 | 13.88 |
| CC5 | 120 | 39.23 | 9.95 |
| CC6 | 150 | 36.61 | 2.62 |
| Bus Case | Arc Length, deg | Energy, Watt-Sec | % Increase |
|---|---|---|---|
| BC1 | 0 | 87.96 | 0.00 |
| BC2 | 30 | 76.79 | −12.69 |
| BC3 | 60 | 46.19 | −47.48 |
| BC4 | 90 | 50.46 | −42.63 |
| BC5 | 120 | 39.32 | −55.30 |
| BC6 | 150 | 30.99 | −64.77 |
Publisher’s Note: MDPI stays neutral with regard to jurisdictional claims in published maps and institutional affiliations. |
© 2021 by the authors. Licensee MDPI, Basel, Switzerland. This article is an open access article distributed under the terms and conditions of the Creative Commons Attribution (CC BY) license (https://creativecommons.org/licenses/by/4.0/).
Share and Cite
Matias, I.J.T.; Danao, L.A.M.; Abuan, B.E. Numerical Investigation on the Effects of Varying the Arc length of a Windshield on the Performance of a Highway Installed Banki Wind Turbine. Fluids 2021, 6, 285. https://doi.org/10.3390/fluids6080285
Matias IJT, Danao LAM, Abuan BE. Numerical Investigation on the Effects of Varying the Arc length of a Windshield on the Performance of a Highway Installed Banki Wind Turbine. Fluids. 2021; 6(8):285. https://doi.org/10.3390/fluids6080285
Chicago/Turabian StyleMatias, Ian Jay T., Louis Angelo M. Danao, and Binoe E. Abuan. 2021. "Numerical Investigation on the Effects of Varying the Arc length of a Windshield on the Performance of a Highway Installed Banki Wind Turbine" Fluids 6, no. 8: 285. https://doi.org/10.3390/fluids6080285
APA StyleMatias, I. J. T., Danao, L. A. M., & Abuan, B. E. (2021). Numerical Investigation on the Effects of Varying the Arc length of a Windshield on the Performance of a Highway Installed Banki Wind Turbine. Fluids, 6(8), 285. https://doi.org/10.3390/fluids6080285

