Investigation of Zhenjiang Aromatic Vinegar Production Using a Novel Dry Gelatinization Process
Abstract
1. Introduction
2. Materials and Methods
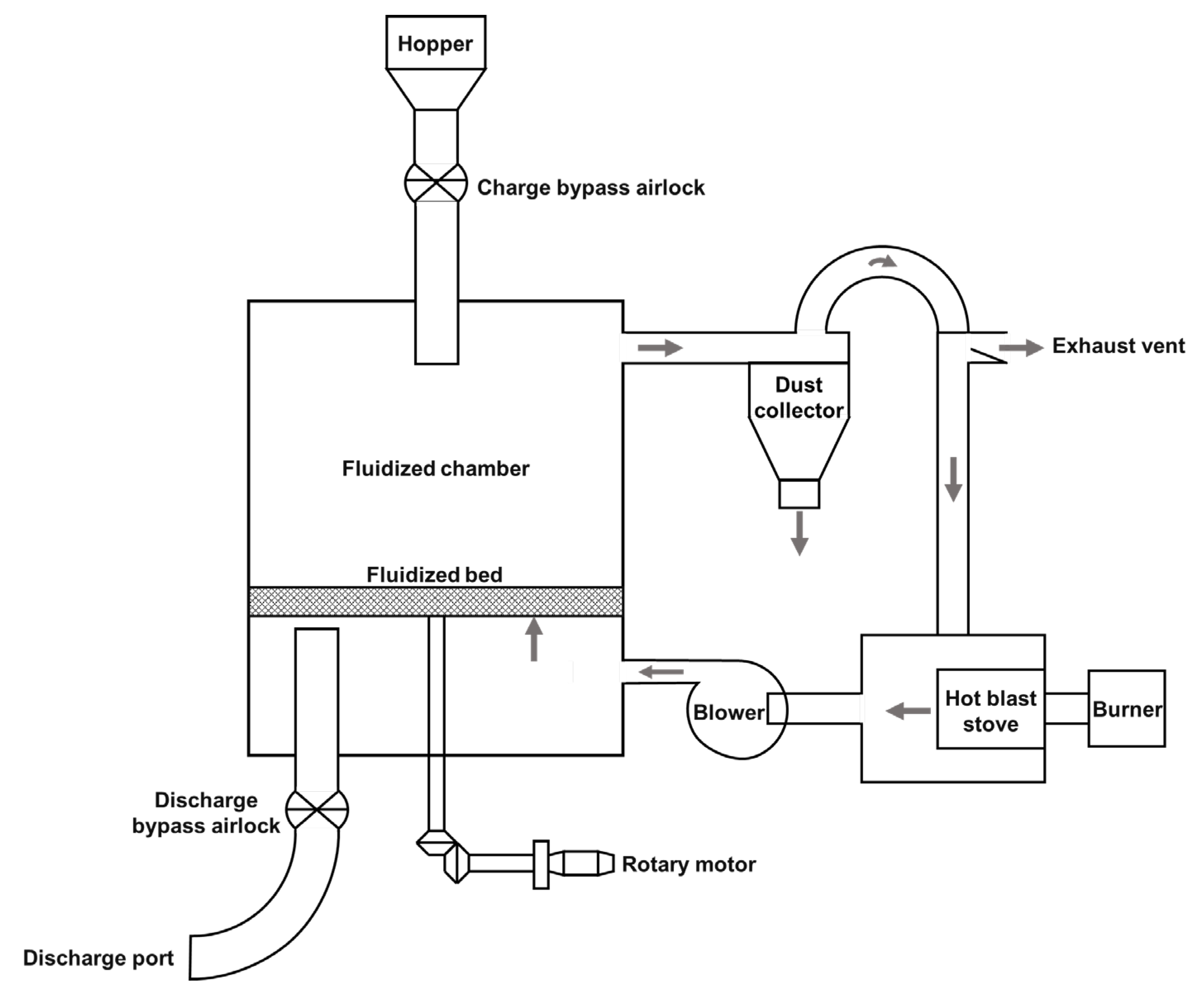
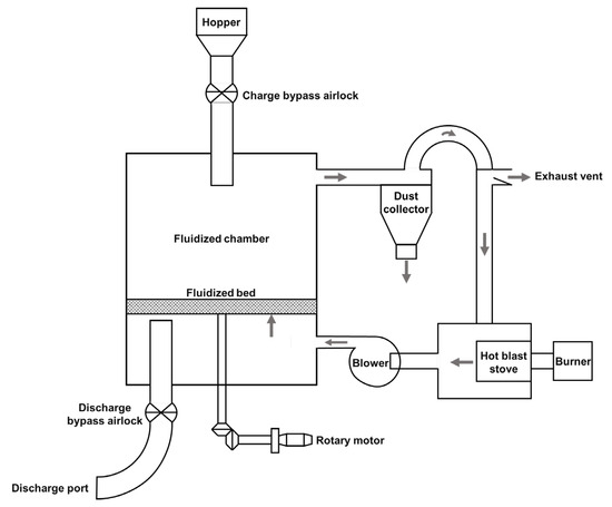
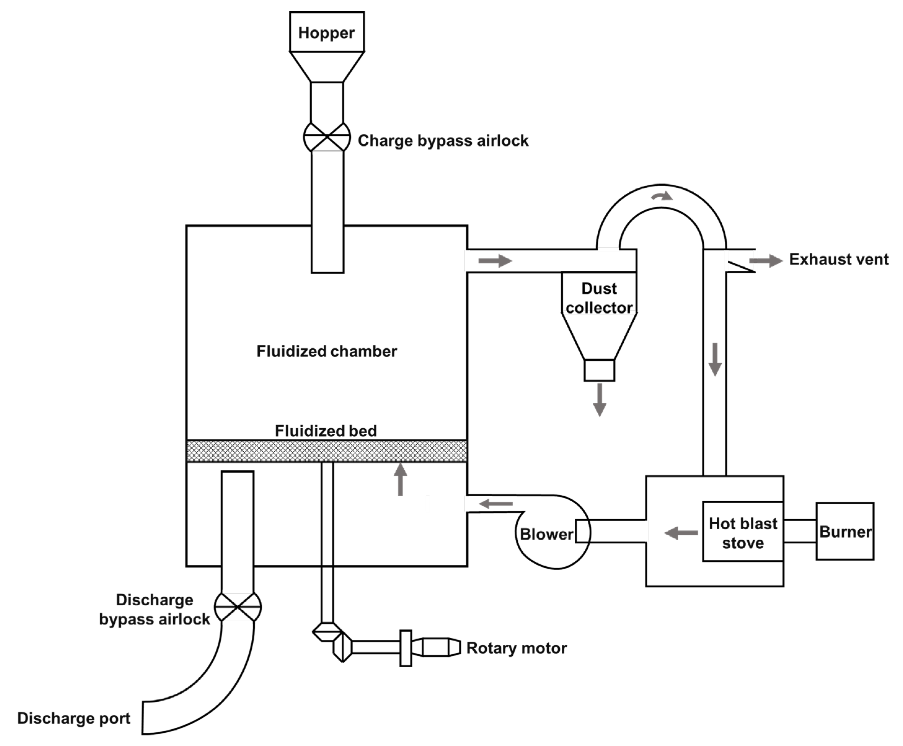
2.1. Vinegar Brewing Method and Sample Preparation
2.2. Analysis of Physicochemical Properties
2.3. Analysis of Organic Acids, Free Amino Acids, and Aroma Compounds
2.4. Statistical Analysis
3. Results and Discussion
3.1. Alcohol Fermentation
3.2. Acetic Acid Fermentation
3.3. Composition and Variation of Free Amino Acids during Acetic Acid Fermentation
3.4. Composition and Fluctuations of Organic Acids during Acetic Acid Fermentation
3.5. Composition and Fluctuations of Volatile Compounds during Acetic Acid Fermentation
4. Conclusions
Author Contributions
Funding
Institutional Review Board Statement
Informed Consent Statement
Data Availability Statement
Acknowledgments
Conflicts of Interest
References
- Casale, M.; Armanino, C.; Casolino, C.; Oliveros, C.; Oliveros, C.C.; Forina, M. A Chemometrical approach for vinegar classification by headspace mass spectrometry of volatile compounds. Food Sci. Technol. Res. 2006, 12, 223–230. [Google Scholar] [CrossRef]
- Tesfaye, W.; Morales, M.L.; García-Parrilla, M.C.; Troncoso, A.M. Wine vinegar: Technology, authenticity and quality evaluation. Trends Food Sci. Technol. 2002, 13, 12–21. [Google Scholar] [CrossRef]
- Gong, M.; Zhou, Z.L.; Liu, S.P.; Zhu, S.H.; Li, G.Q.; Zhong, F.; Mao, J. Dynamic changes in physico-chemical attributes and volatile compounds during fermentation of Zhenjiang vinegars made with glutinous and non-glutinous japonica rice. J. Cereal Sci. 2021, 100, 103246. [Google Scholar] [CrossRef]
- Chen, F.S.; Li, L.; Qu, J.; Chen, C.X. Cereal vinegars made by solid-state fermentation in China. In Vinegars of the World; Solieri, L., Giudici, P., Eds.; Springer: Milano, Italy, 2009; pp. 243–259. [Google Scholar]
- Xin, J.H.; Yang, W.M.; Xie, F.P. The preliminary study of grain fluidized bed drying technology. Agric. Technol. Equip. 2011, 8, 31–32. (In Chinese) [Google Scholar]
- Chen, Q.Q.; Lv, H.X.; Zhou, J.P. Research on the advancements in fluidized bed drying equipment. Mech. Electr. Inf. 2009, 8, 10–14. (In Chinese) [Google Scholar]
- Pei, Y.S.; Zhang, Y.; Ding, C. Effect of fluidized bed drying on the additional crackle ratio increment and microstructure of paddy rice. Sci. Technol. Food Ind. 2016, 37, 91–95. [Google Scholar]
- Wan, Z.M.; Ma, J.J.; Ju, X.R. Effect of fluidized-bed drying and thin layer-hot-air drying on the quality of Rice. Food Sci. 2014, 35, 6–11. [Google Scholar]
- Saniso, E.; Prachayawarakorn, S.; Swasdisevi, T.; Soponronnarit, S. Parboiled rice production without steaming by microwave-assisted hot air fluidized bed drying. Food Bioprod. Process. 2020, 120, 8–20. [Google Scholar] [CrossRef]
- Srisang, N.; Prachayawarakorn, S.; Varanyanond, W.; Soponronnarit, S. Germinated brown rice drying by hot air fluidization technique. Dry. Technol. 2010, 29, 55–63. [Google Scholar] [CrossRef]
- Srisang, N.; Varanyanond, W.; Soponronnarit, S.; Prachayawarakorn, S. Effects of heating media and operating conditions on drying kinetics and quality of germinated brown rice. J. Food Eng. 2011, 107, 385–392. [Google Scholar] [CrossRef]
- Li, Y.F.; Jie, M.; Huang, J.R. Improving the cooking quality of adzuki beans based on high-temperature air fluidization. Food Sci. 2021, 42, 64–69. [Google Scholar]
- Tu, X.H.; Li, K.; Zhang, H. Optimization of fluidized bed drying process of bleached shellac. Food Sci. 2017, 38, 233–239. [Google Scholar]
- GB/T 12456–2008; Determination of total acid in foods. Standardization Administration of the People’s Republic of China: Beijing, China, 2008.
- GB/T 5009.7-2016; Determination of Reducing Sugar in Foods. Standardization Administration of the People’s Republic of China: Beijing, China, 2016.
- Gong, M.; Zhou, Z.L.; Yu, Y.J.; Liu, S.P.; Zhu, S.H.; Jian, D.Z.; Cui, P.J.; Zhong, F.; Mao, J. Investigation of the 5-hydroxymethylfurfural and furfural content of Chi-nese traditional fermented vinegars from different regions and its correlation with the saccharide and amino acid content. LWT-Food Sci. Technol. 2020, 124, 109175. [Google Scholar] [CrossRef]
- Wu, L.H.; Lu, Z.M.; Zhang, X.J.; Wang, Z.M.; Yu, Y.J.; Shi, J.S.; Xu, Z.H. Metagenomics reveals flavour metabolic network of cereal vinegar microbiota. Food Microbiol. 2017, 62, 23–31. [Google Scholar] [CrossRef] [PubMed]
- Yang, Y.; Niu, C.T.; Shan, W.X.; Zheng, F.Y.; Liu, C.F.; Wang, J.J.; Li, Q. Physicochemical, flavor and microbial dynamic changes during low-salt doubanjiang (broad bean paste) fermentation. Food Chem. 2021, 351, 128454. [Google Scholar] [CrossRef] [PubMed]
- Jia, Y.; Niu, C.T.; Lu, Z.M.; Zhang, X.J.; Chai, L.J.; Shi, J.S.; Xu, Z.H.; Li, Q. A bottom-up approach to develop a synthetic microbial community model: Application for efficient reduced-salt broad bean paste fermentation. Appl. Environ. Microb. 2020, 86, e00306-20. [Google Scholar] [CrossRef] [PubMed]
- Huang, T.; Lu, Z.; Peng, M.; Chai, L.; Zhang, X.; Shi, J.; Li, Q.; Xu, Z. Constructing a defined starter for multispecies vinegar fermentation via evaluation of the vitality and dominance of functional microbes in an autochthonous starter. Food Microbiol. 2022, 88, e02175-21. [Google Scholar] [CrossRef] [PubMed]
- Xu, W.; Huang, Z.; Zhang, X.; Li, Q.; Lu, Z.; Shi, J.; Xu, Z.; Ma, Y. Monitoring the microbial community during solid-state acetic acid fermentation of Zhenjiang aromatic vinegar. Food Microbiol. 2011, 28, 1175–1181. [Google Scholar] [CrossRef] [PubMed]
- Fang, G.Y.; Chai, L.J.; Zhong, X.Z.; Jiang, Y.J. Deciphering the succession patterns of bacterial community and their correlations with environmental factors and flavor compounds during the fermentation of Zhejiang rosy vinegar. Int. J. Food Microbiol. 2021, 341, 109070. [Google Scholar] [CrossRef]
- Zhang, X.; Wang, P.; Xu, D.D.; Wang, W.B.; Zhao, Y. Aroma patterns of Beijing ricevinegar and their potential biomarker for traditional Chinese cereal vinegars. Food Res. Int. 2019, 119, 398–410. [Google Scholar] [CrossRef]
- Ye, X.; Yu, Y.; Liu, J.; Zhu, Y.; Yu, Z.; Liu, P.; Wang, Y.; Wang, K. Inoculation strategies affect the physicochemical properties and flavor of Zhenjiang aromatic vinegar. Front. Microbiol. 2023, 14, 1126238. [Google Scholar] [CrossRef] [PubMed]
- Ren, W.; Liu, G.; Yin, J.; Tan, B.; Wu, G.; Bazer, F.W.; Peng, Y.; Yin, Y. Amino-acid transporters in T-cell activation and differentiation. Cell Death Dis. 2017, 8, e2655. [Google Scholar]
- Massey, K.A.; Blakeslee, C.H.; Pitkow, H.S. A review of physiological and metabolic effects of essential amino acids. Amino Acids 1998, 14, 271–300. [Google Scholar] [CrossRef] [PubMed]
- Morozova, O.B.; Yurkovskaya, A.V. Modulation of the rate of reversible electron transfer in oxidized tryptophan and tyrosine containing peptides in acidic aqueous solution. J. Phys. Chem. B 2015, 119, 140–149. [Google Scholar] [CrossRef] [PubMed]
- Udenigwe, C.C.; Aluko, R.E. Chemometric analysis of the amino acid requirements of antioxidant food protein hydrolysates. Int. J. Mol. Sci. 2011, 12, 3148–3161. [Google Scholar] [CrossRef]
- Luo, F.; Fei, X.Q. Maillard reaction derived from oil-tea camellia seed through roasting. J. Sci. Food Agric. 2019, 99, 5000–5007. [Google Scholar] [CrossRef]
- Fan, J.F.; Zhang, Y.Y.; Zhou, L.N.; Li, Z.G.; Zhang, B.L.; Saito, M.; Wang, X.N. Nutritional composition and alpha-glucosidase inhibitory activity of five Chinese vinegars. JPN Agric. Res. Q. 2011, 45, 445–456. [Google Scholar] [CrossRef]
- Wang, Z.B.; Li, T.T.; Liu, F.Y.; Zhang, C.S.; Ma, H.L.; Wang, L.; Zhao, S. Effects of ultrasonic treatment on the maturation of Zhenjiang vinegar. Ultrason. Sonochem. 2017, 39, 272–280. [Google Scholar] [CrossRef]
- Kim, S.H.; Cho, H.K.; Shin, H.S. Physicochemical properties and antioxidant activities of commercial vinegar drinks in Korea. Food Sci. Biotechnol. 2012, 21, 1729–1734. [Google Scholar] [CrossRef]
- Chen, T.; Gui, Q.; Shi, J.J.; Zhang, X.Y.; Chen, F.S. Analysis of variation of main components during aging process of Shanxi Aged Vinegar. Acetic Acid Bact. 2013, 2, e6. [Google Scholar] [CrossRef]
- Chinnici, F.; Durán-Guerrero, E.; Riponi, C. Discrimination of some European vinegars with protected denomination of origin as a function of their amino acid and biogenic amine content. J. Sci. Food Agric. 2016, 96, 3762–3771. [Google Scholar] [CrossRef] [PubMed]
- Nie, S.P.; Huang, J.G.; Zhang, Y.N.; Hu, J.L.; Wang, S.N.; Shen, M.Y.; Li, C.; Marcone, M.F.; Xie, M.Y. Analysis of furan in heat-processed foods in China by automated headspace gas chromatography-mass spectrometry (HS-GC-MS). Food Control 2013, 30, 62–68. [Google Scholar] [CrossRef]
- Nie, Z.Q.; Zheng, Y.; Xie, S.K.; Zhang, X.L.; Song, J.; Xia, M.L.; Wang, M. Unraveling the correlation between microbiota succession and metabolite changes in traditional Shanxi aged vinegar. Sci. Rep. 2017, 7, 9240. [Google Scholar] [CrossRef] [PubMed]
- Mitrou, P.; Petsiou, E.; Papakonstantinou, E.; Maratou, E.; Lambadiari, V.; Dimitriadis, P.; Spanoudi, F.; A Raptis, S. The role of acetic acid on glucose uptake and blood flow rates in the skeletal muscle in humans with impaired glucose tolerance. Eur. J. Clin. Nutr. 2015, 69, 734–739. [Google Scholar] [CrossRef] [PubMed]
- Johnston, C.S.; Kim, C.M.; Buller, A.J. Vinegar improves insulin sensitivity to a high-carbohydrate meal in subjects with insulin resistance or type 2 diabetes. Diabetes Care 2004, 27, 281–282. [Google Scholar] [CrossRef] [PubMed]
- Xia, T.; Zhang, B.; Duan, W.; Zhang, J.; Wang, M. Nutrients and bioactive components from vinegar: A fermented and functional food. J. Funct. Foods 2020, 64, 103681. [Google Scholar] [CrossRef]
- Lu, Z.-M.; Wang, Z.-M.; Zhang, X.-J.; Mao, J.; Shi, J.-S.; Xu, Z.-H. Microbial ecology of cereal vinegar fermentation: Insights for driving the ecosystem function. Curr. Opin. Biotechnol. 2018, 49, 88–93. [Google Scholar] [CrossRef] [PubMed]
- Jiang, Y.J.; Lv, X.C.; Zhang, C.; Zheng, Y.M.; Zheng, B.D.; Duan, X.; Tian, Y.T. Microbial dynamics and flavor formation during the traditional brewing of Monascus vinegar. Food Rev. Int. 2019, 125, 108531. [Google Scholar] [CrossRef] [PubMed]
- Wang, W.G.; Cao, W.; Zhu, X.S. Determination of organic acids in vinegar and difference analysis. Food Ferment. Technol. 2013, 49, 81–84. [Google Scholar]
- Li, H.; Ming, X.; Liu, Z.; Xu, L.; Xu, D.; Hu, L.; Mo, H.; Zhou, X. Accelerating vinegar aging by combination of ultrasonic and magnetic field assistance. Ultrason. Sonochem. 2021, 78, 105708. [Google Scholar] [CrossRef]
- Liu, L.; Hu, H.; Yu, Y.; Zhao, J.; Yuan, L.; Liu, S.; Zhao, S.; Huang, R.; Xie, J.; Shen, M. Characterization and identification of different Chinese fermented vinegars based on their volatile components. J. Food Biochem. 2021, 45, e13670. [Google Scholar] [CrossRef] [PubMed]
- Ho, C.W.; Lazim, A.M.; Fazry, S.; Zaki, U.K.H.H.; Lim, S.J. Varieties, production, composition and health benefits of vinegars: A review. Food Chem. 2017, 221, 1621–1630. [Google Scholar] [CrossRef] [PubMed]
- Mejías, R.C.; Marín, R.N.; Moreno, M.V.G. Optimisation of headspace solid-phase micro-extraction for analysis of aromatic compounds in vinegar. J. Chromatogr. A 2002, 953, 7–15. [Google Scholar] [CrossRef]
- Peng, C.Y.; Zhang, J.H.; Shuai, G.L.; Zhao, G.A.; Mao, Z.G. Producing a new type rice wine with the rice fluidized in high temperature. Liquor. Mak. 2002, 29, 90–91. (In Chinese) [Google Scholar]






| Dry Gelatinization Process | Traditional Process | |
|---|---|---|
| Fermentation period (d) | 5 | 6 |
| Alcohol concentration (% v/v) | 16.2 ± 0.2 | 13.9 ± 0.5 |
| Free Amino Acids | Threshold Value | DoT Value | |
|---|---|---|---|
| Dry Gelatinization Process | Traditional Process | ||
| Ser | 150 | 1.36 | 1.09 |
| Thr | 260 | 0.00 | 15.38 |
| Orn | 125 | 3.76 | 6.72 |
| Asn | 100 | 12.17 | 0.00 |
| Glu | 30 | 61.99 | 18.15 |
| Val | 40 | 18.05 | 23.14 |
| Leu | 190 | 0.00 | 0.97 |
| Tyr | NF b | - | - |
| Phe | 90 | 2.39 | 3.23 |
Disclaimer/Publisher’s Note: The statements, opinions and data contained in all publications are solely those of the individual author(s) and contributor(s) and not of MDPI and/or the editor(s). MDPI and/or the editor(s) disclaim responsibility for any injury to people or property resulting from any ideas, methods, instructions or products referred to in the content. |
© 2024 by the authors. Licensee MDPI, Basel, Switzerland. This article is an open access article distributed under the terms and conditions of the Creative Commons Attribution (CC BY) license (https://creativecommons.org/licenses/by/4.0/).
Share and Cite
Wang, K.; Shi, Y.; Feng, J.; Zhao, Y.; Zhu, H.; Chen, D.; Gong, X.; Fang, M.; Yu, Y. Investigation of Zhenjiang Aromatic Vinegar Production Using a Novel Dry Gelatinization Process. Foods 2024, 13, 1071. https://doi.org/10.3390/foods13071071
Wang K, Shi Y, Feng J, Zhao Y, Zhu H, Chen D, Gong X, Fang M, Yu Y. Investigation of Zhenjiang Aromatic Vinegar Production Using a Novel Dry Gelatinization Process. Foods. 2024; 13(7):1071. https://doi.org/10.3390/foods13071071
Chicago/Turabian StyleWang, Ke, Yuxuan Shi, Jiaxue Feng, Yi Zhao, Hao Zhu, Di Chen, Xiaojie Gong, Meihui Fang, and Yongjian Yu. 2024. "Investigation of Zhenjiang Aromatic Vinegar Production Using a Novel Dry Gelatinization Process" Foods 13, no. 7: 1071. https://doi.org/10.3390/foods13071071
APA StyleWang, K., Shi, Y., Feng, J., Zhao, Y., Zhu, H., Chen, D., Gong, X., Fang, M., & Yu, Y. (2024). Investigation of Zhenjiang Aromatic Vinegar Production Using a Novel Dry Gelatinization Process. Foods, 13(7), 1071. https://doi.org/10.3390/foods13071071

