Gasification Applicability of Korean Municipal Waste Derived Solid Fuel: A Comparative Study
Abstract
1. Introduction
1.1. Background
1.2. The Status of Gasification for Different Feedstocks
1.3. Main Feedstocks of Gasification
1.3.1. Coal
1.3.2. Biomass
1.3.3. Solid Waste
1.4. Scope of the Study
2. Materials and Methods
2.1. Characterization of Feedstocks
2.2. Experimental Section
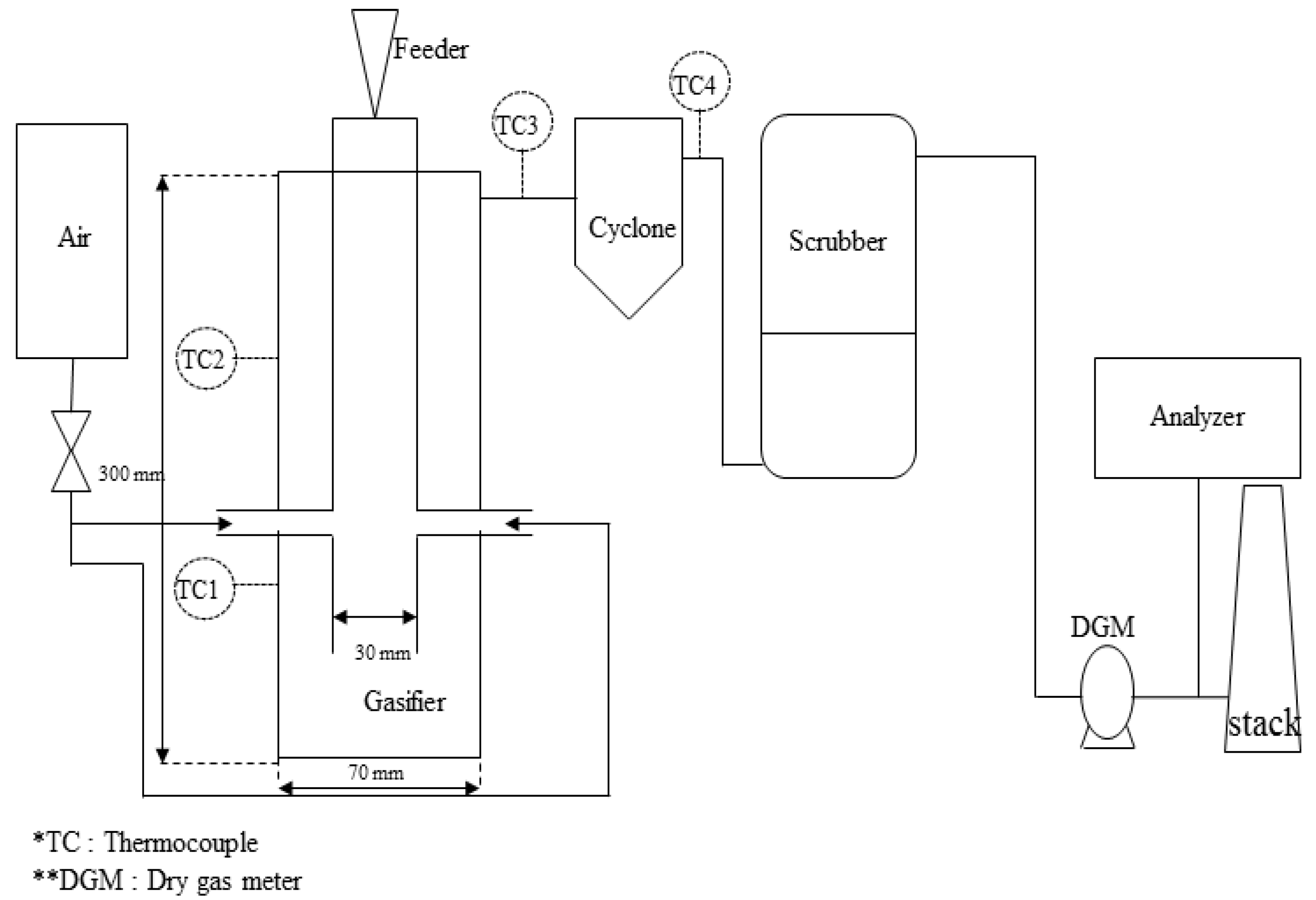
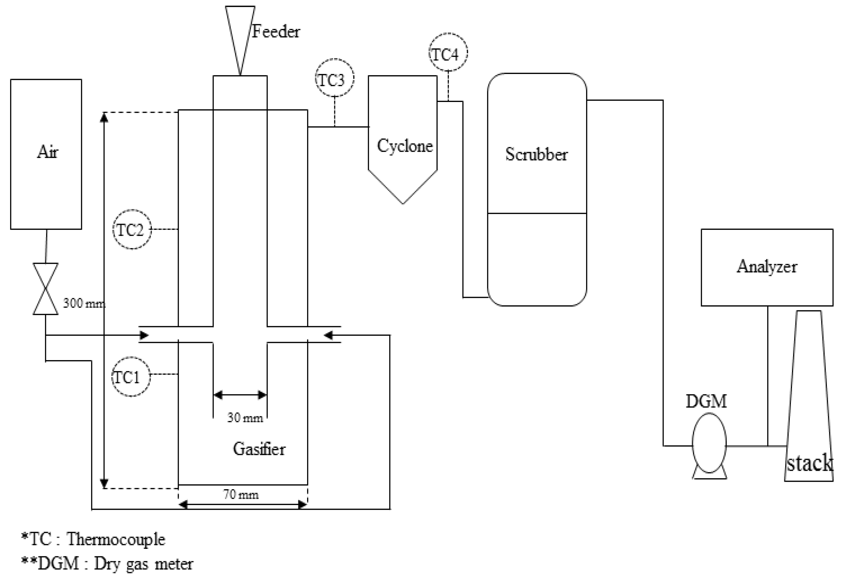
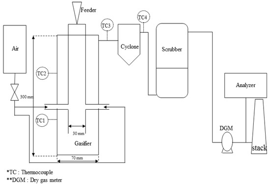
2.2.1. Gasification Reactor
2.2.2. Experimental Conditions
2.2.3. Gasification Efficiency
3. Results and Discussion
3.1. Characteristics of Feedstocks
3.2. Syngas Composition
3.3. Gasification Efficiency
4. Conclusions
Author Contributions
Funding
Acknowledgments
Conflicts of Interest
References
- Lee, S.K.; Mogi, G.; Kim, J.W. Energy technology roadmap for the next 10 years: The case of Korea. Energy Policy 2009, 37, 588–596. [Google Scholar] [CrossRef]
- Park, S.-W.; Lee, J.-S.; Yang, W.-S.; Alam, M.T.; Seo, Y.-C. A Comparative Study of the Gasification of Solid Refuse Fuel in Downdraft Fixed Bed and Bubbling Fluidized Bed Reactors. Waste Biomass Valorization 2020, 11, 2345–2356. [Google Scholar] [CrossRef]
- Yang, W.-S.; Park, J.-K.; Park, S.-W.; Seo, Y.-C. Past, present and future of waste management in Korea. J. Mater. Cycles Waste Manag. 2015, 17, 207–217. [Google Scholar] [CrossRef]
- Bourtsalas, A.T.; Seo, Y.; Alam, M.T.; Seo, Y.-C. The status of waste management and waste to energy for district heating in South Korea. Waste Manag. 2019, 85, 304–316. [Google Scholar] [CrossRef] [PubMed]
- Park, S.; Lee, J.; Yang, W.; Kang, J.; Sung, J.; Alam, M.; Seo, Y.; Rao, C.; Saravanakumar, A.; Kumar, K.V. For waste to energy, assessment of fluff type solid refuse fuel by thermal characteristics analyses. Procedia Environ. Sci. 2016, 35, 498–505. [Google Scholar] [CrossRef]
- Seo, Y.-C.; Alam, M.T.; Yang, W.-S. Gasification of municipal solid waste. Gasif. Low-Grade Feedstock 2018. [Google Scholar] [CrossRef]
- Shahabuddin, M.; Alam, M.T.; Krishna, B.B.; Bhaskar, T.; Perkins, G. A review of producing renewable aviation fuels from the gasification of biomass and residual wastes. Bioresour. Technol. 2020. [Google Scholar] [CrossRef] [PubMed]
- Rezaiyan, J.; Cheremisinoff, N.P. Gasification Technologies: A Primer for Engineers Scientists; CRC Press: Boca Raton, FL, USA, 2005. [Google Scholar]
- Ansa, J.R. Gasification of Biomass and Solid Recovered Fuels (SRFs) for the Synthesis of Liquid Fuels. Ph.D. Thesis, Universitat Rovira i Virgili, Tarragona, Spain, 2017. [Google Scholar]
- Higman, C. State of the Gasification Industry: Worldwide Gasification and Syngas Databases 2016 Update. Available online: https://www.globalsyngas.org/uploads/downloads/2016-Wed-Higman.pdf (accessed on 20 September 2020).
- Alam, M.T.; Dai, B.; Wu, X.; Hoadley, A.; Zhang, L. A critical review of ash slagging mechanisms and viscosity measurement for low-rank coal and bio-slags. Front. Energy 2020. [Google Scholar] [CrossRef]
- Oh, G.; Jang, J.Y.; Ra, H.W.; Seo, M.W.; Mun, T.Y.; Lee, J.-G.; Yoon, S.J. Gasification of Coal and Torrefied Biomass Mixture. Trans. Korean Hydrog. New Energy Soc. 2017, 28, 190–199. [Google Scholar]
- Smoot, L.D.; Smith, P.J. Coal Combustion and Gasification; Springer: Berlin/Heidelberg, Germany, 2013. [Google Scholar]
- Tekin, K.; Karagöz, S.; Bektaş, S. A review of hydrothermal biomass processing. Renew. Sustain. Energy Rev. 2014, 40, 673–687. [Google Scholar] [CrossRef]
- Corey, R.C. Principles and Practices of Incineration; John Wiley & Sons: Hoboken, NJ, USA, 1969. [Google Scholar]
- Tillman, D.A. Wood as an Energy Resource; Elsevier: Amsterdam, The Netherlands, 2012. [Google Scholar]
- Basu, P. Biomass Gasification and Pyrolysis: Practical Design and Theory; Academic Press: Cambridge, MA, USA, 2010. [Google Scholar]
- Constantinescu, M.; Bucura, F.; Ionete, E.I.; Ion-Ebrasu, D.; Sandru, C.; Zaharioiu, A.; Marin, F.; Miricioiu, M.G.; Niculescu, V.C.; Oancea, S. From Plastic to Fuel-New Challenges. Mater. Plast. 2019, 56, 721. [Google Scholar] [CrossRef]
- Alam, M.T.; Park, S.-W.; Lee, S.-Y.; Jeong, Y.-O.; Girolamo, A.D.; Seo, Y.-C.; Choi, H.S. Co-Gasification of Treated Solid Recovered Fuel Residue by Using Minerals Bed and Biomass Waste Blends. Energies 2020, 13, 2081. [Google Scholar] [CrossRef]
- Machin, E.B.; Pedroso, D.T.; Proenza, N.; Silveira, J.L.; Conti, L.; Braga, L.B.; Machin, A.B. Tar reduction in downdraft biomass gasifier using a primary method. Renew. Energy 2015, 78, 478–483. [Google Scholar] [CrossRef]
- Bockelie, M.J.; Denison, M.K.; Chen, Z.; Linjewile, T.; Senior, C.L.; Sarofim, A.F.; Holt, N. CFD Modeling for Entrained Flow Gasifiers. In Proceedings of the ACERC Annual Conference, Provo, UT, USA, 17–18 February 2005; pp. 18–19. [Google Scholar]
- Lee, S.Y.; Park, S.W.; Alam, M.T.; Jeong, Y.O.; Seo, Y.-C.; Choi, H.S. Studies on the gasification performance of sludge cake pre-treated by hydrothermal carbonization. Energies 2020, 13, 1442. [Google Scholar] [CrossRef]
- Park, S.-W.; Lee, J.-S.; Yang, W.-S.; Alam, M.T.; Seo, Y.-C.; Lee, S.-Y. Gasification characteristics of biomass for tar removal by secondary oxidant injection. J. Mater. Cycles Waste Manag. 2018, 20, 823–831. [Google Scholar] [CrossRef]
- Yang, W.-S.; Lee, J.-S.; Park, S.-W.; Kang, J.-J.; Alam, T.; Seo, Y.-C. Gasification applicability study of polyurethane solid refuse fuel fabricated from electric waste by measuring syngas and nitrogenous pollutant gases. J. Mater. Cycles Waste Manag. 2016, 18, 509–516. [Google Scholar] [CrossRef]
- Vamvuka, D.; Kastanaki, E.; Lasithiotakis, M. Devolatilization and combustion kinetics of low-rank coal blends from dynamic measurements. Ind. Eng. Chem. Res. 2003, 42, 4732–4740. [Google Scholar] [CrossRef]
- Xiao, X.; Wang, X.; Zheng, Z.; Qin, W.; Zhou, Y. Catalytic coal gasification process simulation with alkaline organic wastewater in a fluidized bed reactor using Aspen Plus. Energies 2019, 12, 1367. [Google Scholar] [CrossRef]
- Zhang, H.; Guo, X.; Zhu, Z. Effect of temperature on gasification performance and sodium transformation of Zhundong coal. Fuel 2017, 189, 301–311. [Google Scholar] [CrossRef]
- Li, X.; Grace, J.; Lim, C.; Watkinson, A.; Chen, H.; Kim, J. Biomass gasification in a circulating fluidized bed. Biomass Bioenergy 2004, 26, 171–193. [Google Scholar] [CrossRef]
- Cao, Y.; Wang, Y.; Riley, J.T.; Pan, W.-P. A novel biomass air gasification process for producing tar-free higher heating value fuel gas. Fuel Process. Technol. 2006, 87, 343–353. [Google Scholar] [CrossRef]
- Hosoya, T.; Kawamoto, H.; Saka, S. Pyrolysis gasification reactivities of primary tar and char fractions from cellulose and lignin as studied with a closed ampoule reactor. J. Anal. Appl. Pyrolysis 2008, 83, 71–77. [Google Scholar] [CrossRef]
- Yu, H.; Zhang, Z.; Li, Z.; Chen, D. Characteristics of tar formation during cellulose, hemicellulose and lignin gasification. Fuel 2014, 118, 250–256. [Google Scholar] [CrossRef]
- Palma, C.F. Modelling of tar formation and evolution for biomass gasification: A review. Appl. Energy 2013, 111, 129–141. [Google Scholar] [CrossRef]
- Park, S.-W.; Seo, Y.-C.; Lee, S.-Y.; Yang, W.-S.; Oh, J.-H.; Gu, J.-H. Development of 8 ton/day gasification process to generate electricity using a gas engine for solid refuse fuel. Waste Manag. 2020, 113, 186–196. [Google Scholar] [CrossRef]












| Content | C | H | N | S | O | HHV |
|---|---|---|---|---|---|---|
| Unit | % | MJ/kg | ||||
| Maple | 50.60 | 6.00 | 0.30 | 00 | 41.7 | 19.96 |
| Douglas fir | 52.30 | 6.30 | 9.10 | 00 | 40.5 | 21.05 |
| Redwood | 53.50 | 5.90 | 0.10 | 00 | 40.3 | 21.03 |
| Straw-rice | 39.20 | 5.10 | 0.60 | 0.10 | 35.8 | 15.21 |
| Husk-rice | 38.50 | 5.70 | 0.50 | 00 | 39.8 | 15.38 |
| Paper | 43.40 | 5.80 | 0.30 | 0.20 | 44.3 | 17.61 |
| MSW | 47.60 | 6.00 | 1.20 | 0.30 | 32.9 | 19.88 |
| Animal waste | 42.70 | 5.50 | 2.40 | 0.30 | 31.3 | 17.17 |
| Peat | 54.50 | 5.10 | 1.65 | 0.45 | 33.1 | 19.88 |
| Lignite | 62.50 | 4.38 | 0.94 | 1.41 | 17.2 | 17.17 |
| Powder river basin coal | 65.80 | 4.88 | 0.86 | 1.00 | 16.2 | 26.44 |
| Anthracite | 83.70 | 1.90 | 0.90 | 0.70 | 10.5 | 27.66 |
| Pet coke | 82.00 | 0.50 | 0.70 | 0.80 | 10.0 | 28.38 |
| HDPE * | 86.20 | 9.55 | 0.16 | 0.005 | 4.09 | 46.13 |
| LDPE ** | 85.07 | 14.27 | 0.16 | 0.005 | 0.49 | 46.08 |
| PP *** | 85.41 | 14.37 | 0.18 | 0.005 | 0.04 | 46.22 |
| PS **** | 91.85 | 8.06 | 0.14 | 0.005 | 0.17 | 41.67 |
| Analysis | Target | Equipment | Method |
|---|---|---|---|
| Elemental analysis | C, H, N, S | EA 1112 (Thermo Fisher Scientific) | * ASTM D 5373 |
| Proximate analysis | Moisture, Volatile, Fixed carbon, Ash | TGA-701 (LECO) | ASTM D 3172 |
| Heating value analysis | Higher heating value | AC-600 (LECO) | ASTM D 4809 |
| Thermogravimetric analysis | Weight changing by temperature | TGA-701 (LECO) | ASTM E 1131 |
| Parameter | Unit | Condition |
|---|---|---|
| Feedstock | - | Sawdust, fluff SRF, coal |
| Temperature | °C | 900 |
| Gasifier type | - | Downdraft fixed bed |
| ER | - | 0.2, 0.4, 0.6 |
| Feeding rate | g/min | 1 |
| Particle size | mm | <10 |
| Gasification agent | - | Air |
| Analysis | Target | Sawdust | Fluff SRF | Coal |
|---|---|---|---|---|
| Elemental analysis a (wt.%) | C | 45.66 | 51.81 | 64.66 |
| H | 5.81 | 7.68 | 4.35 | |
| N | 0.11 | 0.07 | 1.15 | |
| O | 47.23 | 30.83 | 11.64 | |
| S | ND | 0.07 | 0.59 | |
| Proximate analysis b (wt.%) | Moisture | 3.19 | 18.67 | 4.08 |
| Volatile | 78.57 | 70.88 | 34.40 | |
| Fixed carbon | 17.09 | 2.94 | 50.59 | |
| Ash | 1.15 | 7.51 | 10.93 | |
| Lower heating value b (MJ/kg) | Instrument | 14.73 | 16.02 | 26.92 |
| Dulong’s equation | 14.28 | 15.55 | 25.18 |
Publisher’s Note: MDPI stays neutral with regard to jurisdictional claims in published maps and institutional affiliations. |
© 2020 by the authors. Licensee MDPI, Basel, Switzerland. This article is an open access article distributed under the terms and conditions of the Creative Commons Attribution (CC BY) license (http://creativecommons.org/licenses/by/4.0/).
Share and Cite
Lee, S.Y.; Alam, M.T.; Han, G.H.; Choi, D.H.; Park, S.W. Gasification Applicability of Korean Municipal Waste Derived Solid Fuel: A Comparative Study. Processes 2020, 8, 1375. https://doi.org/10.3390/pr8111375
Lee SY, Alam MT, Han GH, Choi DH, Park SW. Gasification Applicability of Korean Municipal Waste Derived Solid Fuel: A Comparative Study. Processes. 2020; 8(11):1375. https://doi.org/10.3390/pr8111375
Chicago/Turabian StyleLee, Sang Yeop, Md Tanvir Alam, Gun Ho Han, Dong Hyuk Choi, and Se Won Park. 2020. "Gasification Applicability of Korean Municipal Waste Derived Solid Fuel: A Comparative Study" Processes 8, no. 11: 1375. https://doi.org/10.3390/pr8111375
APA StyleLee, S. Y., Alam, M. T., Han, G. H., Choi, D. H., & Park, S. W. (2020). Gasification Applicability of Korean Municipal Waste Derived Solid Fuel: A Comparative Study. Processes, 8(11), 1375. https://doi.org/10.3390/pr8111375

