Next Article in Journal
Quantitative Mechanisms of Long-Term Drilling-Fluid–Coal Interaction and Strength Deterioration in Deep CBM Formations
Next Article in Special Issue
AMT Microjets Data Overall Evaluation Ratio at Different Operating Regimes
Previous Article in Journal
Polymer Template Selection for 1D Metal Oxide Gas Sensors: A Review
Previous Article in Special Issue
Modeling of the Mutual Placement of Thermoanemometer Sensors on a Flat Surface of an Air Flow
 
 
Font Type:
Arial Georgia Verdana
Font Size:
Aa Aa Aa
Line Spacing:
Column Width:
Background:
Article

Improving Combined Cycle Performance with Pressure Gain Combustion in the Gas Turbine

Dipartimento di Energia, Politecnico di Milano, Via Lambruschini 4-A, 20156 Milano, Italy
*
Author to whom correspondence should be addressed.
Processes 2025, 13(10), 3181; https://doi.org/10.3390/pr13103181
Submission received: 16 September 2025 / Revised: 30 September 2025 / Accepted: 2 October 2025 / Published: 7 October 2025
(This article belongs to the Special Issue Fluid Dynamics and Thermodynamic Studies in Gas Turbine)

Abstract

Pressure Gain Combustion (PGC) is an interesting emerging concept to enhance the performance of gas turbines currently based on the Brayton–Joule cycle. Focusing on a F-class gas turbine for land-based power generation, the current work investigates PGC potential in both simple and combined cycle operations by means of an in-house simulation software. The PGC cycle lay-out specifically includes a booster compressor for delivering cooling air to the blades at the first stage of the gas turbine expander. The effects of different amounts of air from the same booster to the PGC system for cooling requirements are also analyzed. Considering reasonable PGC values based on literature data, the efficiency of the gas turbine simple cycle rises by 2.85–3.40 percentage points in the case of no combustor cooling, or 1.85–2.25 percentage points for the most extensive cooling at the combustor, compared to the reference case. The combined cycle efficiency increases too, despite the almost equal power generation at the bottoming steam cycle. Ultimately, a revised parametric analysis with reduced efficiency at the first stage of the gas turbine expander is carried out as well to account for the losses induced by the PGC on the fluid dynamics of the expansion. In this new scenario, the risk of nullifying the advantages related to PGC is real, because of specific combinations of lower expansion efficiency at the gas turbine expander and extensive cooling at the combustor. Thus, better turbine design and effective thermal management at the combustor are fundamental to achieve the highest efficiency.

1. Introduction

The gas turbine (GT)-based combined cycle (CC) is the most efficient and cleanest technology among the fossil fuel-fired power generation systems. In particular, gas turbines are expected to play a significant role in the medium-term future of the energy mix as governments continue to pursue decarbonization while balancing the demands between a coal-fired past and a renewable-based future.
From a theoretical point of view, the gas turbine is a particular internal combustion engine based on the Brayton–Joule cycle according to four thermodynamic processes: (i) air compression, (ii) constant pressure combustion, (iii) gas expansion, and (iv) heat rejection. GT technology evolution has been largely driven by turbine inlet temperature (TIT) and pressure ratio, so efficiency values for current state-of-the-art heavy-duty gas turbines up to around 43% and 64% are possible in simple cycle and combined cycle, respectively [1,2,3]. However, the steady performance increase over the last decades is rapidly approaching a plateau considering the current state of the art of around 1600 °C for TIT and 24 for pressure ratio. Considering TIT increases at an average rate of 20 °C per year, while the allowable superalloy material temperature increases only at 8 °C per year [4], advanced materials and innovative cooling systems are required for stable and prolonged operation of the next generation of gas turbines, targeting TIT up to 1700 °C. On the other hand, higher and higher TITs are challenging because of the manufacturability of hot gas path parts for efficient film cooling, superalloy capabilities, and even ceramic matrix composites. In addition, the corresponding onus on Dry-Low-NOx combustor technology should not be neglected.
Instead of the above-mentioned pathway of ever-increasing hot gas temperatures, fixing the fundamental deficiency of the Brayton–Joule cycle by reducing the cycle heat addition irreversibility is another possible approach. As a matter of fact, the conventional isobaric combustion process is a significant loss source. Multiple heat addition steps in series, as realized in commercial gas turbine units with “sequential combustion”, i.e., the reheat concept [5], as well as the use of a combustor capable of generating a stagnation pressure increase are two possible options. In particular, the latter is an alternative technology of a new combustion process, combining heat addition and pressure rise, which contrasts with the conventional Brayton–Joule cycle that operates at constant pressure. Figure 1 shows an elementary GT cycle on the temperature-entropy plane. It is clear from the schematic that a combustion-driven pressure gain results, for a prescribed maximum cycle temperature, in a potential for an increased network output, with a resultant reduction in specific fuel consumption. Looking at Figure 1, the benefit of pressure gain combustion (PGC) is associated with the reduced production of entropy during the combustion process compared to conventional constant pressure combustion. In addition, pressure gain combustion can reduce exhaust heat losses. As a matter of fact, the increased turbine inlet pressure, and thus the turbine expansion ratio, lowers the exhaust temperature.

1.1. Potential for Pressure Gain Combustion in Gas Turbines

The potential benefit of applying pressure gain combustion technology to gas turbines has been investigated by several researchers. Focusing on both the ideal Humphrey and Zel’dovich-von Neumann-Doring (ZND) cycles, Heiser and Pratt [6] theoretically demonstrated that, for a constant heat addition, the higher cycle efficiency of PGC cycles is due to higher enthalpy at combustor outlet and reduced entropy generation. In addition, the advantage of PGC is higher at lower cycle pressure ratios. However, the calculation assumptions of Heiser and Pratt [6] are questionable, as they (i) neglected the intermittency of PGC heat addition, (ii) assumed perfect gases with constant specific heat, and (iii) calculated work extraction from the maximum cycle temperature, leading to an optimistic analysis. More suitable PGC models were proposed and presented by other researchers [7,8,9,10,11,12,13], based on the assumption that the kinetic energy at combustor exit is not thoroughly available for work transfer in the turbine. However, the performance results of these models differ from each other [14,15]. This can be explained by applied simplifications and different underlying technical realizations of PGC (wave rotor, shockless explosion combustion, pulsed detonation combustion, radial detonation combustion).
Dealing with the integration of pressure gain combustion into a gas turbine using realistic side conditions, there are lots of studies in the technical literature. Neumann and Peitsch [15] presented comprehensive optimization studies for pressure gain combustion in advanced thermodynamic cycles with intercooling and recuperation. The objective of their studies was to quantify the possible potential of a specific gas turbine layout, as well as to identify promising gas turbine designs for optimum thermal efficiency. Xisto et al. [16] proposed a PGC model integrated within a gas turbine simulation tool to support the development of novel aircraft engine architectures by exploiting the synergies between intercooling, aftercooling, and pulse detonation combustion. The proposed engine architectures were based on a reference high bypass ratio geared-turbofan engine model. Sousa et al. [17] developed a numerical tool for modeling gas turbines equipped with rotating detonation combustors. In detail, the combustor model consisted of an iterative procedure to predict the injection velocity for a stabilized spinning of the detonation front with the corresponding refilling process. The approach characterized the reaction zone with the 1-D ZND theory, while the subsequent post detonation flow was solved with a 2-D method of characteristics solver. A new design philosophy for the turbine was required, ensuring first the starting of the supersonic passage, then computing the power extraction and the outlet conditions using 1-D analysis, velocity triangles, and new loss correlations. Focusing on the Humphrey gas turbine cycle, the effects of excursions from ideal constant volume combustion on the cycle and its thermal efficiency were explored by Stathopoulos [18]. The impact of an additional compressor for delivering cooling air to the first turbine stage was included in the analysis and efficiency reductions in the first turbine stage were also accounted for. Further studies on the Humphrey cycle were oriented to investigate different architectures, namely steam injected [19] and recuperated [20], as well as the effect of fuel type, specifically hydrogen and dimethyl ether, on cycle efficiency [21].
Pressure gain combustion is an interesting technology also for gas turbines in combined cycle layout. Based on fundamental considerations and heat and mass balances, Gulen [22] showed that more than 65% of net thermal efficiency is readily achievable with TITs well below that of nowadays state-of-the-art units. More recently, efficiency improvements for PGC gas turbine combined cycles compared to conventional combined cycles have been reported by Dubey et al. [23], based on different configurations of the heat recovery steam generator, including one pressure level without reheat, two pressure levels with reheat and three pressure levels with reheat. Further thermodynamic analyses of the gas turbine combined cycle equipped with rotating detonation combustion have been proposed by Dubey et al. [24], also including gas turbine blade cooling integrated with the bottoming cycle [25].

1.2. Aim and Novelty of the Work

The present work deals with pressure gain combustion applied to a gas turbine in combined cycle layout. In detail, referring to a large-size F-class gas turbine for land-based power generation as the reference case, this work investigates the effects of pressure gain combustion as a solution to reduce the load at the compressor. Differently from the schematic cycle shown in Figure 1, the compressor pressure ratio is not fixed and depends on the pressure gain at the combustor. The calculations are performed by simulating the GT expander with almost the same assumptions as the reference case (see Figure 2). Such a choice, rather than increasing the turbine inlet pressure at the same compressor pressure ratio as schematized in Figure 1, is justified for two main reasons.
  • Feasibility: the GT expander operates under the same conditions as the reference power plant, simplifying implementation. In a multi-stage axial compressor, typical of gas turbine engines, achieving a lower pressure ratio is straightforward by eliminating one or more high-pressure stages.
  • Maximum efficiency in combined cycle mode: assuming a fixed TIT, increasing the turbine inlet pressure reduces the turbine outlet temperature (TOT). While this improves the efficiency of a simple GT cycle, it is detrimental to a combined cycle, since the latter benefits from converting the heat released in the gas turbine exhaust into work. Typically, the efficiency of a combined cycle is optimized at the pressure ratio that maximizes the specific work of the gas turbine, which is typical in single-shaft heavy-duty gas turbine design.
Reducing the pressure ratio of the compressor because of the pressure gain at the combustor requires the introduction of an air boosting system to properly feed, at the right pressure level, the blade cooling circuits at the GT expander. In addition, when dealing with advanced gas turbine systems, thermal load management is not limited to turbine blade cooling only, since also combustor walls, disks, and external casing require extensive cooling. Although thermal loads in PGC devices are potentially manageable, their impact on performance may be serious. Paxson and Perkins [26] formerly indicated that nearly one half of the ideally possible specific fuel consumption reduction may be lost due to cooling. However, based on the authors’ knowledge of open literature about PGC cycle studies, Purushothaman et al. [27] are the only researchers who attempted to include the problem of combustor cooling into cycle simulations of gas turbine layouts with pressure gain combustion. As a matter of fact, they assumed a fixed fraction of air delivered by the booster to the combustor of a PGC gas turbine for propulsion applications. On the other hand, an original parametric analysis of the amount of coolant to the combustor is carried out in the current work, in order to present a better assessment of the effects of thermal management on the overall PGC cycle performance. Ultimately, based on the open literature about supersonic turbines downstream of a rotating detonation combustor [28,29,30,31], the parametric analysis of the PGC cycles is revised after taking a reduced efficiency of the first stage of the GT expander into account.

2. Combined Cycle Modeling

The power cycles investigated in this work are simulated by using a proprietary software developed by the Gecos Group at Politecnico di Milano, known as GS (‘Gas Steam’). GS is a modular simulation software designed for assessing the energy balance at the design point of various plant configurations [32,33,34,35,36,37], representing them as networks of components, including expanders, combustors, compressors, heat exchangers, mixers, splitters, etc. The software iteratively solves the mass, energy balances, and constitutive equations of each component until the design specifications imposed by the user are met, reaching stable convergence. While extensive explanations and validations of the simulation software can be found in previous works from the research group [32,38], this section provides an overview of its main features.
The GS software adopts the ideal gas model for all gas mixtures and assumes a 0-D model for the compressor, where the average polytropic efficiency is evaluated based on the size parameter. The combustor is modeled as a full conversion reactor, ensuring the complete combustion of fuel species into H2O and CO2. The cooled expander, a component with a significant impact on modern gas turbine performance, is modeled using the 1-D approach proposed by Chiesa and Macchi [32]. This model enables the calculation, row by row, of geometric, aerodynamic, and thermodynamic characteristics of the streams and incorporates a physical approach to model the cooling system. Film cooling, enhanced heat transfer surfaces (ribs), and Thermal Barrier Coating (TBC) are also considered in the model. The GS software is, therefore, able to correctly evaluate the heat transfer phenomena that occur following the modification of the composition of the working fluid, making consistent estimates on the mass and energy balance of the gas turbine. As documented in previous works [32,38,39], the turbine model has been validated for various commercial advanced large-size heavy-duty gas turbines.
For evaluating the performance of PGC cycles, the study focuses on F-class gas turbines. Actually, gas turbines of less recent classes persist in the market because, benefitting from technological improvements, they offer reliable solutions for lower power capacity compared to the advanced classes. Although these machines are less efficient than the most recent H-class gas turbines, they are potential candidates for the introduction of PGC technology because of the following:
  • The benefits of implementing PGC are proportionally more significant in less efficient reference cycles [17];
  • The established reliability of these machines makes them well-suited to accommodating changes to standard configuration.
It is essential for the purpose of the current work that simulations predict accurately the performance of both gas turbines and combined cycles. In detail, reference to five commercial gas turbines of three different manufacturers, namely Ansaldo Energia, GE Vernova and Siemens Energy, as listed in Table 1, is made. Design parameters and performance specs are taken from the Gas Turbine World Handbook [40] and checked against websites of the respective manufacturers. The current approach for the calibration of the gas turbine model is the same as already adopted in a previous work [32]. All the parameters included in the gas turbine model have been divided in two sets. The first set includes parameters fixed according to the authors’ best knowledge (see Appendix A). On the other hand, there are parameters that are not usually declared by the manufacturers, such as the turbine inlet temperature. In particular, this parameter has been varied to match the TOT. In detail, GS simulations were run by imposing the number of turbine stages, pressure ratio, and exhaust mass flow rate.
Results of the validation are summarized in Figure 3 and Figure 4 that provide the percentage deviation between GS estimation and manufacturers data for power output and efficiency in simple and combined cycle operations, respectively. Dots in the figures are randomly scattered around the zero value to conclude that the sets of assumptions allow a realistic description of the technological level of the F-class gas turbines.
Figure 5 shows the turbine inlet temperature (TIT), i.e., the total temperature of the gas at the inlet of the first GT expander rotor, to match the outlet temperature declared by manufacturers. In particular, an average value of 1430 °C has been assumed to be representative of the F-class technology. Such a TIT, along with the main design parameters reported in Table 2, have been used to assess the GT performance in both simple and combined cycle operations and adopted as reference in the current work.
Assuming that the pressure at the inlet of the GT expander remains unchanged compared to the reference case, the performance of a combined cycle with pressure gain combustion in the gas turbine is evaluated. Thus, PGC potential is accounted for by reducing the pressure ratio of the compressor (see Figure 2).
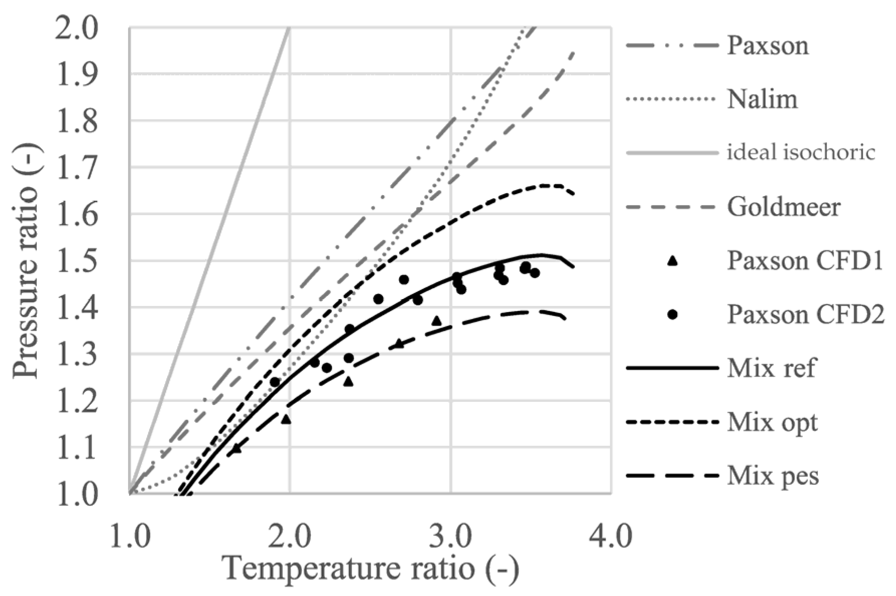
From a computational standpoint, rotating detonation combustion is modeled as a device that increases flow pressure while maintaining the enthalpy balance of the component. The main challenge for steady state performance simulations is to infer the combustor pressure ratio, which lies between a purely isobaric and ideal isochoric change in state [14]. Actually, the results of a parametric analysis of different pressure gain values are presented in the next section, since the current work does not integrate a specific modeling of the PGC system into the power cycle simulation tool. In detail, reference is made to Figure 6, where pressure ratio vs. temperature ratio in the PGC system is reported according to a few models, including the results of the ‘Mix’ model by Neumann et al. [14,15], matching data published by Paxson [11]. Both pessimistic and optimistic versions for the ‘Mix’ model proposed by Neumann et al. [14,15] are also included in Figure 6, suggesting to set the limit pressure gain value for the next parametric analysis at 65%.
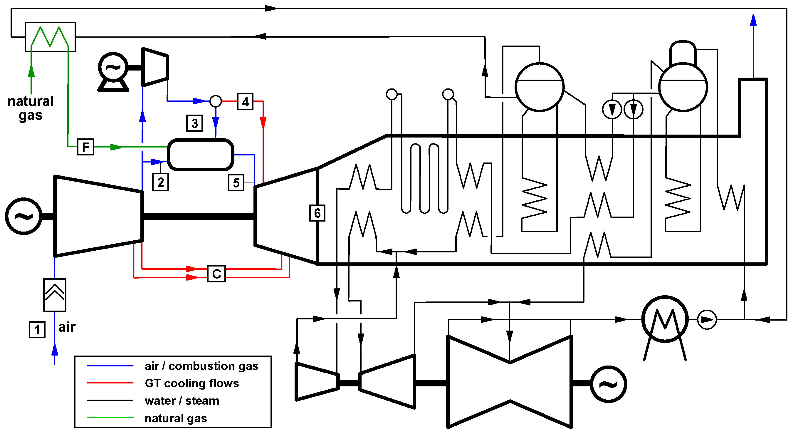
The pressure increase achieved in the PGC system necessitates modifications compared to traditional systems, as illustrated in the plant flow diagram in Figure 7. The air pressure at the main compressor outlet is insufficient for cooling the hottest sections of the GT expander. Consequently, a booster compressor is introduced to elevate this flow (denoted as #4 in Figure 7) to an adequate pressure. This pressure is assumed to be equal to 19.11 bar throughout the simulations, matching the compressor outlet pressure of the reference GT cycle. An isentropic efficiency of 80% is considered for the booster compressor, regardless of its size and pressure ratio.
The flow processed by the booster compressor also includes an additional portion (stream #3 in Figure 7) for ensuring the cooling of the combustor. This stream is necessary for a technical reason and eventually mixes with the main stream. As a matter of fact, diluting the main flow rate is necessary to reduce the temperature at the exit of the rotating detonation combustion and to align it with the target TIT. According to a constant TIT, the temperature at the exit of the rotating detonation combustion rises in case of larger dilution flow rates. This potentially enhances the pressure gain, which rises with the temperature ratio in the combustion process (see Figure 6).
From a computational standpoint, the specific mass flow rate of stream #4 in Figure 7 is calculated based on the cooling requirements at the nozzle of the first stage of the GT expander, with the same approach adopted for the reference case (conventional gas turbine) [32], whereas stream #3 depends on the cooling requirements of the combustor. In particular, four cases are analyzed in the following: the first with no cooling at the combustor, as already investigated by other researchers [15,16,17,18,19,20,21,22,23,24,25], who considered only turbine blade cooling, and three cases with increasing air flow rate as reported in Table 3. In detail, the parametric analysis considers air flow rate for combustor cooling up to a value of 30% as the fraction of overall air entering the PGC system, i.e., stream #2 plus stream #3.

3. Results and Discussion

The results of the PGC cycles are presented in this section starting from the topping cycle, i.e., the gas turbine exploiting PGC technology.
Figure 8 shows power output for five cases, namely the reference F-class gas turbine with deflagrative combustion and four PGC cycles with different amounts of coolant to the combustor (see Table 3). Regardless of the pressure gain value, the potential of PGC technology is clear and the trends are justified by considering that the higher the pressure gain during combustion, the lower the load of the main compressor (see Figure 2). However, the higher the pressure gain, the heavier the duty of the air booster, though this is not seriously detrimental to overall GT performance.
When looking at Figure 8 for high pressure gains, improvements in GT performance are initially clear, then a singularity is significant for PG higher than 45%. Based on the calculation assumptions for the GT expander, almost around 650 MW of gross power is calculated, so attention is to be paid to the duties of the two compressors. Figure 9 shows the higher the pressure gain, the lower the power required by the main compressor, as expected. In detail, the pressure ratio of the main compressor results as low as 11.9 in the case with PG = 55% but, for this specific case, the air pressure at the outlet of the main compressor is not sufficient for cooling the rotor blades at the first stage of the GT expander. As a matter of fact, the cooling air experiences pressure drops through the channels inside the blades, so the resulting pressure before mixing with the main gas stream in the GT expander may be lower than the pressure of the main gas stream. In the case with PG = 55%, the booster compressor must supply high-pressure air for blade cooling not only to the first stator but also to the first rotor of the GT expander. These considerations may be obviously repeated for PG = 65%. Thus, a steeper increase in compression power for the air booster is calculated when switching from PG = 45% to PG = 55% because of delivering cooling air also for the rotor blades at the first stage of the GT expander. This result is evident whether the booster delivers air only for blade cooling or whether it also delivers air for combustor cooling.
The calculated temperature ratio (TR) values at the combustor span in the ranges 2.77–3.33 and 2.82–3.40 for pressure gains of 35% and 45%, respectively. The lower TR value refers to case 0c, whereas the higher TR value refers to case 30c, then it is possible to draw an horizontal segment in Figure 6 and realize if the corresponding PG value is sufficiently reasonable based on those literature models. According to the results in Figure 6, it is possible to realize that 35% and especially 45% are reasonable pressure gains that seriously improve the performance of the gas turbine with an extra power generation compared to the reference case. This result is achieved mainly thanks to compression power saving: even considering the most severe case (30c) in Figure 8, around 35 MW more than the reference gas turbine are possible. However, based on the results in Figure 8, the PGC advantage could be even more optimistic. According to the calorimetry tests on a water-cooled rotating detonation engine (RDE) by Theuerkauf et al. [41], the heat transferred to the combustor walls was 8–15% of fuel LHV. An air-cooled design was even proposed by Naples et al. [42] for a rotating detonation engine developed and deployed into an Allison T63 gas turbine environment. Through various heat transfer models and hot wall tests, heat transfer rates in the air-cooled RDE system were lower than in water-cooled RDE, due to reduced temperature differential between the detonation gases and channel walls. In this regard, the air flow rate processed by the booster as stream #3 in Figure 7 to the combustor serves for wall cooling as well as for combustion gas dilution. The larger this flow rate, the higher the temperature ratio at the combustor (see Figure 6), which is convenient to increase the pressure gain but penalizing for the heavier duty of the booster. Considering the amount of air related to stream #3 for cases 10c and 20c in Figure 8, as well as the final temperature of stream #5 exiting the combustor, an overall heat transfer is calculated as 8.24% and 16.60% of the fuel LHV, respectively. These values for the overall heat exchange are calculated based on the product of the mass flow rate delivered by the booster and the air enthalpy rise up to the combustor outlet temperature. The related heat for case 30c is even higher, as 25.85% of the fuel LHV. These figures are reported to highlight the heat duty related to the cases included in Table 3, even though a correspondence with other studies [41,42] may be misleading as the current calculations for stream #3 include both combustor cooling and combustion gas dilution.
Before considering and realizing the advantage in terms of GT efficiency, Table 4, Table 5 and Table 6 report details of the main streams in Figure 7 regarding the gas turbine. Three specific cases are considered, namely the reference gas turbine, for due comparison, as well as two PGC cycle cases, (PGC set at 45%): one without cooling air to the combustor (case 0c) and another with the most extensive cooling (case 30c). Looking at the results in these three tables, the following differences are worth of attention.
  • The air booster has to process a significant flow rate in case 30c, since it is more than 5 times larger than in case 0c. The procedure for centrifugal compressor preliminary sizing proposed by Aungier [43] is adopted in order to have an idea of the driving speed and the dimensions of this turbomachinery. Looking at the data in Table 6 for case 0c, a single-stage centrifugal compressor running at around 9000 rpm and with an impeller diameter of ≈77 cm is a possible architecture. On the other hand, by dividing the entire flow rate to be processed in half, a double entry centrifugal compressor running at around 5500 rpm and with an impeller diameter of ≈125 cm is a possible architecture for case 30c. Actually, a single-entry solution is always possible but considering the large flow rate specific of case 30c, a mixed-flow architecture is necessary, with an impeller diameter of ≈70 cm running at around 11,500 rpm.
  • Stream #4 is extracted at the compressor outlet for the reference GT case, so temperature and pressure are the same as for stream #2. As for cases 0c and 30c, the temperature is slightly higher due to the lower efficiency of the air booster compared to the last stages of the main compressor in the reference case.
  • The air stream delivered by the main compressor for both cases 0C and 30c is colder than in the reference case, due to the lower pressure ratio. Thus, a slightly larger fuel input is necessary for the same energy balance at the combustor with the fixed TIT at the GT expander. In this sense, the GS software returns really slight differences for stream #5 at the inlet of the GT expander as for mass flow rate and composition.
  • Stream #6 also accounts for air leakages at the main compressor.
In detail, because of the fuel input generally increasing with the PG value, an elementary difference in power outputs as shown in Figure 8 may be misleading for a fair comparison between the investigated cycles. Thus, the calculated GT efficiency values, correctly taking the actual fuel demand into account, are reported in Figure 10, where trends similar to the ones for GT power in Figure 8 are clear.
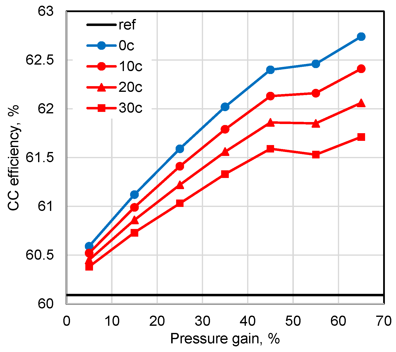
Focusing on the combined cycle results, Figure 11 shows the same trend anticipated in Figure 10. As a matter of fact, based on the calculation assumptions for the GT expander, the power output at the bottoming cycle is almost unchanged. Thus, focusing on a PG value of 45%, an extra power output in the range of around 35–55 MW is calculated, depending on the amount of coolant for combustor cooling, and available at the gas turbine shaft. The calculated net efficiency obviously rises, but the advantages compared to the gas turbine only are reduced: a difference of 1.4–2.3% in the case of PG = 45% is clear compared to the reference case.
In order to look at the potential advantages of pressure gain combustion for gas turbines and combined cycles from a second law of thermodynamics point of view, exergy losses are also calculated by means of the GS software. In detail, results of exergy losses referring to the cases 0c and 30c with PGC equal to 35% and 45% are reported and compared to the reference case in Table 7.
As expected, the exergy losses related to the combustion process are the largest for all the power cycles, but the ones for the PGC cycle cases are always lower compared to the reference case. In particular, results in Table 7 highlight that higher pressure gains reduce the exergy losses related to combustion. The effects of air flow rates for combustor cooling in the PGC cycle cases are clear with slight variations throughout all the exergy losses, even though the same loss is calculated for the exergy rate at the gas stream exiting the heat recovery steam generator.
The accuracy of the PGC GT cycle analysis depends largely on the degree of the assumptions in the modeling stage. Thus, as long as the calculation assumptions are the ones adopted in this analysis, results in Figure 8, Figure 9, Figure 10 and Figure 11 as well as Table 7 highlight PGC technology is an effective solution for raising gas turbine performance, then also for combined cycles.
When referring to the rotating detonation engine as a solution for realizing the PGC concept, a detonation wave rotates and propagates around the perimeter of an annular combustion chamber to achieve the pressure increase. However, conventionally designed turbines are inadequate to expand the transonic/supersonic and fluctuating gas stream exiting such a PGC system. In this context, a transition duct connecting the combustor to the first stage of the GT expander would allow for a more efficient expansion [45,46,47], even though the design of an efficient turbine is a very complex task [28,29,30,31]. In particular, based on a preliminary design of a supersonic turbine, Mushtaq et al. [30,31] revealed that expansion efficiency values over 70% are possible. In detail, a variable stator blade height design allows choosing lower reaction degree and higher peripheral velocity designs [30]. Opposite to common subsonic turbine design, the lower the reaction the higher the efficiency, as the result of a reduction in rotor shock losses backed by a higher work generation when the reaction degree is lowered. In order to highlight that a variable blade height geometry, compared to a constant-span configuration, is necessary to guarantee a higher efficiency, an in-house code was adopted to search for the optimal endwall shape for these unconventional machines [31]. Actually, the optimal shape reduces shock losses and deviation angles and provides a significant gain in both efficiency and work extraction.
Actually, referring to other works about thermodynamic analysis of gas turbine combined cycles with pressure gain combustion [18,23], there is evidence of considering reduced efficiency for the first stage of the GT expander. On the other hand, further efficiency reductions in the second and next stages of the GT expander can be neglected, as the pulsations from the PGC system outlet are mostly attenuated within the first expansion stage [48,49]. Thus, new simulations have been run in order to take reduced efficiency at the GT expander into account. In detail, the cooled GT expander modeling in the GS software has been revised to introduce a fixed penalty: compared to the isentropic efficiency value (90.55%) of the first stage, as calculated for the F-class gas turbine assumed as reference case, a reduction down to 70% has been set.
Based on the previous results shown in Figure 8, power output improvements for the gas turbine may be a misleading result, as slightly larger fuel amounts are necessary for the PGC cycle cases compared to the reference, so attention should be paid to other performance figures. In particular, Figure 12 shows the new calculated GT efficiency for the PGC cycles in the case of a penalty in the efficiency of the first stage of the GT expander. Three amounts of coolant at the combustor are always considered, along with a PGC cycle case with no coolant to the combustor. In detail, when considering the reduced efficiency at the first stage of the GT expander (70% vs. 90.55%) and referring to a PG value of 35–45%, a first glance at Figure 12 suggests no actual GT efficiency improvement compared to the reference case when an extensively large cooling at the PGC system is necessary. This result clearly suggests not only further research efforts oriented to turbine design for the highest possible efficiency, but also solutions of effective cooling techniques for reducing the heat transfer to the combustor walls substantially [50]. As a matter of fact, based on the results in Figure 12, the combination of lower expansion efficiency at the GT expander with extensive cooling requirements at the combustor risks nullifying the potential advantages of PGC.
In regard to the overall CC performance in terms of net electric efficiency, Figure 13 shows the ultimate results of the new revised analysis. Compared to the efficiency of the gas turbine only, slight improvements seem to be possible for the CC power plant. As a matter of fact, the temperature of the gas at the inlet of the heat recovery steam generator rises from around 600 °C up to around 615 °C because of the reduced efficiency at the first stage of the GT expander. This result, along with the constant gas flow rate (750 kg/s), reflects on slightly higher power generation for the bottoming cycle. In particular, with a PG value of 45% and a coolant to the combustor at 30%, the reduced efficiency at the first stage of the GT expander brings about a CC power output of 519.8 MW, compared to 494.6 MW of the reference CC case.
Ultimately, a general overview of the overall power balance for a few representative cases selected among the ones calculated in this work is reported in Table 8. As discussed throughout this paragraph, reference to two values of PGC at 35% and 45% is made, considered as the most significant according to Figure 6, including the two extreme cases in Table 3, namely cases 0c and 30c, as well as reduced expansion efficiency at the first stage of the GT expander. In these authors’ opinions, these cases are reasonably indicative in outlining the perimeter of the possible advantages of PGC technology applied to F-class gas turbines, compared to the conventional constant pressure combustion case.

4. Conclusions

This work has presented the results of a parametric analysis of pressure gain combustion applied to a F-class gas turbine for power generation.
The potential of pressure gain combustion for both simple cycle and combined cycle operations has been investigated initially by including the effects of different amounts of air from the booster to the PGC system. Actually, no other work in the open literature about thermodynamic analysis of PGC power cycles has paid the same attention on the effects of thermal management of the combustor, so the results presented in the current work are original. Even considering the most extensive cooling requirements, the GT efficiency increases by 1.85–2.25 percentage points compared to the reference gas turbine in case of pressure gains of 35–45%. However, the CC efficiency improvement is lower, with only 1.25–1.50 more percentage points, mainly related to the almost equal power generation of the bottoming steam cycle.
A revised parametric analysis with more realistic performance of the first stage of the gas turbine expander downstream of the PGC system has been carried out as well. As a matter of fact, a poor turbine efficiency due to the pulsating flow at the PGC system outlet may completely eliminate the ideal performance advantages of pressure gain combustion. In particular, the new results show that the risk of nullifying the potential advantages of pressure gain combustion is real in case of specific combinations of lower expansion efficiency at the gas turbine expander with extensive cooling requirements at the combustor. Focusing on the latter, it is worth underling that the thermal management in PGC combined cycles may be easier than in aero-engine applications, due to steam extraction from the bottoming cycle for, at least, combustor cooling. Actually, steam (i) has superior heat exchange properties compared to air, (ii) is available from the heat recovery steam generator at lower temperatures than air, (iii) can reduce the cooling requirements and coolant pressure loss, and (iv) the recovered heat from cooling can be used to increase the steam turbine power output. Thus, further analyses in the near future are necessary to investigate the effects of such an alternative cooling solution, along with the application of pressure gain combustion to more advanced state-of-the-art gas turbines. However, investigations about possible improvements in the power system are seriously contingent upon the risks related to the PGC technology. As reported in technical literature, particular attention must be paid to the combustion system, due to the challenges in controlling unsteady combustion, potential for noise, vibration, and component fatigue, along with its proper connection with the gas turbine expander for achieving the highest possible efficiency.

Author Contributions

Conceptualization, A.G. and P.C.; methodology, A.G.; software, P.C.; validation, P.C.; formal analysis, A.G.; investigation, A.G.; data curation, A.G.; writing—original draft preparation, A.G.; writing—review and editing, P.C.; visualization, A.G.; supervision, P.C.; funding acquisition, A.G. and P.C. All authors have read and agreed to the published version of the manuscript.

Funding

This work has been developed within the project EnaTech-RDE (Enabling Technologies for Turbine Design in CO2-Free Rotating Detonation Engines). The project has received funding from the Italian Ministry of University and Research (MUR), as research project of significant national interest PRIN 2022 no. 2022BW9SHS. This study was partly carried out within the NEST—Network 4 Energy Sustainable Transition (D.D. 1243 02/08/2022, PE00000021) and received funding under the National Recovery and Resilience Plan (NRRP), Mission 4 Component 2 Investment 1.3, funded from the European Union—NextGenerationEU. This manuscript reflects only the authors’ views and opinions, neither the European Union nor the European Commission can be considered responsible for them.

Data Availability Statement

The original contributions presented in this study are included in the article. Further inquiries can be directed to the corresponding author.

Conflicts of Interest

The authors declare no conflicts of interest.

Abbreviations

The following abbreviations are used in this manuscript:
CCcombined cycle
GTgas turbine
HPhigh-pressure
HRSCheat recovery steam cycle
HRSGheat recovery steam generator
IPintermediate-pressure
LPlow-pressure
mass flow rate
ppressure
PGpressure gain
PGCpressure gain combustion
PRpressure ratio
RDErotary detonation engine
RHre-heat
SPsize parameter
Ttemperature
TBCthermal barrier coating
TITturbine inlet temperature
TOTturbine outlet temperature
TRtemperature ratio
VFRvolumetric flow rate
ZNDZel’dovich-von Neumann-Doring
Δhenthalpy difference
ΔTtemperature difference

Appendix A

This section defines the key general assumptions used throughout the simulations.
The ambient conditions are assumed according to ISO specifications, namely 101,325 Pa, 15 °C (dry bulb ambient temperature) and relative humidity at 60% (the corresponding wet bulb temperature is 10.8 °C).
The following natural gas fuel molar composition and properties have been assumed: 89% CH4, 7% C2H6, 1% C3H8, 0.1% C4H10, 0.01% C5H12, 2% CO2, 0.89% N2, with lower heating value LHV = 46.481 MJ/kg. Natural gas is assumed to be available from the network at 50 bar and 15 °C and is preheated to 220 °C by using boiler feedwater from the IP pressure level.
Table A1 details the main assumptions in the GS software to define the technological level (F-class) of the gas turbine (see Chiesa and Macchi [32] for specific details about the model). The size parameter for turbomachinery, as included in Table A1, is defined as
S P = V F R h i s 0.25
where VFR is the volumetric flow rate at inlet (for compressors) or at outlet (for turbines) and Δhis is the enthalpy rise (for compressors) or drop (for turbines) of the corresponding isentropic process.
Table A1. Main assumptions adopted to define the technological level (F-class) of the gas turbine.
Table A1. Main assumptions adopted to define the technological level (F-class) of the gas turbine.
Compressor polytropic efficiency (SP > 1 m)0.924
Uncooled turbine stage efficiency (SP > 1 m)0.926
Maximum blade height to mean diameter ratio at last stage exhaust0.27
First nozzle maximum blade metal temperature, °C870
First rotor maximum blade metal temperature, °C840
Downstream stators maximum blade metal temperature, °C840
Downstream rotors maximum blade metal temperature, °C810
Blade chord/cooling channel hydraulic diameter (first nozzle)40
Blade chord/cooling channel hydraulic diameter (downstream rows)27
First nozzle film cooling rfc 1 parameter0.33
First rotor film cooling rfc 1 parameter0.22
Second stator film cooling rfc 1 parameter0.11
Second rotor film cooling rfc 1 parameter-
TBC thickness of the first nozzle, mm0.35
TBC thickness of the first rotor, mm0.20
TBC thickness of the second stator, mm0.35
TBC thickness of the second rotor, mm0.2
Maximum ΔT across TBC of the first nozzle, °C200
1 fraction of cooling flow used for film cooling [32].
Table A2 details the main assumptions adopted for the heat recovery steam generator (HRSG), whereas the steam turbine is simulated with a stage-by-stage model [51], where stage efficiency is calculated as a function of its non-dimensional parameters and of the moisture fraction in the low pressure stages.
Table A2. Main assumptions adopted for performance evaluation of the HRSG.
Table A2. Main assumptions adopted for performance evaluation of the HRSG.
Number of pressure levels3 + re-heat
HP level boiler typeonce-through
HP level pressure, bar/temperature, °C166/565
IP level pressure, bar/temperature, °C36/565
LP level pressure, bar/temperature, °C6/300
ΔT approach, °C25
ΔT pinch point, °C9
ΔT subcooling, °C10
HRSG pressure drop, Pa3500
Ultimately, the cooling system of the heat recovery steam cycle (HRSC) relies on a mechanical draft evaporative cooling tower where cooling water is supposed to be available at about 17 °C. Condensation pressure has been set to 0.04 bar (corresponding to a saturation temperature of about 29 °C) by assuming 6 °C cooling range and 6 °C approach ΔT in the condenser.

References

  1. GE Vernova 9HA Gas Turbines. Available online: https://www.gevernova.com/gas-power/products/gas-turbines (accessed on 30 September 2025).
  2. Mitsubishi Power M701JAC Gas Turbine. Available online: https://power.mhi.com/products/gasturbines/lineup/m701j (accessed on 30 September 2025).
  3. Siemens Energy SGT5-9000HL Gas Turbine. Available online: https://www.siemens-energy.com/global/en/home/products-services/product/sgt5-9000hl.html#/ (accessed on 30 September 2025).
  4. Li, L.; Liu, C.L.; Liu, H.Y.; Zhu, H.R.; Luo, J.X. Investigation on Film Cooling Performance of the Compound Hole and Y-Shaped Hole Configurations with the Cross-Flow Coolant Channel. In Proceedings of the ASME Turbo Expo 2018: Turbomachinery Technical Conference and Exposition, Oslo, Norway, 11–15 June 2018. ASME GT2018-76268. [Google Scholar] [CrossRef]
  5. Güthe, F.; Hellat, J.; Flohr, P. The Reheat Concept: The Proven Pathway to Ultralow Emissions and High Efficiency and Flexibility. J. Eng. Gas Turbines Power 2009, 131, 021503. [Google Scholar] [CrossRef]
  6. Heiser, W.H.; Pratt, D.T. Thermodynamic Cycle Analysis of Pulse Detonation Engines. J. Propuls. Power 2002, 18, 68–76. [Google Scholar] [CrossRef]
  7. Nalim, M.R. Thermodynamic Limits of Work and Pressure Gain in Combustion and Evaporation Processes. J. Propuls. Power 2002, 18, 1176–1182. [Google Scholar] [CrossRef]
  8. Endo, T.; Fujiwara, T. A Simplified Analysis on a Pulse Detonation Engine Model. Trans. Jpn. Soc. Aeronaut Space Sci. 2002, 44, 217–222. [Google Scholar] [CrossRef]
  9. Paxson, D.E. Performance Evaluation Method for Ideal Airbreathing Pulse Detonation Engines. J. Propuls. Power 2004, 20, 945–950. [Google Scholar] [CrossRef]
  10. Goldmeer, J.; Tangirala, V.; Dean, A. System-Level Performance Estimation of a Pulse Detonation Based Hybrid Engine. J. Eng. Gas Turbines Power 2008, 130, 011201. [Google Scholar] [CrossRef]
  11. Paxson, D.E. A Simplified Model for Detonation Based Pressure-Gain Combustors. In Proceedings of the 46th AIAA/ASME/SAE/ASEE Joint Propulsion Conference & Exhibit, Nashville, TN, USA, 25–28 July 2010. AIAA 2010-6717. [Google Scholar] [CrossRef]
  12. Paxson, D.E.; Kaemming, T.A. Foundational Performance Analyses of Pressure Gain Combustion Thermodynamic Benefits for Gas Turbines. In Proceedings of the 50th AIAA Aerospace Sciences Meeting including the New Horizons Forum and Aerospace Exposition, Nashville, TN, USA, 9–12 January 2012. AIAA 2012-0770. [Google Scholar] [CrossRef]
  13. Nordeen, C.A.; Schwer, D.; Schauer, F.; Hoke, J.; Barber, T.; Cetegen, B. Thermodynamic Model of a Rotating Detonation Engine. Combust. Explos. Shock Waves 2014, 50, 568–577. [Google Scholar] [CrossRef]
  14. Neumann, N.; Woelki, D.; Peitsch, D. A Comparison of Steady-State Models for Pressure Gain Combustion in Gas Turbine Performance Simulation. In Proceedings of the 2019 Global Power and Propulsion Society, Beijing, China, 16–18 September 2019. [Google Scholar]
  15. Neumann, N.; Peitsch, D. Potentials for Pressure Gain Combustion in Advanced Gas Turbine Cycles. Appl. Sci. 2019, 9, 3211. [Google Scholar] [CrossRef]
  16. Xisto, C.; Ali, F.; Petit, O.; Grönstedt, T.; Rolt, A.; Lundbladh, A. Analytical Model for the Performance Estimation of Pre-Cooled Pulse Detonation Turbofan Engines. In Proceedings of the ASME Turbo Expo 2017: Turbomachinery Technical Conference and Exposition, Charlotte, NC, USA, 26–30 June 2017. ASME GT2017-63776. [Google Scholar] [CrossRef]
  17. Sousa, J.; Paniagua, G.; Collado Morata, E. Thermodynamic Analysis of a Gas Turbine Engine with a Rotating Detonation Combustor. Appl. Energy 2017, 195, 247–256. [Google Scholar] [CrossRef]
  18. Stathopoulos, P. Comprehensive Thermodynamic Analysis of the Humphrey Cycle for Gas Turbines with Pressure Gain Combustion. Energies 2018, 11, 3521. [Google Scholar] [CrossRef]
  19. Stathopoulos, P.; Rahse, T.; Vinkeloe, J.; Djordjevic, N. Steam Injected Humphrey Cycle for Gas Turbines with Pressure Gain Combustion. Energy 2019, 188, 116020. [Google Scholar] [CrossRef]
  20. Stathopoulos, P.; Rahse, T.; Vinkeloe, J.; Djordjevic, N. First Law Thermodynamic Analysis of the Recuperated Humphrey Cycle for Gas Turbines with Pressure Gain Combustion. Energy 2020, 200, 117492. [Google Scholar] [CrossRef]
  21. Stathopoulos, P. An Alternative Architecture of the Humphrey Cycle and the Effect of Fuel Type on its Efficiency. Energy Sci. Eng. 2020, 8, 3702–3716. [Google Scholar] [CrossRef]
  22. Gulen, S.C. Pressure Gain Combustion Advantage in Land-Based Electric Power Generation. J. Glob. Power Propuls. Soc. 2017, 1, 288–302. [Google Scholar] [CrossRef]
  23. Dubey, A.; Sorce, A.; Stathopoulos, P. A Comprehensive Thermodynamic Analysis of Gas Turbine Combined Cycles with Pressure Gain Combustion Based on Humphrey Cycle. J. Eng. Gas Turbines Power 2025, 147, 021013. [Google Scholar] [CrossRef]
  24. Dubey, A.; Varatharajulu Purgunan, G.R.; Bohon, M.D.; Stathopoulos, P.; Sorce, A. A Comprehensive Thermodynamic Performance Analysis of Gas Turbine Combined Cycles with Rotating Detonation Combustion. In Proceedings of the ASME Turbo Expo 2025: Turbomachinery Technical Conference and Exposition, Memphis, TN, USA, 16–20 June 2025. ASME GT2025-153639. [Google Scholar] [CrossRef]
  25. Dubey, A.; Sorce, A.; Massardo, A.F. Efficiency Enhancement in Pressure Gain Combustion Combined Cycle Gas Turbine by Blade Cooling Integration with Bottoming Cycle. J. Turbomach. 2025, 147, 121016. [Google Scholar] [CrossRef]
  26. Paxson, D.E.; Perkins, H.D. Thermal Load Considerations for Detonative Combustion-Based Gas Turbine Engines. In Proceedings of the 40th AIAA/ASME/SAE/ASEE Joint Propulsion Conference and Exhibit, Fort Lauderdale, FL, USA, 11–14 July 2004. AIAA 2004-3396. [Google Scholar] [CrossRef]
  27. Purushothaman, S.; Sorce, A.; Traverso, A.; Gaillard, T. Performance Comparison of Gas Turbine Layouts with Pressure Gain Combustion for Propulsion Applications. In Proceedings of the ASME Turbo Expo 2024: Turbomachinery Technical Conference and Exposition, London, UK, 24–28 June 2024. ASME GT2024-127816. [Google Scholar] [CrossRef]
  28. Paniagua, G.; Iorio, M.C.; Vinha, N.; Sousa, J. Design and Analysis of Pioneering High Supersonic Axial Turbines. Int. J. Mech. Sci. 2014, 89, 65–77. [Google Scholar] [CrossRef]
  29. Liu, Z.; Braun, J.; Paniagua, G. Characterization of a Supersonic Turbine Downstream of a Rotating Detonation Combustor. J. Eng. Gas Turbines Power 2019, 141, 031501. [Google Scholar] [CrossRef]
  30. Mushtaq, N.; Colella, G.; Gaetani, P. Design and Parametric Analysis of a Supersonic Turbine for Rotating Detonation Engine Applications. Int. J. Turbomach. Propul. Power 2022, 7, 1. [Google Scholar] [CrossRef]
  31. Mushtaq, N.; Persico, G.; Gaetani, P. The Role of Endwall Shape Optimization in the Design of Supersonic Turbines for Rotating Detonation Engines. J. Turbomach. 2023, 145, 081015. [Google Scholar] [CrossRef]
  32. Chiesa, P.; Macchi, E. A Thermodynamic Analysis of Different Options to Break 60% Electric Efficiency in Combined Cycle Power Plants. J. Eng. Gas Turbine Power 2004, 126, 770–785. [Google Scholar] [CrossRef]
  33. Giuffrida, A.; Romano, M.C.; Lozza, G.G. Thermodynamic Assessment of IGCC Power Plants with Hot Fuel Gas Desulfurization. Appl. Energy 2010, 87, 3374–3383. [Google Scholar] [CrossRef]
  34. Giuffrida, A.; Romano, M.C.; Lozza, G. Thermodynamic Analysis of Air-Blown Gasification for IGCC Applications. Appl. Energy 2011, 88, 3949–3958. [Google Scholar] [CrossRef]
  35. Moioli, S.; Giuffrida, A.; Romano, M.C.; Pellegrini, L.A.; Lozza, G. Assessment of MDEA Absorption Process for Sequential H2S Removal and CO2 Capture in Air-Blown IGCC Plants. Appl. Energy 2016, 183, 1452–1470. [Google Scholar] [CrossRef]
  36. Cloete, S.; Giuffrida, A.; Romano, M.; Chiesa, P.; Pishahang, M.; Larring, Y. Integration of Chemical Looping Oxygen Production and Chemical Looping Combustion in Integrated Gasification Combined Cycles. Fuel 2018, 220, 725–743. [Google Scholar] [CrossRef]
  37. Cloete, S.; Giuffrida, A.; Romano, M.C.; Zaabout, A. Heat Pump-Driven Adsorption CO2 Capture for Simple and Cost-Effective Retrofits of Coal Power Plants. Appl. Therm. Eng. 2024, 236, 121456. [Google Scholar] [CrossRef]
  38. Martelli, E.; Girardi, M.; Chiesa, P. Breaking 70% Net Electric Combined Cycle Efficiency with CMC Gas Turbine Blades. In Proceedings of the ASME Turbo Expo 2022: Turbomachinery Technical Conference and Exposition, Rotterdam, The Netherlands, 13–17 June 2022. ASME GT2022-81118. [Google Scholar] [CrossRef]
  39. Gazzani, M.; Chiesa, P.; Martelli, E.; Sigali, S.; Brunetti, I. Using Hydrogen as Gas Turbine Fuel: Premixed versus Diffusive Flame Combustors. J. Eng. Gas Turbine Power 2014, 136, 051504. [Google Scholar] [CrossRef]
  40. Gas Turbine World. 2024 GTW Handbook; A Pequot Publication: Fairfield, CT, USA, 2024; Volume 39. [Google Scholar]
  41. Theuerkauf, S.W.; Schauer, F.; Anthony, R.; Hoke, J. Average and Instantaneous Heat Release to the Walls of an RDE. In Proceedings of the 52nd Aerospace Sciences Meeting, National Harbor, MD, USA, 13–17 January 2014. AIAA 2014-1503. [Google Scholar] [CrossRef]
  42. Naples, A.; Hoke, J.; Battelle, R.; Wagner, M.; Schauer, F. Rotating Detonation Engine Implementation into an Open-Loop T63 Gas Turbine Engine. In Proceedings of the 55th AIAA Aerospace Sciences Meeting, Grapevine, TX, USA, 9–13 January 2017. AIAA 2017-1747. [Google Scholar] [CrossRef]
  43. Aungier, R.H. Centrifugal Compressor Stage Preliminary Design and Component Sizing. In Proceedings of the ASME 1995 International Gas Turbine and Aeroengine Congress and Exposition, Houston, TX, USA, 5–8 June 1995. ASME 95-GT-78. [Google Scholar] [CrossRef]
  44. Dubey, A.; Sorce, A. Exergy Analysis of Gas Turbine Open Cycle with Pressure Gain Combustion Based on Humphrey Cycle. J. Phys. Conf. Ser. 2024, 2893, 012036. [Google Scholar] [CrossRef]
  45. Braun, J.; Saracoglu, B.H.; Paniagua, G. Unsteady Performance of Rotating Detonation Engines with Different Exhaust Nozzles. J. Propuls. Power 2017, 33, 121–130. [Google Scholar] [CrossRef]
  46. Braun, J.; Paniagua, G.; Ferguson, D. Aero-Thermal Characterization of Accelerating and Diffusing Passages Downstream of Rotating Detonation Combustors. In Proceedings of the ASME Turbo Expo 2021: Turbomachinery Technical Conference and Exposition, Virtual, 7–11 June 2021. ASME GT2021-59111. [Google Scholar] [CrossRef]
  47. Mushtaq, N.; Pini, M.; Gaetani, P. Advanced Design of a Transition Duct for Supersonic Inlet Turbines in Rotating Detonation Engines. J. Turbomach. 2025, 147, 031014. [Google Scholar] [CrossRef]
  48. Suresh, A.; Hofer, D.C.; Tangirala, V.E. Turbine Efficiency for Unsteady, Periodic Flows. J. Turbomach. 2012, 134, 034501. [Google Scholar] [CrossRef]
  49. Fernelius, M.H.; Gorrell, S.E. Predicting Efficiency of a Turbine Driven by Pulsing Flow. In Proceedings of the ASME Turbo Expo 2017: Turbomachinery Technical Conference and Exposition, Charlotte, NC, USA, 26–30 June 2017. ASME GT2017-63490. [Google Scholar] [CrossRef]
  50. Goto, K.; Ota, K.; Kawasaki, A.; Itouyama, N.; Watanabe, H.; Matsuoka, K.; Kasahara, J.; Matsuo, A.; Funaki, I.; Kawashima, H. Cylindrical Rotating Detonation Engine with Propellant Injection Cooling. J. Propuls. Power 2022, 38, 410–420. [Google Scholar] [CrossRef]
  51. Lozza, G. Bottoming Steam Cycles for Combined Gas-Steam Power Plants: A Theoretical Estimation of Steam Turbine Performance and Cycle Analysis. In Proceedings of the 1990 ASME Cogen−Turbo, New Orleans, LA, USA, 27–29 August 1990. [Google Scholar]
Figure 1. Schematic temperature-entropy plane with a common Brayton–Joule cycle (in black) with constant pressure heat input and a cycle with pressure gain combustion (in red) by means of constant volume heat input. The two cycles have the same maximum temperature and share the same compression ratio, but the expansion ratios are different.
Figure 1. Schematic temperature-entropy plane with a common Brayton–Joule cycle (in black) with constant pressure heat input and a cycle with pressure gain combustion (in red) by means of constant volume heat input. The two cycles have the same maximum temperature and share the same compression ratio, but the expansion ratios are different.
Processes 13 03181 g001
Figure 2. Schematic temperature-entropy plane with a common Brayton–Joule cycle (in black) with constant pressure heat input and a cycle with pressure gain combustion (in red). The two cycles have the same maximum temperature and share the same expansion ratio, but the compression ratios are different.
Figure 2. Schematic temperature-entropy plane with a common Brayton–Joule cycle (in black) with constant pressure heat input and a cycle with pressure gain combustion (in red). The two cycles have the same maximum temperature and share the same expansion ratio, but the compression ratios are different.
Processes 13 03181 g002
Figure 3. Percentage deviation between GS software evaluation and performance specs declared by manufacturers for commercial F-class gas turbines in simple cycle layout. Moving from the least to the most powerful gas turbine, the cases of 9F.04, SGT5-4000F, AE94.3A, 9F.06, and SGT5-4000F models as in Table 1 are reported.
Figure 3. Percentage deviation between GS software evaluation and performance specs declared by manufacturers for commercial F-class gas turbines in simple cycle layout. Moving from the least to the most powerful gas turbine, the cases of 9F.04, SGT5-4000F, AE94.3A, 9F.06, and SGT5-4000F models as in Table 1 are reported.
Processes 13 03181 g003
Figure 4. Percentage deviation between GS software evaluation and performance specs declared by manufacturers for commercial F-class gas turbines in combined cycle layout. Moving from the least to the most powerful gas turbine, the cases of 9F.04, SGT5-4000F, AE94.3A, 9F.06 and SGT5-4000F models as in Table 1 are reported.
Figure 4. Percentage deviation between GS software evaluation and performance specs declared by manufacturers for commercial F-class gas turbines in combined cycle layout. Moving from the least to the most powerful gas turbine, the cases of 9F.04, SGT5-4000F, AE94.3A, 9F.06 and SGT5-4000F models as in Table 1 are reported.
Processes 13 03181 g004
Figure 5. GS software evaluation of the turbine inlet temperature (TIT) based on performance specs declared by manufacturers for commercial gas turbines. Moving from the least to the most powerful gas turbine, the cases of 9F.04, SGT5-4000F, AE94.3A, 9F.06, and SGT5-4000F models as in Table 1 are reported. The value of 1430 °C has been assumed as representative of the reference F-class gas turbine.
Figure 5. GS software evaluation of the turbine inlet temperature (TIT) based on performance specs declared by manufacturers for commercial gas turbines. Moving from the least to the most powerful gas turbine, the cases of 9F.04, SGT5-4000F, AE94.3A, 9F.06, and SGT5-4000F models as in Table 1 are reported. The value of 1430 °C has been assumed as representative of the reference F-class gas turbine.
Processes 13 03181 g005
Figure 6. Pressure ratio vs. temperature ratio according to some literature models [14,15], also including the ‘Mix’ model proposed by Neumann et al. [14,15], which matches CFD data of Paxson [11]. Reference (‘ref’), optimistic (‘opt’) and pessimistic (‘pes’) versions of this ‘Mix’ model are reported.
Figure 6. Pressure ratio vs. temperature ratio according to some literature models [14,15], also including the ‘Mix’ model proposed by Neumann et al. [14,15], which matches CFD data of Paxson [11]. Reference (‘ref’), optimistic (‘opt’) and pessimistic (‘pes’) versions of this ‘Mix’ model are reported.
Processes 13 03181 g006
Figure 7. Power plant flow diagram of the combined cycle based on the F-class gas turbine with pressure gain combustion.
Figure 7. Power plant flow diagram of the combined cycle based on the F-class gas turbine with pressure gain combustion.
Processes 13 03181 g007
Figure 8. Gas turbine (GT) power output for four PGC cycle cases with different amounts of coolant to the combustor (see Table 3) compared to the reference GT case (black line).
Figure 8. Gas turbine (GT) power output for four PGC cycle cases with different amounts of coolant to the combustor (see Table 3) compared to the reference GT case (black line).
Processes 13 03181 g008
Figure 9. Compression duty for the main compressor (m. c.) and the air booster (a. b.) for the analyzed PGC cycles with different amounts of coolant to the combustor (see Table 3).
Figure 9. Compression duty for the main compressor (m. c.) and the air booster (a. b.) for the analyzed PGC cycles with different amounts of coolant to the combustor (see Table 3).
Processes 13 03181 g009
Figure 10. Gas turbine (GT) efficiency for four PGC cycle cases with different amounts of coolant to the combustor (see Table 3) compared to the reference GT case (black line).
Figure 10. Gas turbine (GT) efficiency for four PGC cycle cases with different amounts of coolant to the combustor (see Table 3) compared to the reference GT case (black line).
Processes 13 03181 g010
Figure 11. Combined cycle (CC) efficiency for four PGC cycle cases with different amounts of coolant to the combustor (see Table 3) compared to the reference CC case (black line).
Figure 11. Combined cycle (CC) efficiency for four PGC cycle cases with different amounts of coolant to the combustor (see Table 3) compared to the reference CC case (black line).
Processes 13 03181 g011
Figure 12. Gas turbine (GT) efficiency for new PGC cycle cases with different amounts of coolant to the combustor (see Table 3) and reduced efficiency at the first stage of the GT expander, compared to the reference case (black line).
Figure 12. Gas turbine (GT) efficiency for new PGC cycle cases with different amounts of coolant to the combustor (see Table 3) and reduced efficiency at the first stage of the GT expander, compared to the reference case (black line).
Processes 13 03181 g012
Figure 13. Combined cycle (CC) efficiency for new PGC cycle cases with different amounts of coolants to the combustor (see Table 3) and reduced efficiency at the first stage of the GT expander, compared to the reference CC case.
Figure 13. Combined cycle (CC) efficiency for new PGC cycle cases with different amounts of coolants to the combustor (see Table 3) and reduced efficiency at the first stage of the GT expander, compared to the reference CC case.
Processes 13 03181 g013
Table 1. Gas turbine models considered for the validation of the sets of assumptions.
Table 1. Gas turbine models considered for the validation of the sets of assumptions.
ManufacturerAnsaldo EnergiaGE VernovaGE VernovaSiemens EnergySiemens Energy
ModelAE94.3A9F.049F.06SGT5-4000FSGT5-4000F
Number of turbine stages43444
Gross GT power output, MW340288359329385
Gross GT efficiency, %40.338.741.941.041.5
Pressure ratio19.516.919.520.121.0
GT exhaust flow rate, kg/s755662750724800
GT exhaust temperature, °C593621611599619
Net CC plant output, MW495443539485570
Net CC plant efficiency, %60.060.262.261.062.0
Table 2. Main design parameters and resulting performance specs of the F-class gas turbine in simple and combined cycle.
Table 2. Main design parameters and resulting performance specs of the F-class gas turbine in simple and combined cycle.
Gas Turbine
Pressure ratio19
Air temperature at compressor outlet, °C427.9
Turbine inlet temperature (TIT 1), °C1430
Exhaust flue gas mass flow rate, kg/s750
Electric power output at generator terminals, MW334.8
Electric efficiency, %40.67
Exhaust flue gas temperature, °C597.1
Bottoming steam cycle
HP/RH evaporation pressure, bar166/36
HP/RH temperature at turbine admission, °C565/565
Condensation pressure, bar0.04
Steam turbine power output at generator terminals, MW162.3
Flue gas temperature at stack exit, °C85.0
Combined cycle
Electric power output, MW494.6
Electric efficiency, %60.09
1 total temperature at the first rotor inlet.
Table 3. Cases investigated in the parametric analysis (the overall amount of air to the combustor includes streams #2 and #3).
Table 3. Cases investigated in the parametric analysis (the overall amount of air to the combustor includes streams #2 and #3).
refReference Case of the F-Class Gas Turbine Based on the Brayton–Joule Cycle
0cPGC cycle with no cooling flow rate to the combustor.
10cPGC cycle with air flow rate for combustor cooling set at 10% of the overall amount of air to the combustor.
20cPGC cycle with air flow rate for combustor cooling set at 20% of the overall amount of air to the combustor.
30cPGC cycle with air flow rate for combustor cooling set at 30% of the overall amount of air to the combustor.
Table 4. Temperatures, pressures, mass flow rates, and compositions of the main streams in the power plant schematic in Figure 7 for the F-class gas turbine selected as the reference case: C is air as the GT cooling flows except for the nozzle blades at the first stage of the GT expander and F is fuel.
Table 4. Temperatures, pressures, mass flow rates, and compositions of the main streams in the power plant schematic in Figure 7 for the F-class gas turbine selected as the reference case: C is air as the GT cooling flows except for the nozzle blades at the first stage of the GT expander and F is fuel.
StreamT, °Cp, barṁ, kg/sComposition, Vol.
115.01.01732.30.92% Ar, 0.03% CO2, 1.03% H2O, 77.28% N2, 20.73% O2
2427.919.11581.40.92% Ar, 0.03% CO2, 1.03% H2O, 77.28% N2, 20.73% O2
3----
4427.919.1138.90.92% Ar, 0.03% CO2, 1.03% H2O, 77.28% N2, 20.73% O2
51486.718.54599.10.87% Ar, 5.06% CO2, 10.43% H2O, 73.57% N2, 10.06% O2
6597.11.05750.00.88% Ar, 4.06% CO2, 8.57% H2O, 74.31% N2, 12.18% O2
Cvariablevariable106.50.92% Ar, 0.03% CO2, 1.03% H2O, 77.28% N2, 20.73% O2
F220.050.017.789% CH4, 7% C2H6, 1% C3H8, 0.1% C4H10, 0.01% C5H12, 2% CO2, 0.89% N2
Table 5. Temperatures, pressures, mass flow rates, and compositions of the main streams in the power plant schematic in Figure 7 for the PGC cycle case with PGC at 45% without cooling air (case 0c) at the combustor: C is air as the GT cooling flows except for the nozzle blades at the first stage of the GT expander and F is fuel.
Table 5. Temperatures, pressures, mass flow rates, and compositions of the main streams in the power plant schematic in Figure 7 for the PGC cycle case with PGC at 45% without cooling air (case 0c) at the combustor: C is air as the GT cooling flows except for the nozzle blades at the first stage of the GT expander and F is fuel.
StreamT, °Cp, barṁ, kg/sComposition, Vol.
115.01.01731.00.92% Ar, 0.03% CO2, 1.03% H2O, 77.28% N2, 20.73% O2
2350.512.79583.70.92% Ar, 0.03% CO2, 1.03% H2O, 77.28% N2, 20.73% O2
3----
4439.319.1140.80.92% Ar, 0.03% CO2, 1.03% H2O, 77.28% N2, 20.73% O2
51488.118.54602.70.87% Ar, 5.39% CO2, 11.04% H2O, 73.33% N2, 9.37% O2
6600.31.05750.00.88% Ar, 4.35% CO2, 9.11% H2O, 74.09% N2, 11.57% O2
Cvariablevariable101.00.92% Ar, 0.03% CO2, 1.03% H2O, 77.28% N2, 20.73% O2
F220.050.019.089% CH4, 7% C2H6, 1% C3H8, 0.1% C4H10, 0.01% C5H12, 2% CO2, 0.89% N2
Table 6. Temperatures, pressures, mass flow rates, and compositions of the main streams in the power plant schematic in Figure 7 for the PGC cycle case with PGC at 45% with the most extensive cooling (case 30c) at the combustor: C is air as the GT cooling flows except for the nozzle blades at the first stage of the GT expander and F is fuel.
Table 6. Temperatures, pressures, mass flow rates, and compositions of the main streams in the power plant schematic in Figure 7 for the PGC cycle case with PGC at 45% with the most extensive cooling (case 30c) at the combustor: C is air as the GT cooling flows except for the nozzle blades at the first stage of the GT expander and F is fuel.
StreamT, °Cp, barṁ, kg/sComposition, Vol.
115.01.01731.40.92% Ar, 0.03% CO2, 1.03% H2O, 77.28% N2, 20.73% O2
2350.512.79407.60.92% Ar, 0.03% CO2, 1.03% H2O, 77.28% N2, 20.73% O2
3439.319.11174.70.92% Ar, 0.03% CO2, 1.03% H2O, 77.28% N2, 20.73% O2
4439.319.1142.30.92% Ar, 0.03% CO2, 1.03% H2O, 77.28% N2, 20.73% O2
51490.618.54600.90.87% Ar, 5.29% CO2, 10.86% H2O, 73.40% N2, 9.58% O2
6599.61.05750.00.88% Ar, 4.26% CO2, 8.94% H2O, 74.16% N2, 11.76% O2
Cvariablevariable101.40.92% Ar, 0.03% CO2, 1.03% H2O, 77.28% N2, 20.73% O2
F220.050.018.689% CH4, 7% C2H6, 1% C3H8, 0.1% C4H10, 0.01% C5H12, 2% CO2, 0.89% N2
Table 7. Details of exergy losses and exergetic efficiency for the reference case along with four PGC cycle cases *.
Table 7. Details of exergy losses and exergetic efficiency for the reference case along with four PGC cycle cases *.
ref0c, PGC = 35%30c, PGC = 35%0c, PGC = 45%30c, PGC = 45%
Compression losses, %1.721.481.631.431.62
Combustion losses, %26.5025.4925.7325.3025.59
Expansion losses, %4.724.394.494.324.43
HRSC losses, %5.855.575.665.525.62
Electric/organic losses, %1.401.421.501.421.51
Stack losses, %2.762.762.762.762.76
Exergetic efficiency, %57.0558.8858.2259.2458.47
* A more comprehensive exergy analysis of pressure gain combustion applied to gas turbines is outside the scope of the current work. In the case of a more in-depth analysis, the reader can refer to the recent study proposed by Dubey and Sorce [44].
Table 8. General overview of the overall power balance for a few representative cases of PGC cycles.
Table 8. General overview of the overall power balance for a few representative cases of PGC cycles.
Caseref0c30c0c30c0c30c0c30c
PGC value 35%35%45%45%35%35%45%45%
Reduced GT expander efficiencyno (a)no (a)no (a)no (a)no (a)yes (b)yes (b)yes (b)yes (b)
Main compressor, MW305.2258.7258.8249.0249.1258.3248.7258.5248.8
Air booster, MW 3.418.14.121.83.23.917.921.5
GT expander, MW645.6648.1647.2648.7647.8627.4628.0626.7627.2
GT shaft losses, MW5.66.46.16.56.26.06.25.85.9
GT power output, MW334.8379.6364.3389.1370.8359.8369.2344.6351.0
Fuel input, MWth823.2872.4856.5882.8863.9866.4876.7850.6857.9
GT efficiency, %40.6843.5242.5344.0842.9241.5342.1140.5240.91
Steam cycle power output, MW159.8161.4161.0161.8161.3168.9169.3168.5168.8
CC power output, MW494.6541.1525.2550.9532.0528.7538.5513.1519.8
CC efficiency, %60.0962.0261.3362.4061.5961.0361.4260.3260.59
(a) In this case, the efficiency of the first stage of the GT expander is equal to 90.55%, as calculated by the GS software. (b) In this case, the efficiency of the first stage of the GT expander is reduced from 90.55% to 70%.
Disclaimer/Publisher’s Note: The statements, opinions and data contained in all publications are solely those of the individual author(s) and contributor(s) and not of MDPI and/or the editor(s). MDPI and/or the editor(s) disclaim responsibility for any injury to people or property resulting from any ideas, methods, instructions or products referred to in the content.

Share and Cite

MDPI and ACS Style

Giuffrida, A.; Chiesa, P. Improving Combined Cycle Performance with Pressure Gain Combustion in the Gas Turbine. Processes 2025, 13, 3181. https://doi.org/10.3390/pr13103181

AMA Style

Giuffrida A, Chiesa P. Improving Combined Cycle Performance with Pressure Gain Combustion in the Gas Turbine. Processes. 2025; 13(10):3181. https://doi.org/10.3390/pr13103181

Chicago/Turabian Style

Giuffrida, Antonio, and Paolo Chiesa. 2025. "Improving Combined Cycle Performance with Pressure Gain Combustion in the Gas Turbine" Processes 13, no. 10: 3181. https://doi.org/10.3390/pr13103181

APA Style

Giuffrida, A., & Chiesa, P. (2025). Improving Combined Cycle Performance with Pressure Gain Combustion in the Gas Turbine. Processes, 13(10), 3181. https://doi.org/10.3390/pr13103181

Note that from the first issue of 2016, this journal uses article numbers instead of page numbers. See further details here.

Article Metrics

Back to TopTop