A Review of Synchronous Fixed-Frequency Microgrid Droop Control Systems Based on Global Positioning System
Abstract
1. Introduction
2. Basic Structure of Microgrids and Their Operating Systems
2.1. Microgrid Topologies
2.2. Microgrid Control Structure
2.3. The Control Method of Microgrid Under Island Operation Mode
3. Characterization of Droop Control Systems for Islanded Microgrids
3.1. Microgrid Modelling Based on Droop Control
3.2. Power Equalization and Frequency Offset Control Based on Droop Control
3.3. Novel Droop Control Method Applied to Microgrids
3.4. Analysis of Droop Control Method Applied to Microgrids
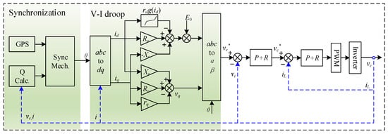
4. Synchronized Fixed-Frequency Control Systems to Microgrids
4.1. Droop Control Methods Based on GPS Timing Signal
4.2. Comparative Analysis of Synchronous Fixed-Frequency Control Methods
5. Conclusions
- (1)
- The structure and control methods of microgrids are briefly introduced, and the issues associated with microgrids, such as frequency offset and voltage deviation present in current control methods, are analyzed through modeling and summarization.
- (2)
- The specific applications of the droop control method in microgrid inverters for secondary regulation of system frequency and voltage are presented in detail. As the primary control method within the microgrid’s peer-to-peer control strategy, droop control offers distinct advantages in power equalization and frequency regulation of the inverter.
- (3)
- A GPS-based synchronous frequency control method for microgrids is presented. This method enables synchronous frequency control of microgrids without the need for communication between inverters, significantly reducing the hardware construction costs of the microgrid system. Furthermore, since the frequency clocks of the inverters are derived from GPS, the operation of different inverters can be highly synchronized, which holds substantial research and application value.
- (1)
- Through a detailed analysis of energy storage and distributed energy sources, such as photovoltaic and wind power, the ratio of energy storage to these sources plays a crucial role in the stabilization and control of microgrids. Consequently, the capacity allocation and modeling of energy storage units and distributed energy sources for synchronous frequency control in isolated microgrids will be a significant area of research in the future.
- (2)
- The GPS-based synchronized frequency control method is highly dependent on satellite timing signals. When the satellite timing signal is unavailable, the converter operation in a microgrid loses its time reference. In such cases, identifying an alternative clock signal is of significant research value for ensuring the synchronized and stable operation of microgrids.
- (3)
- With the advancement of topological diversification in isolated microgrids, synchronous frequency-fixing control technology for AC/DC hybrid microgrids remains an area requiring further research. The implementation of GPS-based synchronous frequency-fixing technology in hybrid microgrids holds significant promise, particularly in the realm of innovative frequency-fixing control strategies.
- (4)
- Since the microgrid operates independently from the larger grid, any transient increase or decrease in load can easily result in fluctuations in voltage and frequency within the microgrid. Therefore, researching dynamic real-time compensation methods for synchronous fixed-frequency control in the event of load disturbances holds significant importance.
- (5)
- The black start process of a microgrid requires both frequency and voltage support. Therefore, studying the synchronized fixed frequency control method is particularly important for understanding the frequency and voltage support control mechanisms during the startup process.
Author Contributions
Funding
Data Availability Statement
Conflicts of Interest
References
- Chen, B.; Wang, J.; Lu, X.; Chen, C.; Zhao, S. Networked microgrids for grid resilience, robustness, and efficiency: A review. IEEE Trans. Smart Grid 2021, 12, 18–32. [Google Scholar] [CrossRef]
- Hajiaghasi, S.; Salemnia, A.; Hamzeh, M. Hybrid energy storage system for microgrids applications: A review. J. Energy Storage 2019, 21, 543–570. [Google Scholar] [CrossRef]
- Lasseter, R.H. MicroGrids. In Proceedings of the 2002 IEEE Power Engineering Society Winter Meeting (Cat. No. 02CH37309), New York, NY, USA, 27–31 January 2002. [Google Scholar] [CrossRef]
- Lasseter, R.H.; Paigi, P. Microgrid: A conceptual solution. In Proceedings of the 2004 IEEE 35th Annual Power Electronics Specialists Conference (IEEE Cat. No.04CH37551), Aachen, Germany, 20–25 June 2004. [Google Scholar] [CrossRef]
- Tahim, A.P.N.; Pagano, D.J.; Lenz, E.; Stramosk, V. Modeling and stability analysis of islanded DC microgrids under droop control. IEEE Trans. Power Electron. 2015, 30, 4597–4607. [Google Scholar] [CrossRef]
- Shafiqurrahman, A.; Yahyaee, S.A.; Sreekumar, P.; Khadkikar, V. A novel decentralized unbalance load sharing approach for islanded microgrids. IEEE Trans. Ind. Appl. 2024, 60, 5714–5725. [Google Scholar] [CrossRef]
- Ahmethodžić, L.; Musić, M.; Huseinbegović, S. Microgrid energy management: Classification, review and challenges. CSEE J. Power Energy Syst. 2023, 9, 1425–1438. [Google Scholar] [CrossRef]
- Sahoo, S.K.; Sinha, A.K.; Kishore, N.K. Control techniques in AC, DC, and hybrid AC–DC microgrid: A review. IEEE J. Emerg. Sel. Top. Power Electron. 2018, 6, 738–759. [Google Scholar] [CrossRef]
- Sarangi, S.; Sahu, B.K.; Rout, P.K. Distributed generation hybrid AC/DC microgrid protection: A critical review on issues, strategies, and future directions. Int. J. Energy Res. 2020, 44, 3347–3364. [Google Scholar] [CrossRef]
- Cortes, C.A.; Contreras, S.F.; Shahidehpour, M. Microgrid topology planning for enhancing the reliability of active distribution networks. IEEE Trans. Smart Grid 2018, 9, 6369–6377. [Google Scholar] [CrossRef]
- Li, Z.; Yan, X. Optimal coordinated energy dispatch of a multi-energy microgrid in grid-connected and islanded modes. Appl. Energy 2018, 210, 974–986. [Google Scholar] [CrossRef]
- Nosratabadi, S.M.; Hooshmand, R.-A.; Gholipour, E. A comprehensive review on microgrid and virtual power plant concepts employed for distributed energy resources scheduling in power systems. Renew. Sustain. Energy Rev. 2017, 67, 341–363. [Google Scholar] [CrossRef]
- Talapur, G.G.; Suryawanshi, H.M.; Xu, L.; Shitole, A.B. A reliable microgrid with seamless transition between grid connected and islanded mode for residential community with enhanced power quality. IEEE Trans. Ind. Appl. 2018, 54, 5246–5255. [Google Scholar] [CrossRef]
- Hu, J.; Shan, Y.; Cheng, K.W.; Islam, S. Overview of power converter control in microgrids—Challenges, advances, and future trends. IEEE Trans. Power Electron. 2022, 37, 9907–9922. [Google Scholar] [CrossRef]
- Nahata, P.; Bella, A.L.; Scattolini, R.; Ferrari-Trecate, G. Hierarchical control in islanded DC microgrids with flexible structures. IEEE Trans. Control Syst. Technol. 2021, 29, 2379–2392. [Google Scholar] [CrossRef]
- Huang, W.; Shuai, Z.; Shen, X.; Li, Y.; Shen, Z.J. Dynamical reconfigurable master–slave control architecture (DRMSCA) for voltage regulation in islanded microgrids. IEEE Trans. Power Electron. 2022, 37, 249–263. [Google Scholar] [CrossRef]
- Lai, J.; Lu, X.; Wang, F.; Dehghanian, P.; Tang, R. Broadcast gossip algorithms for distributed peer-to-peer control in AC microgrids. IEEE Trans. Ind. Appl. 2019, 55, 2241–2251. [Google Scholar] [CrossRef]
- Wang, S.; Taha, A.F.; Wang, J.; Kvaternik, K.; Hahn, A. Energy crowdsourcing and peer-to-peer energy trading in blockchain-enabled smart grids. IEEE Trans. Syst. Man Cybern. Syst. 2019, 49, 1612–1623. [Google Scholar] [CrossRef]
- Guo, F.; Wen, C.; Mao, J.; Song, Y.-D. Distributed secondary voltage and frequency restoration control of droop-controlled inverter-based microgrids. IEEE Trans. Ind. Electron. 2015, 62, 4355–4364. [Google Scholar] [CrossRef]
- Wang, R.; Sun, Q.; Ma, D.; Liu, Z. The small-signal stability analysis of the droop-controlled converter in electromagnetic timescale. IEEE Trans. Sustain. Energy 2019, 10, 1459–1469. [Google Scholar] [CrossRef]
- Maulik, A.; Das, D. Optimal operation of droop-controlled islanded microgrids. IEEE Trans. Sustain. Energy 2018, 9, 1337–1348. [Google Scholar] [CrossRef]
- Wang, Y.; Liu, D.; Liu, P.; Deng, F.; Zhou, D.; Chen, Z. Lifetime-oriented droop control strategy for AC islanded microgrids. IEEE Trans. Ind. Appl. 2019, 55, 3252–3263. [Google Scholar] [CrossRef]
- Mariani, V.; Vasca, F.; Vásquez, J.C.; Guerrero, J.M. Model order reductions for stability analysis of islanded microgrids with droop control. IEEE Trans. Ind. Electron. 2015, 62, 4344–4354. [Google Scholar] [CrossRef]
- Yu, K.; Ai, Q.; Wang, S.; Ni, J.; Lv, T. Analysis and optimization of droop controller for microgrid system based on small-signal dynamic model. IEEE Trans. Smart Grid 2016, 7, 695–705. [Google Scholar] [CrossRef]
- Andishgar, M.H.; Gholipour, E.; Hooshmand, R.A. An overview of control approaches of inverter-based microgrids in islanding mode of operation. Renew. Sustain. Energy Rev. 2017, 80, 1043–1060. [Google Scholar] [CrossRef]
- Raya-Armenta, J.M.; Bazmohammadi, N.; Avina-Cervantes, J.G.; Sáez, D.; Vasquez, J.C.; Guerrero, J.M. Energy management system optimization in islanded microgrids: An overview and future trends. Renew. Sustain. Energy Rev. 2021, 149, 111327. [Google Scholar] [CrossRef]
- Zhang, M.; Du, Z.; Wang, S. Research on droop control strategy and parameters selection of microgrids. Trans. China Electrotech. Soc. 2014, 29, 136–144. [Google Scholar]
- Nikolakakos, I.P.; Zeineldin, H.H.; El-Moursi, M.S.; Kirtley, J.L. Reduced-order model for inter-inverter oscillations in islanded droop-controlled microgrids. IEEE Trans. Smart Grid 2018, 9, 4953–4963. [Google Scholar] [CrossRef]
- Rosero, C.X.; Velasco, M.; Martí, P.; Camacho, A.; Miret, J.; Castilla, M. Active power sharing and frequency regulation in droop-free control for islanded microgrids under electrical and communication failures. IEEE Trans. Ind. Electron. 2020, 67, 6461–6472. [Google Scholar] [CrossRef]
- Yazdavar, A.H.; Eajal, A.A.; Azzouz, M.A.; Salama, M.M.A.; El-Saadany, E.F. Harmonic analysis of droop-based islanded microgrids. IEEE Trans. Smart Grid 2022, 13, 2589–2600. [Google Scholar] [CrossRef]
- Abdelgabir, H.; Shaheed, M.N.B.; Elrayyah, A.; Sozer, Y. A complete small-signal modelling and adaptive stability analysis of nonlinear droop-controlled microgrids. IEEE Trans. Ind. Appl. 2022, 58, 7620–7633. [Google Scholar] [CrossRef]
- AbdelAty, A.M.; Al-Durra, A.; Zeineldin, H.H.; Kanukollu, S.; El-Saadany, E.F. Enhancing dynamic performance of islanded microgrids by fractional-order derivative droop. IEEE Trans. Ind. Inform. 2024, 20, 9427–9444. [Google Scholar] [CrossRef]
- Wang, C.; Xiao, Z.; Wang, S. Multiple feedback loop control scheme for inverters of the micro source in microgrids. Trans. China Electrotech. Soc. 2009, 24, 100–107. [Google Scholar]
- Guerrero, J.M.; Vicuna, L.G.D.; Matas, J.; Castilla, M.; Miret, J. Output impedance design of parallel-connected UPS inverters with wireless load-sharing control. IEEE Trans. Ind. Electron. 2005, 52, 1126–1135. [Google Scholar] [CrossRef]
- He, J.; Li, Y.W. Analysis, design, and implementation of virtual impedance for power electronics interfaced distributed generation. IEEE Trans. Ind. Appl. 2011, 47, 2525–2538. [Google Scholar] [CrossRef]
- Jing, L.; Huang, X.; Wu, X. Research on improved microsource droop control method. Trans. China Electrotech. Soc. 2014, 28, 146–152. [Google Scholar]
- Zhu, J.; Li, P.; Wang, Y.; Chen, C. Micro-grid power control method based on improved droop characteristics. Power Syst. Clean Energy 2012, 28, 29–33. [Google Scholar]
- Lü, Z.; Wu, Z.; Dou, X.; Hu, M.Q.; Zhao, B. An adaptive droop control for the islanded DC microgrid based on discrete consensus algorithm. Proc. CSEE 2015, 35, 4397–4407. [Google Scholar]
- John, B.; Ghosh, A.; Zare, F. Load sharing in medium voltage islanded microgrids with advanced angle droop control. IEEE Trans. Smart Grid 2018, 9, 6461–6469. [Google Scholar] [CrossRef]
- Ling, Y.; Li, Y.; Yang, Z.; Xiang, J. A dispatchable droop control method for distributed generators in islanded AC microgrids. IEEE Trans. Ind. Electron. 2021, 68, 8356–8366. [Google Scholar] [CrossRef]
- Chen, F.; Chen, M.; Li, Q.; Meng, K.; Zheng, Y.; Guerrero, J.M.; Abbott, D. Cost-based droop schemes for economic dispatch in islanded microgrids. IEEE Trans. Smart Grid 2017, 8, 63–74. [Google Scholar] [CrossRef]
- Golsorkhi, M.S.; Lu, D.D.C. A control method for inverter-based islanded microgrids based on V-I droop characteristics. IEEE Trans. Power Deliv. 2015, 30, 1196–1204. [Google Scholar] [CrossRef]
- Mahmood, H.; Michaelson, D.; Jiang, J. Reactive power Sharing in islanded microgrids using adaptive voltage droop control. IEEE Trans. Smart Grid 2015, 6, 3052–3060. [Google Scholar] [CrossRef]
- Egwebe, A.M.; Fazeli, M.; Igic, P.; Holland, P.M. Implementation and stability study of dynamic droop in islanded microgrids. IEEE Trans. Energy Convers. 2016, 31, 821–832. [Google Scholar] [CrossRef]
- Avila, N.F.; Chu, C.-C. Distributed pinning droop control in isolated AC microgrids. IEEE Trans. Ind. Appl. 2017, 53, 3237–3249. [Google Scholar] [CrossRef]
- Moussa, H.; Shahin, A.; Martin, J.-P.; Nahid-Mobarakeh, B.; Pierfederici, S.; Moubayed, N. Harmonic power sharing with voltage distortion compensation of droop controlled islanded microgrids. IEEE Trans. Smart Grid 2018, 9, 5335–5347. [Google Scholar] [CrossRef]
- Jia, Y.; Li, D.; Chen, Z. Unbalanced power sharing for islanded droop-controlled microgrids. J. Power Electron. 2019, 19, 234–243. [Google Scholar]
- Liu, B.; Wu, T.; Liu, Z.; Liu, J. A small-AC-signal injection-based decentralized secondary frequency control for droop-controlled islanded microgrids. IEEE Trans. Power Electron. 2020, 35, 11634–11651. [Google Scholar] [CrossRef]
- Razi, R.; Iman-Eini, H.; Hamzeh, M. An impedance-power droop method for accurate power sharing in islanded resistive microgrids. IEEE J. Emerg. Sel. Top. Power Electron. 2020, 8, 3763–3771. [Google Scholar] [CrossRef]
- Elsayed, W.T.; Farag, H.; Zeineldin, H.H.; El-Saadany, E.F. Dynamic transitional droops for seamless line-switching in islanded microgrids. IEEE Trans. Power Syst. 2021, 36, 5590–5601. [Google Scholar] [CrossRef]
- Olivares, D.E.; Mehrizi-Sani, A.; Etemadi, A.H.; Cañizares, C.A.; Iravani, R.; Kazerani, M.; Hajimiragha, A.H.; Gomis-Bellmunt, O.; Saeedifard, M.; Palma-Behnke, R.; et al. Trends in Microgrid Control. IEEE Trans. Smart Grid 2014, 5, 1905–1919. [Google Scholar] [CrossRef]
- Zhong, Q.C. Robust droop controller for accurate proportional load sharing among inverters operated in parallel. IEEE Trans. Ind. Electron. 2013, 60, 1281–1290. [Google Scholar] [CrossRef]
- Golsorkhi, M.S.; Lu, D.D.C.; Guerrero, J.M. A GPS-based decentralized control method for islanded microgrids. IEEE Trans. Power Electron. 2017, 32, 1615–1625. [Google Scholar] [CrossRef]
- Lewandowski, W.; Azoubib, J.; Klepczynski, W.J. GPS: Primary tool for time transfer. Proc. IEEE 1999, 87, 163–172. [Google Scholar] [CrossRef]
- Zhong, Z.; Xu, C.; Billian, B.J.; Zhang, L.; Tsai, S.J.; Conners, R.W.; Centeno, V.A.; Phadke, A.G.; Liu, Y. Power system frequency monitoring network (FNET) implementation. IEEE Trans. Power Syst. 2005, 20, 1914–1921. [Google Scholar] [CrossRef]
- Stewart, E.M.; Kiliccote, S.; Shand, C.M.; McMorran, A.W.; Arghandeh, R.; von Meier, A. Addressing the challenges for integrating micro synchro phasor data with operational system applications. In Proceedings of the 2014 IEEE PES General Meeting: Conference & Exposition, National Harbor, MD, USA, 27–31 July 2014; pp. 1–5. [Google Scholar]
- Wang, X.; Li, X.; Wang, S.; Wang, Y.; Mei, Y. Research on multi-objective optimization and reconfiguration method of distribution network considering distributed generation access. Shandong Electr. Power 2023, 50, 60–67. [Google Scholar]
- Moussa, H.; Shahin, A.; Martin, J.-P.; Pierfederici, S.; Moubayed, N. Optimal angle droop for power sharing enhancement with stability improvement in islanded microgrids. IEEE Trans. Smart Grid 2018, 9, 5014–5026. [Google Scholar] [CrossRef]
- Golsorkhi, M.S.; Savaghebi, M.; Lu, D.D.-C.; Guerrero, J.M.; Vasquez, J.C. A GPS-Based control framework for accurate current sharing and power quality improvement in microgrids. IEEE Trans. Power Electron. 2017, 32, 5675–5687. [Google Scholar] [CrossRef]
- Xu, B.; Xu, H.; Zhao, Y.; Ge, H.; Peng, K.; Zhang, Z. Control princi ple and verification of constant-frequency synchronous current phasor-based control strategy for islanded microgrids. Autom. Electr. Power Syst. 2019, 43, 132–138. [Google Scholar]
- Li, H.; Zhao, Y.; Zhou, G.; Bi, Y.; Liu, Z.; Ding, H. Secondary voltage regulation strat Secondary voltage regulation strategy of synchronous fixed-frequency microgrid without communication. Renew. Energy Resour. 2023, 41, 1650–1656. [Google Scholar]
- Zhou, G.; Zhao, Y.; Li, H.; Li, Y. Synchronized fixed-frequency microgrid power allocation based on improved sag control. Power Electron. Technol. 2023, 57, 80–84. [Google Scholar]
- Li, B.; Bian, D.; Zhao, Y. Accurate power sharing strategy for GPS- based synchronous fixed frequency micro- grid. Power Capacit. React. Power Compens. 2022, 43, 164–171. [Google Scholar]
- Xu, H.; Zhao, Y.; Bi, Y. Virtual harmonic resistance based constant-frequency synchronous current control method for micro-grid. Electr. Meas. Instrum. 2021, 58, 153–159. [Google Scholar]
- Huang, H.; Zhang, Z.; Xie, Z.; Nian, H.; Wu, J. Research on synchronous fixed-frequency microgrid control strategy based on zero-error voltage regulating U-I drooping. Mod. Electron. Tech. 2021, 44, 144–148. [Google Scholar]
- Bi, Y.J.; Xu, B.Y.; Zhao, Y.L.; Cai, F.; Lu, M. Seamless transfer control strategy between grid-connected and islanding operation for synchronous fixed-frequency microgrid. Power Syst. Technol. 2022, 46, 923–933. [Google Scholar]
- Ren, H.; Zhao, Y.-L.; Xu, H.-B.; Jiang, Y.-X.; Wang, C.-Y.; Xu, H.-W. PMU-based Constant-frequency Synchronous Control Method for Islanded Microgrid. Water Resour. Power 2020, 38, 192–195. [Google Scholar]
- Liu, H.; Zhao, Y.; Xu, H.; Liu, Y.; Zhao, X.; Guo, X. Study on islanding operation control strategy of synchronous fixed-frequency microgrid based on U-I drooping. Mod. Electron. Tech. 2019, 42, 139–144. [Google Scholar]
- Li, Y.; Fei, M.; Jia, L.; Lu, N.; Kaynak, O.; Zio, E. Novel outlier-robust accelerated degradation testing model and lifetime analysis method considering time-stress-dependent factors. IEEE Trans. Ind. Inform. 2024, 20, 9907–9917. [Google Scholar] [CrossRef]
- Li, Y.; Xu, S.; Chen, H.; Jia, L.; Ma, K. A general degradation process of useful life analysis under unreliable signals for accelerated degradation testing. IEEE Trans. Ind. Inform. 2023, 19, 7742–7750. [Google Scholar] [CrossRef]
- Sun, Y.; Shi, G.; Li, X.; Yuan, W.; Su, M.; Han, H.; Hou, X. An f-P/Q droop control in cascaded-type microgrid. IEEE Trans. Power Syst. 2018, 33, 1136–1138. [Google Scholar] [CrossRef]
- Wang, S.; Yuan, L.; Fang, Y.; Li, H.; Liu, Y. Distributed energy storage layered control strategy considering renewable energy fluctuations. Shandong Electr. Power 2024, 51, 74–84. [Google Scholar]
- Miao, Y.; Xu, Y.; Wang, Y. Planning of distribution system integrated with figh-penetration photovoltaic for the resilience improvement. Shandong Electr. Power 2024, 51, 1–9. [Google Scholar]
- Li, Z.; Yang, B.; Zhou, Z.; Zhang, J.; Xu, M. Optimization strategy for microgrid based on reinforcement learning algorithm. Shandong Electr. Power 2024, 51, 27–35. [Google Scholar]








| Ref. | Innovation Point | Control Target | Islanded Microgrid | To Be Improved |
|---|---|---|---|---|
| [21] | Optimal scheduling | Minimize the emission | Yes | Multi-objective optimization |
| [23] | Model order reductions | Stability of the microgrid | Yes | Parameter design guidance |
| [29] | Droop-free control | Power sharing | Yes | Improved communications immunity |
| [32] | Derivative droop | Improving the stability margin | Yes | Load harmonic sharing |
| [39] | Angle droop control | Load sharing | Yes | Harmonic distortion |
| [40] | Dispatchable droop control method | Frequency restoration | Yes | distributed control for voltage regulation |
| [46] | New harmonic droop control | Harmonic compensation | Yes | System stability |
| [48] | Decentralized secondary control | Frequency restoration | Yes | Power secondary regulation |
| [50] | Optimizing the droop control | Minimization of the power flow | Yes | Multi-line switching |
| Ref. | Clock Source | Control Target | Droop Control | Frequency f | To Be Improved |
|---|---|---|---|---|---|
| [41] | GPS | Power decoupling | Angle droop control | Constant | Further reduction of THD |
| [53] | GPS | Power quality | Q–f droop | Constant | Using GPS for harmonic current sharing |
| [58] | PMU | Power sharing | Angle droop control | Constant | Harmonic current sharing |
| [59] | GPS | Power quality | V-I droop | Constant | GPS in grid connected control applications |
| [61] | GPS | Secondary regulation of voltage | I-V droop | Constant | Voltage threshold design |
| [62] | GPS | Power sharing | V-I droop | Constant | Modeling of line impedance |
| [63] | GPS | Power sharing | V-I droop | Constant | Precise power distribution |
| [65] | PMU | Voltage regulation | V-I droop | Constant | Power secondary regulation |
| [66] | GPS | Seamless transfer | I-V droop | Constant | Tracking resolver designs |
| [67] | PMU | Power secondary adjustment | V-I droop | Constant | Circulation suppression |
| [68] | PMU | Power allocation | V-I droop | Constant | Plug-and-playperformance |
Disclaimer/Publisher’s Note: The statements, opinions and data contained in all publications are solely those of the individual author(s) and contributor(s) and not of MDPI and/or the editor(s). MDPI and/or the editor(s) disclaim responsibility for any injury to people or property resulting from any ideas, methods, instructions or products referred to in the content. |
© 2024 by the authors. Licensee MDPI, Basel, Switzerland. This article is an open access article distributed under the terms and conditions of the Creative Commons Attribution (CC BY) license (https://creativecommons.org/licenses/by/4.0/).
Share and Cite
Li, K.; Li, Y.; Fan, R.; Liu, Z.; Lu, M. A Review of Synchronous Fixed-Frequency Microgrid Droop Control Systems Based on Global Positioning System. Processes 2025, 13, 54. https://doi.org/10.3390/pr13010054
Li K, Li Y, Fan R, Liu Z, Lu M. A Review of Synchronous Fixed-Frequency Microgrid Droop Control Systems Based on Global Positioning System. Processes. 2025; 13(1):54. https://doi.org/10.3390/pr13010054
Chicago/Turabian StyleLi, Kuan, Yudun Li, Rongqi Fan, Zehao Liu, and Maozeng Lu. 2025. "A Review of Synchronous Fixed-Frequency Microgrid Droop Control Systems Based on Global Positioning System" Processes 13, no. 1: 54. https://doi.org/10.3390/pr13010054
APA StyleLi, K., Li, Y., Fan, R., Liu, Z., & Lu, M. (2025). A Review of Synchronous Fixed-Frequency Microgrid Droop Control Systems Based on Global Positioning System. Processes, 13(1), 54. https://doi.org/10.3390/pr13010054
