Parasitic Coupling in 3D Sequential Integration: The Example of a Two-Layer 3D Pixel †
Abstract
:1. Introduction
2. CMOS Imager: Architectures and Integration
2.1. CIS Standard Architectures and Operation
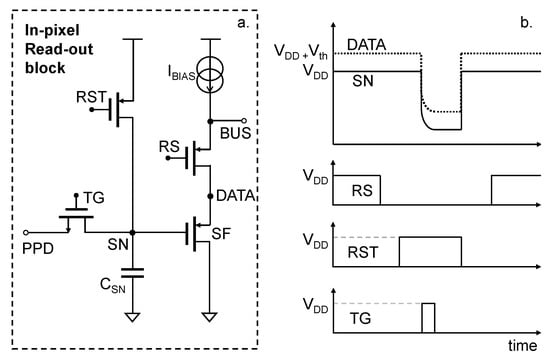
- Reset (RST ON): The photodiode voltage is set to a reference voltage Vref;
- Exposure (RST OFF): The detected photons decrease the reverse photodiode voltage during the integration time (tint);
- Readout (RS and SF ON): The output voltage level is sampled and further processed at the column level.
2.2. The Back-Side Illumination Integration Scheme
2.3. CIS Performance Metrics
3. Parasitic Capacitance Coupling in a Two-Layer 3DSI Pixel
3.1. Investigation at Device Level
3.1.1. Simulated Structure Details
3.1.2. Impact of Inter-Tier Coupling on Electrical Parameters
3.2. Investigation at Pixel Level
3.2.1. Pixel Topology and Chronogram
3.2.2. Impact of TG Coupling on Pixel Electrical Parameters
3.2.3. Inter-Tier Ground Plane Necessity
4. Conclusions
Author Contributions
Funding
Institutional Review Board Statement
Informed Consent Statement
Data Availability Statement
Acknowledgments
Conflicts of Interest
References
- Arden, W.; Brillouët, M.; Cogez, P.; Graef, M.; Huizing, B.; Mahnkopf, R. “More-than-Moore” White Paper; 2010; Version 2. Available online: http://www.itrs2.net/uploads/4/9/7/7/49775221/irc-itrs-mtm-v2_3.pdf (accessed on 2 January 2022).
- Haruta, T.; Nakajima, T.; Hashizume, J.; Umebayashi, T.; Takahashi, H.; Taniguchi, K.; Kuroda, M.; Sumihiro, H.; Enoki, K.; Yamasaki, T.; et al. A 1/2.3inch 20Mpixel 3-layer stacked CMOS Image Sensor with DRAM. In Proceedings of the Digest of Technical Papers—IEEE International Solid-State Circuits Conference, San Francisco, CA, USA, 5–9 February 2017; Institute of Electrical and Electronics Engineers Inc.: Piscataway, NJ, USA, 2017; Volume 60, pp. 76–77. [Google Scholar]
- Theuwissen, A. CMOS image sensors: State-of-the-art and future perspectives. In Proceedings of the ESSDERC 2007-37th European Solid State Device Research Conference, Munich, Germany, 11–13 September 2007; pp. 21–27. [Google Scholar] [CrossRef]
- Coudrain, P.; Magnan, P.; Batude, P.; Gagnard, X.; Leyris, C.; Vinet, M.; Castex, A.; Lagahe-Blanchard, C.; Pouydebasque, A.; Cazaux, Y.; et al. Investigation of a sequential three-dimensional process for back-illuminated CMOS image sensors with miniaturized pixels. IEEE Trans. Electron Devices 2009, 56, 2403–2413. [Google Scholar] [CrossRef]
- Brunet, L.; Batude, P.; Fenouillet-Beranger, C.; Besombes, P.; Hortemel, L.; Ponthenier, F.; Previtali, B.; Tabone, C.; Royer, A.; Agraffeil, C.; et al. First demonstration of a CMOS over CMOS 3D VLSI CoolCubeTM integration on 300mm wafers. In Proceedings of the 2016 IEEE Symposium on VLSI Technology, Honolulu, HI, USA, 14–16 June 2016; IEEE: Piscataway, NJ, USA, 2016; pp. 1–2. [Google Scholar]
- Batude, P.; Brunet, L.; Fenouillet-Beranger, C.; Andrieu, F.; Colinge, J.-P.; Lattard, D.; Vianello, E.; Thuries, S.; Billoint, O.; Vivet, P.; et al. 3D Sequential Integration: Application-driven technological achievements and guidelines. In Proceedings of the 2017 IEEE International Electron Devices Meeting (IEDM), San Francisco, CA, USA, 2–6 December 2017; IEEE: Piscataway, NJ, USA, 2017; pp. 3.1.1–3.1.4. [Google Scholar]
- Vivet, P.; Sicard, G.; Millet, L.; Chevobbe, S.; Chehida, K.B.; Angel Cubero, L.; Alegre, M.; Bouvier, M.; Valentian, A.; Lepecq, M.; et al. Advanced 3D Technologies and Architectures for 3D Smart Image Sensors. In Proceedings of the 2019 Design, Automation & Test in Europe Conference & Exhibition (DATE), Florence, Italy, 25–29 March 2019; IEEE: Piscataway, NJ, USA, 2019; pp. 674–679. [Google Scholar]
- Cavalcante, C.; Garros, X.; Batude, P.; Tataridou, A.; Lacord, J.; Casse, M.; Theodorou, C.; Karatsori, T.; Gassilloud, R.; Fenouillet-Beranger, C.; et al. Low temperature high voltage analog devices in a 3D sequential integration. In Proceedings of the 2020 International Symposium on VLSI Technology, Systems and Applications, VLSI-TSA 2020, Hsinchu, Taiwan, 10–13 August 2020. [Google Scholar]
- Coudrain, P. Contribution au développement d’une technologie d’intégration tridimensionnelle pour les capteurs d’images CMOS à pixels actifs. Ph.D. Thesis, Institut Supérieur de l′Aéronautique et de l′Espace (ISAE), Toulouse, France, 2009. [Google Scholar]
- Weckler, G.P. Operation of p-n Junction Photodetectors in a Photon Flux Integrating Mode. IEEE J. Solid-State Circuits 1967, 2, 65–73. [Google Scholar] [CrossRef]
- El Gamal, A.; Eltoukhy, H. CMOS image sensors. IEEE Circuits Devices Mag. 2005, 21, 6–20. [Google Scholar] [CrossRef]
- Zhao, C.; Kanicki, J.; Konstantinidis, A.C.; Patel, T. Large area CMOS active pixel sensor x-ray imager for digital breast tomosynthesis: Analysis, modeling, and characterization. Med. Phys. 2015, 42, 6294–6308. [Google Scholar] [CrossRef] [PubMed] [Green Version]
- Yadid-Pecht, O.; Ginosar, R.; Diamand, Y.S. A Random Access Photodiode Array for Intelligent Image Capture. IEEE Trans. Electron Devices 1991, 38, 1772–1780. [Google Scholar] [CrossRef]
- Guidash, R.M.; Lee, T.H.; Lee, P.P.K.; Sackett, D.H.; Drowley, C.I.; Swenson, M.S.; Arbaugh, L.; Hollstein, R.; Shapiro, F.; Domer, S. 0.6 μm CMOS pinned photodiode color imager technology. In Proceedings of the Technical Digest—International Electron Devices Meeting, IEDM, Washington, DC, USA, 10 December 1997; pp. 927–929. [Google Scholar]
- Yole Developpement Status of the CMOS Image Sensor Industry 2021. Available online: https://s3.i-micronews.com/uploads/2021/08/YINTR21167-Status-of-the-CMOS-Image-Sensor-Industry-2021-Sample.pdf (accessed on 2 January 2022).
- Kadura, L. New FDSOI-Based Integrated Circuit Architectures Sensitive to Light for Imaging Applications; Grenoble Alpes University: Grenoble, France, 2019. [Google Scholar]
- Amara, A.; Rozeau, O. Planar Double-Gate Transistor; Amara, A., Rozeau, O., Eds.; Springer: Dordrecht, The Netherlands, 2009; ISBN 978-1-4020-9327-2. [Google Scholar]
- Tsuno, M.; Suga, M.; Tanaka, M.; Shibahara, K.; Miura-Mattausch, M.; Hirose, M. Physically-based threshold voltage determination for MOSFET’s of all gate lengths. IEEE Trans. Electron Devices 1999, 46, 1429–1434. [Google Scholar] [CrossRef]
- Groeseneken, G.; Colinge, J.P.; Maes, H.E.; Alderman, J.C.; Holt, S. Temperature Dependence of Threshold Voltage in Thin-Film SOI MOSFET’s. IEEE Electron Device Lett. 1990, 11, 329–331. [Google Scholar] [CrossRef]
- Khanna, V.K. Temperature dependence of electrical characteristics of silicon MOS devices and circuits. In Extreme-Temperature and Harsh-Environment Electronics Physics, Technology and Applications; IOP Publishing: Bristol, UK, 2017. [Google Scholar]
- Fowler, B. Single Photon CMOS Imaging Through Noise Minimization; Seitz, P., Theuwissen, A.J., Eds.; Springer Series in Optical Sciences; Springer: Berlin/Heidelberg, Germany, 2011; Volume 160, pp. 159–195. ISBN 978-3-642-18442-0. [Google Scholar]
- Vandooren, A.; Wu, Z.; Khaled, A.; Franco, J.; Parvais, B.; Li, W.; Witters, L.; Walke, A.; Peng, L.; Rassoul, N.; et al. Buried metal line compatible with 3D sequential integration for top tier planar devices dynamic Vth tuning and RF shielding applications. Dig. Technol. Pap.-Symp. VLSI Technol. 2019, 2019, T56–T57. [Google Scholar] [CrossRef]
- Sideris, P.; Andrieu, F.; Colinge, J.P.; Ghibaudo, G.; Theodorou, C.; Lugo-Alvarez, J.; Batude, P.; Brunet, L.; Acosta-Alba, P.; Kerdiles, S.; et al. Inter-tier Dynamic Coupling and RF Crosstalk in 3D Sequential Integration. Technol. Dig.-Int. Electron Devices Meet. IEDM 2019, 2019, 3.4.1–3.4.4. [Google Scholar] [CrossRef]













| CSN + CGD (fF) | CGS (fF) | Cout,SF (pF) | CG (μV/e−) | |
|---|---|---|---|---|
| 2D | 4.432 | 1.093 | 2 | 34.319 |
| 3D | 4.48 | 1.137 | 2 | 33.942 |
Publisher’s Note: MDPI stays neutral with regard to jurisdictional claims in published maps and institutional affiliations. |
© 2022 by the authors. Licensee MDPI, Basel, Switzerland. This article is an open access article distributed under the terms and conditions of the Creative Commons Attribution (CC BY) license (https://creativecommons.org/licenses/by/4.0/).
Share and Cite
Sideris, P.; Peizerat, A.; Batude, P.; Sicard, G.; Theodorou, C. Parasitic Coupling in 3D Sequential Integration: The Example of a Two-Layer 3D Pixel. Technologies 2022, 10, 38. https://doi.org/10.3390/technologies10020038
Sideris P, Peizerat A, Batude P, Sicard G, Theodorou C. Parasitic Coupling in 3D Sequential Integration: The Example of a Two-Layer 3D Pixel. Technologies. 2022; 10(2):38. https://doi.org/10.3390/technologies10020038
Chicago/Turabian StyleSideris, Petros, Arnaud Peizerat, Perrine Batude, Gilles Sicard, and Christoforos Theodorou. 2022. "Parasitic Coupling in 3D Sequential Integration: The Example of a Two-Layer 3D Pixel" Technologies 10, no. 2: 38. https://doi.org/10.3390/technologies10020038
APA StyleSideris, P., Peizerat, A., Batude, P., Sicard, G., & Theodorou, C. (2022). Parasitic Coupling in 3D Sequential Integration: The Example of a Two-Layer 3D Pixel. Technologies, 10(2), 38. https://doi.org/10.3390/technologies10020038

