Characterization of Self-Heating Process in GaN-Based HEMTs
Abstract
1. Introduction
2. Scope of the Research
2.1. Samples
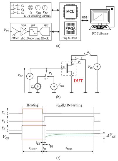
2.2. Electrical Characterization of Thermal Properties
- Tj(t)—channel temperature response;
- T0—ambient temperature (heatsink);
- Z′th(t)—time derivative of Zth(t);
- Pd (t)—dissipated power.
- IG—junction forward current;
- A—effective Richardson constant;
- W—the junction surface;
- q—charge of the electron;
- k—Boltzmann constant;
- n—ideality factor;
- Vb—built-in barrier voltage.
- preparation of a test board with connected transistor marked as DUT in Figure 2b.
- gate-source voltage VGS(t) recording.
- K factor measurement—calibration.
- thermal impedance Zth(t) calculation.
- Tj(0)—calculated channel temperature at the beginning of the VGS(t) recording;
- PDC—dissipated power in transistor during heating phase.
3. Results
4. Conclusions
Author Contributions
Funding
Acknowledgments
Conflicts of Interest
References
- Keshmiri, N.; Wang, D.; Agrawal, B.; Hou, R.; Emadi, A. Current Status and Future Trends of GaN HEMTs in Electrified Transportation. IEEE Access 2020, 8, 70553–70571. [Google Scholar] [CrossRef]
- Paparisto, G.; Vey, D. Designing Next-Generation AESA Radar. Available online: www.microwavejournal.com/articles/27385 (accessed on 14 November 2016).
- Onoe, S. 1.3 Evolution of 5G mobile technology toward 1 2020 and beyond. In Proceedings of the 2016 IEEE International Solid-State Circuits Conference (ISSCC), San Francisco, CA, USA, 31 January–4 February 2016; pp. 23–28. [Google Scholar]
- Walker, J.L.B. Handbook of RF and Microwave Power Amplifiers, 3rd ed.; Cambridge University Press: Cambridge, UK, 2012. [Google Scholar]
- Nikolaenko, Y.; Baranyuk, A.; Reva, S.; Pis’Mennyi, E.; Dubrovka, F.; Rohachov, V. Improving air cooling efficiency of transmit/receive modules through using heat pipes. Therm. Sci. Eng. Prog. 2019, 14, 100418. [Google Scholar] [CrossRef]
- Skolnik, M. Radar Handbook, 3rd ed.; McGraw-Hill: New York, NY, USA, 2008. [Google Scholar]
- Kuchta, D.; Gryglewski, D.; Wojtasiak, W. Pulsed measurements of transmittance deviations of power amplifiers for T/R modules. In Proceedings of the 2018 22nd International Microwave and Radar Conference (MIKON), Poznan, Poland, 14–17 May 2018; pp. 100–103. [Google Scholar]
- Shafi, M.; Molisch, A.F.; Smith, P.J.; Haustein, T.; Zhu, P.; De Silva, P.; Tufvesson, F.; Benjebbour, A.; Wunder, G. 5G: A Tutorial Overview of Standards, Trials, Challenges, Deployment, and Practice. IEEE J. Sel. Areas Commun. 2017, 35, 1201–1221. [Google Scholar] [CrossRef]
- Salmer, C.; Eudeline, P.; Rolland, P.A. Pulse to Pulse Stability of Solid State Transmitter Module for Radars Application. In Proceedings of the 28th European Microwave Conference, Amsterdam, The Netherlands, 6–8 October 1998; pp. 79–84. [Google Scholar]
- Kuchta, D.; Gryglewski, D.; Wojtasiak, W. A GaN HEMT Amplifier Design for Phased Array Radars and 5G New Radios. Micromachines 2020, 11, 398. [Google Scholar] [CrossRef] [PubMed]
- Angelov, I.; Thorsell, M.; Andersson, K.; Rorsman, N.; Kuwata, E.; Ohtsuka, H.; Yamanaka, K. On the large-signal modeling of High Power AlGaN/GaN HEMTs. In Proceedings of the 2012 IEEE/MTT-S International Microwave Symposium Digest, Montreal, QC, Canada, 17–22 June 2012. [Google Scholar]
- Lewis, R.W.; Morgan, F.; Schrefler, B.A. Numerical Methods in Heat Transfer; John Wiley & Sons: New York, NY, USA, 1998. [Google Scholar]
- Taube, A.; Kaminska, E.; Kozubal, M.; Kaczmarski, J.; Wojtasiak, W.; Jasinski, J.; Borysiewicz, M.; Ekielski, M.; Juchniewicz, M.; Grochowski, J.; et al. Ion implantation for isolation of AlGaN/GaN HEMTs using C or Al. Phys. Status Solidi (a) 2015, 212, 1162–1169. [Google Scholar] [CrossRef]
- Wojtasiak, W.; Goralczyk, M.; Gryglewski, D.; Zając, M.; Kucharski, R.; Prystawko, P.; Piotrowska, A.; Ekielski, M.; Kaminska, E.; Taube, A.; et al. AlGaN/GaN High Electron Mobility Transistors on Semi-Insulating Ammono-GaN Substrates with Regrown Ohmic Contacts. Micromachines 2018, 9, 546. [Google Scholar] [CrossRef] [PubMed]
- High-Frequency Transistor Primer Part II-A. A Guide to Understanding, Measuring, and Applying Power FET Thermal Resistance Coefficients. Available online: www.hp.woodshot.com/hprfhelp/4_downld/lit/other/primer3a.pdf (accessed on 9 November 1998).
- Test Method Standard, Transistor Electrical Test Methods for Semiconductor Devices. Available online: https://snebulos.mit.edu/projects/reference/MIL-STD/MIL-STD-750-3.pdf (accessed on 3 July 2012).
- Janke, W.; Blakiewicz, G. Semi-analytical recursive algorithms for convolution calculations. IEE Proc. Circuits Devices Syst. 1995, 142, 125. [Google Scholar] [CrossRef]
- Thermal Simulation of Power MOSFETs on the P-Spice Platform. Available online: www.vishay.com/docs/73554/73554.pdf (accessed on 7 October 2005).
- Minot, M. Thermal Characterization of Microwave Power FETs Using Nematic Liquid Crystals. In Proceedings of the 2000 IEEE MTT-S International Microwave Symposium Digest, Baltimore, MD, USA, 2–4 June 1986; pp. 495–498. [Google Scholar]
- Jones, J.P.; Rosenberger, M.R.; King, W.P.; Vetury, R.; Heller, E.; Dorsey, D.; Graham, S. Electro-thermo-mechanical Transient Modelling of Stress Development in AlGaN/GaN. In Proceedings of the IEEE Intersociety Conference on Thermal and Thermomechanical Phenomena in Electronic Systems (ITherm), Orlando, FL, USA, 27–30 May 2014; pp. 959–965. [Google Scholar]
- Choi, S.; Heller, E.R.; Dorsey, D.; Vetury, R.; Graham, S. The Impact of Bias Conditions on Self-Heating in AlGaN/GaN HEMTs. IEEE Trans. Electron Devices 2013, 60, 159–162. [Google Scholar] [CrossRef]
- Darwish, A.; Bayba, A.J.; Hung, H.A. Channel Temperature Analysis of GaN HEMTs With Nonlinear Thermal Conductivity. IEEE Trans. Electron Devices 2015, 62, 840–846. [Google Scholar] [CrossRef]
- Corrado, F.; Santarelli, A.; Cignani, R.; Filicori, F. Characterization of the Nonlinear Thermal Resistance and Pulsed Thermal Dynamic Behaviour of AlGaN–GaN HEMTs on SiC. IEEE Trans. Microw. Theory Tech. 2013, 61, 1879–1891. [Google Scholar]
- Joyce, W. Thermal resistance of heat sinks with temperature-dependent conductivity. Solid-State Electron. 1975, 18, 321–322. [Google Scholar] [CrossRef]
- TTS-1000 Thermal Test System. Available online: www.thermengr.net/PDF/TTS-1000.pdf (accessed on 15 July 2020).
- Li, G.; Sheng, G.C.; Wei, L.S. Measurement of junction temperature in AlGaN/GaN HEMTs. In Proceedings of the 2017 IEEE 24th International Symposium on the Physical and Failure Analysis of Integrated Circuits (IPFA), Chengdu, China, 4–7 July 2017; pp. 1–4. [Google Scholar]
- 15-W; 28-V; GaN HEMT for Linear Communications ranging from VHF to 3 GHz. Available online: www.wolfspeed.com/cgh27015 (accessed on 15 July 2020).
- Gryglewski, D.; Wiśniewski, M.; Wojtasiak, W. L-band High-Power GaN-on-Si HEMT Amplifier. In Proceedings of the 23rd International Microwave and Radar Conference (MIKON), Warsaw, Poland, 5–8 October 2020. [Google Scholar]
- Jang, K.-W.; Hwang, I.-T.; Kim, H.-J.; Lee, S.-H.; Lim, J.W.; Kim, H.-S. Thermal Analysis and Operational Characteristics of an AlGaN/GaN High Electron Mobility Transistor with Copper-Filled Structures: A Simulation Study. Micromachines 2020, 11, 53. [Google Scholar] [CrossRef]
- Pomeroy, J.W.; Uren, M.J.; Lambert, B.; Kuball, M. Operating channel temperature in GaN HEMTs: DC versus RF accelerated life testing. Microelectron. Reliab. 2015, 55, 2505–2510. [Google Scholar] [CrossRef]










| Parameter | CGH27015F | TGF2023-2-01 | NPT2022 | T8 |
|---|---|---|---|---|
| Frequency Range | 2.3–2.9 GHz | DC–14 GHz | DC–2 GHz | DC–12 GHz |
| Breakdown Voltage VDS | 120 V | 40 V | 160 V | 120 V |
| Channel Temperature | 175 °C | 225 °C | 200 °C | 295 °C |
| Thermal Resistance Rth | 8 °C/W | 16 °C/W | 1.7 °C/W | 30 °C/W |
| Test Conditions (VDS, IDQ) | 28 V, 100 mA | 28 V, 125 mA | 48 V, 600 mA | 28 V, 65 mA |
| Saturated Output Power | 15 W | 5 W | 100 W | 2 W |
| Power Gain | 13 dB@2.5 GHz | 16 dB@3 GHz | 16 dB@2 GHz | 14 dB@3 GHz |
| View | ![]() | ![]() | ![]() | ![]() |
© 2020 by the authors. Licensee MDPI, Basel, Switzerland. This article is an open access article distributed under the terms and conditions of the Creative Commons Attribution (CC BY) license (http://creativecommons.org/licenses/by/4.0/).
Share and Cite
Gryglewski, D.; Wojtasiak, W.; Kamińska, E.; Piotrowska, A. Characterization of Self-Heating Process in GaN-Based HEMTs. Electronics 2020, 9, 1305. https://doi.org/10.3390/electronics9081305
Gryglewski D, Wojtasiak W, Kamińska E, Piotrowska A. Characterization of Self-Heating Process in GaN-Based HEMTs. Electronics. 2020; 9(8):1305. https://doi.org/10.3390/electronics9081305
Chicago/Turabian StyleGryglewski, Daniel, Wojciech Wojtasiak, Eliana Kamińska, and Anna Piotrowska. 2020. "Characterization of Self-Heating Process in GaN-Based HEMTs" Electronics 9, no. 8: 1305. https://doi.org/10.3390/electronics9081305
APA StyleGryglewski, D., Wojtasiak, W., Kamińska, E., & Piotrowska, A. (2020). Characterization of Self-Heating Process in GaN-Based HEMTs. Electronics, 9(8), 1305. https://doi.org/10.3390/electronics9081305





