A Two-Stage X-Band 20.7-dBm Power Amplifier in 40-nm CMOS Technology
Abstract
1. Introduction
2. PA Design
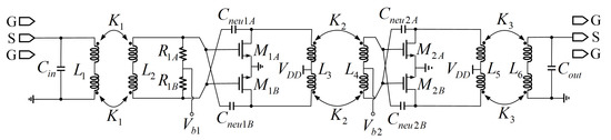
2.1. PA Architecture
2.2. Design of Transistor Cells
2.3. PA Matching Network Design
2.3.1. Inter-Stage/Output Matching Network Design
2.3.2. Input Matching Network Design
3. Fabrication and Measurement
4. Conclusions
Author Contributions
Funding
Conflicts of Interest
References
- Peng, K.-C.; Lin, C.-C.; Lin, Z.-H.; Chen, C.-C.; Hsu, C.-C. A low noise X-band frequency synthesizer for 5G applications. In Proceedings of the IEEE International Conference on Consumer Electronics-Taiwan (ICCE-TW), Nantou, Taiwan, 27–29 May 2016; pp. 1–2. [Google Scholar]
- Liu, R.-C.; Lin, C.-S.; Deng, K.-L.; Wang, H. Design and analysis of DC-to-14-GHz and 22-GHz CMOS cascode. IEEE J. Solid-State Circuits 2004, 39, 1370–1374. [Google Scholar]
- Hsu, H.C.; Wang, Z.W.; Ma, G.K. A low power CMOS full-band UWB power amplifier using wideband RLC matching method. In Proceedings of the IEEE Conference on Electron Devices and Solid-State Circuits, Hong Kong, China, 19–21 December 2005; pp. 233–236. [Google Scholar]
- Lu, C.; Pham, A.V.; Shaw, M. A CMOS power amplifier for full-band UWB transmitters. In Proceedings of the IEEE Radio Frequency Integrated Circuits (RFIC) Symposium, San Francisco, CA, USA, 10–13 June 2006. [Google Scholar]
- Chao, L.; Pham, A.H.; Shaw, M.; Saint, C. Linearization of CMOS broadband power amplifiers through combined multigated transistors and capacitance compensation. IEEE Trans. Microw. Theory Tech. 2007, 55, 2320–2328. [Google Scholar] [CrossRef]
- Chung, H.-W.; Hsu, C.-Y.; Yang, C.-Y.; Wei, K.-F.; Chuang, R.H. A 6-10-GHz CMOS power amplifier with an inter-stage wideband impedance transformer for UWB transmitters. In Proceedings of the IEEE 38th European Microwave Conference, Amsterdam, The Netherlands, 27–31 October 2008; pp. 305–308. [Google Scholar]
- Ku, B.-H.; Baek, S.-H.; Hong, S. A X-band CMOS power amplifier with on-chip transmission line transformers. In Proceedings of the 2008 IEEE Radio Frequency Integrated Circuits Symposium, Atlanta, GA, USA, 15–17 June 2008; pp. 523–526. [Google Scholar]
- Huang, P.-C.; Lin, K.-Y.; Wang, H. A 4–17 GHz Darlington Cascode Broadband Medium Power Amplifier in 0.18-μm CMOS Technology. IEEE Microw. Wirel. Components Lett. 2009, 20, 43–45. [Google Scholar] [CrossRef]
- Wang, H.; Sideris, C.; Hajimiri, A. A CMOS broadband power amplifier with a transformer-based high-order output matching network. IEEE J. Solid-State Circuits 2010, 45, 2709–2722. [Google Scholar] [CrossRef]
- Chi, P.-S.; Tsai, Z.-M.; Kuo, J.-L.; Lin, K.-Y.; Wang, H. An X-band, 23.8-dBm fully integrated power amplifier with 25.8% PAE in 0.18-μm CMOS technology. In Proceedings of the IEEE European Microwave Integrated Circuits Conference, Paris, France, 27–28 September 2010; pp. 436–439. [Google Scholar]
- Wang, H.; Sideris, C.; Hajimiri, A. A 5.2-to-13GHz class-AB CMOS power amplifier with a 25.2 dBm peak output power at 21.6% PAE. In Proceedings of the IEEE International Solid-State Circuits Conference-(ISSCC), San Francisco, CA, USA, 7–11 February 2010; pp. 44–45. [Google Scholar]
- Ku, B.-H.; Baek, S.-H.; Hong, S. A wideband transformer-coupled CMOS power amplifier for X-band multifunction chips. IEEE Trans. Microw. Theory Techn. 2011, 6, 1599–1609. [Google Scholar] [CrossRef]
- Comeau, J.P.; Thoenes, E.W.; Imhoff, A.; Morton, M.A. X-band +24 dBm CMOS power amplifier with transformer power combining. In Proceedings of the IEEE 2011 IEEE 11th Topical Meeting on Silicon Monolithic Integrated Circuits in RF Systems, Phoenix, AZ, USA, 17–19 January 2011; pp. 49–52. [Google Scholar]
- Sarkas, I.; Balteanu, A.; Dacquay, E.; Tomkins, A.; Voinigescu, S. A 45 nm SOI CMOS Class-D mm-Wave PA with >10 V pp differential swing. In Proceedings of the IEEE International Solid-State Circuits Conference, San Francisco, CA, USA, 19–23 February 2012; pp. 88–90. [Google Scholar]
- Chen, J.-H.; Helmi, S.R.; Jou, A.Y.-S.; Mohammadi, S. A wideband power amplifier in 45 nm CMOS SOI technology for X band applications. IEEE Microw. Wirel. Components Lett. 2012, 23, 587–589. [Google Scholar] [CrossRef]
- Helmi, S.R.; Chen, J.-H.; Mohammadi, S. An X to K a-Band Fully-integrated stacked power amplifier in 45 nm CMOS SOI technology. In Proceedings of the IEEE 14th Topical Meeting on Silicon Monolithic Integrated Circuits in Rf Systems, Newport Beach, CA, USA, 19–23 January 2014; pp. 74–76. [Google Scholar]
- Qian, H.J.; Liang, J.O.; Luo, X. A 3.5–9.5 GHz compact digital power amplifier with 39.3% peak PAE in 40nm CMOS technology. In Proceedings of the IEEE International Wireless Symposium (IWS 2015), Shenzhen, China, 30 March–1 April 2015; pp. 1–4. [Google Scholar]
- Tsai, J.-H.; Wang, J.-W. An X-Band Half-Watt CMOS Power Amplifier Using Interweaved Parallel Combining Transformer. IEEE Microw. Wirel. Components Lett. 2017, 27, 491–493. [Google Scholar] [CrossRef]
- Jaeyong, K.; Nam, S. A Two-Stage S-/X-Band CMOS Power Amplifier for High-Resolution Radar Transceivers. IEEE Microw. Wirel. Components Lett. 2018, 28, 606–608. [Google Scholar]
- Trinh, V.-S.; Nam, H.; Park, J.-D. A 20.5-dBm X-band power amplifier with a 1.2-V supply in 65-nm CMOS technology. IEEE Microw. Wirel. Compon. Lett. 2019, 3, 234–236. [Google Scholar] [CrossRef]
- Bae, K.-T.; Lee, I.-J.; Kang, B.; Sim, S.; Jeon, L.; Kim, D.-W. X-Band GaN Power Amplifier MMIC with a Third Harmonic-Tuned Circuit. Electronics 2017, 6, 103. [Google Scholar] [CrossRef]
- Chen, R.; Li, R.; Zhou, S.; Chen, S.; Huang, J.; Wang, Z. An X-Band 40 W Power Amplifier GaN MMIC Design by Using Equivalent Output Impedance Model. Electronics 2019, 8, 99. [Google Scholar] [CrossRef]
- Shin, D.-H.; Yom, I.-B.; Kim, D.-W. X-band GaN MMIC power amplifier for the SSPA of a SAR system. In Proceedings of the IEEE International Symposium on Radio-Frequency Integration Technology (RFIT), Seoul, Korea, 30 August–1 September 2017; pp. 93–95. [Google Scholar]
- Couturier, A.M.; Poitrenaud, N.; Serru, V.; Dionisio, R.; Fontecavc, J.J.; Camiade, M. 50% High Efficiency X-Band GaN MMIC Amplifier for Space Applications. In Proceedings of the IEEE 48th European Microwave Conference (EuMC), Madrid, Spain, 23–27 September 2018; pp. 352–355. [Google Scholar]
- Lee, B.-H.; Park, B.-J.; Choi, S.-Y.; Lim, B.-O.; Go, J.-S.; Kim, S.-C. A 20 W GaN-based Power Amplifier MMIC for X-band Radar Applications. J. IKEEE 2019, 23, 181–187. [Google Scholar]
- Kamioka, J.; Kuwata, E.; Hangai, M.; Nakahara, K.; Kamo, Y.; Shinjo, S.; Shimozawa, M. A 26-W X-Band High Efficiency GaN MMIC Power Amplifier with Compact Spurious Suppression Filters. In Proceedings of the IEEE Asia-Pacific Microwave Conference (APMC), Kyoto, Japan, 6–9 November 2018; pp. 1211–1213. [Google Scholar]
- Kurniawan, T.A.; Yoshimasu, T. A 2.5-GHz 1-V High Efficiency CMOS Power Amplifier IC with a Dual-Switching Transistor and Third Harmonic Tuning Technique. Electronics 2019, 8, 69. [Google Scholar] [CrossRef]
- Choe, Y.-J.; Nam, H.; Park, J.-D. A compact 5 GHz power amplifier using a spiral transformer for enhanced power supply rejection in 180-nm CMOS technology. Electronics 2019, 8, 1043. [Google Scholar] [CrossRef]
- Jia, H.; Prawoto, C.C.; Chi, B.; Wang, Z.; Yue, C.P. A full Ka-Band power amplifier with 32.9% PAE and 15.3-dBm power in 65-nm CMOS. IEEE Trans. Circuits Syst. Regul. Pap. 2018, 65, 2657–2668. [Google Scholar] [CrossRef]
- Shakib, S.; Park, H.-C.; Dunworth, J.; Aparin, V.; Entesari, K. A highly efficient and linear power amplifier for 28-GHz 5G phased array radios in 28-nm CMOS. IEEE J. Solid-State Circuits 2016, 51, 3020–3036. [Google Scholar] [CrossRef]
- Li, Z.; Yang, S.; Liu, H.; Yeo, K.S. CMOS Transformer Design for X-band Power Amplifier Applications. In Proceedings of the International Conference on Solid-State and Integrated Circuit Technology (ICSICT), Kunming, China, 3–6 November 2020. [Google Scholar]
















| Reference | Process | Frequency (GHz) | (V) | Publication Year | 
|---|---|---|---|---|
| [2] | 180 nm CMOS | 0–14 | 1.3 | 2004 | 
| [3] | 180 nm CMOS | 3.1–10.6 | 1.8 | 2005 | 
| [4] | 180 nm CMOS | 3–10 | 2 | 2006 | 
| [5] | 180 nm CMOS | 3.7–8.8 | - | 2007 | 
| [6] | 180 nm CMOS | 6–10 | 1.5 | 2008 | 
| [7] | 180 nm CMOS | 8.5–10 | 3.3 | 2008 | 
| [8] | 180 nm CMOS | 4–17 | 3.6 | 2009 | 
| [9] | 90 nm CMOS | 5.2–13 | 2.8 | 2010 | 
| [10] | 180 nm CMOS | 7–12 | 3.6 | 2010 | 
| [11] | 90 nm CMOS | 5.2–13 | - | 2010 | 
| [12] | 180 nm CMOS | 6.5–13 | 3.6 | 2011 | 
| [13] | 180 nm CMOS | 8.6–10.3 | 3 | 2011 | 
| [14] | 45 nm CMOS SOI | 4–50 | 1.1/6 | 2012 | 
| [15] | 45 nm CMOS SOI | 9–15 | 3.6/4.8 | 2013 | 
| [16] | 45 nm CMOS SOI | 10–32 | 0.75/1/2 | 2014 | 
| [17] | 40 nm | 3.5–9.5 | 1.2 | 2015 | 
| [18] | 180 nm | 7–10 | 3.3 | 2017 | 
| [19] | 180 nm | 3/9 | 3.6 | 2018 | 
| [20] | 65 nm | 8–11.4 | 1.2 | 2019 | 
| Reference | Technology | Frequency, GHz | Technique | , dBm | Gain, dB | , V | PAE, % | EC, mS | 
|---|---|---|---|---|---|---|---|---|
| [20] | 65 nm CMOS | 8.0–11.4 | Two-stage cascode | 20.5 | 24.4 | 1.2 | 24.5 | 77.9 | 
| [12] | 0.18 m CMOS | 6.5–13.0 | Two-stage push-pull | 21.5 | 25.3 | 3.3 | 20.3 | 13.0 | 
| [13] | 0.18 m CMOS | 8.6–10.3 | Two-stage with 2-way power combining | 24.5 | 25.0 | 3.0 | 24.5 | 31.3 | 
| [7] | 0.18 m CMOS | 8.5–10.0 | Two-stage cascode | 23.5 | 29.0 | 3.3 | 19.0 | 20.6 | 
| This work | 40 nm CMOS | 8.0–12.0 | Two-stage TF-coupled | 20.7 | 25.6 | 1.0 | 23.5 | 117.5 | 
| Publisher’s Note: MDPI stays neutral with regard to jurisdictional claims in published maps and institutional affiliations. | 
© 2020 by the authors. Licensee MDPI, Basel, Switzerland. This article is an open access article distributed under the terms and conditions of the Creative Commons Attribution (CC BY) license (http://creativecommons.org/licenses/by/4.0/).
Share and Cite
Li, Z.; Yang, S.; Lee, S.B.S.; Yeo, K.S. A Two-Stage X-Band 20.7-dBm Power Amplifier in 40-nm CMOS Technology. Electronics 2020, 9, 2198. https://doi.org/10.3390/electronics9122198
Li Z, Yang S, Lee SBS, Yeo KS. A Two-Stage X-Band 20.7-dBm Power Amplifier in 40-nm CMOS Technology. Electronics. 2020; 9(12):2198. https://doi.org/10.3390/electronics9122198
Chicago/Turabian StyleLi, Zhichao, Shiheng Yang, Samuel B. S. Lee, and Kiat Seng Yeo. 2020. "A Two-Stage X-Band 20.7-dBm Power Amplifier in 40-nm CMOS Technology" Electronics 9, no. 12: 2198. https://doi.org/10.3390/electronics9122198
APA StyleLi, Z., Yang, S., Lee, S. B. S., & Yeo, K. S. (2020). A Two-Stage X-Band 20.7-dBm Power Amplifier in 40-nm CMOS Technology. Electronics, 9(12), 2198. https://doi.org/10.3390/electronics9122198
 
        


 
       