Switched Capacitor Compensation of Supply Distortion in Class-D Amplifiers
Abstract
1. Introduction
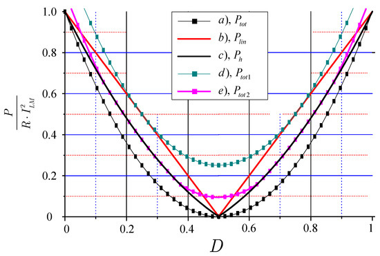
2. Power Efficiency of an Ideal Class-D HB Amplifier and the Root of the BP Problem
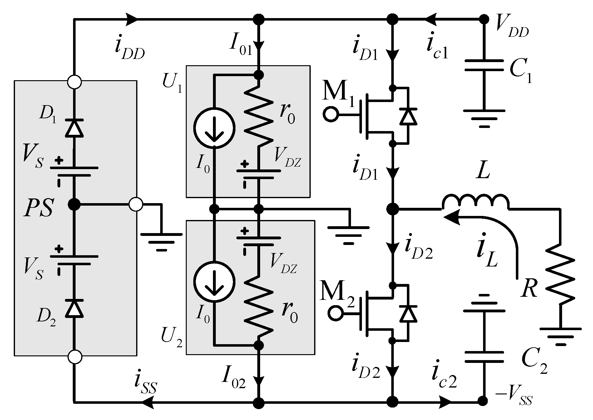
3. Analysis of a Passive BP Suppression and Impact on Power Consumption
3.1. Maximal Efficiency–Ideal Dissipative Method
3.2. Maximal Simplicity
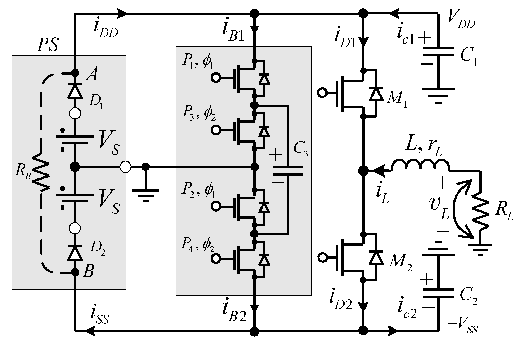
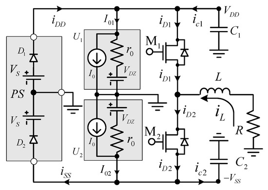
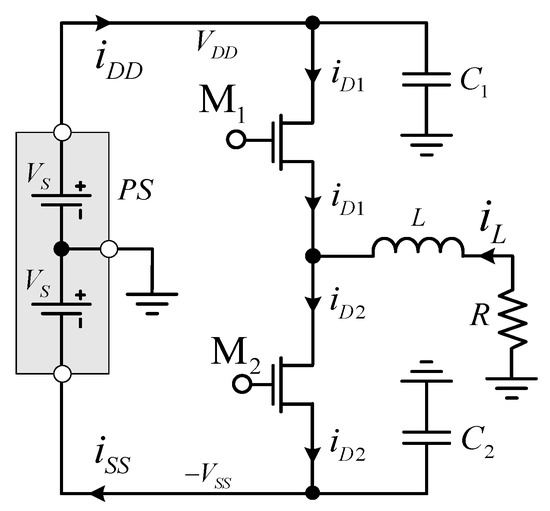
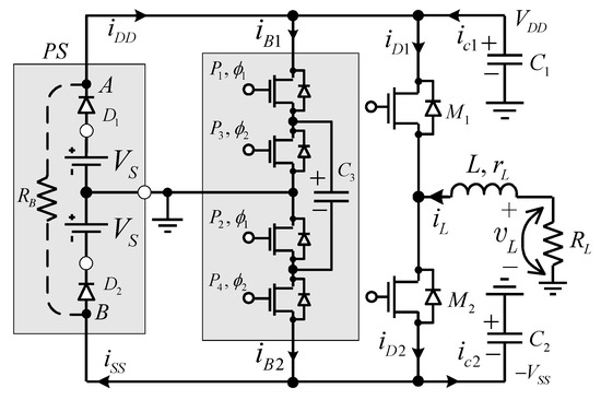
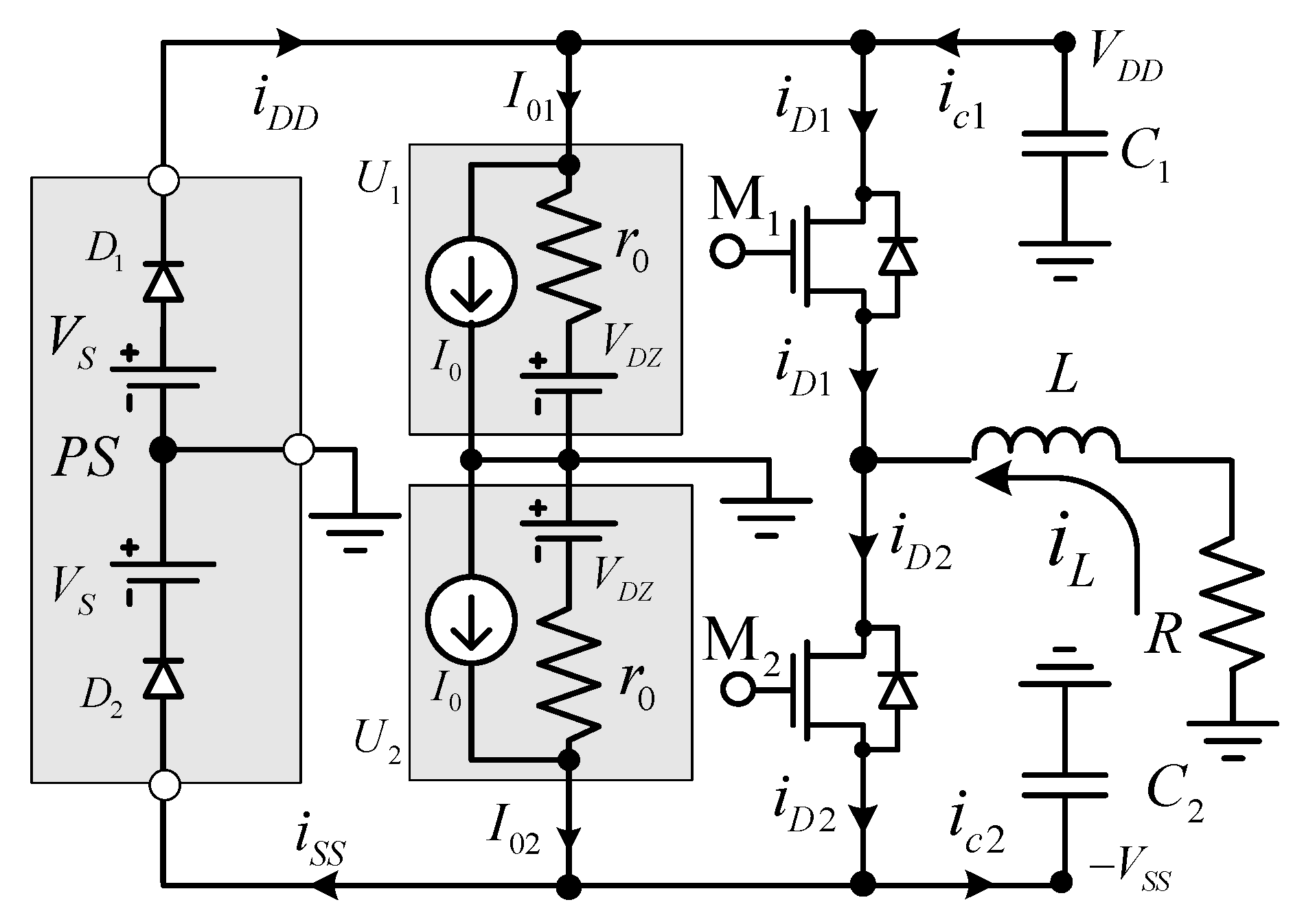
4. SC Compensation of BP Effect
4.1. Power Efficiency Analysis
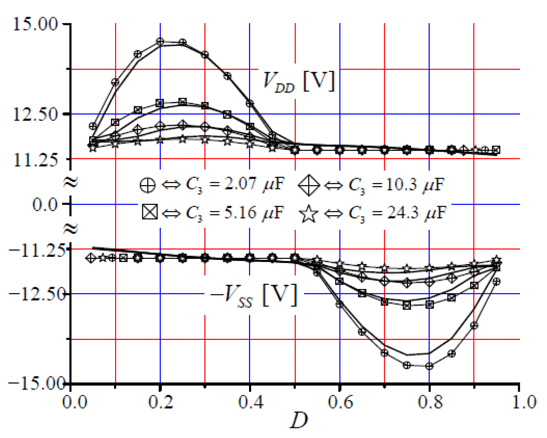
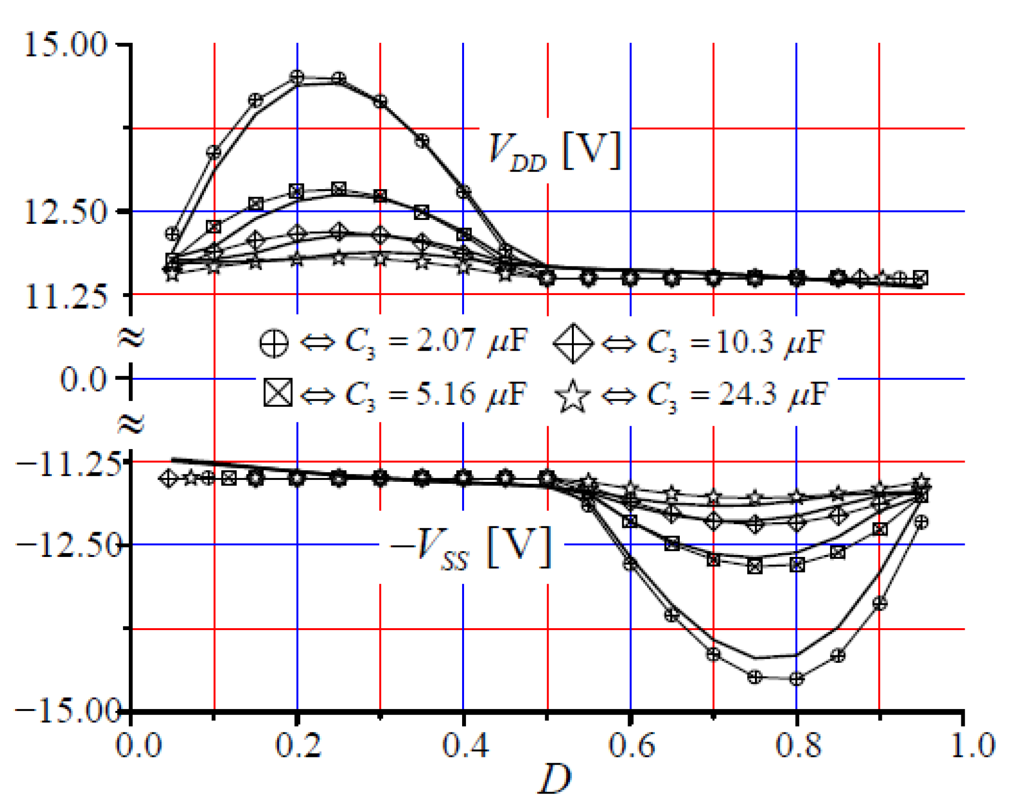
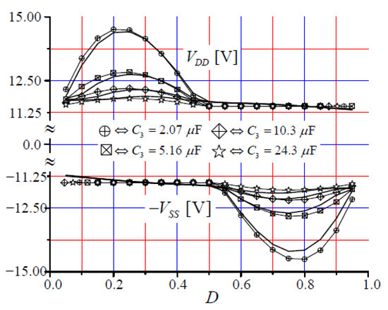
4.2. BP Analysis
4.3. Dynamical Behavior
4.4. Experimental Verification
5. Conclusions
Author Contributions
Funding
Acknowledgments
Conflicts of Interest
Nomenclature
References
- Honda, J.; Adams, J. Class D Audio Amplifier Basics, Application Note AN-1071. International Rectifier (USA). February 2005. Available online: https://www.infineon.com/dgdl/an-1071.pdf (accessed on 2 November 2020).
- Zia, M.Y.I.; Tierno, R.; Luque-Nieto, M.-Á.; Otero, P. An Energy-Efficient Integration of a Digital Modulator and a Class-D Amplifier. Electronics 2020, 9, 1319. [Google Scholar] [CrossRef]
- Colli-Menchi, A.I.; Sánchez-Sinencio, E. A High-Efficiency Self-Oscillating Class-D Amplifier for Piezoelectric Speakers. IEEE Trans. Power Electron. 2015, 30, 5125–5135. [Google Scholar] [CrossRef]
- Galic, J.; Pesic-Brdjanin, T.; Iriskic, L. Class-D Audio Amplifier using PulseWidth Modulation. In Proceedings of the 6th Small Systems Simulation Symposium 2016, Nis, Serbia, 12–14 February 2016; pp. 133–136. [Google Scholar]
- Kovacevic, S.; Pesic-Brdjanin, T.; Galic, J. Class D Audio Amplifier with Reduced Distortion. In Proceedings of the 2018 International Symposium on Industrial Electronics (INDEL), Banja Luka, Bosnia, Herzegovina, 1–3 November 2018; pp. 1–4. [Google Scholar]
- Zaman, H.; Zheng, X.; Wu, X.; Khan, S.; Ali, H.A. Fixed-Frequency Sliding-Mode Controller for Fourth-Order Class-D Amplifier. Electronics 2018, 7, 261. [Google Scholar] [CrossRef]
- Zhou, X.; Xu, J.; Zhong, S.; Liu, Y. Soft Switching Symmetric Bipolar Outputs DC-Transformer (DCX) for Eliminating Power Supply Pumping of Half-Bridge Class-D Audio Amplifier. IEEE Tran. Power Electron. 2019, 34, 6440–6455. [Google Scholar] [CrossRef]
- Zhong, S.; Xu, J.; Zhou, X. 2.1-Channel Switching Amplifier With DC/High-Frequency-AC Mixed Power Supply for Efficiency Improvement and Bus Voltage Pumping Elimination. IEEE Tran. Power Electron. 2018, 33, 9110–9115. [Google Scholar] [CrossRef]
- Zhang, G.; Chen, H.; Qu, L.; Chen, S.; Zhang, Y. A Family of Y-Impedance-Network Half-Bridge Converters with Additional Voltage Adjustment Function. Energies 2019, 12, 3430. [Google Scholar] [CrossRef]
- Wei, Y.; Xu, Y.; Zou, J.; Li, Y. Current Limit Strategy for BLDC Motor Drive With Minimized DC-Link Capacitor. IEEE Tran. Ind. Appl. 2015, 51, 3907–3913. [Google Scholar] [CrossRef]
- Erickson, R.W.; Maksimovic, D. Fundamentals of Power Electronics, 2nd ed.; Kluwer Academic Publishers: Secaucus, NJ, USA, 2001. [Google Scholar]
- Roinila, T.; Vilkko, M.; Sun, J. Online Grid Impedance Measurement Using Discrete-Interval Binary Sequence Injection. IEEE J. Emerg. Sel. Top. Power Electron. 2014, 2, 985–993. [Google Scholar] [CrossRef]
- Miao, Z.; Tong, H.; Yao, W.; Lu, Z. Online high-band grid impedance measurement using variable frequency carrier-based PWM scheme. CSEE J. Power Energy Systems 2020. [Google Scholar] [CrossRef]
- Velasco-Quesada, G.; Román-Lumbreras, M.; Conesa-Roca, A.; Jerez, P. Design of a Low-Consumption Fluxgate Transducer for High-Current Measurement Applications. IEEE Sens. J. 2011, 11, 280–287. [Google Scholar] [CrossRef]
- Veinovic, S.; Ponjavic, M.; Milic, S.; Djuric, R. Low-power design for DC current transformer using class-D compensating amplifier. IET Circuits Devices Syst. 2018, 12, 215–220. [Google Scholar] [CrossRef]
- Ponjavic, M.; Veinovic, S. Low-power self-oscillating fluxgate current sensor based on Mn-Zn ferrite cores. J. Magn. Magn. Mater. 2021, 518. [Google Scholar] [CrossRef]
- Radivoje, D.; Ponjavic, M. Self-oscillating fluxgate current sensor with pulse width modulated feedback. Electronics 2010, 14, 33–36. Available online: http://els-journal.etf.unibl.org/journal/Vol14No2/xPaper_06.pdf (accessed on 19 December 2020).
- Berkhout, M. An integrated 200-W class-D audio amplifier. IEEE J. Solid State Circuits 2003, 38, 1198–1206. [Google Scholar] [CrossRef]
- 7 IRAUDAMP4: 120 W x 2 Channel Class D Audio Power Amplifier Using IRS20955 and IRF6645. Available online: https://www.infineon.com (accessed on 19 December 2020).
- Leigh, S.P.; Mellor, P.H.; Cheetham, B.M.G. Distortion analysis and reduction in a completely digital PWM Class-D power amplifier. Int. J. Model. Simul. 1994, 14, 75–79. [Google Scholar] [CrossRef]
- Bai, M.R.; Lee, D.J. Comparison of active noise control structures in the presence of acoustical feedback by using H∞ synthesis techniques. J. Sound Vib. 1997, 206, 453–471. [Google Scholar] [CrossRef][Green Version]
- Sala, V.; Romeral, L.; Garcia, T.; Delgado, M. Study of hybrid active control strategies for the BP cancellation in the Half-Bridge Class-D audio power amplifiers. In Proceedings of the 2011 IEEE International Symposium on Industrial Electronics, Gdansk, Poland, 27–30 June 2011; pp. 431–437. [Google Scholar] [CrossRef]
- Sala, V.M.; Cusido, J.; Delgado, M.; Ruiz, G.; Ortega, J.A. Feed-Back Active Control for Half-Bridge Class-D audio amplifiers. In Proceedings of the 2008 IEEE International Symposium on Industrial Electronics, Cambridge, UK, 30 June–2 July 2008; pp. 369–373. [Google Scholar] [CrossRef]
- Ljusev, P.; Andersen, M.A.E. Direct-conversion Switching-mode Audio Power Amplifier with Active Capacitive Voltage Clamp. In Proceedings of the 2005 IEEE 36th Power Electronics Specialists Conference, Recife, Brazil, 16 June 2005; pp. 2848–2854. [Google Scholar] [CrossRef]
- Hoyerby, M.C.W.; Andersen, M.A.E. Carrier Distortion in Hysteretic Self-Oscillating Class-D Audio Power Amplifiers: Analysis and Optimization. IEEE Trans. Power Electron. 2009, 24, 714–729. [Google Scholar] [CrossRef]
- Xu, D.; Zhou, G.; Huang, R.; Liu, X.; Liu, F. High Efficiency Half Bridge Class-D Audio Amplifier System With Front-End Symmetric Bipolar Outputs LLC Converter. IEEE Trans. Ind. Electron. 2020, 68, 1220–1230. [Google Scholar] [CrossRef]
- Allen, P.E.; Sánchez-Sinencio, E. Switched Capacitor Circuits; Van Nostrand: New York, NY, USA, 1984. [Google Scholar]
- Liou, M.; Kuo, Y.-L. Exact analysis of switched capacitor circuits with arbitrary inputs. IEEE Trans. Circuits Syst. 1979, 26, 213–223. [Google Scholar] [CrossRef]
- Daowd, M.; Antoine, M.; Omar, N.; van den Bossche, P.; van Mierlo, J. Single Switched Capacitor Battery Balancing System Enhancements. Energies 2013, 6, 2149–2174. [Google Scholar] [CrossRef]
- Ye, Y.; Cheng, K.W.E.; Fong, Y.C.; Xue, X.; Lin, J. Topology, Modeling, and Design of Switched-Capacitor-Based Cell Balancing Systems and Their Balancing Exploration. IEEE Tran. Power Electron. 2017, 32, 4444–4454. [Google Scholar] [CrossRef]
- Ahmadi, D.; Zou, K.; Li, C.; Huang, Y.; Wang, J. A Universal Selective Harmonic Elimination Method for High-Power Inverters. IEEE Trans. Power Electron. 2011, 26, 2743–2752. [Google Scholar] [CrossRef]
- Tang, S.T.S.; Wang, J.; Zheng, R.; Wang, D.; Zhang, C.; Yin, X.; Shuai, Z.; Shen, J. Detection and Identification of Power Switch Failures Using Discrete Fourier Transform for DC-DC Flying Capacitor Buck Converters. IEEE J. Emerg. Sel. Top. Power Electron. 2020. [Google Scholar] [CrossRef]











| C3 [μF] | r0 = T1/C3 [Ω] | V0 = VS − I0∙r0 [V] | α | β | Max{VDD} at D = 1/4, Equation (15) Max{VSS} at D = 3/4 [V] | Time Constant C1∙r0 [ms] |
|---|---|---|---|---|---|---|
| 2.07 | 48.3 | 10.53 | 0.916 | 3.157 | 14.48 | τ1 = 48.3 |
| 5.16 | 19.4 | 11.11 | 0.966 | 1.267 | 12.83 | τ2 = 19.4 |
| 10.3 | 9.7 | 11.31 | 0.983 | 0.635 | 12.19 | τ3 = 9.7 |
| 24.3 | 4.1 | 11.42 | 0.993 | 0.269 | 11.80 | τ4 = 4.1 |
Publisher’s Note: MDPI stays neutral with regard to jurisdictional claims in published maps and institutional affiliations. |
© 2020 by the authors. Licensee MDPI, Basel, Switzerland. This article is an open access article distributed under the terms and conditions of the Creative Commons Attribution (CC BY) license (http://creativecommons.org/licenses/by/4.0/).
Share and Cite
Ponjavic, M.; Milic, S. Switched Capacitor Compensation of Supply Distortion in Class-D Amplifiers. Electronics 2020, 9, 2197. https://doi.org/10.3390/electronics9122197
Ponjavic M, Milic S. Switched Capacitor Compensation of Supply Distortion in Class-D Amplifiers. Electronics. 2020; 9(12):2197. https://doi.org/10.3390/electronics9122197
Chicago/Turabian StylePonjavic, Milan, and Sasa Milic. 2020. "Switched Capacitor Compensation of Supply Distortion in Class-D Amplifiers" Electronics 9, no. 12: 2197. https://doi.org/10.3390/electronics9122197
APA StylePonjavic, M., & Milic, S. (2020). Switched Capacitor Compensation of Supply Distortion in Class-D Amplifiers. Electronics, 9(12), 2197. https://doi.org/10.3390/electronics9122197

