Impact of Component Dispersion in DC to DC Low-Power Low-Voltage Power Converter Array
Abstract
:1. Introduction
2. Setting up the Experiment
3. Characterization of First Batch of Conversion Standard Cells (CSCs)
3.1. Experimental Setup
3.2. Characterization Results and First Analysis
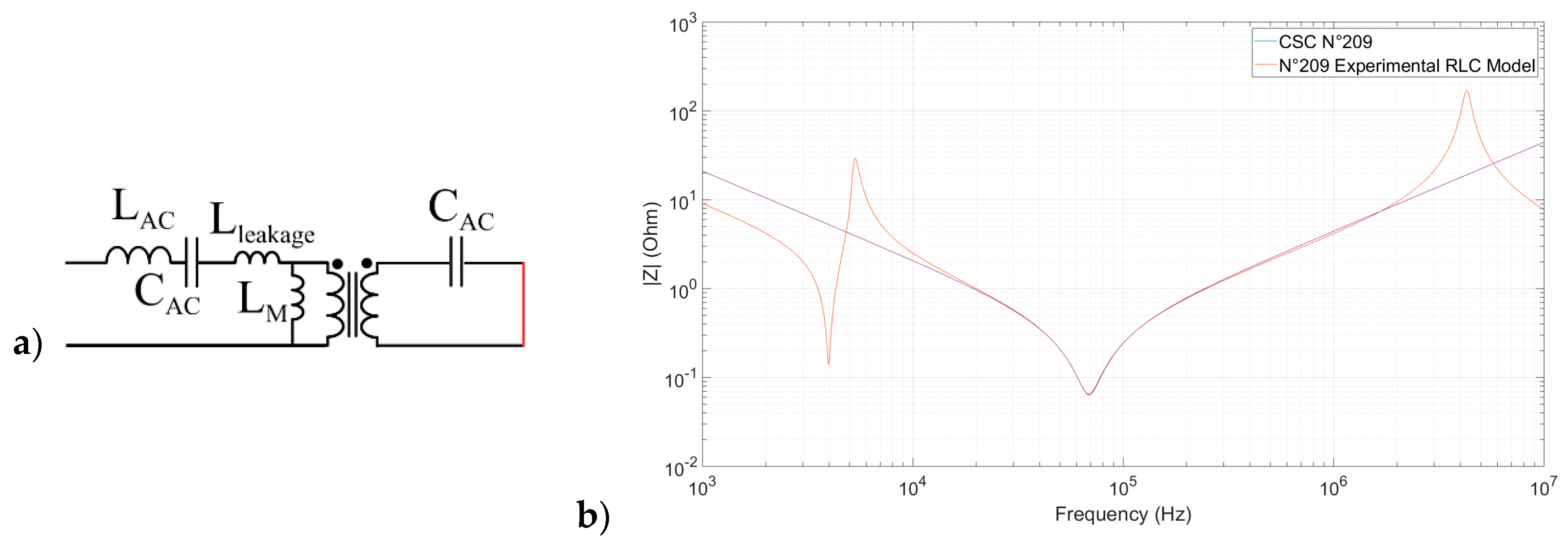
3.3. Further Characterization Process
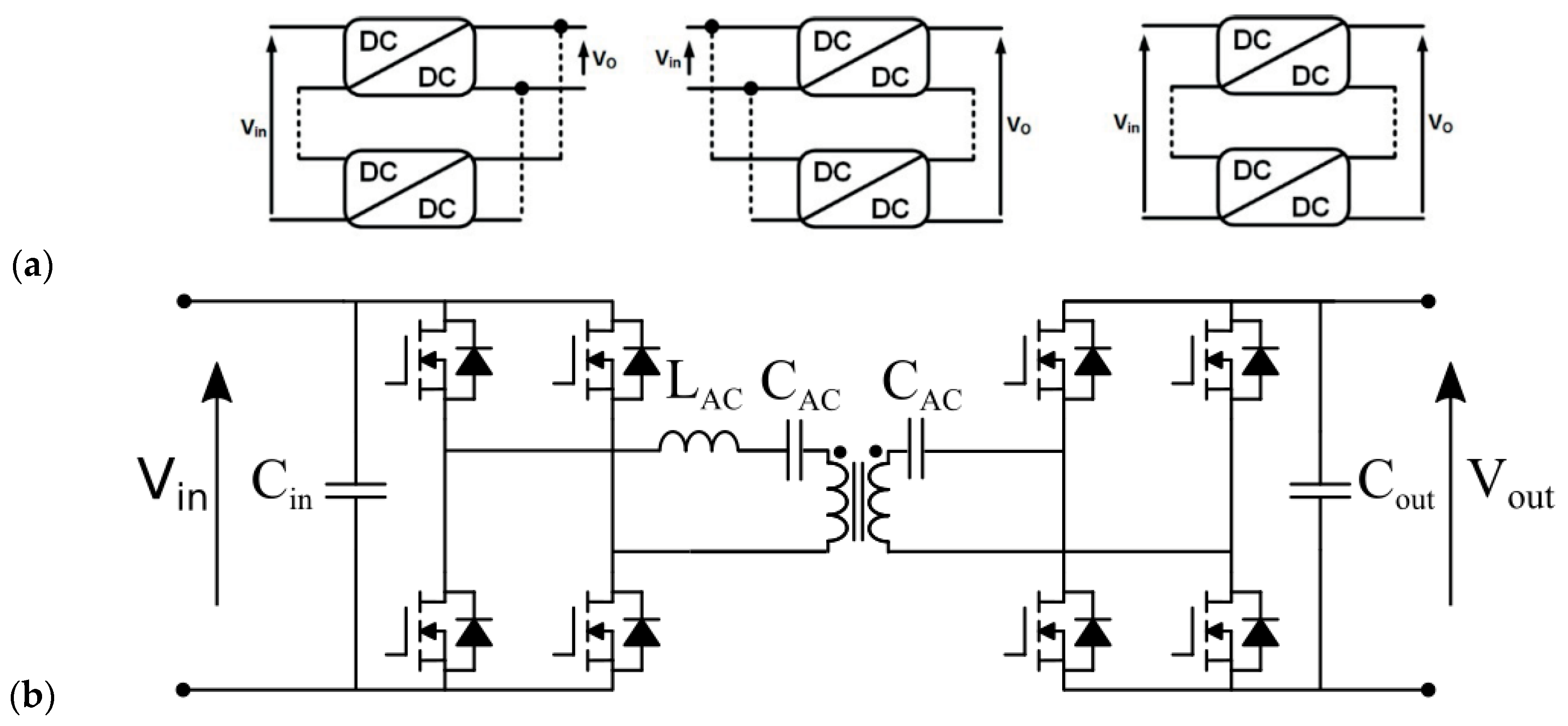
4. Analysis of Input Series/Output Parallel (ISOP), Input Parallel/Output Series (IPOS) and Input Series/Output Series (ISOS) Configurations
4.1. Design of Experiment
4.2. Bench and Mother Board for Plug and Play ISOP/IPOS/ISOS Configuration Testing
- From 2 up to 5 CSCs can be implemented and fully instrumented;
- Any configuration (IPOS, ISOP, ISOS);
- Each cell is instrumented with the same input and output voltage and current measurements device (shunt and kelvin measurements);
- Always the same measurement device are used for the whole experiment and it is always used to measure the same parameters;
- Possibility to apply the same driver signals to the arrangement or possibility to differentiate all of them.
4.3. Experimental Results
4.3.1. Electrical Balance Operating Point
4.3.2. Losses Aspect of Power Converter Array (PCA)
4.3.3. Full Comparison of a PCA of CAA Family CSCs and a 5 CSCs ISOS Configuration
4.4. Discussion of Main Results
5. Conclusions
Author Contributions
Funding
Conflicts of Interest
References
- Engel, S.P.; Stieneker, M.; Soltau, N.; Rabiee, S.; Stagge, H.; De Doncker, R.W. Comparison of the Modular Multilevel DC Converter and the Dual-Active Bridge Converter for Power Conversion in HVDC and MVDC Grids. IEEE Trans. Power Electron. 2015, 30, 124–137. [Google Scholar] [CrossRef]
- Kasper, M.; Bortis, D.; Kolar, J.W. Scaling and balancing of multi-cell converters. In Proceedings of the 2014 International Power Electronics Conference, Hiroshima, Japan, 18–21 May 2014; pp. 2079–2086. [Google Scholar]
- Younsi, M.O.; Bendali, M.; Azib, T.; Larouci, C.; Marchand, C.; Coquery, G. Current-sharing control technique of interleaved buck converter for automotive application. In Proceedings of the 7th IET International Conference on Power Electronics, Machines and Drives (PEMD 2014), Manchester, UK, 8–10 April 2014; pp. 1–6. [Google Scholar]
- Chen, R.; Zeng, H.; Gunasekaran, D.; Liu, Y.; Peng, F.Z. Development of 2-kW interleaved DC-capacitor-less single-phase inverter system. In Proceedings of the 2016 IEEE Applied Power Electronics Conference and Exposition (APEC), Long Beach, CA, USA; 2016; pp. 1045–1050. [Google Scholar]
- Anzari, M.; Meenakshi, J.; Sreedevi, V.T. Simulation of a transistor clamped H-bridge multilevel inverter and its comparison with a conventional H-bridge multilevel inverter. In Proceedings of the 2014 International Conference on Circuits, Power and Computing Technologies [ICCPCT-2014], Nagercoil, India, 20–21 March 2014; pp. 958–963. [Google Scholar]
- Dargahi, V.; Sadigh, A.K.; Abarzadeh, M.; Pahlavani, M.R.A.; Shoulaie, A. Flying Capacitors Reduction in an Improved Double Flying Capacitor Multicell Converter Controlled by a Modified Modulation Method. IEEE Trans. Power Electron. 2012, 27, 3875–3887. [Google Scholar] [CrossRef]
- Ericsen, T.; Tucker, A. Power Electronics Building Blocks and potential power modulator applications. In Proceedings of the Conference Record of the Twenty-Third International Power Modulator Symposium, Rancho Mirage, CA, USA, 25 June 1998; pp. 12–15. [Google Scholar]
- Ericsen, T.; Khersonsky, Y.; Steimer, P.K. PEBB Concept Applications in High Power Electronics Converters. In Proceedings of the 2005 IEEE 36th Power Electronics Specialists Conference, Recife, Brazil, 16 June 2005; pp. 2284–2289. [Google Scholar]
- Andreta, A.G.; Lamorelle, T.; Lembeye, Y.; Kerachev, L.; Sarrafin, F.; Fernando, L.; Villa, L.; CrebierMetrics, J.C. A High Efficiency and Power Density, High Step-Up, Non-isolated DC-DC Converter Based on Multicell Approach. In Proceedings of the CIPS 2018 10th International Conference on Integrated Power Electronics Systems, Stuttgart, Germany, 20–22 March 2018; pp. 1–5. [Google Scholar]
- Lamorelle, T.; Nguyen, S.; Podvin, J.C.; Rubio, D.; Lembeye, Y.; Crebier, J. Multi-cell DC-DC converters - Input differential mode filtering generic design rules and implementation. In Proceedings of the PCIM Europe 2019-International Exhibition and Conference for Power Electronics, Intelligent Motion, Renewable Energy and Energy Management, Nuremberg, Germany, 7–9 May 2019; pp. 1–8. [Google Scholar]
- Sarrafin-Ardebili, F.; Crebier, J.-C.; Allard, B. Quad Driver for GaN transistors based Dual Active Bridge with capacitive coupling. In Proceedings of the 2018 IEEE International Conference on Industrial Technology (ICIT), Lyon, France, 20–22 February 2018. [Google Scholar]
- Liang, Z.; Lee, F.C.; Lu, G.Q.; Borojevic, D. Embedded power-a multilayer integration technology for packaging of IPEMs and PEBBs. In Proceedings of the IWIPP 2000. International Workshop on Integrated Power Packaging (Cat. No.00EX426), Waltham, MA, USA, 14–15 July 2000; pp. 41–45. [Google Scholar]
- Lamorelle, T.; Andreta, A.; Lembeye, Y.; Crébier, J.-C.; Podvin, J. Design level power electronics building block: Industrial framework for DC-DC conversion. In Proceedings of the 2018 IEEE International Conference on Industrial Technology (ICIT), Lyon, France, 20–22 February 2018; pp. 670–675. [Google Scholar]
- Kerachev, L.; Lembeye, Y.; Andreta, A.; Crebier, J. Generic Approach for Design, Configuration and Control of Modular Converters. In Proceedings of the PCIM Europe 2017-International Exhibition and Conference for Power Electronics, Intelligent Motion, Renewable Energy and Energy Management, Nuremberg, Germany, 16–18 May 2017; pp. 1–8. [Google Scholar]
- Chauhan, D.; Liu, P.; Patil, M.; Rao, S. Statistical analysis of mismatch error in series and parallel connection of photovoltaic. In Proceedings of the 2011 Annual IEEE India Conference, Hyderabad, India, 16–18 December 2011; pp. 1–5. [Google Scholar]
- Almeida, A.d.O.; Ghetti, F.T.; Ribeiro, A.S.B.; de Almeida, P.M.; Barbosa, P.G. Circulating currents suppression strategies for modular multilevel converter. In Proceedings of the 2017 Brazilian Power Electronics Conference (COBEP), Juiz de Fora, Brazil, 19–22 November 2017; pp. 1–5. [Google Scholar]
- Andreta, A.; Derbey, A.; Lembeye, Y.; Villa, F.L.L.; Crebier, J. Characterization Platform for Modular Power Converters. In Proceedings of the PCIM Europe 2018-International Exhibition and Conference for Power Electronics, Intelligent Motion, Renewable Energy and Energy Management, Nuremberg, Germany, 5–7 June 2018; pp. 1–6. [Google Scholar]
- Ayyanar, R.; Giri, R.; Mohan, N. Active input-voltage and load-current sharing in input-series and output-parallel connected modular DC-DC converters using dynamic input-voltage reference scheme. IEEE Trans. Power Electron. 2004, 19, 1462–1473. [Google Scholar] [CrossRef]
- Bottion, A.J.B.; Barbi, I. Series-series association of two Dual Active Bridge (DAB) converters. In Proceedings of the 2015 IEEE International Conference on Industrial Technology (ICIT), Seville, Spain, 17–19 March 2015; pp. 1161–1166. [Google Scholar]



















| Configuration | Input Voltage | Input Current | Output Voltage | Output Current | Power | Weight | Volume | |
|---|---|---|---|---|---|---|---|---|
| Single CSC | Single | 20 V | 5 A | 20 V | 5 A | 100 W | 19 g | 0.015 L |
| PCA | IPOS | 20 V | 90 A | 320 V | 5 A | 1.8 kW | 490 g | 0.91 L |
| Component | Value | Fonction | Main Parameter | Tolerance (%) |
|---|---|---|---|---|
| Transformer | POE120PL-24|300 nH leakage inductor | Galvanic Insulation | Ll | ‘Maximum Value’ |
| Inductors | XEL4030-301MEC|400 nH inductor | Alternating current (AC) link complement inductor | LAC | +/−20 |
| Capacitor | 20 µF 20 V | AC link decoupling capacitor | C | +/−20 |
| Capacitor | 20 µF 30 V | Input/Output filter capacitor | C | +/−20 |
| MOSFET | SiSA10DN 5 mΩ 30 V | Power transistors | RDSon | +20 |
| Operation Point | Output Voltage (Considering 15Vinput) | Power Rating |
|---|---|---|
| N° 1 | 13 V | 20 W |
| N° 2 | 14.5 V | 20 W |
| N° 3 | 14.5 V | 40 W |
| N° CSC | Output Voltage | η (%) | LCSC (nH) | C (µF) | R (mΩ) | Designation CSCy,z |
|---|---|---|---|---|---|---|
| 209 | 12.82 | 91.1 | 702 | 7.6 | 64 | CSCC,1 |
| 59 | 12.83 | 91.16 | 691 | 7.6 | 66 | CSCC,2 |
| 106 | 12.88 | 91.31 | 691 | 7.6 | 65 | CSCC,3 |
| 83 | 13.04 | 91.81 | 680 | 7.6 | 62 | CSCB,1 |
| 81 | 13.09 | 92.6 | 658 | 7.6 | 66 | CSCB,2 |
| 86 | 13.07 | 91.7 | 660 | 7.6 | 70 | CSCB,3 |
| 131 | 13.26 | 92.02 | 640 | 7.6 | 65 | CSCA,1 |
| 177 | 13.30 | 92.24 | 653 | 7.6 | 65 | CSCA,2 |
| 139 | 13.33 | 92.26 | 651 | 7.6 | 65 | CSCA,3 |
| Configuration | Arrangement of y,z (CSCy,z) on Test Bench | Configuration | Arrangement of CSCs on Test Bench | ||||
|---|---|---|---|---|---|---|---|
| IPOS | B1 | B2 | B3 | ISOP | B1 | B2 | B3 |
| A1 | A2 | A3 | A1 | A2 | A3 | ||
| C1 | C2 | C3 | C1 | C2 | C3 | ||
| C1 | C2 | A1 | C1 | C2 | A1 | ||
| C1 | A1 | A2 | C1 | A1 | A2 | ||
| C1 | B1 | A1 | C1 | B1 | A1 | ||
| B1 | C1 | A1 | B1 | C1 | A1 | ||
| ISOS | B1 | B2 | B3 | Electrical Test | Input Voltage | Output Voltage | Current |
| A1 | A2 | A3 | |||||
| C1 | C2 | C3 | N° 1 | 15 V | 13 V | 1.5 A | |
| C1 | C2 | A1 | N° 2 | 15 V | 13.9 V | 2.2 A | |
| C1 | A1 | A2 | |||||
| C1 | B1 | A1 | |||||
| B1 | C1 | A1 | |||||
| CSC1 | CSC2 | CSC3 | |||||||
|---|---|---|---|---|---|---|---|---|---|
| Test | Vin | Vout | η | Vin | Vout | η | Vin | Vout | η |
| X-IPOS | 15.11 V | 13.78 V | 94.8% | 15.10 V | 13.99 V | 94.6% | 15.13 V | 13.98 V | 95.6% |
| Y-ISOP | 15.24 V | 13.96 V | 92.7% | 15.04 V | 13.96 V | 93.5% | 14.93 V | 13.90 V | 93.4% |
| Z-ISOS | 15.57 V | 14.29 V | 95.1% | 14.87 V | 13.63 V | 94.1% | 14.86 V | 13.62 V | 95.5% |
| Test | CSC1: B | CSC2: B | CSC3: C | CSC4: B | CSC5: A | |||||
|---|---|---|---|---|---|---|---|---|---|---|
| η (%) | Vin | Vout | Vin | Vout | Vin | Vout | Vin | Vout | Vin | Vout |
| 94.8 | 14.95 V | 13.49 V | 14.94 V | 13.48 V | 15.11 V | 13.67 V | 15.22 V | 13.75 V | 14.69 V | 13.26 V |
© 2019 by the authors. Licensee MDPI, Basel, Switzerland. This article is an open access article distributed under the terms and conditions of the Creative Commons Attribution (CC BY) license (http://creativecommons.org/licenses/by/4.0/).
Share and Cite
Crebier, J.-C.; Lamorelle, T.; Marache, S.; Phung, T.H.; Nguyen, V.-S.; Andreta, A.; Podvin, J.C.; Lembeye, Y. Impact of Component Dispersion in DC to DC Low-Power Low-Voltage Power Converter Array. Electronics 2019, 8, 917. https://doi.org/10.3390/electronics8090917
Crebier J-C, Lamorelle T, Marache S, Phung TH, Nguyen V-S, Andreta A, Podvin JC, Lembeye Y. Impact of Component Dispersion in DC to DC Low-Power Low-Voltage Power Converter Array. Electronics. 2019; 8(9):917. https://doi.org/10.3390/electronics8090917
Chicago/Turabian StyleCrebier, Jean-Christophe, Theo Lamorelle, Silvain Marache, Thanh Hai Phung, Van-Sang Nguyen, Andre Andreta, Jean Christophe Podvin, and Yves Lembeye. 2019. "Impact of Component Dispersion in DC to DC Low-Power Low-Voltage Power Converter Array" Electronics 8, no. 9: 917. https://doi.org/10.3390/electronics8090917
APA StyleCrebier, J.-C., Lamorelle, T., Marache, S., Phung, T. H., Nguyen, V.-S., Andreta, A., Podvin, J. C., & Lembeye, Y. (2019). Impact of Component Dispersion in DC to DC Low-Power Low-Voltage Power Converter Array. Electronics, 8(9), 917. https://doi.org/10.3390/electronics8090917

