A Review of Charge Pump Topologies for the Power Management of IoT Nodes
Abstract
:1. Introduction
2. Charge Pump Topologies
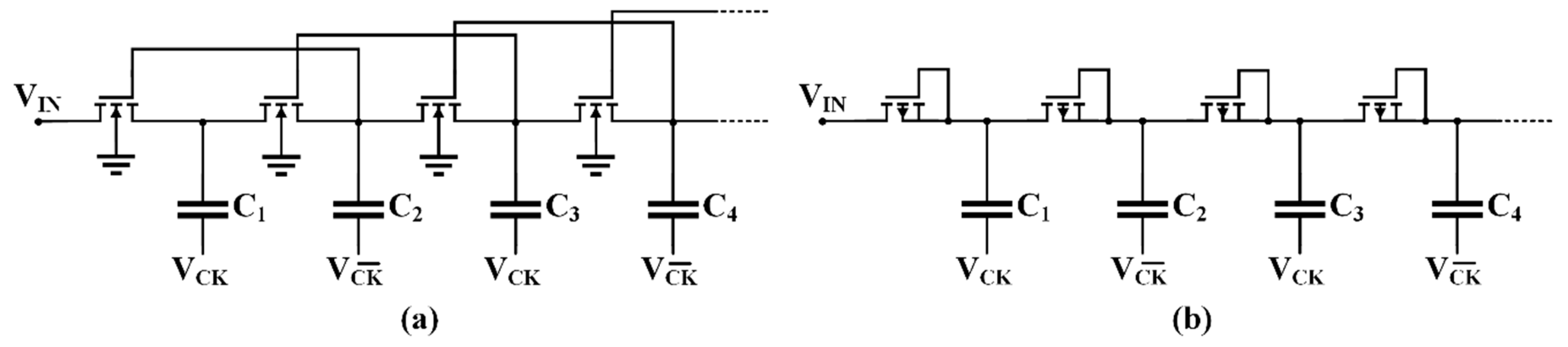
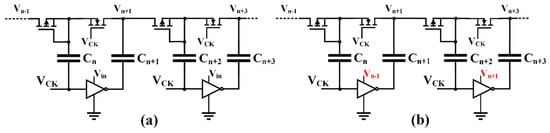
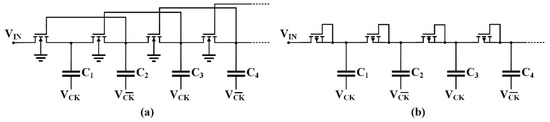
2.1. Gate Biasing Technique
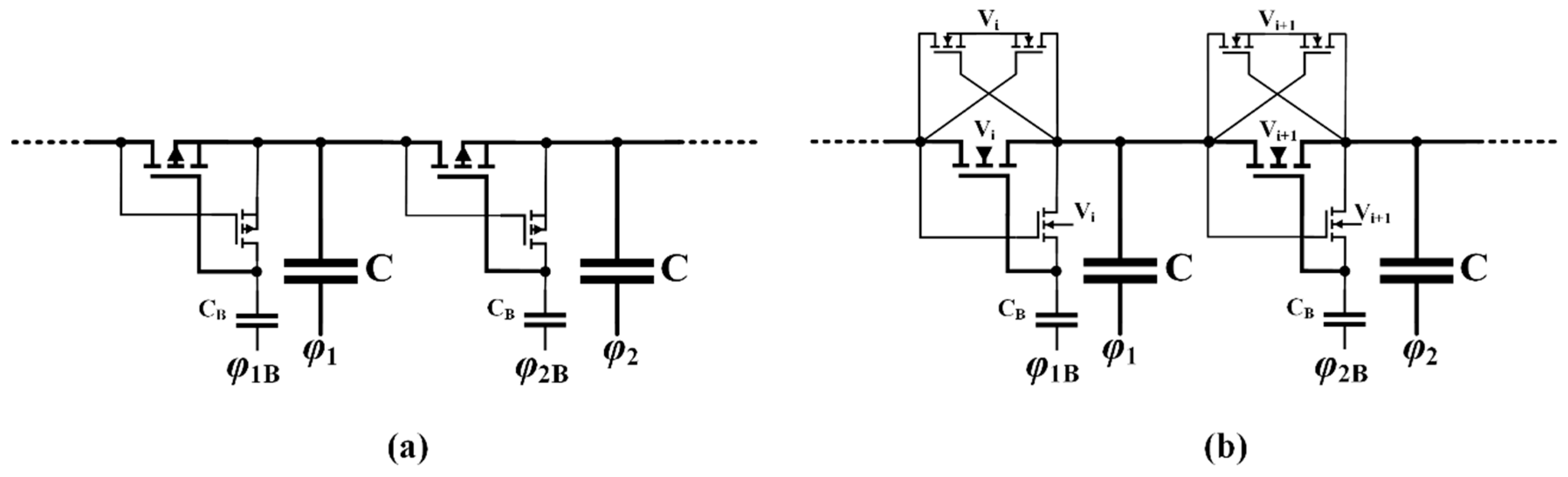
2.2. Body Biasing Technique
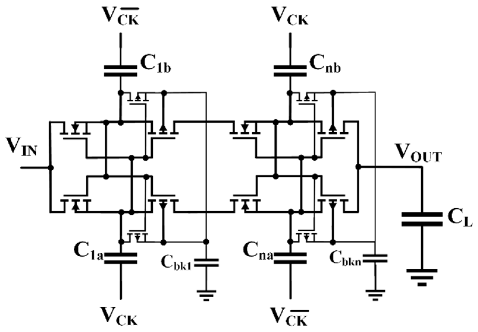
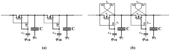
2.3. Composite Charge Pumps
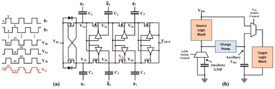
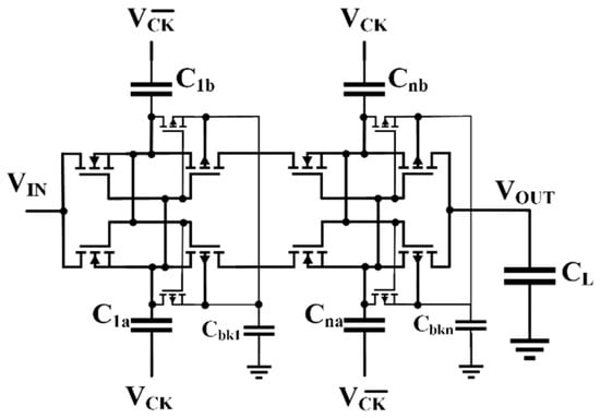
2.4. Cross-Coupled Charge Pumps
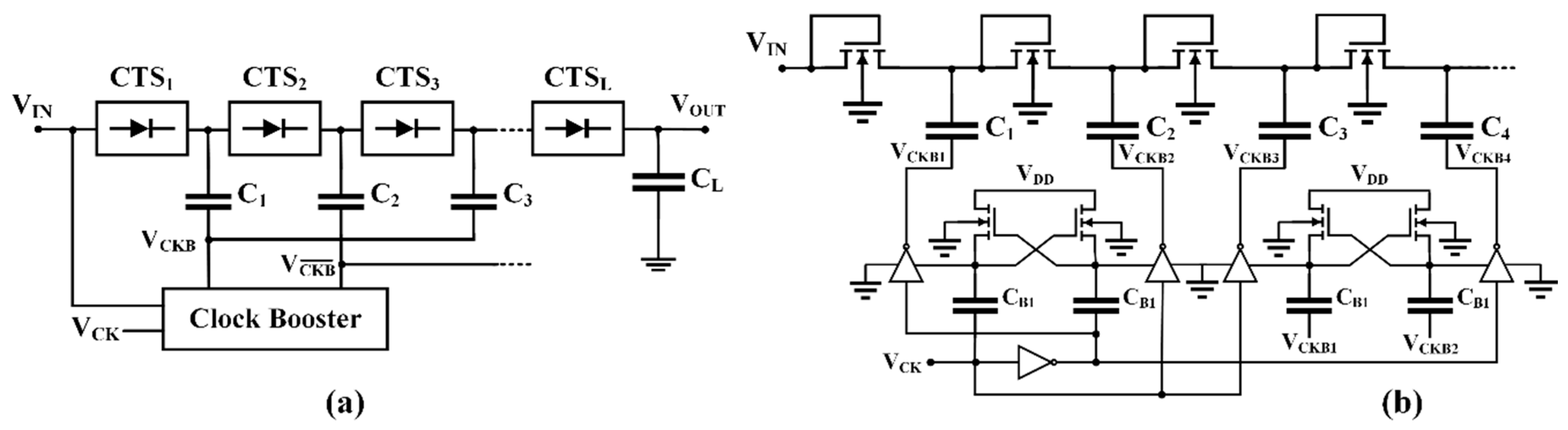
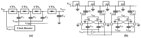
2.5. Clock Boosted Charge Pumps
2.6. Adiabatic Charge Pumps
2.7. Adaptive Charge Pumps
3. Performance Comparison
4. Conclusions
Author Contributions
Funding
Conflicts of Interest
References
- Çilingiroğlu, U.; Tar, B.; Özmen, Ç. On-Chip Photovoltaic Energy Conversion in Bulk-CMOS for Indoor Applications. IEEE Trans. Circuits Syst. I Regul. Pap. 2014, 61, 2491–2504. [Google Scholar] [CrossRef]
- Goeppert, J.; Manoli, Y. Fully Integrated Startup at 70 mV of Boost Converters for Thermoelectric Energy Harvesting. IEEE J. Solid-State Circuits 2016, 51, 1716–1726. [Google Scholar] [CrossRef]
- Yi, H.; Yin, J.; Mak, P.; Martins, R.P. A 0.032-mm20.15-V Three-Stage Charge-Pump Scheme Using a Differential Bootstrapped Ring-VCO for Energy-Harvesting Applications. IEEE Trans. Circuits Syst. Ii Express Briefs 2018, 65, 146–150. [Google Scholar] [CrossRef]
- Alioto, M. Enabling the Internet of Things: From Integrated Circuits to Integrated Systems; Springer International Publishing: Berlin/Heidelberg, Germany, 2017. [Google Scholar]
- Tanzawa, T. On-Chip High-Voltage Generator Design: Design Methodology for Charge Pumps, 2nd ed.; Springer International Publishing: Berlin/Heidelberg, Germany, 2016. [Google Scholar]
- Grasso, A.D.; Pennisi, S. Micro-scale inductorless maximum power point tracking DC-DC converter. Iet Power Electron. 2013, 6, 1634–1639. [Google Scholar] [CrossRef]
- Grasso, A.D.; Palumbo, G.; Pennisi, S. Switched-Capacitor Power Management Integrated Circuit for Autonomous Internet of Things Node. IEEE Trans. Circuits Syst. Ii Express Briefs 2018, 65, 1455–1459. [Google Scholar] [CrossRef]
- Le, H.; Sanders, S.R.; Alon, E. Design Techniques for Fully Integrated Switched-Capacitor DC-DC Converters. IEEE J. Solid-State Circuits 2011, 46, 2120–2131. [Google Scholar] [CrossRef]
- Palumbo, G.; Pappalardo, D. Charge Pump Circuits: An Overview on Design Strategies and Topologies. IEEE Circuits Syst. Mag. 2010, 10, 31–45. [Google Scholar] [CrossRef]
- Tanzawa, T. Innovation of Switched-Capacitor Voltage Multiplier: Part 1: A Brief History. IEEE Solid-State Circuits Mag. 2016, 8, 51–59. [Google Scholar] [CrossRef]
- Tanzawa, T. Innovation of Switched-Capacitor Voltage Multiplier: Part 3: State of the Art of Switching Circuits and Applications of Charge Pumps. IEEE Solid-State Circuits Mag. 2016, 8, 63–73. [Google Scholar] [CrossRef]
- Fuketa, H.; O’uchi, S.; Matsukawa, T. Fully Integrated, 100-mV Minimum Input Voltage Converter with Gate-Boosted Charge Pump Kick-Started by LC Oscillator for Energy Harvesting. IEEE Trans. Circuits Syst. Ii Express Briefs 2017, 64, 392–396. [Google Scholar] [CrossRef]
- Mahmoud, A.; Alhawari, M.; Mohammad, B.; Saleh, H.; Ismail, M. A Charge Pump Based Power Management Unit With 66%-Efficiency in 65 nm CMOS. In Proceedings of the 2018 IEEE International Symposium on Circuits and Systems (ISCAS), Florence, Italy, 27–30 May 2018; pp. 1–4. [Google Scholar]
- Peng, H.; Tang, N.; Yang, Y.; Heo, D. CMOS Startup Charge Pump With Body Bias and Backward Control for Energy HarvestingStep-Up Converters. IEEE Trans. Circuits Syst. I Regul. Pap. 2014, 61, 1618–1628. [Google Scholar] [CrossRef]
- Kim, J.; Mok, P.K.T.; Kim, C. A 0.15 V Input Energy Harvesting Charge Pump With Dynamic Body Biasing and Adaptive Dead-Time for Efficiency Improvement. IEEE J. Solid-State Circuits 2015, 50, 414–425. [Google Scholar] [CrossRef]
- Ashraf, M.; Masoumi, N. A Thermal Energy Harvesting Power Supply With an Internal Startup Circuit for Pacemakers. IEEE Trans. Very Large Scale Integr. Vlsi Syst. 2016, 24, 26–37. [Google Scholar] [CrossRef]
- Shih, Y.; Otis, B.P. An Inductorless DC–DC Converter for Energy Harvesting With a 1.2-W Bandgap-Referenced Output Controller. IEEE Trans. Circuits Syst. Ii Express Briefs 2011, 58, 832–836. [Google Scholar] [CrossRef]
- Wang, Y.; Yan, N.; Min, H.; Shi, C.-R. A High-Efficiency Split–Merge Charge Pump for Solar Energy Harvesting. IEEE Trans. Circuits Syst. Ii Express Briefs 2017, 64, 545–549. [Google Scholar] [CrossRef]
- Tsuji, Y.; Hirose, T.; Ozaki, T.; Asano, H.; Kuroki, N.; Numa, M. A 0.1–0.6 V input range voltage boost converter with low-leakage driver for low-voltage energy harvesting. In Proceedings of the 24th IEEE International Conference on Electronics, Circuits and Systems (ICECS), Batumi, Georgia, 5–8 December 2017; pp. 502–505. [Google Scholar]
- Mondal, S.; Paily, R. An Efficient On-Chip Switched-Capacitor-Based Power Converter for a Microscale Energy Transducer. IEEE Trans. Circuits Syst. Ii Express Briefs 2016, 63, 254–258. [Google Scholar] [CrossRef]
- Ulaganathan, C.; Blalock, B.J.; Holleman, J.; Britton, C.L. An ultra-low voltage self-startup charge pump for energy harvesting applications. In Proceedings of the 2012 IEEE 55th International Midwest Symposium on Circuits and Systems (MWSCAS), Boise, ID, USA, 5–8 August 2012; pp. 206–209. [Google Scholar]
- Vaisband, I.; Saadat, M.; Murmann, B. A Closed-Loop Reconfigurable Switched-Capacitor DC-DC Converter for Sub-mW Energy Harvesting Applications. IEEE Trans. Circuits Syst. Regul. Pap. 2015, 62, 385–394. [Google Scholar] [CrossRef]
- Chen, P.H.; Ishida, K.; Zhang, X.; Okuma, Y.; Ryu, Y.; Takamiya, M.; Sakurai, T. A 120-mV input, fully integrated dual-mode charge pump in 65-nm CMOS for thermoelectric energy harvester. In Proceedings of the 17th Asia and South Pacific Design Automation Conference, Sydney, NSW, Australia, 30 January–2 February 2012; pp. 469–470. [Google Scholar]
- Cataldo, G.D.; Palumbo, G. Double and triple charge pump for power IC: Dynamic models which take parasitic effects into account. IEEE Trans. Circuits Syst. I Regul. Pap. 1993, 40, 92–101. [Google Scholar] [CrossRef]
- Palumbo, G.; Barniol, N.; Bethaoui, M. Improved behavioral and design model of an Nth-order charge pump. IEEE Trans. Circuits Syst. I Fundam. Theory Appl. 2000, 47, 264–268. [Google Scholar] [CrossRef]
- di Cataldo, G.; Palumbo, G. Design of an nth order Dickson voltage multiplier. IEEE Trans. Circuits Syst. I Fundam. Theory Appl. 1996, 43, 414–418. [Google Scholar] [CrossRef]
- Palumbo, G.; Pappalardo, D.; Gaibotti, M. Charge-pump circuits: Power-consumption optimization. IEEE Trans. Circuits Syst. I Fundam. Theory Appl. 2002, 49, 1535–1542. [Google Scholar] [CrossRef]
- Boccuni, I.; Gulino, R.; Palumbo, G. Behavioral Model of Analog Circuits for Nonvolatile Memories with VHDL-AMS. Analog Integr. Circuits Signal Process. 2002, 33, 19–28. [Google Scholar] [CrossRef]
- Palumbo, G.; Pappalardo, D. Charge pump circuits with only capacitive loads: Optimized design. IEEE Trans. Circuits Syst. Ii Express Briefs 2006, 53, 128–132. [Google Scholar] [CrossRef]
- Tanzawa, T.; Tanaka, T. A dynamic analysis of the Dickson charge pump circuit. IEEE J. Solid-State Circuits 1997, 32, 1231–1240. [Google Scholar] [CrossRef]
- Tanzawa, T. An Optimum Design for Integrated Switched-Capacitor Dickson Charge Pump Multipliers With Area Power Balance. IEEE Trans. Power Electron. 2014, 29, 534–538. [Google Scholar] [CrossRef]
- Cabrini, A.; Gobbi, L.; Torelli, G. Voltage Gain Analysis of Integrated Fibonacci-Like Charge Pumps for Low Power Applications. IEEE Trans. Circuits Syst. Ii Express Briefs 2007, 54, 929–933. [Google Scholar] [CrossRef]
- Dickson, J.F. On-chip high-voltage generation in MNOS integrated circuits using an improved voltage multiplier technique. IEEE J. Solid-State Circuits 1976, 11, 374–378. [Google Scholar] [CrossRef]
- Wu, J.-T.; Chang, K.-L. MOS charge pumps for low-voltage operation. IEEE J. Solid-State Circuits 1998, 33, 592–597. [Google Scholar]
- Dickson, J.F. Voltage Multiplier Employing Clock Gated Transistor Chain. U.S. Patent US4214174A, 22 July 1980. [Google Scholar]
- D’Arrigo, S.; Imondi, G.; Santin, G.; Gill, M.; Cleavelin, R.; Spagliccia, S.; Tomassetti, E.; Lin, S.; Nguyen, A.; Shah, P.; et al. A 5 V-only 256 kbit CMOS flash EEPROM. In Proceedings of the IEEE International Solid-State Circuits Conference, 1989 ISSCC, New York, NY, USA, 15–17 February 1989; pp. 132–133. [Google Scholar]
- Umezawa, A.; Atsumi, S.; Kuriyama, M.; Banba, H.; Imamiya, K.I.; Naruke, K.; Yamada, S.; Obi, E.; Oshikiri, M.; Suzuki, T.; et al. A 5-V-only operation 0.6- mu m flash EEPROM with row decoder scheme in triple-well structure. IEEE J. Solid-State Circuits 1992, 27, 1540–1546. [Google Scholar] [CrossRef]
- Atsumi, S.; Kuriyama, M.; Umezawa, A.; Banba, H.; Naruke, K.; Yamada, S.; Ohshima, Y.; Oshikiri, M.; Hiura, Y.; Yamane, T.; et al. A 16-Mb flash EEPROM with a new self-data-refresh scheme for a sector erase operation. IEEE J. Solid-State Circuits 1994, 29, 461–469. [Google Scholar] [CrossRef]
- Ansari, M.A.; Ahmad, W.; Signell, S.R. Single clock charge pump designed in 0.35µm technology. In Proceedings of the 18th International Conference Mixed Design of Integrated Circuits and Systems, Gliwice, Poland, 16–18 June 2011; pp. 552–556. [Google Scholar]
- Mondal, S.; Paily, R.P. A strategy to enhance the output voltage of a charge pump circuit suitable for energy harvesting. In Proceedings of the 2013 Annual International Conference on Emerging Research Areas and 2013 International Conference on Microelectronics, Kanjirapally, India, 4–6 June 2013; pp. 1–5. [Google Scholar]
- Sawada, K.; Sugawara, Y.; Masui, S. An on-chip high-voltage generator circuit for EEPROMs with a power supply voltage below 2 V. In Proceedings of the Symposium on VLSI Circuits, Kyoto, Japan, 8–10 June 1995; pp. 75–76. [Google Scholar]
- Bloch, M.; Lauterbauch, C.; Weber, W. High efficiency charge pump circuit for negative high voltage generation at 2 V supply voltage. In Proceedings of the 24th European Solid-State Circuits Conference, The Hague, The Netherlands, 22–24 September 1998; pp. 100–103. [Google Scholar]
- Zhang, X.; Lee, H. Gain-Enhanced Monolithic Charge Pump With Simultaneous Dynamic Gate and Substrate Control. IEEE Trans. Very Large Scale Integr. Vlsi Syst. 2013, 21, 593–596. [Google Scholar] [CrossRef]
- Kleveland, B. Multi-Stage Charge Pump. Patent US6486728B2, 26 November 2002. [Google Scholar]
- New, L.F.; Aziz, Z.A.b.A.; Leong, M.F. A low ripple CMOS charge Pump for low-voltage application. Proc. ICIAS 2012, 2, 784–789. [Google Scholar]
- Ma, D.; Bondade, R. Reconfigurable Switched—Capacitor Power Converters; Springer: New York, NY, USA.
- Nakagome, Y.; Tanaka, H.; Takeuchi, K.; Kume, E.; Watanabe, Y.; Kaga, T.; Kawamoto, Y.; Murai, F.; Izawa, R.; Hisamoto, D.; et al. An experimental 1.5-V 64-Mb DRAM. IEEE J. Solid-State Circuits 1991, 26, 465–472. [Google Scholar] [CrossRef]
- Gariboldi, R.; Pulvirenti, F. A monolithic quad line driver for industrial applications. IEEE J. Solid-State Circuits 1994, 29, 957–962. [Google Scholar] [CrossRef]
- Gariboldi, R.; Pulvirenti, F. A 70 m/spl Omega/ intelligent high side switch with full diagnostics. IEEE J. Solid-State Circuits 1996, 31, 915–923. [Google Scholar] [CrossRef]
- Ker, M.-D.; Chen, S.-L.; Tsai, C.-S. Design of charge pump circuit with consideration of gate-oxide reliability in low-voltage CMOS processes. IEEE J. Solid-State Circuits 2006, 41, 1100–1107. [Google Scholar] [CrossRef]
- Luo, Z.; Ker, M.; Cheng, W.; Yen, T. Regulated Charge Pump with New Clocking Scheme for Smoothing the Charging Current in Low Voltage CMOS Process. IEEE Trans. Circuits Syst. I Regul. Pap. 2017, 64, 528–536. [Google Scholar] [CrossRef]
- Favrat, P.; Deval, P.; Declercq, M.J. A high-efficiency CMOS voltage doubler. IEEE J. Solid-State Circuits 1998, 33, 410–416. [Google Scholar] [CrossRef]
- Chen, P.H.; Ishida, K.; Zhang, X.; Okuma, Y.; Ryu, Y.; Takamiya, M.; Sakurai, T. 0.18-V input charge pump with forward body biasing in startup circuit using 65nm CMOS. In Proceedings of the IEEE Custom Integrated Circuits Conference 2010, San Jose, CA, USA, 19–22 September 2010; pp. 1–4. [Google Scholar]
- Huang, W.C.; Cheng, J.C.; Liou, P.C.; Liou, C.W. A charge pump circuit using multi-staged voltage doubler clock scheme. In Proceedings of the 2007 Internatonal Conference on Microelectronics, Cairo, Egypt, 29–31 December 2007; pp. 317–320. [Google Scholar]
- Ballo, A.; Grasso, A.D.; Giustolisi, G.; Palumbo, G. Optimized charge pump with clock booster for reduced rise time or silicon area. IEEE Tran. Circuits Syst. II: Express Briefs 2019, in press. [Google Scholar] [CrossRef]
- Athas, W.C.; Svensson, L.J.; Koller, J.G.; Tzartzanis, N.; Chou, E.Y.-C. Low-power digital systems based on adiabatic-switching principles. IEEE Trans. Very Large Scale Integr. Vlsi Syst. 1994, 2, 398–407. [Google Scholar] [CrossRef]
- Alioto, M.; Palumbo, G. Performance evaluation of adiabatic gates. IEEE Trans. Circuits Syst. Fundam. Theory Appl. 2000, 47, 1297–1308. [Google Scholar]
- Lauterbach, C.; Weber, W.; Romer, D. Charge sharing concept and new clocking scheme for power efficiency and electromagnetic emission improvement of boosted charge pumps. IEEE J. Solid-State Circuits 2000, 35, 719–723. [Google Scholar] [CrossRef]
- Keung, K.; Manne, V.; Tyagi, A. A Novel Charge Recycling Design Scheme Based on Adiabatic Charge Pump. IEEE Trans. Very Large Scale Integr. Vlsi Syst. 2007, 15, 733–745. [Google Scholar] [CrossRef]
- Tanzawa, T.; Tanaka, T.; Takeuchi, K.; Nakamura, H. Circuit techniques for a 1.8-V-only NAND flash memory. IEEE J. Solid-State Circuits 2002, 37, 84–89. [Google Scholar] [CrossRef]
- Palumbo, G.; Pappalardo, D.; Gaibotti, M. Charge pump with adaptive stages for non-volatile memories. IEEE Proc. Circuits Devices Syst. 2006, 153, 136–142. [Google Scholar] [CrossRef]
- Zhang, X.; Lee, H. An Efficiency-Enhanced Auto-Reconfigurable 2-/3-SC Charge Pump for Transcutaneous Power Transmission. IEEE J. Solid-State Circuits 2010, 45, 1906–1922. [Google Scholar] [CrossRef]
- Beck, Y.; Singer, S. Capacitive Transposed Series-Parallel Topology With Fine Tuning Capabilities. IEEE Trans. Circuits Syst. I Regul. Pap. 2011, 58, 51–61. [Google Scholar] [CrossRef]
- Ueno, F.; Inoue, T.; Oota, I.; Harada, I. Emergency power supply for small computer systems. In Proceedings of the IEEE International Sympoisum on Circuits and Systems, Singapore, 11–14 June 1991; pp. 1065–1068. [Google Scholar]
- Gupta, A.K.; Joshi, A.; Gajare, V.; Ghanshyam, H.S.; Dutta, A. Power efficient reconfigurable charge pump for micro scale energy harvesting. In Proceedings of the 2013 IEEE Asia Pacific Conference on Postgraduate Research in Microelectronics and Electronics (PrimeAsia), Visakhapatnam, India, 19–21 December 2013; pp. 73–76. [Google Scholar]
- Alioto, M.; Consoli, E.; Rabaey, J.M. ‘EChO’ Reconfigurable Power Management Unit for Energy Reduction in Sleep-Active Transitions. IEEE J. Solid-State Circuits 2013, 48, 1921–1932. [Google Scholar] [CrossRef]
- Ballo, A.; Grasso, A.D.; Palumbo, G. Linear Charge Pumps Survey. Available online: https://bit.ly/2Ieicoe (accessed on 11 April 2019).














| Ref. | [2] | [3] | [12] | [13] | [14] | [15] | [17] | [18] | [20] | [58] a | [23] | |
|---|---|---|---|---|---|---|---|---|---|---|---|---|
| Topology | Cross-coupled/composite | Cross-coupled | Bootstrap | Dickson-with DGB | Cross-coupled with BGB | Cross-coupled DBB | Bootstrap | Bootstrap | Bootstrap | Adiabatic | Adaptive | |
| No. Of Stages | 6 pararallel 24 | 3 | 10 | 4 | 6 | 3 | 3 | 5 | 1 | 3 | 7 | 10 |
| Aux. Circuit | Start-up circuit | Clock booster 3x | Clock booster 2x | Dynamic G control | Backward G Biasing | Dynamic B control | - | Split-merge four-branches | - | Low-threshold diode in every CTS | - | |
| Technology (nm) | 130 | 65 | 65 | 65 | 180 | 130 | 130 | 130 | 180 | 130 | 65 | |
| Min. Supply (mV) | 70 | 150 | 100 | 550 | 320 | 150 | 270 | 500 | 390 | 125 | 120 | |
| Clock Frequency (MHz) | 0.040 | 15.2 | 10 | 1.8 | 0.45 | 0.25 | 0.8 | 2.5 | 23 | 0.360 | 1 | |
| Total Pumping Cap. (pF) | 46.08 | 22.5 | 1001 | 160 | 288 | 36,000 b | 150 | 310 | 500 | 96 | 224 | 286 |
| Load Cap. (pF) | 10,000 b | 30 | 100 | 400 | 50.7 | 10,000 b | 500 | 800 | 4000 b | 100 | - | |
| Load Current at Peak η (µA) | 12 | 1.74 | 0.76 | 10 | - | 21 | 5 | 30 | 620 | 0.1 | 3.9 | |
| Max Output Power (μW) | 15 | 1.5 | 6.6 | 4.7 | - | 10.5 | 7 | 75 | 620 | 0.061 | 0.035 | 3 |
| Peak VCE (%) | 50 | 80 | 76 | 96 | 89 | 86 | 65 | 93 | 93 | 70 | 80 | 58 |
| Peak η (%) | 58 | 38.8 | 33 | 66 | - | 34 c | 58 | 78.6 c | 76 | 59 | 62 | 38.8 |
| Area (mm2) | 0.6 | 0.032 | 1.32 | 0.17 | 0.14 mm2 | 0.066 b | 0.42 | 0.98 | 0.48 | 0.15 | 0.1 | 0.78 |
© 2019 by the authors. Licensee MDPI, Basel, Switzerland. This article is an open access article distributed under the terms and conditions of the Creative Commons Attribution (CC BY) license (http://creativecommons.org/licenses/by/4.0/).
Share and Cite
Ballo, A.; Grasso, A.D.; Palumbo, G. A Review of Charge Pump Topologies for the Power Management of IoT Nodes. Electronics 2019, 8, 480. https://doi.org/10.3390/electronics8050480
Ballo A, Grasso AD, Palumbo G. A Review of Charge Pump Topologies for the Power Management of IoT Nodes. Electronics. 2019; 8(5):480. https://doi.org/10.3390/electronics8050480
Chicago/Turabian StyleBallo, Andrea, Alfio Dario Grasso, and Gaetano Palumbo. 2019. "A Review of Charge Pump Topologies for the Power Management of IoT Nodes" Electronics 8, no. 5: 480. https://doi.org/10.3390/electronics8050480
APA StyleBallo, A., Grasso, A. D., & Palumbo, G. (2019). A Review of Charge Pump Topologies for the Power Management of IoT Nodes. Electronics, 8(5), 480. https://doi.org/10.3390/electronics8050480
