Current Source AC-Side Clamped Inverter for Leakage Current Reduction in Grid-Connected PV System
Abstract
:1. Introduction
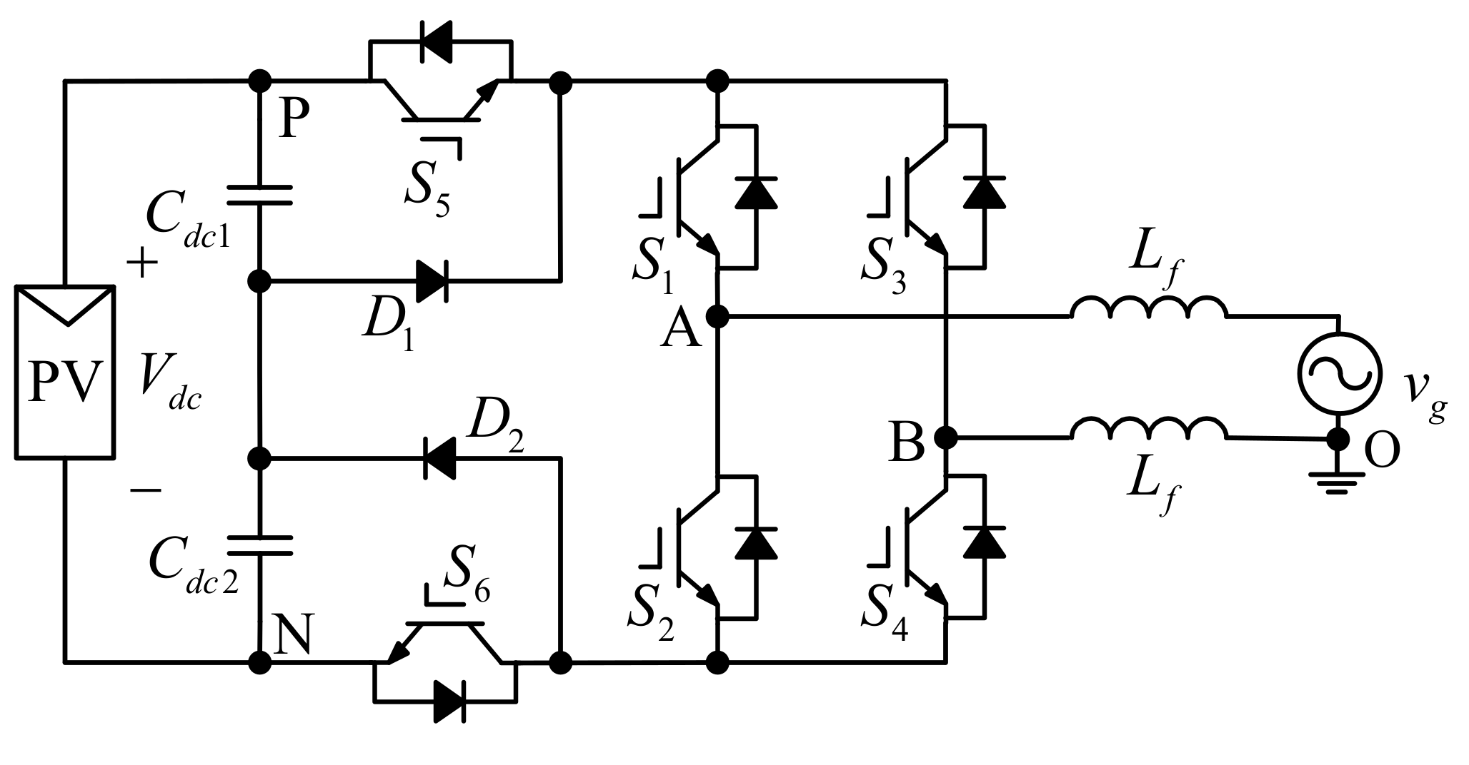
2. Traditional Current Source Inverter
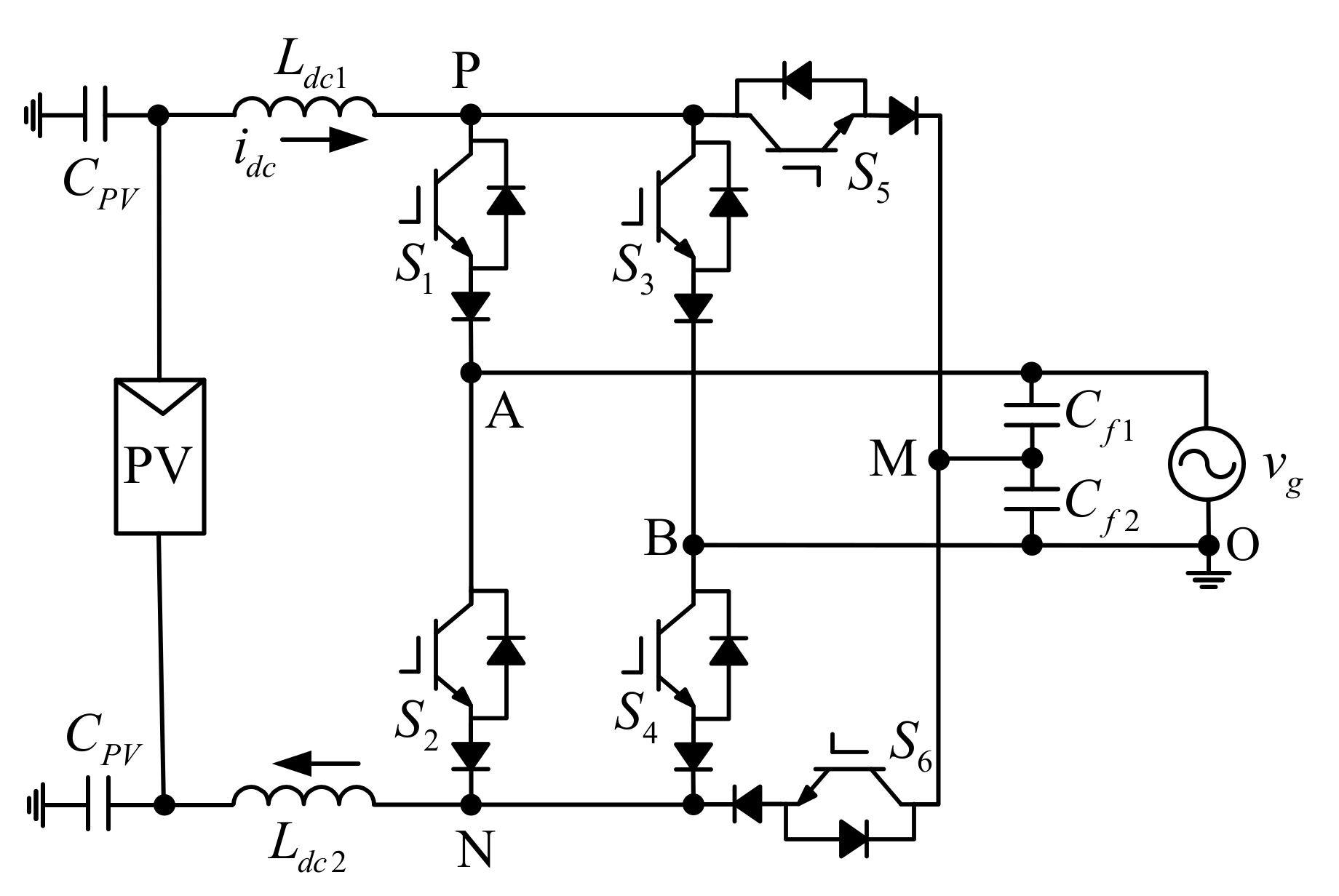
3. New Current-Source Inverter
4. Results
5. Conclusions
Author Contributions
Funding
Conflicts of Interest
References
- Xiao, G.; Yang, Y.; He, R.; Wang, B.; Blaabjerg, F. Transformerless Z-source four-leg PV inverter with leakage current reduction. IEEE Trans. Power Electron. 2019, 34, 4343–4352. [Google Scholar]
- Ji, Y.; Yang, Y.; Zhou, J.; Ding, H.; Guo, X.; Padmanaban, S. Control strategies of mitigating dead-time effect on power converters: An overview. Electronics 2019, 8, 196. [Google Scholar] [CrossRef]
- Siwakoti, Y.P.; Blaabjerg, F. Common-ground-type transformerless inverters for single-phase solar photovoltaic systems. IEEE Trans. Ind. Electron. 2018, 65, 2100–2111. [Google Scholar] [CrossRef]
- Rojas, C.A.; Aguirre, M.; Kouro, S.; Geyer, T.; Gutierrez, E. Leakage current mitigation in photovoltaic string inverter using predictive control with fixed average switching frequency. IEEE Trans. Ind. Electron. 2017, 64, 9344–9354. [Google Scholar] [CrossRef]
- Freddy, T.K.S.; Rahim, N.A.; Hew, W.; Che, H.S. Comparison and analysis of single-phase transformerless grid-connected PV inverters. IEEE Trans. Power Electron. 2014, 29, 5358–5369. [Google Scholar] [CrossRef]
- Zeng, H.; Li, Y.; Zhang, B.; Zheng, T.Q.; Hao, R.; Yang, Z. An improved H5 topology with low common-mode current for transformerless PV grid-connected inverter. IEEE Trans. Power Electron. 2019, 34, 1254–1265. [Google Scholar]
- Kafle, Y.R.; Town, G.E.; Guochun, X.; Gautam, S. Performance comparison of single-phase transformerless PV inverter systems. In Proceedings of the 2017 IEEE Applied Power Electronics Conference and Exposition (APEC), Tampa, FL, USA, 26–30 March 2017. [Google Scholar]
- Xiao, G.; Jia, X. Hardware-based cascaded topology and modulation strategy with leakage current reduction for transformerless PV systems. IEEE Trans. Ind. Electron. 2016, 62, 7823–7832. [Google Scholar]
- Yang, B.; Li, W.; Gu, Y.; Cui, W.; He, X. Improved transformerless inverter with common-mode leakage current elimination for a photovoltaic grid-connected power system. IEEE Trans. Power Electron. 2012, 27, 752–762. [Google Scholar] [CrossRef]
- Guo, X.; Yang, Y.; Zhu, T. ESI: A novel three-phase inverter with leakage current attenuation for transformerless PV systems. IEEE Trans. Ind. Electron. 2018, 65, 2967–2974. [Google Scholar] [CrossRef]
- Zhang, L.; Sun, K.; Xing, Y.; Xing, M. H6 transformerless full-bridge PV grid-tied inverters. IEEE Trans. Power Electron. 2014, 29, 1229–1238. [Google Scholar] [CrossRef]
- Dai, H.; Jahns, T.; Torres, R.; Han, D.; Sarlioglu, B. Comparative evaluation of conducted common-mode EMI in voltage-source and current-source inverters using wide-bandgap switches. In Proceedings of the IEEE Transportation Electrification Conference and Expo, Long Beach, CA, USA, 13–15 June 2018. [Google Scholar]
- Dai, H.; Jahns, T.M. Comparative investigation of PWM current source inverters for future machine drives using high-frequency wide-bandgap power switches. In Proceedings of the IEEE Applied Power Electronics Conference, San Antonio, TX, USA, 4–8 March 2018. [Google Scholar]
- Dai, H.; Jahns, T.; Torres, R.; Liu, M.; Sarlioglu, B.; Chang, S. Development of high-frequency WBG power modules with reverse-voltage-blocking capability for an integrated motor drive using a current-source inverter. In Proceedings of the IEEE Energy Conversion Congress and Exposition, Portland, OR, USA, 23–27 September 2018. [Google Scholar]
- Torres, R.A.; Dai, H.; Lee, W.; Jahns, T.M.; Sarlioglu, B. Current-source inverters for integrated motor drives using wide-bandgap power switches. In Proceedings of the 2018 IEEE Transportation Electrification Conference and Expo, Long Beach, CA, USA, 13–15 June 2018. [Google Scholar]
- Chen, Y.; Smedley, K. Three-phase boost-type grid-connected inverter. IEEE Trans. Power Electron. 2008, 23, 2301–2309. [Google Scholar] [CrossRef]
- Dash, P.P.; Kazerani, M. Dynamic modeling and performance analysis of a grid-connected current-source inverter-based photovoltaic system. IEEE Trans. Sustain. Energy 2011, 2, 443–450. [Google Scholar] [CrossRef]
- Wang, Z.; Zou, Z.; Zheng, Y. Design and control of a photovoltaic energy and SMES hybrid system with current-source grid inverter. IEEE Trans. Appl. Supercond. 2013, 23, 5701505. [Google Scholar] [CrossRef]
- Anand, S.; Gundlapalli, S.K.; Fernandes, B.G. Transformer-less grid feeding current source inverter for solar photovoltaic system. IEEE Trans. Ind. Electron. 2014, 61, 5334–5344. [Google Scholar] [CrossRef]
- Barbosa, G.; Braga, C.; Rodrigues, B.; Teixeira, E. Boost current multilevel inverter and its application on single-phase grid-connected photovoltaic systems. IEEE Trans. Power Electron. 2006, 21, 1116–1124. [Google Scholar] [CrossRef]
- Noguchi, T. A new three-level current source PWM inverter and its application for grid connected power conditioner. Energy Convers. Manag. 2010, 51, 1491–1499. [Google Scholar]
- Garcia, L.S.; Buiatt, G.M.; de Freitas, L.C.; Coelho, E.; Farias, V.J.; de Freitas, L.C.G. Dual transformerless single-stage current source inverter with energy management control strategy. IEEE Trans. Power Electron. 2013, 28, 4644–4656. [Google Scholar] [CrossRef]
- Gonzalez, R.; Lopez, J.; Sanchis, P.; Marroyo, L. Transformerless inverter for single-phase photovoltaic systems. IEEE Trans. Power Electron. 2007, 22, 693–697. [Google Scholar] [CrossRef]














| Current Vectors | Switching States | CMV | |||
|---|---|---|---|---|---|
| S1 | S2 | S3 | S4 | ||
| I1 | 1 | 0 | 0 | 1 | 0.5vg |
| I2 | 1 | 1 | 0 | 0 | vg |
| I3 | 0 | 1 | 1 | 0 | 0.5vg |
| I4 | 0 | 0 | 1 | 1 | 0 |
| Current Vectors | Switching States | CMV | |||||
|---|---|---|---|---|---|---|---|
| S1 | S2 | S3 | S4 | S5 | S6 | ||
| I1 | 1 | 0 | 0 | 1 | 0 | 0 | 0.5vg |
| I3 | 0 | 1 | 1 | 0 | 0 | 0 | 0.5vg |
| I0 | 0 | 0 | 0 | 0 | 1 | 1 | 0.5vg |
| Current Vectors | Switching States | CMV | |||||
|---|---|---|---|---|---|---|---|
| S1 | S2 | S3 | S4 | S5 | S6 | ||
| I1 | 1 | 0 | 0 | 1 | 0 | 0 | 0.5vg |
| I01 | 1 | 0 | 0 | 1 | 1 | 1 | 0.5vg |
| I3 | 0 | 1 | 1 | 0 | 0 | 0 | 0.5vg |
| I03 | 0 | 1 | 1 | 0 | 1 | 1 | 0.5vg |
| Parameters | Values |
|---|---|
| Switching frequency | 10 kHz |
| AC-side filter capacitors (Cf1 Cf2) | 18.8 μF |
| DC-side inductances (Ldc1 Ldc2) | 5 mH |
| Parasitic capacitance (Cpv) | 75 nF |
| DC-side current | 8 A |
| DC-side voltage | 200 V |
| AC-side current | 6 A |
| AC-side voltage | 110 V (RMS) |
© 2019 by the authors. Licensee MDPI, Basel, Switzerland. This article is an open access article distributed under the terms and conditions of the Creative Commons Attribution (CC BY) license (http://creativecommons.org/licenses/by/4.0/).
Share and Cite
Li, X.; Wang, N.; San, G.; Guo, X. Current Source AC-Side Clamped Inverter for Leakage Current Reduction in Grid-Connected PV System. Electronics 2019, 8, 1296. https://doi.org/10.3390/electronics8111296
Li X, Wang N, San G, Guo X. Current Source AC-Side Clamped Inverter for Leakage Current Reduction in Grid-Connected PV System. Electronics. 2019; 8(11):1296. https://doi.org/10.3390/electronics8111296
Chicago/Turabian StyleLi, Xiangli, Na Wang, Guocheng San, and Xiaoqiang Guo. 2019. "Current Source AC-Side Clamped Inverter for Leakage Current Reduction in Grid-Connected PV System" Electronics 8, no. 11: 1296. https://doi.org/10.3390/electronics8111296
APA StyleLi, X., Wang, N., San, G., & Guo, X. (2019). Current Source AC-Side Clamped Inverter for Leakage Current Reduction in Grid-Connected PV System. Electronics, 8(11), 1296. https://doi.org/10.3390/electronics8111296
