Next Article in Journal
An ANN-Based Temperature Controller for a Plastic Injection Moulding System
Next Article in Special Issue
A 0.5~0.7 V LC Digitally Controlled Oscillator Based on a Multi-Stage Capacitance Shrinking Technique
Previous Article in Journal
OTL-Classifier: Towards Imaging Processing for Future Unmanned Overhead Transmission Line Maintenance
Previous Article in Special Issue
System Level Optimization for High-Speed SerDes: Background and the Road Towards Machine Learning Assisted Design Frameworks
 
 
Font Type:
Arial Georgia Verdana
Font Size:
Aa Aa Aa
Line Spacing:
Column Width:
Background:
Article

CMOS Voltage Reference Using a Self-Cascode Composite Transistor and a Schottky Diode

by
Thaironi M. Brito
1,*,
Dalton M. Colombo
2,
Robson L. Moreno
1 and
Kamal El-Sankary
3,*
1
Systems Engineering and Information Technology Institute, Federal University of Itajuba, 35903-087 Itajuba, Brazil
2
Electrical Engineering Department, Federal University of Minas Gerais, 31270-901 Belo Horizonte, Brazil
3
Electrical & Computer Engineering Department, Dalhousie University, Halifax, NS B3J 1Z1, Canada
*
Authors to whom correspondence should be addressed.
Electronics 2019, 8(11), 1271; https://doi.org/10.3390/electronics8111271
Submission received: 29 September 2019 / Revised: 28 October 2019 / Accepted: 30 October 2019 / Published: 1 November 2019
(This article belongs to the Special Issue Nanoscale CMOS Technologies)

Abstract

:
This work presents an investigation of the temperature behavior of self-cascode composite transistors (SCCTs). Results supported by silicon measurements show that SCCTs can be used to generate a proportional to absolute temperature voltage or even a temperature-compensated voltage. Based on the achieved results, a new circuit topology of a resistorless voltage reference circuit using a Schottky diode is also presented. The circuit was fabricated in a 130 nm BiCMOS process and occupied a silicon area of 67.98 µm × 161.7 µm. The averaged value of the output voltage is 720.4 mV, and its averaged line regulation performance is 2.3 mV/V, calculated through 26 characterized chip samples. The averaged temperature coefficient (TC) obtained through five chip samples is 56 ppm/°C in a temperature range from −40 to 85 °C. A trimming circuit is also included in the circuit topology to mitigate the impact of the fabrication process effects on its TC. The circuit operates with a supply voltage range from 1.1 to 2.5 V.

1. Introduction

The voltage reference circuit, as is well known, provides an output voltage (VREF) that is insensitive to variations in the supply voltage (VDD), operation temperature, and the fabrication process effects. The temperature-compensated VREF is often achieved by the balanced addition of two voltages with opposite temperature coefficients: VPTAT (proportional to absolute temperature) and VCTAT (complementary proportional to absolute temperature). The CTAT voltage is usually implemented by means of the base-emitter voltage (VBE) or the gate-source voltage (VGS). The PTAT voltage is typically generated by the difference between two VBE or VGS voltages.
A non-conventional approach to generate the PTAT voltage for a voltage reference application was proposed by [1]. It uses two transistors in series with both gate terminals tied together—an association here called self-cascode composite transistors (SCCTs). This approach has shown promise and has been employed in other works, for instance, in [2,3,4]. Therefore, in order to extract the best use of this type of transistor association, it is essential to investigate its temperature dependence.
A non-conventional approach to generate the CTAT voltage was proposed in [5]. The use of a Schottky diode to generate the CTAT voltage allows for the reduction of the minimum supply voltage of circuit operation. The Schottky diode was also successfully employed in [3,6]. The use of VGS voltage to implement the CTAT voltage also allows for VDD reduction. However, the generated VREF in this type of topology is directly proportional to the transistor threshold voltage, VTH, which is a strong function of process parameters. The doping at the transistor channel region, for example, is hard to control in the fabrication of downscaled technology.
This work studies the temperature dependency of SCCTs in triode and saturation mode. It is shown that the output voltage of this device can have PTAT or temperature-compensated behavior, as supported by silicon measurements. Based on these results, a new topology of CMOS resistorless voltage reference using a Schottky diode [3] was designed and validated with silicon measurements. Additionally, a trimming circuit was included in the circuit topology to mitigate the impact of fabrication process effects on its temperature performance.
The proposed circuit generates an output voltage with an average value of 720.4 mV and a standard deviation (σ) of 15.6 mV, calculated considering 26 measured samples. The averaged TC after trimming is 56 ppm/°C considering five chip samples. Moreover, the circuit operates with a VDD range from 1.1 to 2.5 V and occupies a silicon area of 67.98 µm × 161.7 µm.
This paper is organized as follow. Section 2 describes the generation of the CTAT and PTAT voltages. The proposed circuit topology is discussed in Section 3. Section 4 and Section 5 present the silicon results and conclusions, respectively.

2. CTAT and PTAT Voltage Generators

2.1. The Schottky Diode as a VCTAT Generator

Unlike the PN-junction diode, the Schottky diode has a metal-semiconductor junction. This junction is obtained taking metal into contact with a moderately doped n-type diffusion. As a result, the Schottky diode differs from the PN diode in two electrical characteristics: fast switching and a low forward-voltage drop (VD), which is about 300 mV. The second characteristic is important for the voltage reference design operation at a low supply voltage. The Schottky diode current equation is given below [5]:
I D = I S ( exp { V D n U T } 1 )
where q is the electron charge, n is the slope factor, and UT is the thermal voltage.
The Schottky diode current equation is similar to the PN-junction current equation, which indicates that it may be possible to replace the PN diode by the Schottky diode. However, it is vital to analyze Schottky temperature behavior before using it in place of a PN diode. Figure 1 shows a comparison between the simulated forward biasing voltages, for the same current density level, of a Schottky diode and a vertical bipolar transistor. The simulated TC of the Schottky diode and PN diode is 1.46 and 1.92 mV/°C, respectively. Therefore, it is possible to use the Schottky diode to generate the CTAT voltage.

2.2. The Self-Cascode Composite Transistor (SCCT) As a VPTAT Generator

The SCCT is the association of two transistors, as can be seen in Figure 2 [2]. Both substrate terminals are connected to the ground reference.
The drain current of a transistor operating in sub-threshold weak inversion is given by Equation (2) [7]:
I D = I 0 exp { V G S V t n U T } ( 1 exp { V D S U T } )
where I0 is given by [7]
I 0 = μ 0 C o x W L ( n 1 ) U t 2
where µ0 is the carrier mobility, and COX is the oxide capacitance. From Equations (2) and (3), the gate-source voltage (VGS) is written as
V G S = n U T ln ( I D u o C O X S ( n 1 ) U T 2 [ 1 exp { V D S U T } ] ) + V t
where S is the transistor aspect ratio (W/L). The output voltage of the SCCT, VDS-DOWN, is the difference between the gate-source voltages of both transistors:
V D S D O W N = V G S D O W N V G S U P .
Replacing Equation (4) in Equation (5), the drain-source voltage of transistor NDOWN is
V D S d o w n n U T ln ( I D d o w n S u p [ 1 exp { V D S u p U T } ] I D u p S d o w n [ 1 exp { V D S d o w n U T } ] ) .
When the drain-source voltage is more than about four times the thermal voltage (VDS4UT), Equation (6) can be approximated by
V D S d o w n n U T ln ( I D d o w n S u p I D u p S d o w n ) .
Equations (6) and (7) consider an equal threshold voltages of NUP and NDOWN, and that neglects the small error caused by the body effect in the NUP transistor.
To characterize the temperature behavior of the SCCTs, and its dependency on the current level, the circuit in Figure 3 was designed and fabricated. This circuit includes several SCCTs composed by transistors with different aspect ratios. Each SCCT device is a combination in series or in parallel of a unitary transistor with an aspect ratio of 3 µm/3 µm. The unitary transistor was designed with a length equal to 3 µm for a 130 nm process with the intention of (i) avoiding short-channel effects and (ii) mitigating the impact of fabrication process effects on the output voltage. The aspect ratios of transistors P1–P9 in Figure 3 are the same to provide the same biasing current in the SCCTs. With reference to Figure 2, I1 = I2, and I3 = 0 for each device.
Eight different combinations of SCCTs were designed, with different W/L aspect ratios. The objective was to investigate and validate, through silicon measurements, the temperature behavior predicted by simulations. For instance, transistor NUP in SCCT1 and SCCT8 have an equivalent W/L equal to 60 µm/3 µm, and 42 µm/3 µm, respectively. These transistor dimensions were chosen to set the inflection point of the output voltage vs. the temperature curve at a specific temperature value. For instance, the inflection points for SCCT1 and SCC8 are about 18 and 0 °C, respectively.
Each SCCT was measured in a temperature range from −40 to 85° for three temperature-independent bias currents: 100 nA, 1 µA, and 100 µA. The supply voltage was 1.2 V, and the measurement results are presented in the next section.

2.3. Silicon Measurements of the Output Voltage of SCCTs

Figure 4 shows the output voltage of SCCT1 and SCCT8 as a function of temperature for a bias current of 100 nA. The output voltage of the SCCT1 is larger than the SCCT8 because of its larger ratio of Sup/Sdown as expected by Equation (6). Moreover, the inflexion point of both curves is different, as mentioned in the last section. This result shows that the designer can use the proper transistor sizing in order to adjust the value of the output voltage and its temperature coefficient.
Figure 5 shows the output voltage of SCCT1 and SCCT8 as a function of temperature for a bias current of 1 µA. As shown in Figure 4 and Figure 5, the higher the bias current, the greater the positive slope (TC) of the output voltage is. This means that the curve is no longer a downward concave; it tends to be a straight line. This result is also expected from Equation (6).
Figure 6 shows the output voltage of SCCT1 and SCCT8 as a function of temperature for a bias current of 10 µA. Figure 4, Figure 5 and Figure 6 show that, as the bias current is increased, the temperature dependence of the output voltage tends to be a rising linear curve. This temperature relation was observed in all measured SCCTs. The other temperature results were compiled in Table 1, while the aspect ratio of all SCCTs is given in Table 2. Moreover, it was verified through simulations that the linear temperature dependence continues to occur for bias currents from 10 µA to 1 mA.
Table 1 presents the temperature coefficient given in ppm/°C calculated using Equation (8). Sim and Meas stand for simulation and measurement, respectively. Parameter Vout is measured at 27 °C, Vout_max and Vout_min represent the maximum and minimum values of the output voltage in the temperature range, respectively. For instance, the measured data of Figure 4a of Vout = 91.5 mV, Vout_max = 92 mV, Vout_min = 80 mV, Tmax = 85 °C, and Tmin = −40 °C yield a TC of about 1000 ppm/°C.
T C = 1 V o u t ( V o u t _ m a x V o u t min ) T m a x T m i n · 10 6 [ p p m ° C ] .
For currents around 100 nA (Figure 4), the output voltage tends to be temperature-compensated and can be used a standalone voltage reference without the need of an auxiliary CTAT circuit. While in this case, the output voltage presents a more significant temperature curvature when compared to output generated by traditional voltage references, this is a very important result owing to the simplicity of the SCCT circuit. Hence, SCCTs can be used to create an output voltage with some temperature compensation, for moderate accuracy applications, while using a minimal silicon area and a low power consumption.
As shown in Figure 6, the output of SCCTs presents a linear PTAT TC when biased with a current greater than 10 µA. It is also possible to generate a rising linear output voltage for currents lower than 10 µA by increasing the ratio of SUP/SDOWN in Equation (7) at the expense of a larger silicon area.
Table 2 presents the operation mode of each transistor of the SCCT where Trio and Sat stand for triode and saturation operation, respectively. As can be seen, by increasing the bias current, the transistor leaves the linear mode and enters saturation mode. Note that, for IBIAS equal to 100 nA, all transistors are in weak inversion operation, i.e., the gate-source voltage is lower than the threshold voltage. The threshold voltage for all transistors in Table 2 is about 210 mV. The condition to be in saturation with weak inversion biasing is the drain-source voltage larger than about four times the thermal voltage (~100 mV @ 22 °C).
Consider, for instance, Figure 5. The output voltage of both SCCT1 and SCCT8 presents a linear PTAT dependency up to 60 °C and a lower slope after that. This happens because, as the output voltage increases with temperature, the drain-source voltage of the upper transistor decreases and eventually enters a triode region at 85 °C. For IBIAS equal to 10 µA, the drain-source voltage is high enough to keep the upper transistor of all SCCTs in saturation. Therefore, if the linear PTAT TC is desired, the upper transistor must be in saturation mode, while the lower transistor can be in triode or saturation mode.
If the temperature-compensated output voltage is desired, the designer can properly bias the SCCT with low currents. However, it is important to be aware that the output voltage of the SCCT and its derivative are strongly dependent on the bias current for values lower than 5 µA, as shown in Figure 7 for SCCT1.
Figure 8 shows the TC of the SCCT output voltage as a function of the bias current. The TC is a strong function of the bias current when the upper transistor is in triode mode, i.e., an IBIAS lower than 10 µA. This strong dependence imposes a challenge in using the temperature-compensated output voltage. The reason for that is the difficulty of generating an accurate and stable bias current insensitive to fabrication process effects. Moreover, the TC of the bias current also modifies the TC of the output voltage. Therefore, if the chip already has an accurate current reference circuit, a low area reference voltage with some temperature compensation can be efficiently designed using SCCTs. Finally, the SCCT operating in triode mode acts as a moderate temperature-compensated resistor.

2.4. Comparison to Other Works

Several works have used SCCT devices. Some works [4,8,9,10,11] show that the SCCTs can also generate a moderate temperature-compensated output voltage. Some work [4] explores the temperature compensation of SCCT utilizing two transistors with different gate oxide thicknesses and different threshold voltages. The NUP is a thick gate oxide transistor, while the NDOWN is a thin-gate oxide transistor, respectively. A similar approach is also used in [8,9]. In Reference [10], an alternative configuration of the SCCT is proposed, where the gate terminal of SCCT is connected to the output voltage. Moreover, the bulk terminal of NUP is also connected to the output voltage to eliminate the body effect. That solution requires a CMOS triple-well technology.
In Reference [11], NUP and NDOWN devices have the same gate-oxide thickness but with different lengths. Transistors with different lengths have different threshold voltages, mainly caused by the reverse short-channel effect (RSCE).
The study and the experimental data presented in this work provide general guidelines to the use of SCCTs in the design of voltage references. In temperature-compensated reference VREF using CTAT and PTAT circuits, the SCCTs can be used as the PTAT block when VOUT_SCCT has a linear dependence to temperature. This work also shows that a moderate temperature-compensated output voltage can be generated using an SCCT with only two transistors of the same gate oxide thicknesses and the same transistor length operating in triode mode.

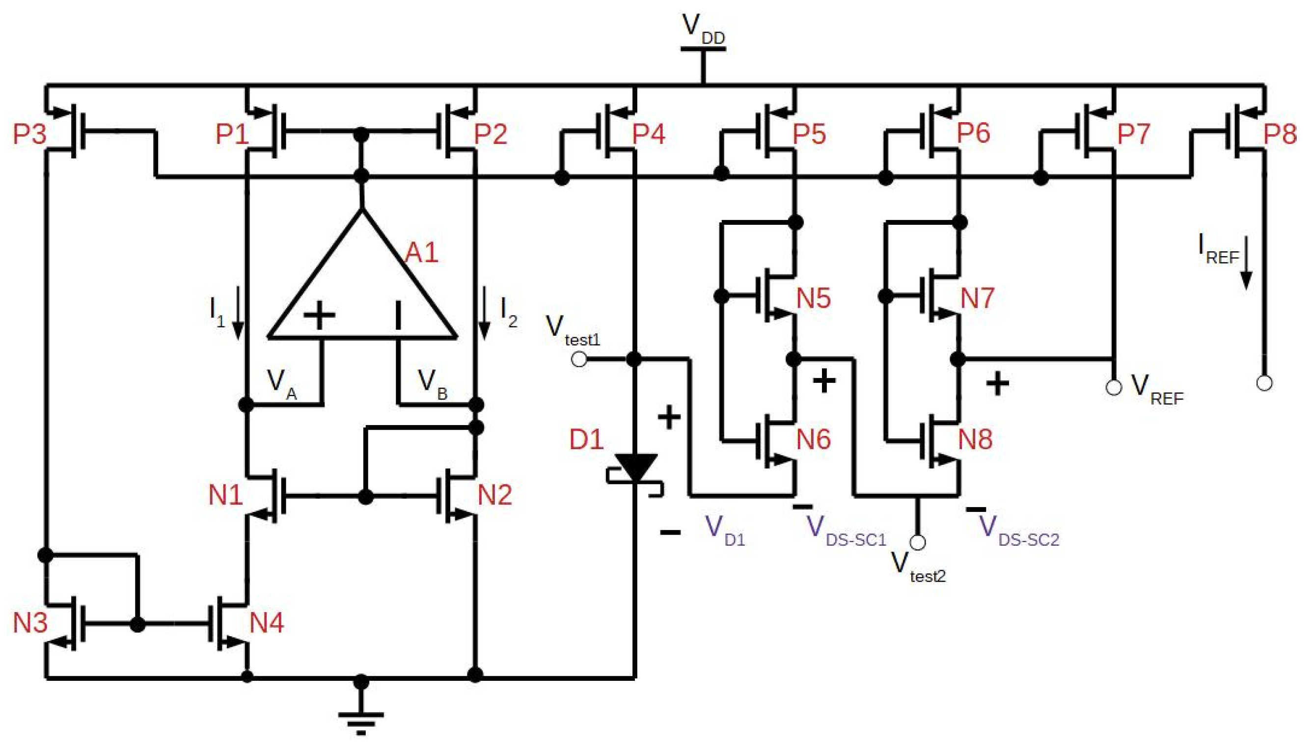
3. The Proposed Voltage Reference

The proposed circuit is shown in Figure 9. It is composed of two sub-circuits: the bias current generator and the voltage reference core. The substrate terminal of all NMOSFETs and the n-well terminal of all PMOSFETs are connected to ground and supply, respectively. The bias current generator was proposed in [12] and is formed by transistors P1, P2, P3, N1, N2, N3, N4, and the amplifier A1. Transistor N4 operates in the triode region and acts as an integrated resistor. Its drain-source voltage (VDSN4) is equal to VGSN2 – VGSN1, and the current (I1) flowing through its terminals can be approximated by Equation (9). I1 is also given by Equation (10) [12]:
I 1 = μ 0 C O X ( W L ) ( V G S N 4 V T H ) V D S N 4
I 1 = n c 2 β N 4 U T 2 K e f f
K e f f = [ K 2 0.5 + K 2 ( K 2 1 ) ] ln 2 ( K 1 )
K 1 = S N 1 S P 2 S N 2 S P 1
K 2 = S N 4 S P 3 S N 3 S P 1
where β is the transconductance parameter, and nC is a correction factor for low drain-source voltages [12]. Note that I1 depends mainly on the aspect ratio of transistors N1–N4, P1–P3, mobility, and UT. Moreover, the performance temperature of I1 is given by [12]
I 1 = ( n c 2 β N 4 ) 0 U T 0 2 K e f f ( T T 0 ) 2 m
where subscript 0 means room temperature, and parameter m is 1.5 and 2 [12]. The bias current in our circuit was designed to be 15 nA. Transistor P8 was included to allow the temperature characterization of IREF. The temperature coefficient of VREF depends on the TC of IREF. Transistor P8 was designed with a large width to increase the value of the test current.
Referring to Figure 9, D1 is a Schottky diode, and it is responsible for generating the CTAT voltage. The PTAT voltage is generated through two SCCTs. The first one is composed of transistors N5–N6, while the second one is composed of transistors N7–N8.
The output voltage of the designed circuit is given by
V R E F = V D 1 + V D S N 5 + V D S N 7 .
Since both SCCTs operate in weak inversion and saturation, it is possible to rewrite the drain-source voltages using Equation (7), and the output voltage can be described by Equation (16):
V R E F = V D 1 + n U t ln [ S N 5 S N 7 ( S P 5 + S P 6 + S P 7 ) ( S P 6 + S P 7 ) S N 6 S N 8 S P 5 S P 6 ] .
According to Equation (16), the desired temperature compensation is achieved with the proper sizing of the current mirror and the SCCTs. Table 3 shows the dimensions of all transistors. Except for the SCCTs (N5-N8), which are thin-oxide 1.2 V transistors, all others are 2.5 V thick oxide transistors. The use of thick-oxide transistors is for a better line regulation. It would also be possible to use thick-oxide transistors for both SCCTs, but it would result in an extra layout area. Finally, the pins Vtest1 and Vtest2 were included to characterize the designed circuit.

3.1. Amplifier Circuit

The schematic of the amplifier A1 in Figure 9 is shown in Figure 10. It is used to improve the line regulation of the current bias generator [13], and its nominal open-loop voltage gain at DC is 55 dB.

3.2. Trimming Circuit

The impact of the fabrication process effects on circuit performance was predicted by Monte Carlo analysis considering 1000 samples. Transistor mismatch and process variations were considered in this simulation, and the histogram for VREF and the TC of VREF are shown in Figure 11.
The mean value and the standard deviation of VREF at 27 °C are 697.1 mV and 25.11 mV, respectively. Regarding the temperature coefficient of VREF, its mean value and σ are 125 and 63.78 ppm/°C, respectively. As discussed in Section 2, the output voltage produced by SCCTs is dependent on the bias current. Thus, it is also important to simulate the electrical variability of the bias current. The mean value and standard deviation of IREF at 27 °C is 103.4 and 14 nA, respectively.
Based on Figure 11b, the TC of VREF can be severely degraded by the fabrication process variability. To mitigate the performance degradation of the TC, the trimming circuit shown in Figure 12 was included in the reference circuitry. Table 4 presents all the transistor dimensions of the trimming circuit.
According to the measured results of SCCTs (Section 2.2), the more current flowing through the SCCT, the greater the positive slope (TC) of the output voltage. Therefore, if VREF is not temperature-compensated, controlling the current level of SCCTs allows for the adjustment of the TC of VREF.
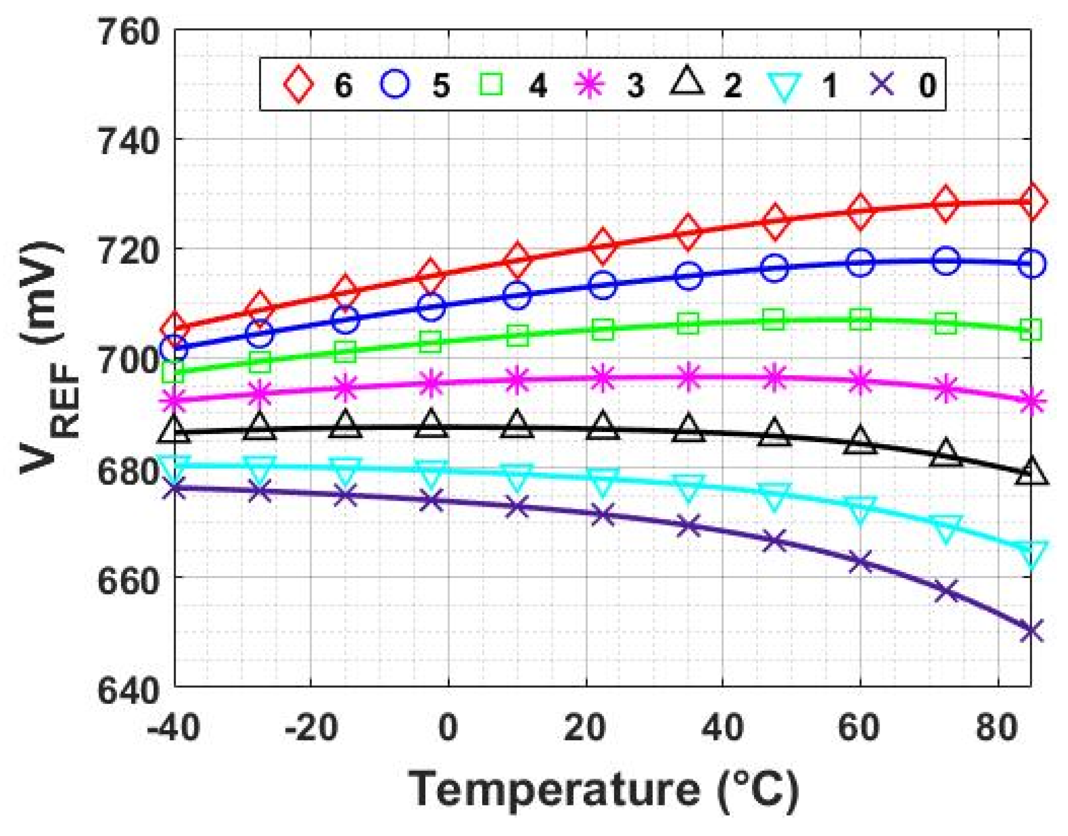
The current flowing through the SCCT composed by N7 and N8 was chosen to be adjusted. The control of the current level was obtained, splitting the transistor P6 into seven equal transistors. Six of them have a switch that is controlled by a digital signal external to the chip. The proposed voltage reference was designed with three switches at a high level (on-state) and three at low-level (off-state). If it is needed to increase the PTAT component of VREF, more switches must be turned on. If the opposite is needed, then fewer switches must be turned on.
Figure 13 presents the simulated VREF versus temperature as a function of the number of switches in the on-state. As can be seen, few switches are needed to cover a considerable variation of VREF and its TC. The implemented trimming circuit is overdesigned in this chip. Table 5 shows the value of VREF at 27 °C, and shows its TC as a function of the number of switches in on-state.

3.3. Start-Up Circuit

The voltage reference includes a start-up circuit shown in Figure 14. It prevents the bias current generator stabilizes in a state with all currents being equal to zero. The start-up circuit works as follows.
When I1 and I2 (Figure 9) are equal to zero, the gate voltages of transistors P1 and P2 are close to VDD, and the gate voltage of N1 and N2 are close to 0 V. Thus, the transistor ST3 are in the cut-off region, and there is no current being mirrored by ST2. The transistor ST4, which is operating as a capacitor, is therefore not charged. This means that node Vx remains equal to 0 V. At this moment, the source-gate voltage of ST5 is nearly VDD, and transistor ST5 starts to drain the current from the gate node of the P1 transistor (Figure 9).
As a current is drawn from this node, the gate voltage of P1 is decreased, and a current starts to flow through the P1 and P2 devices. When the bias generator is operating, ST3 is no longer turned off, and ST4 starts charging node Vx until ST5 enters cut-off. At this moment, the start-up circuit no longer has any influence on the bias current generator. The dimensions of all transistors of the start-up circuit are shown in Table 6.

4. Silicon Results

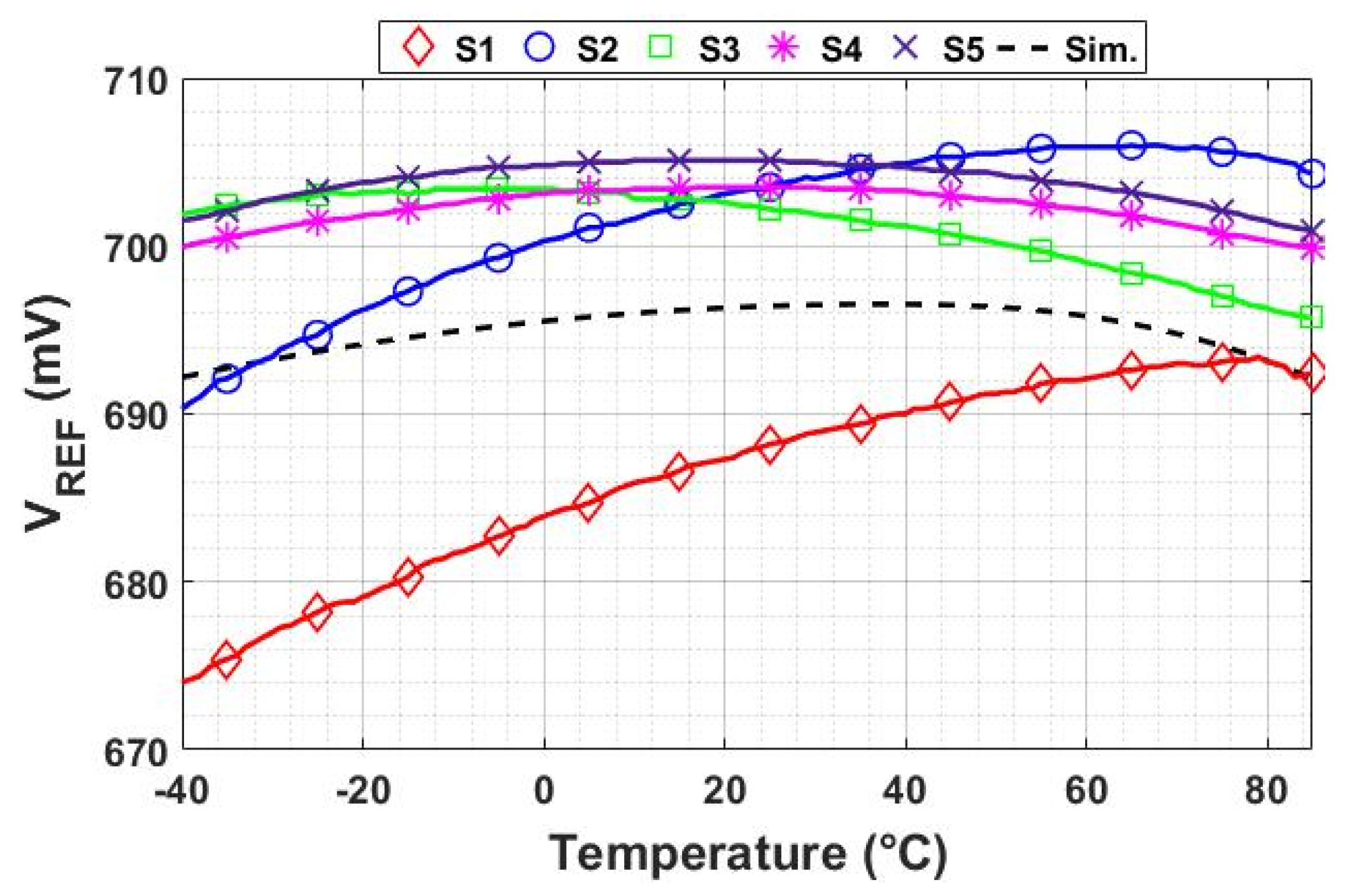
A microphotograph of the fabricated chip can be seen in Figure 15. The voltage reference circuit occupies a small area of 10,992 µm2. The output voltage and current were measured under temperature and supply voltage variations. Figure 16 shows the temperature measurement of VREF in a range from −40 to 85 °C, considering five chip samples.
As can be seen, S4 and S5 samples work precisely as desired. However, S1, S2, and S3 do not have the maximum nominal temperature compensation. While S1 and S2 have PTAT behavior, S3 has a CTAT behavior. The Monte Carlo analysis predicted the deviation from the nominal performance.
Using the trimming circuit, it was possible to improve the temperature performance of S1, S2, and S3. In S1 and S2, two switches were turned off, which means that only one switch was maintained at a high level. In S3, one switch was turned on, resulting in four switches at a high level. The output voltage, as a function of temperature after circuit calibration, can be seen in Figure 17. Table 7 summarizes the results before and after calibration.
Table 7 shows the efficiency of the trimming circuit. The mean TC before the calibration was 116 ppm/°C, while the corrected one was 56 ppm/°C with an improvement of 48%.
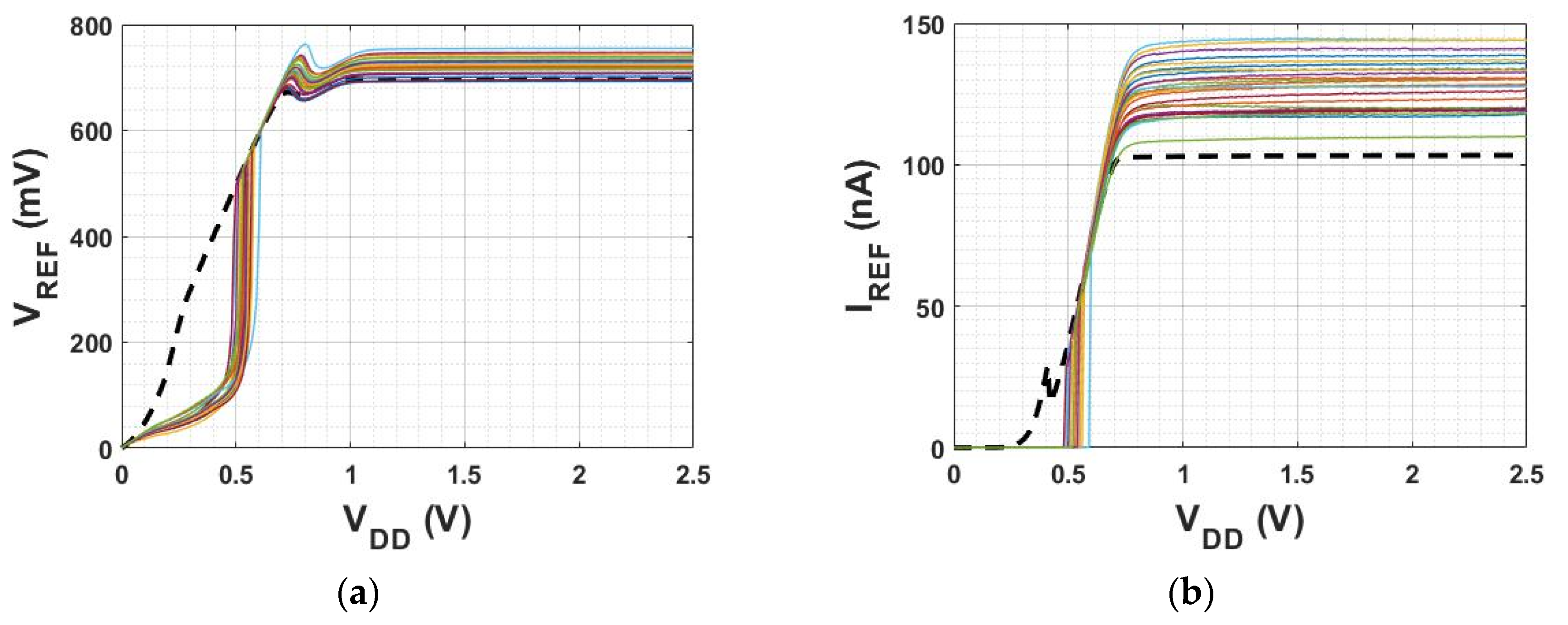
Figure 18a shows the measured IREF as a function of temperature, respectively. There is a variation of more than 20% in the value of IREF for S1. Such large variation was also predicted by the Monte Carlo analysis, and this results in a degraded temperature performance of VREF, as seen in Figure 16. The choice of the bias current generator circuit topology was motivated by the absence of resistors and the small area occupation. If a precise bias current generator was used, the inclusion of the calibration circuit may not be needed.
Figure 18b shows the temperature behavior of the Schottky diode. As can be seen, the voltage has CTAT behavior and agrees with the simulation results.
Figure 19a,b shows the temperature dependence of the output voltage generated by the SCCTs. These results agree with the discussion of Section 2. In the proposed reference, the upper transistor of the SCCTs are always in saturation mode in order to guarantee the small dependence of the bias current. As presented in Section 2.3, a current level IBIAS > 10 µA is required to have a linear PTAT relation between current and temperature. Since the supply current specification of the voltage reference was defined to be less than 1 µA, a different design approach was used. The linear PTAT relation was achieved using a large ratio of (SUP*IDS_DOWN/SDOWN*IDS_UP) according to Equation (6). Note that, in Table 3, that N5 has 18 unitary devices in parallel, while the N6 transistor as 24 unitary devices in series. This results in a SUP/SDOWN ratio of 432, and IDS_DOWN >> IDS_UP.
Figure 20 shows the VREF and IREF variation as a function of VDD variation for 26 samples in a range from 0 to 2.5 V, respectively. The simulated line regulation for VREF is 0.72 mV/V, while the mean value of the measured line regulation is 2.3 mV/V with a σ of 0.6 mV. For IREF, the simulated line regulation is 0.24 nA/V, and the mean value of measured results is 0.9 nA/V, with a standard deviation of 0.7 nA.
The supply voltage sweep shows a minimum VDD of operation close to 1.1 for VREF and 0.7 V for the bias current generator. The simulated power supply rejection ratio (PSRR) at DC is −55 dB and −90 dB for the supply voltages of 1.1 V and 2.5 V, respectively. The current supply and the power consumption (@ 1.1 V) of the proposed circuit are 680 nA and 748 nW, respectively. Finally, Table 8 summarizes the main measured results discussed so far.

Comparison to Other Works

A comparison of this work with related works is presented in Table 9. The state-of-the-art voltage reference circuit topologies were chosen. As can be seen, considering the occupation of the silicon area, this work is, at least, 3.5 times smaller than the other works. Regarding the VDD current consumption, this work consumes at least 4.5 times less than the others. The designed circuit can achieve lower power consumption, without a large increase in the silicon area, because it does not employ integrated resistors. Moreover, the proposed topology is able to operate at 1.1 V of power supply.
Regarding the TC, all works show a superior performance. The proposed circuit topology may be a right circuit candidate for applications that do not need high precision but require a moderate/small silicon area and power consumption.

5. Conclusions

This work studied the temperature behavior of SCCT output voltage. The measurement data shows that this type of device can provide an output voltage with PTAT behavior. Moreover, with the proper sizing and biasing, the output voltage can also be set to be reasonably temperature-compensated. Moderate temperature compensation is obtained by biasing the upper transistor in triode mode, which results in an undesired dependency of the SCCT voltage on the bias current. If a precise current reference is available in the chip, a moderate temperature-compensated voltage can be easily obtained using SCCTs with a low silicon area and a low power consumption.
Driven by the obtained testing results of SCCTs, a new resistorless voltage reference circuit topology using a Schottky diode is also prototyped in this paper. The proper operation of the designed circuit was checked in 26 chip samples. The average TC is 56 ppm/°C in a temperature range from −40 to 85 °C. The trimming circuit was effective in improving the TC of VREF.

Author Contributions

Conceptualization, design, analysis: T.M.B., D.M.C., and R.L.M.; measurement: T.M.B.; writing—original draft preparation: T.M.B. and D.M.C.; writing—review and editing, D.M.C., R.L.M., and K.E.S.; technical discussion: K.E.-S. and R.L.M.

Funding

This study was financed in part by the Coordenação de Aperfeiçoamento de Pessoal de Nível Superior - Brasil (CAPES) - Finance Code 001. It was also financed in part by the FAPEMIG (process - APQ-01758-18), and in part by the Universidade Federal de Minas Gerais (Edital PRPq - 03/2019). Moreover, there was a MOSIS chip support as well.

Acknowledgments

The authors are grateful to FAPEMIG, CAPES, and CNPq for financial support, MOSIS for the chip fabrication, and CTI Renato Archer for chip packaging. We also thank PPG-E (UNIFEI) and PPGEE (UFMG).

Conflicts of Interest

The authors declare no conflict of interest.

References

  1. Ueno, K.; Hirose, T.; Asai, T.; Amemiya, Y. A 300 nW, 15 ppm/°C, 20 ppm/V CMOS Voltage Reference Circuit Consisting of Subthreshold MOSFETs. IEEE J. Solid-State Circuits 2009, 44, 2047–2054. [Google Scholar] [CrossRef]
  2. Colombo, D.M.; Werle, F.; Wirth, G.; Bampi, S. A CMOS 25.3 ppm/°C Bandgap Voltage Reference using Self-Cascode Composite Transistor. In Proceedings of the 2012 IEEE 3rd Latin American Symposium on Circuits and Systems (LASCAS), Playa del Carmen, Mexico, 29 February–2 March 2012. [Google Scholar]
  3. Colombo, D.M.; de Brito, T.M.; Coimbra, F.A. An approach a new 1 V supply resistorless voltage reference using Schottky Diode. In Proceedings of the 2018 IEEE 9th Latin American Symposium on Circuits & Systems (LASCAS), Puerto Vallarta, Mexico, 25–28 February 2018. [Google Scholar]
  4. Yan, W.; Li, W.; Liu, R. Nanopower CMOS sub-bandgap reference with 11 ppm/°C temperature coefficient. Electron. Lett. 2009, 45, 627–629. [Google Scholar] [CrossRef]
  5. Butler, D.L.; Baker, R.J. Low-Voltage bandgap reference design utilizing Schottky diodes. In Proceedings of the 48th Midwest Symposium on Circuits and Systems, Covington, KY, USA, 7–10 August 2005. [Google Scholar]
  6. Campana, R.V.; Klimach, H.; Bampi, S. 0.5 V supply resistorless voltage reference for low voltage applications. In Proceedings of the 2015 28th Symposium on Integrated Circuits and Systems Design (SBCCI), Salvador, Brazil, 31 August–4 September 2015. [Google Scholar]
  7. Tsividis, Y.; McAndrew, C. Operation and Modeling of the MOS Transistor, 2nd ed.; McGraw-Hill: New York, NY, USA, 1999; pp. 125–203. [Google Scholar]
  8. De Oliveira, A.C.; Cordova, D.; Klimach, H.; Bampi, S. Picowatt, 0.45-0.6 V Self-Biased Subthreshold CMOS Voltage Reference. IEEE Trans. 2017, 64, 3036–3046. [Google Scholar] [CrossRef]
  9. Yue, H.; Sun, X.; Liu, J.; Xu, W.; Li, H.; Wei, B.; Wang, T.; Lin, S. 16.8/15.2 ppm/°C 81 nW High PSRR Dual-Output Voltage Reference for Portable Biomedical Application. Electronics 2019, 8, 213. [Google Scholar] [CrossRef]
  10. Albano, D.; Crupi, F.; Cucchi, F.; Iannaccone, G. A picopower temperature-compensated, subthreshold CMOS voltage reference. Int. J. Circuit Theory Appl. 2013, 42, 1306–1318. [Google Scholar] [CrossRef]
  11. De Oliveira, A.C.; Cordova, D.; Klimach, H.; Bampi, S. A 0.12-0.4 V, Versatile 3-Transistor CMOS Voltage Reference for Ultra-Low Power Systems. IEEE Trans. 2018, 65, 3790–3799. [Google Scholar] [CrossRef]
  12. Oguey, H.J.; Aebischer, D. CMOS current reference without resistance. IEEE J. Solid-State Circuits 1997, 32, 1132–1135. [Google Scholar] [CrossRef]
  13. Baker, R.J. CMOS Circuit Design, Layout and Simulation, 3rd ed.; IEEE Press: Piscataway, NJ, USA, 2010; pp. 627–630. [Google Scholar]
  14. Liu, Q.; Zhang, B.; Zhen, S.; Xue, W.; Qiao, M. A 2.6 ppm/°C 2.5 V Piece-Wiese Compensated Bandgap Reference with Low Beta Bipolar. Electronics 2019, 8, 555. [Google Scholar] [CrossRef]
  15. Zhou, Z.-K.; Shi, Y.; Wang, Y.; Li, N.; Xiao, Z.; Wang, Y.; Liu, X.; Wang, Z.; Zhang, B. A Resistorless High-Precision Compensated CMOS Bandgap Voltage Reference. IEEE Trans. Circuits Syst. Regul. Pap. 2019, 66, 428–437. [Google Scholar] [CrossRef]
  16. Lee, S.-Y.; Liao, Z.-X.; Lee, C.-H. Energy-Harvesting Circuits with a High-Efficiency Rectifier and a Low Temperature Coefficient Bandgap Voltage Reference. IEEE Trans. VLSI Syst. 2019, 27, 1760–1767. [Google Scholar] [CrossRef]
  17. Oliveira, F.; Petraglia, A. Adjustable Output CMOS Voltage Reference Design. IEEE Trans. Circuits Syst. Express Briefs accepted. 2019, 1. [Google Scholar] [CrossRef]
  18. Kamath, U.; Cullen, E.; Yu, T.; Jennings, J.; Wu, S.; Lim, P.; Farley, B.; Staszewski, R.B. A 1-V Bandgap Reference in 7-nm FinFET With a Programmable Temperature Coefficient and Inaccuracy of ± 0.2% From – 45 °C to 125 °C. IEEE J. Solid-State Circuits 2019, 54, 1830–1840. [Google Scholar] [CrossRef]
Figure 1. Simulated VD vs. temperature for the Schottky diode and the PN-junction diode.
Figure 1. Simulated VD vs. temperature for the Schottky diode and the PN-junction diode.
Electronics 08 01271 g001
Figure 2. The self-cascode composite transistor (SCCT).
Figure 2. The self-cascode composite transistor (SCCT).
Electronics 08 01271 g002
Figure 3. The matrix of SCCTs.
Figure 3. The matrix of SCCTs.
Electronics 08 01271 g003
Figure 4. Measured output voltage as a function of temperature for the (a) SCCT1 and (b) SCCT8 using IBias of 100 nA.
Figure 4. Measured output voltage as a function of temperature for the (a) SCCT1 and (b) SCCT8 using IBias of 100 nA.
Electronics 08 01271 g004
Figure 5. Measured output voltage as a function of temperature for (a) SCCT1 and (b) SCCT8 using IBias of 1 µA.
Figure 5. Measured output voltage as a function of temperature for (a) SCCT1 and (b) SCCT8 using IBias of 1 µA.
Electronics 08 01271 g005
Figure 6. Measured output voltage as a function of temperature for (a) SCCT1 and (b) SCCT8 using IBias of 10 µA.
Figure 6. Measured output voltage as a function of temperature for (a) SCCT1 and (b) SCCT8 using IBias of 10 µA.
Electronics 08 01271 g006
Figure 7. (a) Vout of SCCT1 and its (b) derivative as function of IBias.
Figure 7. (a) Vout of SCCT1 and its (b) derivative as function of IBias.
Electronics 08 01271 g007
Figure 8. The TC of SCCT1 as a function of IBIAS.
Figure 8. The TC of SCCT1 as a function of IBIAS.
Electronics 08 01271 g008
Figure 9. The proposed voltage reference.
Figure 9. The proposed voltage reference.
Electronics 08 01271 g009
Figure 10. Amplifier A1.
Figure 10. Amplifier A1.
Electronics 08 01271 g010
Figure 11. Histogram of (a) VREF and (b) the TC of VREF.
Figure 11. Histogram of (a) VREF and (b) the TC of VREF.
Electronics 08 01271 g011
Figure 12. Trimming circuit.
Figure 12. Trimming circuit.
Electronics 08 01271 g012
Figure 13. Simulated VREF as a function of temperature and the number of switches at a high level.
Figure 13. Simulated VREF as a function of temperature and the number of switches at a high level.
Electronics 08 01271 g013
Figure 14. The start-up circuit.
Figure 14. The start-up circuit.
Electronics 08 01271 g014
Figure 15. Chip fabricated in 130 nm BiCMOS technology.
Figure 15. Chip fabricated in 130 nm BiCMOS technology.
Electronics 08 01271 g015
Figure 16. Measured VREF as a function of temperature for five chip samples (untrimmed).
Figure 16. Measured VREF as a function of temperature for five chip samples (untrimmed).
Electronics 08 01271 g016
Figure 17. Measured VREF as a function of temperature for five chip samples (trimmed).
Figure 17. Measured VREF as a function of temperature for five chip samples (trimmed).
Electronics 08 01271 g017
Figure 18. (a) The measured IREF and (b) the Schottky diode as a function of temperature.
Figure 18. (a) The measured IREF and (b) the Schottky diode as a function of temperature.
Electronics 08 01271 g018
Figure 19. The measured output voltage of (a) SCCT1 and (b) SCCT2 as a function of temperature.
Figure 19. The measured output voltage of (a) SCCT1 and (b) SCCT2 as a function of temperature.
Electronics 08 01271 g019
Figure 20. Supply voltage variation of (a) VREF and (b) IREF.
Figure 20. Supply voltage variation of (a) VREF and (b) IREF.
Electronics 08 01271 g020
Table 1. Measured temperature coefficients (TCs) of the SCCTs.
Table 1. Measured temperature coefficients (TCs) of the SCCTs.
TC (ppm/°C)
IBIASDataSelf-Cascode Composite Transistors
SCCT1SCCT2SCCT3SCCT4SCCT5SCCT6SCCT7SCCT8
100 nASim22001900140014002300130033004000
Meas100082216006621100110016002400
1 µASim22002300270025002200260019001700
Meas16001600200015001500170017001100
10 µASim29002900280028002800280027002700
Meas22002400210022002100230021002500
Table 2. Transistor aspect ratios and operation voltages of all SCCTs at T = 27 °C.
Table 2. Transistor aspect ratios and operation voltages of all SCCTs at T = 27 °C.
Self-CascodeTransistor Aspect Ratio VGS (mV) VDS (mV)Mode
100 nA1 µA10 µA100 nA1 µA10 µA100 nA1 µA10 µA
SCCT1NUP(20 · 3µ)/3µ42.5117.5210.142.5117.5210.1Trio.Sat.Sat.
NDOWN 3µ/3µ131.1227.5387.688.5109.9117.5Trio.Sat.Sat.
SCCT2NUP(14 · 3µ)/3µ51.3129223.851.3129223.8Trio.Sat.Sat.
NDOWN3µ/3µ132228.6389.680.699.6165.8Trio.Trio.Sat.
SCCT3NUP(4 · 3µ)/3µ83.3175.4285.189.36175.4285.1Trio.Sat.Sat.
NDOWN3µ/(2 · 3µ)140.8246.6405.951.4465.19120.7Trio.Trio.Sat.
SCCT4NUP(8 · 3µ)/3µ66.4147.5247.366.4147.5247.3Trio. Sat.Sat.
NDOWN3µ/3µ134231.2394.367.583.7147Trio.Trio.Sat.
SCCT5NUP(10 · 3µ)/3µ57.9136.7233.157.9136.7233.1Trio.Sat.Sat.
NDOWN(2 · 3µ)/3µ111201.23375364.4103.9Trio.Trio.Sat.
SCCT6NUP(4 · 3µ)/3µ88.7171.6281.288.7171.6281.2Trio.Sat.Sat.
NDOWN3µ/3µ138236.7404.551.265.1123.2Trio.Trio.Sat.
SCCT7NUP(12 · 3µ)/3µ51.1127.9221.551.1127.9221.5Trio.Sat.Sat.
NDOWN(4 · 3µ)/3µ90.3175.9293.239.24871.6Trio.Trio.Trio.
SCCT8NUP(14 · 3µ)/3µ46.1121.3213.246.1121.3213.2Trio.Sat.Sat.
NDOWN(6 · 3µ)/3µ79162.2271.432.84158.2Trio.Trio.Trio.
Table 3. Transistor dimensions of the proposed voltage reference.
Table 3. Transistor dimensions of the proposed voltage reference.
TransistorP1P2P3P4P5P6P7P8P9P10
W(µm)111111110.40.4
L(µm)14141414141414142020
Parallel2242401621422
Series1111111111
TransistorN1N2N3N4N5N6N7N8N9N10
W(µm)220.60.61.41.43.93.90.40.4
L(µm)99202011112020
Parallel81111814122
Series113312412211
Table 4. Transistor dimensions of the trimming circuit.
Table 4. Transistor dimensions of the trimming circuit.
TransistorP6AP6BP6CP6DP6EP6FP6H
W(µm)1111111
L(µm)14141414141414
Parallel4444444
Series1111111
Table 5. VREF and TC as a function of the number of switches at a high level.
Table 5. VREF and TC as a function of the number of switches at a high level.
Number of SwitchesVREF (mV) @ 27°CTC (ppm/°C)Temperature Performance
0670.8310.1CTAT
1677.6184CTAT
2686.87100.8CTAT
3696.450.8Compensated
4705.62109.3PTAT
5713.9179.4PTAT
6721.3256.3PTAT
Table 6. Transistors dimensions of the start-up circuit.
Table 6. Transistors dimensions of the start-up circuit.
TransistorST1ST2ST3ST4ST5
W(µm)110.3655
L(µm)552050.50
Parallel22111
Series11211
Table 7. Measured VREF as a function of temperature.
Table 7. Measured VREF as a function of temperature.
VREF (mV) @ 27°CTC (ppm/°C)Trimmed VREF (mV) @ 27°C Trimmed TC (ppm/°C)
Simulated696.450.8--
S1688.4225.4668.171.8
S2703.8178.4683.466.7
S3702.187.7711.252.8
S4703.540.9--
S570547.6--
Table 8. Summary of results.
Table 8. Summary of results.
VREF @ 27°CTC_VREFTemp Range (°C)
Mean (mV)σ (mV)Mean (ppm/°C)σ (ppm/°C)
720.416.65613125
IREF @ 27°CTC_IREFVDD Range (V)
Mean (nA)σ (nA)Mean (ppm/°C)σ (ppm/°C)
126.89.1125004521.1–2.5
Line reg. (V-REF)Line reg. (I-REF)ISUPPLY (nA)
Mean (mV/V)σ (mV/V)Mean (nA/V)σ (nA/V)
2.30.60.90.7630
Table 9. Comparison with state-of-the-art works.
Table 9. Comparison with state-of-the-art works.
This Work[14][15][16][17][18]
VREF (V)0.722.56 1.140.5960.51
Supply voltage (V)1.1 to 2.54.5 to 5.52 to 51.31.2 to 1.81.375
Temp. range (°C)−40 to 85−40 to 100−40 to 125−10 to 1200 to 100−45 to 125
Current consumption (µA)0.636.8332.75.1689
Area (mm2)0.0110.0750.03960.80.0730.078
TC (ppm/°C)562.61.0130.95226
CMOS Process (nm)130 180 3501801807
Line regulation (mV/V)2.30.022 -1.41
Year201920192019201920192019

Share and Cite

MDPI and ACS Style

Brito, T.M.; Colombo, D.M.; Moreno, R.L.; El-Sankary, K. CMOS Voltage Reference Using a Self-Cascode Composite Transistor and a Schottky Diode. Electronics 2019, 8, 1271. https://doi.org/10.3390/electronics8111271

AMA Style

Brito TM, Colombo DM, Moreno RL, El-Sankary K. CMOS Voltage Reference Using a Self-Cascode Composite Transistor and a Schottky Diode. Electronics. 2019; 8(11):1271. https://doi.org/10.3390/electronics8111271

Chicago/Turabian Style

Brito, Thaironi M., Dalton M. Colombo, Robson L. Moreno, and Kamal El-Sankary. 2019. "CMOS Voltage Reference Using a Self-Cascode Composite Transistor and a Schottky Diode" Electronics 8, no. 11: 1271. https://doi.org/10.3390/electronics8111271

APA Style

Brito, T. M., Colombo, D. M., Moreno, R. L., & El-Sankary, K. (2019). CMOS Voltage Reference Using a Self-Cascode Composite Transistor and a Schottky Diode. Electronics, 8(11), 1271. https://doi.org/10.3390/electronics8111271

Note that from the first issue of 2016, this journal uses article numbers instead of page numbers. See further details here.

Article Metrics

Back to TopTop