Study of Full-Duplex Communication with Excellent Security by 3-Level Communication Method
Abstract
1. Introduction
2. The Proposed Communication Hardware
2.1. Comparison of the Characteristics of the Existing Asynchronous Communication Method
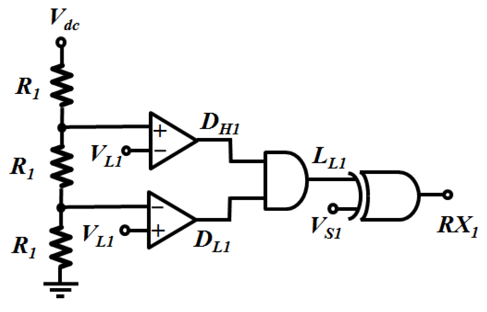
2.2. The Proposed Asynchronous Communication
3. Simulation and the Result of the Experiment
3.1. Result of Simulation
3.2. Result of Exiperiment
4. Conclusions
- At the communication transmitter, two-level signals are generated for data transmission, but due to the characteristics of the proposed communication hardware, three-level electrical signals are generated in the communication line depending on the status of transmission data generated at two transmission data. At the same time, full-duplex communication was achieved.
- Since the voltage of the communication line is indicated by the transmitter transmission data and the receiver transmission data signal, it is considered to be very good in terms of security of communication because only the two devices can analyze the signal information of the communication line.
- It is considered that long-distance communication is possible by increasing the voltage of the transmission line by constructing the transmission circuit with a half-bridge structure.
- It is considered that this data transfer algorithm can be simplified more than the full-duplex communication method by the time division method by implementing a full-duplex communication method at the same time by this topology.
Author Contributions
Funding
Conflicts of Interest
References
- Yan, L.; Frank, R.; Nenad, I. The Paradigm Shift in Smart Manufacturing System Architecture. IFIP Adv. Inf. Commun. Technol. 2017, 488, 767–776. [Google Scholar]
- Mohsen, M.; Marissa, N.; Cadavid, C.; Robert, K. Reference architectures for smart manufacturing: A critical review. J. Manuf. Syst. 2018, 49, 215–225. [Google Scholar]
- Mehmet, H.C.; Tarek, Y.; Osama, A.M. Development and Application of a Real-Time Testbed for Multiagent System Interoperability: A Case Study on Hierarchical Microgrid Control. IEEE Trans. Smart Grid 2018, 9, 1759–1768. [Google Scholar]
- Tarek, K.; Kshirasagar, N.; Amiya, N. A Survey of Communication Protocols for Automatic Meter Reading Applications. IEEE Commun. Surv. Tutor. 2011, 13, 168–182. [Google Scholar]
- Bilal, E.B.; Selcuk, B.; Vehbi, C.G. Collecting smart meter data via public transportation buses. IET Intell. Transp. Syst. 2016, 10, 515–523. [Google Scholar]
- Seong-Ho, P.; Ki-Hong, P.; Young-Chai, K.; Mohamed-Slim, A. Alternate Transmission Relaying Based on Interference Alignment in 3-Relay Half-Duplex MIMO Systems. IEEE J. Sel. Areas Commun. 2012, 30, 1383–1389. [Google Scholar]
- Wei, L.; Chuan, L.; Jian-Dong, L. Achieving Maximum Degrees of Freedom of Two-Hop MIMO Alternate Half-Duplex Relaying System for Linear Transceivers: A Unified Transmission Framework for DF and AF Protocols. IEEE Trans. Veh. Technol. 2015, 64, 2144–2148. [Google Scholar]
- Ashutosh, S.; Philip, S.; Dongning, G.; Daniel, W.B.; Sampath, R.; Risto, W.; Lee, R.E. In-Band Full-Duplex Wireless: Challenges and Opportunities. IEEE J. Sel. Areas Commun. 2014, 32, 1637–1652. [Google Scholar]
- Dingzhu, W.; Guanding, Y. Full-duplex and half-duplex: Power efficiency comparison. Electron. Lett. 2016, 52, 483–485. [Google Scholar]
- Chung, M.; Sim, M.S.; Kim, D.K.; Chae, C.B. Compact Full Duplex MIMO Radios in D2D Underlaid Cellular Networks: From System Design to Prototype Results. IEEE Access 2017, 5, 16601–16617. [Google Scholar] [CrossRef]
- Levy, B.C. A Study of Subtractive Digital Dither in Single-Stage and Multi-Stage Quantizers. IEEE Trans. Circuits Syst. I Regul. Pap. 2013, 60, 2888–2901. [Google Scholar] [CrossRef]
- Briassouli, A.; Strintzis, M.G. Optimal watermark detection under quantization in the transform domain. IEEE Trans. Circuits Syst. Video Technol. 2004, 14, 1308–1319. [Google Scholar] [CrossRef]
- Soummya, K.; José, M.F.M.; Kavita, R. Distributed Parameter Estimation in Sensor Networks: Nonlinear Observation Models and Imperfect Communication. IEEE Trans. Inf. Theory 2012, 58, 3575–3605. [Google Scholar]
- Jiao, Z.; Richard, Y.F.; Shuo, W.; Tao, H.; Zengyi, L.; Yunjie, L. Load Balancing in Data Center Networks: A Survey. IEEE Commun. Surv. Tutor. 2018, 20, 2324–2352. [Google Scholar]
- Ting, W.; Yu, X.; Jogesh, M.; Mounir, H. Achieving Energy Efficiency in Data Centers Using an Artificial Intelligence Abstraction Model. IEEE Trans. Cloud Comput. 2018, 6, 612–624. [Google Scholar]
- Rakesh, R.; Srinivas, A.; Gokhan, G. Power line carrier (PLC) signal analysis of smart meters for outlier detection. In Proceedings of the 2011 IEEE International Conference on Smart Grid Communications (SmartGridComm), Brussels, Belgium, 17–20 October 2011; pp. 291–296. [Google Scholar]
- Yingkayun, K.; Premrudeepreechacharn, S. A power quality monitoring system for real-time detection of power fluctuations. In Proceedings of the 2008 40th North American Power Symposium (NAPS ’08), Calgary, AB, Canada, 28–30 September 2008; pp. 1–5. [Google Scholar]
- Al-Madani, B.; Al-Roubaiey, A.; Al-Shehari, T. Wireless video streaming over Data Distribution Service middleware. In Proceedings of the 2012 IEEE 3rd International Conference on Software Engineering and Service Science (ICSESS), Beijing, China, 22–24 June 2012; pp. 263–266. [Google Scholar]
- Marisol, G.-V.; Pablo, B.V.; Iria, E.A. Adaptive real-time video transmission over DDS. In Proceedings of the 2010 8th IEEE International Conference on Industrial Informatics (INDIN), Osaka, Japan, 13–16 July 2010; pp. 130–135. [Google Scholar]
- Pj, R.; Xinghuo, Y. A Novel Time Independent Asynchronous Communication Protocol & Its Applications. In Proceedings of the IECON 2006—32nd Annual Conference on IEEE Industrial Electronics, Paris, France, 6–10 November 2006; pp. 3574–3579. [Google Scholar]
- Dariusz, K.; Filip, N. Practical Performance Aspects of Using Real-Time Multi-agent Platform in Complex Systems. In Proceedings of the 2013 IEEE International Conference on Systems Man and Cybernetics (SMC), Manchester, UK, 13–16 October 2013; pp. 1121–1126. [Google Scholar]
- RamaKoteswara, R.A.; Pahuja, G.L.; Lather, J.S. Importance measures based risk and reliability analysis of substation automation systems. In Proceedings of the 2014 Annual IEEE India Conference (INDICON), Pune, India, 11–13 December 2004; pp. 1–5. [Google Scholar]
- RamaKoteswara, R.A.; Pahuja, G.L.; Lather, J.S. Risk and reliability analysis of substation automation systems using importance measures. In Proceedings of the 2014 Eighteenth National Power Systems Conference (NPSC), Guwahati, India, 18–20 December 2014; pp. 1–5. [Google Scholar]
- Hamze, H.H.; Meysam, H.; Mohamad, E.H.G. Quantitative Reliability Assessment of Various Automated Industrial Substations and Their Impacts on Distribution Reliability. IEEE Trans. Power Deliv. 2012, 27, 1223–1233. [Google Scholar]
- Amit, S.; Mahesh, B.; Nimish, P.; Himanshu, B.S. Zigbee Based Wireless Data Acquisition System for Underground Mines—A Feasibility Study. In Proceedings of the 2018 IEEE 21st International Symposium on Real-Time Distributed Computing (ISORC), Singapore, 29–31 May 2018; pp. 152–155. [Google Scholar]












| Specification | RS232 | RS485 |
|---|---|---|
| Operation mode | Single-Ended | Differential |
| Maximum number of drivers | 1 Driver | 32 Driver |
| 1 Receivers | 32 Receivers | |
| Maximum distance | 15 m | 1.2 Km |
| Communication speed | 20 Kb/s | 10 Mb/s |
| Support transmission method | Full duplex | Half duplex |
| Output voltage | ±25 V | −7 V to +12 V |
| Input voltage | ±15 V | −7 V to +12 V |
© 2019 by the authors. Licensee MDPI, Basel, Switzerland. This article is an open access article distributed under the terms and conditions of the Creative Commons Attribution (CC BY) license (http://creativecommons.org/licenses/by/4.0/).
Share and Cite
Park, S.-M.; Park, S.-J.; Lim, S.-K. Study of Full-Duplex Communication with Excellent Security by 3-Level Communication Method. Electronics 2019, 8, 1186. https://doi.org/10.3390/electronics8101186
Park S-M, Park S-J, Lim S-K. Study of Full-Duplex Communication with Excellent Security by 3-Level Communication Method. Electronics. 2019; 8(10):1186. https://doi.org/10.3390/electronics8101186
Chicago/Turabian StylePark, Seong-Mi, Sung-Jun Park, and Sang-Kil Lim. 2019. "Study of Full-Duplex Communication with Excellent Security by 3-Level Communication Method" Electronics 8, no. 10: 1186. https://doi.org/10.3390/electronics8101186
APA StylePark, S.-M., Park, S.-J., & Lim, S.-K. (2019). Study of Full-Duplex Communication with Excellent Security by 3-Level Communication Method. Electronics, 8(10), 1186. https://doi.org/10.3390/electronics8101186
