Next Article in Journal
Study on Consulting Air Combat Simulation of Cluster UAV Based on Mixed Parallel Computing Framework of Graphics Processing Unit
Next Article in Special Issue
Wireless Power Transfer for Battery Powering System
Previous Article in Journal
A Broadband Switch-Less Bi-Directional Amplifier with Negative-Group-Delay Matching Circuits
Previous Article in Special Issue
Energy Management and Switching Control of PHEV Charging Stations in a Hybrid Smart Micro-Grid System
 
 
Font Type:
Arial Georgia Verdana
Font Size:
Aa Aa Aa
Line Spacing:
Column Width:
Background:
Article

New Fault-Tolerant Control Strategy of Five-Phase Induction Motor with Four-Phase and Three-Phase Modes of Operation

by
Sonali Chetan Rangari
1,*,
Hiralal Murlidhar Suryawanshi
2 and
Mohan Renge
1
1
Department of Electrical Engineering, Shri Ramdeobaba College of Engineering and Management, Nagpur 440013, India
2
Department of Electrical Engineering, Visvesvaraya National Institute of Technology, Nagpur 44013, India
*
Author to whom correspondence should be addressed.
Electronics 2018, 7(9), 159; https://doi.org/10.3390/electronics7090159
Submission received: 20 June 2018 / Revised: 3 August 2018 / Accepted: 7 August 2018 / Published: 23 August 2018
(This article belongs to the Special Issue Applications of Power Electronics)

Abstract

:
The developed torque with minimum oscillations is one of the difficulties faced when designing drive systems. High ripple torque contents result in fluctuations and acoustic noise that impact the life of a drive system. A multiphase machine can offer a better alternative to a conventional three-phase machine in faulty situations by reducing the number of interruptions in industrial operation. This paper proposes a unique fault-tolerant control strategy for a five-phase induction motor. The paper considers a variable-voltage, variable-frequency control five-phase induction motor in one- and two-phase open circuit faults. The four-phase and three-phase operation modes for these faults are utilized with a modified voltage reference signal. The suggested remedial strategy is the method for compensating a faulty open phase of the machine through a modified reference signal. A modified voltage reference signal can be efficiently executed by a carrier-based pulse width modulation (PWM) system. A test bench for the execution of the fault-tolerant control strategy of the motor drive system is presented in detail along with the experimental results.

1. Introduction

In electric drives and machines, a three-phase machine is the default implementation in industrial applications. Emphasis should be placed on possibilities with more than a three-phase machine which is difficult to achieve with conventional three-phase machines. The simple expansion of three-phase drives to multiphase drives is not sufficient. It is highly important to investigate inventive employment of the extra degrees of flexibility. Incorporation of more than three phases is advised to improve performance. The advantages that can be achieved with the utilization of multiphase systems are investigated in [1]. Numerous endeavors concluded that multiphase machines have some inherent advantages such as higher reliability, higher frequency of torque pulsation with lower amplitude, lower rotor harmonic current, reduction in current per phase without expanding the voltage per phase, and less current ripple in the DC link [1,2,3,4,5].
Multiphase system reliability is most important in safety-critical applications, such as, electric ships, compressors, pumps, electric aircraft, hybrid vehicles and marine applications. In recent high power industrial applications, a multi-leg voltage source inverter (VSI) was used for multi-phase induction motors for variable-voltage, variable-frequency control.
In many industrial applications, if open-circuit fault exists in any phase of three-phase machine, it leads to considerably large torque oscillations. These oscillations are double the electrical line frequency, which may affect the shaft of the machine. For fault-tolerant control of three-phase machine requires separate current control for remaining healthy phases by enabling the connection of motor star point to the DC link midpoint [6]. Broad investigations have been accounted for open-circuit fault-tolerant mode of operation for three-phase AC machines [7,8,9,10,11,12,13,14]. Increasing the number of phases provides better sinusoidal Magneto Motive Force (MMF) distribution, which decreases torque ripples and harmonic currents compared to three-phase machines [15,16]. A five-phase machine is superior to a three-phase machine for fault-tolerant operation modes. When single-phase (1-Ph) or adjacent double-phase (A2-Ph) open circuit faults occur, the machines can remain in operation using other healthy phases without additional hardware and control [17,18,19,20].
A five-phase machine with the star-connected stator winding with no neutral connection can work as a four-phase machine when a single-phase open circuit fault (1-Ph) occurs. Similarly, it works as a three-phase machine when adjacent double phase open circuit faults (A2-Ph) occur. These faulty conditions generate torque oscillations due to unbalanced rotating MMF present in the air gap [21]. Connecting a load neutral point to the DC link midpoint reduces the negative sequence MMF component in the air gap and the oscillation without any additional control strategy.
Phase sequences are highly important when considering AC motors, as the production of the torque via the sequential “rotation” of the applied five-phase power is responsible for the mechanical rotation of the rotor. The frequency of positive-sequence is used to drive the rotor in the required direction, whereas the frequency of negative-sequence operates motor in the opposite direction of the rotation of the rotor. However, the frequency of the zero-sequence neither adds to nor detracts from the torque of the rotor. Because of the distortion in the current, an excessive number of harmonics of negative-sequence (5th, 11th, 17th and/or 23rd) is observed in the power, and if this power is applied to a five-phase AC machine, it will result in deterioration of the performance as well as possible overheating.
Many investigations have been accounted for the open-phase fault-tolerant operation of multiphase induction machines [6,20,21], developed fault-tolerant control algorithm including non-linearities of machine and converter in the modeling of open-phase fault drive system. The speed control of five-phase induction motor by using finite-control set model-based predictive control for fault-tolerant condition is introduced in [22]. The fundamental and third-harmonic component of current is used as a fault-tolerant control technique for the excitation of healthy stator phases has been proposed in [23]. The aim of this work is to represent reconfiguration of motor phase currents under one-phase and two-phase open fault condition. This paper presents the implementation of a remedial strategy to neutralize ripple in the torque and analyzed the motor-performance in four-phase and three-phase modes of operation.
The contribution of this work is
  • Insight into the asymmetrical post-fault mode of operation and the remedial strategy compensates the unbalanced rotating MMF present in the air gap of the machine by a modified reference signal.
  • The control strategy is emphasized on the reduction in torque oscillations and verified with a reduction in unbalanced line current.
  • By using volt-per-hertz (V/f) scalar control, a voltage compensation control algorithm is developed in the dsPIC33EP256MU810 Digital Signal Controller.
  • Pre-fault and post-fault mode of operation with fault remedial technique is experimentally verified and discussed.
  • The method presented here enhances the continuity of the star-connected five-phase induction motor in case of one-phase and two-phase open faults.
It is assumed that the stator winding is opened in a five-phase induction motor because of gate failure of the inverter, i.e., an open switch condition.

2. Fault-Tolerant Remedial Strategy of a Five-Phase System

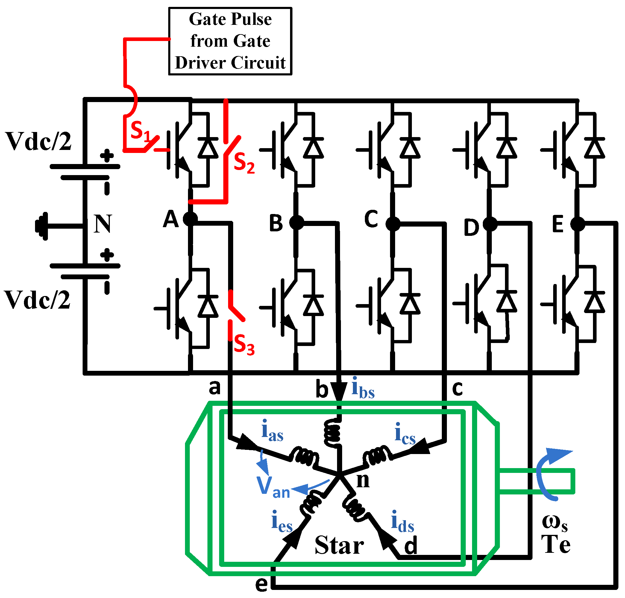
The schematic arrangement for a five-leg inverter with an induction motor is represented in Figure 1. The arrangement is composed of a five-phase voltage source inverter (VSI) with dc-link. Based on the industrial application dc-link voltage (VDC) can be supplied through a DC source. Five-phase motor drive system consists of phase shift of 72o symmetrical connection of the stator windings and separate neutral connection (n) [24]. The switch S1 denotes a gate drive open fault, and the switch S2 denotes the short-circuit device fault. It is not recommended to run the drive under foresaid faulty conditions even though another device in the same leg of the inverter is in healthy condition. The switch S3 is included in phase “a” to isolate the faulty leg in order to analyze the continuous operation of drive in four-phase mode of operation under a healthy and open-phase fault condition. Similarly, a gate drive open fault or switch short circuit fault in two adjacent or alternate legs of the inverter, may cause a two-phase open fault. The two faulty legs should be isolated and the drive runs in three-phase mode operation [22]. The modeling and performance of the five-phase voltage source inverter with the five-phase induction machine in pre-fault and post-fault conditions is briefly explained in section A, B, and C, respectively.

2.1. Voltage Source Inverter

A five-phase drive for a machine can be obtained by developing a five-leg voltage source inverter (VSI). The phase voltages of the motor with this inverter are signified in (1).
Lowercase alphabetical letters (a–e) represent the phase voltages and the inverter leg voltages are represented by capital letters (A, B, C, D, E). Each switch conducts for 180°, giving a ten-step mode of operation.
The phase difference between two conducting switches in any sequential two phases is 720 [3,20]. For star-connected load phase-to-neutral voltages are obtained by determining the difference between the voltage of the neutral point ‘n’ of the load and the negative point of the dc-bus ‘N’.
V i = V j + V nN
where, i is {A, B, C, D, E} and j is {a, b, c, d, e}.
Since in a star-connected load the aggregate of phase voltages equals to zero and the sum of the equations yields.
V nN = 1 5 × ( V A + V B + V C + V D + V E )
Replacing (2) into (1), the loads with phase-to-neutral voltages are as follows:
V nN = 1 5 × ( V A + V B + V C + V D + V E ) V b = 4 5 V B 1 5 ( V A + V C + V D + V E ) V c = 4 5 V C 1 5 ( V A + V B + V D + V E ) V d = 4 5 V D 1 5 ( V A + V B + V C + V E ) V e = 4 5 V E 1 5 ( V E + V B + V C + V D ) }
The phase values of inverter-leg voltages are ±0.5VDC. For a fixed modulation index M and dc-link voltage VDC, the fundamental inverter leg voltages analogous to a star-connected winding can be given as [3,20].
V Ph   Star = M V DC 2 × sin ( ω s t )

2.2. Modeling of a Five-Phase Induction Motor

The five-phase induction motor is provided with an IGBT-based five-phase voltage source converter (VSCs) drive system. A DC-link voltage is provided from a diode bridge rectifier, which exclusively permits unidirectional power flow. The Clarke matrix for this particular case is:
T ( θ ) = 2 5 [ C o s   θ   C o s ( θ 2 π 5 )   C o s ( θ 4 π 5 )   C o s ( θ + 4 π 5 )   C o s ( θ + 2 π 5 ) S i n   θ   S i n ( θ 2 π 5 )   S i n ( θ 4 π 5 )   S i n ( θ + 4 π 5 )   S i n ( θ + 2 π 5 )   C o s   θ   C o s ( θ + 4 π   5 )   C o s ( θ 2 π 5 )   C o s ( θ + 2 π 5 )   C o s ( θ 4 π 5 )   S i n   θ   S i n ( θ + 4 π   5 )   S i n ( θ 2 π 5 )   S i n ( θ + 2 π 5 )   C o s   ( θ 4 π 5 )   1 2 1 2 1 2 1 2 1 2   ]
[ i ds   i qs   i xs     i ys     i os ] t = T ( θ ) [ i as i bs   i cs     i ds     i es ] t
Clark transformation is used to disintegrate the phase a, b, c, d, e variable into two subspaces, the d-q, x-y and the zero variable components. The d-q subspaces are orthogonal to each other and provide basic torque and flux production. In healthy operation, they can be independently controlled; the x-y subspace is not coupled with the d-q subspace. In case of 1-Ph and A2-Ph open circuit faults, the d-q and x-y components are coupled with each other. The mapping of the various harmonics with the subspaces are as follows: order of the harmonics 10n ± 1 (where n = 1, 2, 3, 4…) are mapped with the q-d subspace including the fundamental component while the order of the harmonics 5n ± 1 (n = 1, 3, 5, 7…) are mapped with the x-y subspace.
The mathematical modelling equations of the machine assuming sinusoidal distributed symmetrical windings and linear flux path are represented below. Using vector space decomposition phase voltage equations of the stator winding in a stationary reference frame [1] are,
V qs = r s i qs + d { L ls i qs + L m ( i qs + i qr ) } dt + ω { L ls i ds + L m ( i ds + i dr ) } V ds = r s i ds + d { L ls i ds + L m ( i ds + i dr ) } dt ω { L ls i qs + L m ( i qs + i qr ) } V xs = r s i xs + d ( L ls i xs ) dt   V ys = r s i ys + d ( L ls i ys ) dt   V os = r s i os + d ( L ls i os ) dt }
Since the neutral of the five-phase winding disconnected, zero-sequence currents i0 cannot flow and are precluded from the investigation. The x-y currents are not connected with the rotor side, leaving only circulating currents which flow in the stator winding and create stator copper loss. The production of torque is associated with the d-q subspace as in the case of three-phase. By using Equation (7), the electromagnetic torque and machine’s rotor speed can be determined as follows.
T e = 5 2 p 2 L m ( L lr + L m ) ( λ dr i qs λ qr i ds )
ω r = p 2 J ( T e T L )
where,
λ qr = L ls i qr + L m ( i qs + i qr )   and   λ dr = L ls i dr + L m ( i ds + i dr )
The five-phase machine drive works on normal/healthy operation with zero x-y currents. The conventional variable-voltage, variable-frequency (V/f) controller is used to control the d-q currents rotating in the positive reference frame apart from the faulty five-phase drive system required to incorporate a controller to control the circulating x-y currents. The control scheme of V/f and the equations of the d-q plane remain same as in three-phase machines.

2.3. Four-Phase and Three-Phase Modes of Operation

In the incident of an open-gate drive circuit and switch short circuit it is compulsory to diagnose and isolate the faulty leg before the control strategy is reconstructed [24]. For the concept of fault-tolerant control technique, suppose the induction motor carries regulated balanced five-phase sinusoidal currents, which gives positive sequence rotating MMF.
i a = I m cos ( ω e t )
i b = I m cos ( ω e t 2 π   5 )
  i c = I m cos ( ω e t 4 π 5 )
i d = I m cos ( ω e t + 4 π   5 )
i e = I m cos ( ω e t + 2 π   5 )
By considering stator winding sinusoidal distribution, the stator current generates rotating MMF, hence effective resultant rotating MMF is the summation of the MMFs generated by each of the five phases. Under normal healthy operation, five-phase stator currents give balanced healthy positively rotating MMF. The resultant MMF is specified by,
F s = 5 2 NI m cos ( ω e t ϕ ) =   i a + ai b + a 2 i c + a 3 i d + a 4 i e
where, a = e j 2 π / 5 and N is the active stator turns per phase with spatial angle denoted by Ø. For “disturbance-free” operation during 1-Ph, A2-Ph, or A3-Ph open circuit faults, the winding of themachine carries harmonic distributed currents. This current produces MMF that should be the same as that in the healthy condition. For example, if phase “a” is isolated due to an open gate drive fault or device fault or machine windings fault, a rotating positive forward field is feasible by setting ia, equal to zero, Equation (10) becomes,
5 2 NI m cos ( ω e t ) = ai b + a 2 i c + a 3 i d + a 4 i e
By separating real and imaginary terms of the Equation
5 I m 2 cos ( ω t ) = cos ( 2 π 5 ) ( i b + i e ) + cos ( 4 π 5 ) ( i c + i d )
5 I m 2 sin ( ω t ) = sin ( 2 π 5 ) ( i b i e ) + sin ( 4 π 5 ) ( i c i d )
To find a solution by assuming that each winding has the same current magnitude, so that
i b = i d   and   i c = i e
which gives the currents in the remaining phases are
i b = 5 i m 4 ( sin 2 π 5 ) 2 cos ( ω t π 5 ) = 1.382 I m cos ( ω t π 5 ) i c = 5 i m 4 ( sin 2 π 5 ) 2 cos ( ω t 4 π 5 ) = 1.382 I m cos ( ω t 4 π 5 ) i d = 5 i m 4 ( sin 2 π 5 ) 2 cos ( ω t + 4 π 5 ) = 1.382 I m cos ( ω t + 4 π 5 ) i e = 5 i m 4 ( sin 2 π 5 ) 2 cos ( ω t + π 5 ) = 1.382 I m cos ( ω t + π 5 ) }
With the modified stator currents, d-q currents get modified which gives the electromagnetic torque,
T e = 5 2 p 2 L m ( L lr + L m ) ( λ dr i qs λ qr i ds )
To clarify this, by assuming phase “a” is isolated, the resultant rotating MMF produced by the stator winding currents will be composed of a negative-sequence component and a positive-sequence component. The remaining phase currents are expressed in such a way that there is only forward rotating MMF [13]. Hence, if any phase is open-circuited, “disturbance-free” control is possible with the modification of adjacent phases. If phase “a” is an open phase “b” advanced by 360 and phase “c” is retarded by 360. Figure 2b shows the phasor relationships before and after phase “a” is suddenly open-circuited.
However, due to the open circuit fault coupled d-q and x-y current components, the x-y currents cannot be zero. Because the d-q currents remain unchanged, it is necessary to maintain a forward rotating MMF and smooth post-fault operation (Figure 2b) [3]. By using the Clark transformation, “x” current is equal to the “d” current with the negative value: ix = −id and it is possible to remove the “x” component by using (12). If two adjacent phases open i.e., “a” and “b” as shown in Figure 2c,d, then the equation with real and imaginary terms of,
5 2 NI m cos ( ω e t ) = a 2 i c + a 3 i d + a 4 i e
With the assumption is that no neutral connection is required
i c + i d + i e = 0  
Solving Equations (13) and (14)
i e = 5 i m 4 ( sin 2 π 5 ) 2 cos ( ω t + π 5 ) = 1.382 I m cos ( ω t + π 5 )
  i d = 5 I m cos ( π 5 ) 2 ( sin 2 π 5 ) 2 cos ( ω t + 4 π 5 ) = 3.618 I m cos ( ω t + 4 π 5 )
i e = 5 I m cos ( π 5 ) 2 ( sin 2 π 5 ) 2 cos ( ω t ) = 2.236 I m cos ( ω t )
Similarly with modified stator currents under two adjacent open-phase fault, d-q currents get modified which gives the electromagnetic torque,
T e = 5 2 p 2 L m ( L lr + L m ) ( λ dr i qs λ qr i ds )
If three phases are open circuited i.e., “a”, “b” and “c”, for remedial strategy and disturbance- free operation the motor neutral must be connected to the dc mid-point so that remaining two phase currents can be individually controlled.

3. Description of Fault-Tolerant Control Strategy

The general block diagram of a volt/Hz controlled power circuit of a five-phase induction motor drive is shown in Figure 3, which is in the fault mode condition. In most drives, conventional scalar control is used. Hence, the conventional scalar control method for fault-tolerant control strategy is represented. In conventional scalar control, reference signals are given to the pulse-width modulator which operates based on the common speed reference. Generation of these reference signals is as follows. V/f block is multiplied by the reference frequency (ω).
Generally, this is a fixed value depending on the rating of frequency and voltage of the machine. Five sinusoidal reference signals, vref a, vref b, vref c, vref d and vref e are the outputs of this block. These reference signals have an appropriate magnitude and operating frequency with a phase shift of 72° (Refer Figure 2b). These reference signals are fed to the modulator, which depends on the operating speed of the machine. In a modulator using a comparator, the reference signal and a saw-tooth signal are compared. The frequency of the saw-tooth signal is equal to the required switching frequency. The reference signal changes either at the healthy condition or at a faulty four-phase or three-phase modes of operation with the reference operating speed.
The cause of a negative-sequence component in the distorted stator current is due to the disconnection of a faulty phase in the motor winding. Accordingly, the negative-sequence current appears in the x-y component, which gives MMF in the negative sequence reference frame [13]. The proposed control strategy will try to reduce this x-y component to zero or a minimum. The output signal of the control strategy is the modified reference signal (refer Equations (12) and (13)), which is generated by using a standard constant V/f (scalar) control system. The resultant modified signal is then given to the modulator to get the proper switching pattern. In the healthy condition the modified reference signal making the negative-sequence component zero results in balanced five-phase line currents which are equal in peak values with a phase shift of 72°. If a 1-Ph open fault occurs, the remaining four active phase currents are rearranged by the controller so that they are equal in peak and have a phase shift of 72°, 108°, 72° and 108°, which cause only clockwise (i.e., positive-sequence) rotating MMF (refer to Equation (12)).
This can be described as a virtual four-phase connected winding, with phase “a” isolated (refer to Figure 2a). The equivalent active four-phase currents of phase-b, c, d, e in the stator winding are equal in peak value (magnitude) with each other and a phase shift equal to 72°, 108°, 72° and 108° between them (refer to Figure 2b). Hence by keeping the position of vector “c” and “d” as it is and moving phase “b” vector in advance by 360 and phase “c” is retarded by 360 modified the switching pattern. In a similar manner with two-phase “a” and “b” isolated, the other two active currents of phases “c” and “e” in the stator winding are the same in magnitude. The magnitude of phase “d” current is 1.62 time of magnitude of other two currents. By keeping the position of vector “c” and “d” as it is and moving phase “e” vector at the position of “a” modified the switching pattern for two-phase open. (Refer to Figure 2c,d).
In a practical case, if a gate driver open circuit fault or switched short-circuit fault is occurring then it is recommended to disconnect the power lines of the inverter. Isolation switches are inserted in between inverter power lines and motor for laboratory experimentation. The current sensor is used to measure the line current. If the summation of all measured current is zero, then the induction motor drive is working in healthy condition. The opening of particular phase can be done using isolation switch for single phase or two phase open fault. Hence, phase current in specific phase becomes zero. Now summation of other phase currents are no longer being zero identifies the faulty condition. Also, it can be seen that due to an open-circuit fault, torque control is lost, i.e., torque is oscillating which oscillates the speed. Hence in V/f control, the speed control loop gets weak and oscillation in torque.
By checking each current with zero detects particular phase open fault. Proposed control logic provides the switching pattern to the adjacent phases of the specific open phase. Similarly, by checking adjacent current with zero gives an idea about adjacent phase open fault. For this, the proposed control logic is used to get the switching pattern for remaining three phases of the inverter. Accordingly, the proposed new fault-tolerant control strategy decide required switching pattern for four-phase and three-phase modes of operation in V/f control technique. The complete control logic is shown in the flowchart of Figure 4.

4. Experimental Results

4.1. Test Experimental Setup

To investigate the performance of the proposed fault-tolerant control technique, the drive comprises a 1 Hp five-phaseinduction squirrel cage symmetrically distributed induction motor. It has rs = 0.499 Ω, Lls = 2.7 mH, rr = 0.926 Ω, Llr =2.7 mH, Lm = 223mH, P = 2 and rotor inertia (J) = 0.047 kg-m2.
The motor was designed so that it can be configured either as a star, pentagon or pentacle-connected stator [19]. The motor is composed of 40 stator slots with closed rotor bars. The five-phase induction machine is provided by an IGBT-based two-level five-phase inverter (Fairchild, Sunnyvale, CA, USA). The machine is driven in normal/healthy operation with modified reference signal controlled by a variable-voltage, variable-frequency (V/f) controller Vdc = 300 V (refer to Figure 5).
The control circuit of the drive is performed by dsPIC33EP256MU810 Digital Signal Controller, of MICROCHIP (MICROCHIP, Chandler, AZ, USA). This controller has 83 I/O pins, 12 PWM outputs, 2 ADC modules with 32 channels which are useful for motor-control applications. Code Composer Studio software (Version 7, Texas Instruments, Dallas, TX, USA) is used for programming of control unit. It is capable of simultaneously controlling two two-level three-phase inverters. A two-level, five-phase inverter requires only 10 gate signals; hence, PWM output signals can be directly given to the gate driver circuit of the five-phase inverter (Micrel, San Jose, CA, USA). Five hall-effect current sensors (LEM, Geneva, Switzerland) are used to measure the line current. The main processor has the fault-tolerant control technique. The PWM switching frequency was set to 10 kHz.

4.2. Experimental Results

The fault-tolerant strategy described in Section 3 is experimentally performed in the laboratory and results are shown in Figure 5, Figure 6 and Figure 7. The load condition was at one fourth, i.e., 2 Nm, 50 Hz. This is because while doing experimentation the motor will be under loaded during the fault conditions, i.e., four-phase and three-phase modes of operation.
The motor-drive performance with line current, torque and circulating d-q current is indicated in these figures. For the healthy and faulty conditions, Figure 6, Figure 7 and Figure 8 with a,b and d show the results of 1-Ph and A2-Ph open circuit faults without a control strategy. Figure 6, Figure 7 and Figure 8 with c, e show when a control strategy was introduced. The experimental test results of line current for the 1-Ph open circuit fault are illustrated in Figure 6b,c) without and with a control strategy, respectively. Similarly, the line current waveform for the A2-Ph open circuit fault is represented in Figure 6d,e without and with a control strategy, respectively.
Unequal increase in the peak value of the line currents at any instant is due to one of the phases being disconnected. This increases the negative sequence component of the current. This control strategy maintained the equal magnitude of the active current and phase displacement which ensured that the torque pulsation was reduced (As shown in Figure 7c,e). Additionally, the current reduces the negative sequence component. The capability of this control strategy is verified by analyzing the unbalanced line current with balanced line current for both the cases of open phase fault (as shown in Figure 6). The line current obtained from the experiment for the four-phase and three-phase modes of operation with a deactivated control strategy is represented in Figure 6b,d. For the case of the activated control strategy, the line current waveforms are represented in Figure 6c,e. The effectiveness of this controller shows in the reduced magnitude of the line current with properly balanced current, which remarkably enhances the quality of the output torque of the five-phase machine.
Induction motor torque profile during the transition of a five-phase healthy mode to the four-phase and three-phase faulty modes of operation is represented in Figure 7. These figures show the effectiveness of this fault-tolerant method and corresponding quality of the fault control strategy, which maintains the quality of the motor’s torque under faulty conditions. The motor output torque waveforms with control strategy deactivated for 1-Ph and A2-Ph faults is shown in Figure 7b,d. The motor output torque waveforms with control strategy activated is shown in Figure 7c,e. The torque pulsation is of approximately 3 N-m, while the developed torque is 2 N-m when this control strategy was not used at the steady-state condition. The torque pulsation decreased to less than 2.5 N-m when the control strategy was introduced, as shown in Figure 7c,e. Since for smooth post-fault operation, the MMF remains unchanged, the d-q currents describe nearly a circle as in healthy operation has shown Figure 8a. In contrast, currents cannot be circular, as shown in Figure 8b,c. The use of the control strategy current makes a near circular current as in the case of Figure 8d.

5. Conclusions

The theoretical and conceptual background of a new control technique validated with experimental results is presented here. The control technique enables the four-phase and three-phase operation modes of a star-connected induction motor. The experimental results show that a five-phase induction motor drive supplied by a faulty five-phase voltage source inverter can be successfully operated in the four-phase operation mode when 1-Ph open circuit fault occurs, and can be operated in the three-phase operation mode when an A2-Ph open circuit fault occurs. Smoothly controlling the speed of the machine using V/f control, improves the reliability control. The machine performance in the four-phase and three-phase operations was thoroughly analyzed. It shows that the current in the remaining active phases is independently controlled and can produce a positive-sequence rotating MMF component. The proposed controller is able to remarkably reduce the torque pulsations. The available torque in the four-phase and three-phase operation modes is considerably smaller than that of the five-phase drive in the healthy condition. This control strategy is suitable for a drive in steady state operation (or slow acceleration/deceleration, such as transportation drives) with minimum losses in the stator winding. Furthermore, the torque capacity can be enhanced by over-designing the power circuit and control strategy.

Author Contributions

S.C.R. and H.M.S. developed the concept; H.M.S. and S.C.R. performed the experiment; S.C.R. and H.M.S. wrote the paper; M.R. analyzed the data. These authors contributedequally to this work.

Funding

This research received no external funding.

Acknowledgments

Authors acknowledges the VNIT, Nagpur for providing infrastructure support and RCOEM, Nagpur for all institutional facilities.

Conflicts of Interest

The authors declare no conflict of interest.

References

  1. Levi, E.; Bojoi, R.; Profumo, F.; Toliyat, H.A.; Williamson, S. Multiphase induction motor drives—A technology status review. IET Electr. Power Appl. 2007, 1, 489–516. [Google Scholar] [CrossRef]
  2. Levi, E.; Barrero, F.; Duran, M.J. Multiphase machines and drives-revisited. IEEE Trans. Ind. Electron. 2016, 63, 429–432. [Google Scholar] [CrossRef]
  3. Barrero, F.; Duran, M.J. Recent advances in the design, modeling, and control of multiphase machines—Part I. IEEE Trans. Ind. Electron. 2016, 63, 449–458. [Google Scholar] [CrossRef]
  4. Duran, M.J.; Barrero, F. Recent advances in the design, modeling, and control of multiphase machines—Part II. IEEE Trans. Ind. Electron. 2016, 63, 459–468. [Google Scholar] [CrossRef]
  5. Levi, E. Advances in converter control and innovative exploitation of additional degrees of freedom for multiphase machines. IEEE Trans. Ind. Electron. 2016, 63, 433–448. [Google Scholar] [CrossRef]
  6. Liu, T.H.; Fu, J.R.; Lipo, T.A. A strategy for improving reliability of field-oriented controlled induction motor drives. IEEE Trans. Ind. Appl. 1993, 29, 910–918. [Google Scholar]
  7. Wallmark, O.; Harnefors, L.; Carlson, O. Control algorithms for a fault-tolerant PMSM drive. IEEE Trans. Ind. Electron. 2007, 54, 1973–1980. [Google Scholar] [CrossRef]
  8. Zhao, W.; Cheng, M.; Hua, W.; Jia, H.; Cao, R. Back-EMF harmonic analysis and fault-tolerant control of flux-switching permanent-magnet machine with redundancy. IEEE Trans. Ind. Electron. 2011, 58, 1926–1935. [Google Scholar] [CrossRef]
  9. De Lillo, L.; Empringham, L.; Wheeler, P.W.; Khwan-On, S.; Gerada, C.; Othman, M.N.; Huang, X. Multiphase power converter drive for fault-tolerant machine development in aerospace applications. IEEE Trans. Ind. Electron. 2010, 57, 575–583. [Google Scholar] [CrossRef]
  10. Bianchi, N.; Bolognani, S.; Zigliotto, M.; Zordan, M.A.Z.M. Innovative remedial strategies for inverter faults in IPM synchronous motor drives. IEEE Trans. Energy Convers. 2003, 18, 306–314. [Google Scholar] [CrossRef]
  11. Errabelli, R.R.; Mutschler, P. Fault-tolerant voltage source inverter for permanent magnet drives. IEEE Trans. Power Electron. 2012, 27, 500–508. [Google Scholar] [CrossRef]
  12. Aghili, F. Fault-tolerant torque control of BLDC motors. IEEE Trans. Power Electron. 2011, 26, 355–363. [Google Scholar] [CrossRef]
  13. Sayed-Ahmed, A.; Mirafzal, B.; Demerdash, N.A. Fault-tolerant technique for Δ-connected AC-motor drives. IEEE Trans. Energy Convers. 2011, 26, 646–653. [Google Scholar] [CrossRef]
  14. Mendes, A.M.; Cardoso, A.M. Fault-tolerant operating strategies applied to three-phase induction-motor drives. IEEE Trans. Ind. Electron. 2006, 53, 1807–1817. [Google Scholar] [CrossRef]
  15. Abdel-Khalik, A.S.; Ahmed, S.; Elserougi, A.A.; Massoud, A.M. Effect of stator winding connection of five-phase induction machines on torque ripples under open line condition. IEEE/ASME Trans. Mechatron. 2015, 20, 580–593. [Google Scholar] [CrossRef]
  16. Yepes, A.G.; Riveros, J.A.; Doval-Gandoy, J.; Barrero, F.; López, O.; Bogado, B.; Jones, M.; Levi, E. Parameter identification of multiphase induction machines with distributed windings—Part 1: Sinusoidal excitation methods. IEEE Trans. Energy Convers. 2012, 27, 1056–1066. [Google Scholar] [CrossRef]
  17. Mecrow, B.C.; Jack, A.G.; Haylock, J.A.; Coles, J. Fault-tolerant permanent magnet machine drives. IEE Proc.-Electr. Power. Appl. 1996, 143, 437–442. [Google Scholar] [CrossRef]
  18. Parsa, L. On advantages of multi-phase machines. In Proceedings of the 31st Annual Conference of IEEE Industrial Electronics Society, Raleigh, NC, USA, 6–10 November 2005; pp. 1574–1579. [Google Scholar]
  19. Parsa, L.; Toliyat, H.A. Fault-tolerant interior-permanent-magnet machines for hybrid electric vehicle applications. IEEE Trans. Veh. Technol. 2007, 56, 1546–1552. [Google Scholar] [CrossRef]
  20. Mohammadpour, A.; Sadeghi, S.; Parsa, L. A generalized fault-tolerant control strategy for five-phase PM motor drives considering star, pentagon, and pentacle connections of stator windings. IEEE Trans. Ind. Electron. 2014, 61, 63–75. [Google Scholar] [CrossRef]
  21. Jasim, O.; Sumner, M.; Gerada, C.; Arellano-Padilla, J. Development of a new fault-tolerant induction motor control strategy using an enhanced equivalent circuit model. IET Electr. Power Appl. 2011, 5, 618–627. [Google Scholar] [CrossRef]
  22. Guzman, H.; Duran, M.J.; Barrero, F.; Bogado, B.; Sergio, L.; Marín, T. Speed control of five-phase induction motors with integrated open-phase fault operation using model-based predictive current control techniques. IEEE Trans. Ind. Electron. 2014, 61, 4474–4484. [Google Scholar] [CrossRef]
  23. Dwari, S.; Parsa, L. Fault-tolerant control of five-phase permanent-magnet motors with trapezoidal back EMF. IEEE Trans. Ind. Electron. 2011, 58, 476–485. [Google Scholar] [CrossRef]
  24. Kastha, D.; Bose, B.K. Fault mode single-phase operation of a variable frequency induction motor drive and improvement of pulsating torque characteristics. IEEE Trans. Ind. Electron. 1994, 41, 426–433. [Google Scholar] [CrossRef]
Figure 1. Five-phase system with 1-Ph fault.
Figure 1. Five-phase system with 1-Ph fault.
Electronics 07 00159 g001
Figure 2. (a) five-phase system with 1-Ph circuit fault; (b) vector reconfiguration during 1-Ph open fault; (c) five-phase system with A2-Ph open circuit fault; (d) vector reconfiguration during A2-Ph open circuit fault.
Figure 2. (a) five-phase system with 1-Ph circuit fault; (b) vector reconfiguration during 1-Ph open fault; (c) five-phase system with A2-Ph open circuit fault; (d) vector reconfiguration during A2-Ph open circuit fault.
Electronics 07 00159 g002
Figure 3. Block diagram of fault-tolerant control strategy.
Figure 3. Block diagram of fault-tolerant control strategy.
Electronics 07 00159 g003
Figure 4. Flow-chart of fault-tolerant control strategy.
Figure 4. Flow-chart of fault-tolerant control strategy.
Electronics 07 00159 g004
Figure 5. Experimental setup.
Figure 5. Experimental setup.
Electronics 07 00159 g005
Figure 6. Line current at(a) Healthy operation; (b) 1-Ph open circuit fault without control strategy; (c) 1-Ph open circuit fault with control strategy; (d) A2-Ph open circuit fault without control strategy; (e) A2-Ph open circuit fault with control strategy.
Figure 6. Line current at(a) Healthy operation; (b) 1-Ph open circuit fault without control strategy; (c) 1-Ph open circuit fault with control strategy; (d) A2-Ph open circuit fault without control strategy; (e) A2-Ph open circuit fault with control strategy.
Electronics 07 00159 g006aElectronics 07 00159 g006b
Figure 7. Torque (N-m) under (a) Healthy operation; (b) 1-Ph open circuit fault without control strategy; (c) 1-Ph open circuit fault with control strategy; (d) A2-Ph open circuit fault without control strategy; (e) A2-Ph open circuit fault with control strategy.
Figure 7. Torque (N-m) under (a) Healthy operation; (b) 1-Ph open circuit fault without control strategy; (c) 1-Ph open circuit fault with control strategy; (d) A2-Ph open circuit fault without control strategy; (e) A2-Ph open circuit fault with control strategy.
Electronics 07 00159 g007
Figure 8. d-q current in amp (both the scale is in amperes) under (a) Healthy operation; (b) 1-Ph open circuit fault without control strategy; (c) A2-Ph open circuit fault without control strategy; (d) 1-Ph open circuit fault with control strategy; (e) A2-Ph open circuit fault with control strategy.
Figure 8. d-q current in amp (both the scale is in amperes) under (a) Healthy operation; (b) 1-Ph open circuit fault without control strategy; (c) A2-Ph open circuit fault without control strategy; (d) 1-Ph open circuit fault with control strategy; (e) A2-Ph open circuit fault with control strategy.
Electronics 07 00159 g008aElectronics 07 00159 g008b

Share and Cite

MDPI and ACS Style

Rangari, S.C.; Suryawanshi, H.M.; Renge, M. New Fault-Tolerant Control Strategy of Five-Phase Induction Motor with Four-Phase and Three-Phase Modes of Operation. Electronics 2018, 7, 159. https://doi.org/10.3390/electronics7090159

AMA Style

Rangari SC, Suryawanshi HM, Renge M. New Fault-Tolerant Control Strategy of Five-Phase Induction Motor with Four-Phase and Three-Phase Modes of Operation. Electronics. 2018; 7(9):159. https://doi.org/10.3390/electronics7090159

Chicago/Turabian Style

Rangari, Sonali Chetan, Hiralal Murlidhar Suryawanshi, and Mohan Renge. 2018. "New Fault-Tolerant Control Strategy of Five-Phase Induction Motor with Four-Phase and Three-Phase Modes of Operation" Electronics 7, no. 9: 159. https://doi.org/10.3390/electronics7090159

APA Style

Rangari, S. C., Suryawanshi, H. M., & Renge, M. (2018). New Fault-Tolerant Control Strategy of Five-Phase Induction Motor with Four-Phase and Three-Phase Modes of Operation. Electronics, 7(9), 159. https://doi.org/10.3390/electronics7090159

Note that from the first issue of 2016, this journal uses article numbers instead of page numbers. See further details here.

Article Metrics

Back to TopTop