Next Article in Journal
Depth Estimation Based on MMwave Radar and Camera Fusion with Attention Mechanisms and Multi-Scale Features for Autonomous Driving Vehicles
Previous Article in Journal
Video Description Generation Method Based on Contrastive Language–Image Pre-Training Combined Retrieval-Augmented and Multi-Scale Semantic Guidance
 
 
Font Type:
Arial Georgia Verdana
Font Size:
Aa Aa Aa
Line Spacing:
Column Width:
Background:
Article

High-Frequency High-Magnetic Flux Variation Foil Winding AC Inductor Design with the Vertical Penetrating Magnetic Field Elimination

1
ZJU-Hangzhou Global Scientific and Technological Innovation Center, Hangzhou 311215, China
2
College of Electrical Engineering, Zhejiang University, Yuquan Campus, Hangzhou 310027, China
*
Authors to whom correspondence should be addressed.
Electronics 2025, 14(2), 298; https://doi.org/10.3390/electronics14020298
Submission received: 1 December 2024 / Revised: 6 January 2025 / Accepted: 8 January 2025 / Published: 13 January 2025

Abstract

In traditional inductor design with planar windings, the magnetic field distribution may not be well-organized, leading to significant winding loss, particularly at high switching frequencies. This study explores the relationship between current distribution and magnetic field distribution in the winding region. Unlike conventional magnetic flux distribution, which directs a large portion of the magnetic field vertically through the windings in the winding region, this work introduces a structure that maintains most of the magnetic flux parallel to the foil windings through the application of quasi-distributed air gaps. This paper presents a design methodology for a high-frequency foil winding inductor with high flux variation. Building on this concept, a high-power density, low loss inductor with foil windings is designed based on the four-switch buck-boost (FSBB) converter. Experimental results demonstrate that the proposed inductor design significantly reduces winding loss in inductors with planar windings.

1. Introduction

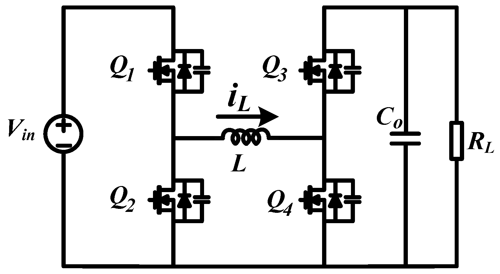
Due to its simple structure, low electrical stress, and step-up and step-down ability, the FSBB converter is suitable for applications with overlapped input and output voltage, such as telecom power supplies and PV systems [1,2]. Figure 1 shows the basic circuits of the FSBB converter. Because the input and the output are non-isolated, the only magnetic component is an inductor, which is used to store energy and shove the current shape. Due to the simple structure of the circuits, not only the volume but also the loss of the inductor will occupy a very large portion of the whole converter.
By increasing the switching frequency, the voltage-second of the inductor can be reduced greatly so that the size of the inductor will be shrunk. In applications where high power is urgently needed, high frequency is typically used; for example, pushing the switching frequency to hundreds of kilohertz or even megahertz. Under such a high switching frequency, the switching loss will become large, which will decrease the efficiency. A soft-switching technique can be used to reduce the switching loss. Because the hard switch turning-on loss is typically a few times the turning-off loss, zero-voltage turning-on (ZVS-on) is typically needed [3,4]. To achieve ZVS-on for the switches, the current should touch a certain negative value, as shown in Figure 2. Compared to the CCM working mode, this will cause a large current variation of the inductor. Therefore, the flux variation in a switching cycle will be large. The FSBB converter operates in three modes: buck, buck-boost, and boost voltage operation. The waveforms of the inductor current under different modes are modified and explained in Figure 2. The red dots represent the current required to achieve ZVS in the circuit. In the buck mode, the input voltage is higher than the output voltage, and the inductor current is depicted in Figure 2a, where the peak of the inductor current occurs at t2 and reaches its maximum value. Figure 2b shows the inductor current waveform when the input and output voltages are close to each other; during the time period t1~t2, the voltage difference across the inductor approaches zero, resulting in a nearly constant inductor current. Figure 2c illustrates the waveform in boost mode, where the peak inductor current occurs at the moment t2. Under the same output voltage and output power, the peak inductor current is larger in buck-boost mode due to the large voltage-second applied on the inductor, making the inductor more susceptible to saturation. Therefore, when designing the inductor, it is essential to ensure that the inductor does not saturate when the current reaches its peak under the worst-case scenario, and there is sufficient margin.
Traditional high-frequency inductors typically utilize Litz wire windings to reduce eddy current losses in the windings. While winding without a bobbin can further enhance the power density of the magnetic component, this complexity in Litz wire winding leads to higher manufacturing costs. In contrast, foil windings can be manufactured through integrated machine stamping and forming processes, significantly reducing labor costs. However, in traditional foil winding inductor structures and applications with large flux swings, the winding current distribution is often highly uneven due to poor structural design, resulting in significant winding losses.
As it is known, this high-frequency variable magnetic flux will arouse a large eddy current in the windings. Much work has been performed to verify the winding loss and give solutions to reduce it for the inductor with planar windings. Ref. [5] gave a comprehensive overview of planar magnetics, and the winding loss was talked about for gapped inductors with different air gaps. Refs. [6,7,8] investigated the effects of fringing fields on winding loss. Ref. [9] proposes a shielding technique for the fringing field of the gaps. However, additional shielding structures increase the cost and magnetic volume. In [10], different shapes of air gaps were analyzed to reduce the eddy current loss. However, very special customized cores were needed to achieve the performance in that paper. Another simple way to mitigate the effect of the fringing field is to use distributed air gaps. Replacing the single lumped air gaps with multiple air gaps can largely reduce the fringing field [11,12]. In [13], the ratio of the gap pitch distance to the gap distance was investigated by finite-element simulation and a flexible functional form was developed to predict the fitting curve of the simulation data for the winding loss. However, more analysis was needed to explain the magnetic field distribution. Refs. [14,15,16] proposed the concept of setting an air gap above the foil windings to compensate for the vertical magnetic field component. However, with a single air gap above the windings, the magnetic field can only be compensated well at certain positions. The winding structure is also investigated to reduce the eddy current loss that is induced in the windings. PCB Litz wire windings were designed and modeled in [17,18]. However, even though the A C resistance of the winding can be reduced, the DC winding resistance will increase significantly due to the increased winding length and the reduction of the utility of the PCB windings. Others reduced the eddy current induced by the fringing field by removing the adjacent windings near the PCB windings [19,20]. However, this will also cause a reduction in the winding area.
In this paper, an inductor with vertical magnetic field elimination using quasi-distributed air gaps aligned parallel to the planar winding’s wide surface is proposed. Furthermore, a design methodology for the comprehensive optimization of inductor volume and loss based on FSBB converters is proposed. Finally, experimental comparisons validate the loss advantages of the inductor presented in this paper.

2. Analysis of the Magnetic Field Distribution and the Proposed Design

2.1. AC Winding Resistance and Magnetic Field Analysis of Traditional Inductor

To verify the effect of the air gap arrangement, the A C resistance factor of the windings is given in Equation (1). The A C resistance factor is defined as
k A C = R A C R D C
where R A C is the A C resistance of the windings and R D C is the D C   resistance of the windings. The ohmic losses of the winding are directly proportional to k A C ; the larger the k A C , the greater the ohmic losses of the winding in proportion. Therefore, in the simulation design part of this study, k A C is used to characterize the performance of the proposed inductance structure on winding losses. To reduce the winding loss, the most commonly used solution is to keep enough distance for the windings from the air gaps of the core. Figure 3 shows a 3D view of the inductance structure and a zoomed-in section view highlighted by the red box. In Figure 3a, the air gap length is denoted as δ , and the distance of the windings to the gaps is denoted as D . At the same time, Figure 3b shows the inductor structure with multiple air gaps. In Figure 4, the red dotted line represents the winding A C resistance factor with different clearance distances for the structure of Figure 3a. The A C resistance of this structure decreases sharply with the increase of the clearance distance when the distance is small. This is because when the winding is adjacent to the air gaps, the eddy current caused by the fringing field decreases greatly. However, this curve has an inflection point at the clearance distance, which equals about three times the air gap distance; after that, with the increase of the clearance distance, the descending slope will decrease. If the targeted A C winding resistance is small, the clearance distance needed should be large enough, which will lead to a large additional core window height so that the power density of the core will decrease.
Compared to a single large air gap, quasi-distributed air gaps can be used to reduce the fringing field so that it can reduce the winding loss and keep a small volume of the inductor as well. The A C winding resistance factor evaluation is shown as the blue dotted line in Figure 4, which takes four segments of air gaps as an example. In contrast to the red line, even if with a very small clearance distance, the A C winding resistance factor of the inductor with the quasi-distributed air gaps can be kept at the same value as the inductor with a single air gap with a large clearance distance. At the same time, it shows that the A C winding resistance factor varies little at different clearance distances. However, the A C winding resistance factor is still significant compared to the windings’ D C resistance.
From the above analysis, it can be seen that for a planar winding inductor with air gaps settled at the vertical core leg, the winding A C resistance factor is hard to reduce even if quasi-distributed air gaps are used. To analyze this phenomenon and derive a more reasonable structure, this paper reveals this problem by analyzing the magnetic field for different direction components.
To simplify the analysis of the magnetic field, the structure with quasi-distributed air gaps is taken as an example. As Figure 5 shows, the magnetic flux line in the window region contains almost exclusively the vertical component (Y direction component). Based on Maxwell’s equations, it can be concluded that this alternating vertical magnetic field component will cause an inhomogeneous distribution of the winding current in the horizontal direction. In an actual design, the current density can be more than 10 times a mismatch between the maximum point and the minimum point, which will cause great winding loss.
J x = j ω μ σ · H y
To make it clear why the magnetic field is distributed like that pattern, Ampere’s circuital law is used to obtain a qualitative analysis for different magnetic field components. In Figure 6, the colored boxes indicate different ampere circuits, with the red arrows representing the direction of the magnetic flux. In Figure 6, a closed magnetic field loop (loop1) in the core region is drawn. Due to that, the core permeability is far greater than that of the air, and the magnetic field intensity H c o r e is negligible when compared to that of the air gaps. Considering the vertical core leg with the quasi-distributed air gaps as a whole, nearly all of the magnetic force induced by the winding current will be applied to this leg. Hence, it has
F g a p s N I
where F g a p is the magnetic force applied on the core leg with the quasi-distributed air gaps, and N I are the Ampere-turns of the windings inside the core window. To verify the magnetic field distribution inside the core window, another closed magnetic field loop (loop2) containing the magnetic field of the left terminal of the windings is drawn in Figure 6b. In this loop, the Y-component magnetic field H y can be obtained by Ampere’s circuital law:
H y F g a p s N I y h
where h is the window height, h is the window height, and N I y are the Ampere-turns of the windings in loop2. By Equation (4), it can be obtained that the Y-component magnetic field at the left terminal of the windings has the maximum value, which is F g a p s h , and it can also be known that the Y-component magnetic field at the right terminal of the windings is zero. In the next step, a closed magnetic field loop that contains the top surface of the windings is drawn to analyze the X-component of the magnetic field in the region of the windings. Appling Ampere’s circuital law again in this loop, the x-component of the magnetic field intensity H x is
H x F g a p s 2 N I x 2 W
where N I x are the Ampere-turns of the windings in loop3. Similarly, it can be known that the X-component magnetic field at the center of the windings is zero. Typically, the width of the core window is much longer than the height of the core window. So, in the structure with quasi-distributed air gaps in the vertical leg analyzed in this paper, the Y-component magnetic field is far greater than the X-component in most of the winding areas. That is
H y H x
The magnetic field component that goes through the planar windings vertically will be the dominating factor that will cause the current crowding at the magnetic field to have a larger magnitude.

2.2. The Proposed Inductors with Greatly Reduced Vertical Magnetic Field Component

The most important way to reduce the large winding loss due to the non-uniform current distribution is to reduce the magnitude of the alternating magnetic flux that penetrates the planar windings vertically. Thankfully, in the structure with planar windings, the magnetic field can be modified from the vertical form to the horizontal form by modifying the relative position between the windings and the air gaps. As shown in Figure 7, the air gaps are modified to the horizontal core plate and distributed equally along the windings. In Figure 7, the yellow boxes indicate different ampere circuits, the red arrows represent the direction of the magnetic field, and the red voltage source symbol is used here to represent the magnetomotive force source. As shown in Figure 7a, the closed magnetic field loop (loop4) contains three sections: the first one is section A-B, which is in the core without air gaps; the second is section B-C, which is in the core with distributed air gaps; the last section is section C-A which is in a vertical path at an arbitrary position x at the x-axis direction. In this loop, the magnetic force applied on section B-C is
F g a p x = x L · F g a p = x L · N I
For this loop, it has
F g a p x + H y · h = N I · x L
where the H y is the magnetic field intensity of the y-component at position x .
Taking Equation (7) into Equation (8), it can be obtained that the y-component of the magnetic field is nearly zero.
H y = 0
Hence, in this structure, the magnetic field that penetrates the windings vertically is nearly eliminated. Likewise, the x-component of the magnetic field H x in this structure can be obtained.
H x = F g a p N I y W
where N I y is the Ampere-turns of the windings in loop5 as shown in Figure 7b.
Although the x-component magnetic field is increased when compared to that in the traditional inductor, the magnetic field will penetrate the windings horizontally, which will cause less eddy current due to the copper thickness being very small, which increases the impedance of the eddy current loop. Figure 8 is the simulated flux line distribution, which shows that in the winding region, the flux line is nearly parallel with the windings horizontally. Based on this inductor structure and its electromagnetic characteristics, this paper proposes to describe the inductor as a “parallel magnetic field inductor (PMF inductor).”
It is worth noting that the magnetic flux line near the air gaps still has some fringing regions, which we should pay attention to in order to avoid a large eddy current caused by this fringing field. To verify the reasonable clearance distance from the core air gaps to the windings, the winding AC resistance factor variation with different clearance distances is shown in Figure 9b. From the simulation results, the fringing field can be roughly seen as half circles, and the range of the radiation circles is related to the length between two adjacent air gaps. Hence, in Figure 9b, the x-axis is defined as a normalized distance d which denoted as
d = D 1 D 0
where D 1 is the distance between two adjacent air gaps and D 0 is the distance between the winding and the core plate. The simulation results show that there is an inflection point around d = 0.25 . The magnetic field at the air gap still has a certain diffusion effect, and the magnetic field component perpendicular to the nearby winding generates significant eddy current losses in the winding. The radius of diffusion of the air gap can be approximated as half the distance D0 between adjacent air gaps. As the clearance distance continues to increase, the leakage magnetic field from the air gap will have little impact on the winding. Therefore, in the simulation results of Figure 9b, it can be observed that when the clearance distance exceeds 0.5 D 0 , the change in k A C for the winding becomes significantly slower.

3. Modeling and Design of the Proposed Inductor Structure

This section gives a detailed design process based on an FSBB DC/DC converter. The key parameters of the circuits are listed in Table 1.
The control strategy employed in this paper is similar to that in reference [1]. Since the relevant circuit modes and power relationships have been comprehensively analyzed in that literature, they will not be elaborated upon here.
The TI CSD19532Q5B has been chosen as the switching transistor, and under critical soft-switching control mode, the losses of the switching transistor are defined as the sum of conduction loss and switching loss. Under the target that 98% efficiency can be achieved at the rated point, it is expected that the switching loss of the transistor should ideally not exceed 1.2% of the total loss. The switching frequency is also known to affect the size of the inductance; under the same input and output conditions, a higher switching frequency is associated with a smaller inductance, which is beneficial for reducing the size of the inductor. According to the expression for inductance under the critical mode presented in reference [1], the curve of inductance variation with switching frequency can be plotted to assess its impact. The estimated curves for switching loss and inductance variation with frequency are shown in Figure 10, where the red curve represents the variation of switching loss with frequency, and the blue curve represents the maximum inductance variation with switching frequency. It can be observed from the figure that the loss of the MOSFET increases continuously with the increase in switching frequency. If it is anticipated that the switching loss remains below 1.2%, it is recommended that the switching frequency be less than approximately 860 kHz (denoted in red font in Figure 10), allowing for some margin. The required inductance is seen to decrease as the switching frequency increases, but an inflection point (the yellow dotted point) is exhibited by this curve between 600 and 800 kHz. Beyond this frequency, the rate of decrease in inductor size is observed to slow as the switching frequency increases. Considering all the above, 800 kHz is selected as the switching frequency of the circuit.
The performance of magnetic materials is crucial for inductors, and this paper first conducts an optimization of the magnetic materials. Given that the circuit under investigation operates within the range of several hundred kHz, core losses per unit volume have been compared under identical conditions using data sheets provided by manufacturers. To minimize core losses and enhance circuit efficiency, the power ferrite magnetic material with the lowest losses has been selected based on the comparative analysis.
Figure 11 presents the losses of several common magnetic materials, including manganese-zinc (Mn-Zn) power ferrite (circle dot), nickel-zinc (Ni-Zn) power ferrite (square dot), and powder cores (triangular point), at various frequencies. Amorphous materials and nanocrystalline strips are typically recommended for operating frequencies below 200 kHz, rendering them unsuitable for the frequency range relevant to the inductors discussed in this paper; thus, they have been excluded from the comparison. As illustrated in Figure 11, Mn-Zn power ferrite is shown to demonstrate relatively favorable loss characteristics, as marked within the dashed circle, establishing it as the preferred material for the inductor design presented herein.
To minimize core loss as much as possible, the inductor uses a Mn-Zn power ferrite core, DMR51W, as the core material. To maintain a relatively constant inductance, it is essential for the inductor to operate as much as possible in the linear region of the B-H curve, as shown in Figure 12. Based on the actual operating conditions of this work, the approximate operating regions are indicated as the yellow regions in Figure 12.
To further reduce the magnetic field intensity in the winding region, the quasi-distributed air gaps can be set at both the top and bottom sides of the core. In this structure, the maximum magnetic flux intensity in the winding region can be reduced to half level. Furthermore, by flattening the windings after reducing the number of layers while maintaining the same winding space, the magnetic field intensity in the winding space can be further reduced. However, it is important to note that this will lead to an increase in the core volume, which in turn causes an increase in core losses. Figure 13a shows the core structure with four turns of winding, while Figure 13b presents the AC resistance coefficients of the windings under different structures through FEM simulation. It can be observed that when the number of winding layers is less than a certain value, the rate of decrease in the A C resistance coefficient significantly slows down. Therefore, in the design process, both winding losses and core losses need to be considered for comprehensive optimization of the inductor.
Based on the above analysis, the proposed FSBB inductor has copper foil windings and distributed air gaps in both the center core leg and the side legs. Figure 14 shows the profile of the inductor in which the length perpendicular to the plane direction is denoted as C , the thickness of the top side core plate is denoted as D , the total height of the core is H , the width of the inductor is L , the width of the winding is l w and the winding layer number is M . The magnetic field is assumed to be a 1D distribution, so that the winding A C resistance is referred to [5]. On account that the current flowing through the windings is not a standard sine waveform, a high order current is considered, which is obtained by the Fast Fourier Transform (FFT) of the simulated waveforms. The winding loss of the inductor is
P w = I 1 2 R a c 1 + I 2 2 R a c 2 + I n 2 R a c n
where I n is the n th order of the effective value of the inductor current and the R a c n is the corresponding winding AC resistance for the different order current. Equation (13) is used to evaluate the core loss.
P c o r e = k P v V e
where k is the loss coefficients of the core material, P v is the loss density of the core under the working conditions of the inductor, V e is the core volume, where
V e = 2 C D h + 4 C D l 2 D
where l is the total length if the core. The total loss of the inductor is
P L = P w + P c o r e
To evaluate the volume performance of the inductor, the energy density of the inductor is introduced which is defined as
E d = L I P 2 2 V I n d .
V I n d . = l h C
where V I n d . is the volume of the inductor and P o m a x is the maximum output power.
In Figure 15, the total loss and the power density of the inductor are drawn to give a big map of the parameters design of the proposed inductor. The blue lines are the contour lines of the total loss of the inductor, and the red lines are the contour lines of the defined power density of the inductor. These parameters will decide the total loss and the power density of the inductor: the total winding number N L , the width l w per turn, the thickness of the winding copper d w , the winding layer number M , and the maximum flux density of core B m a x . It is very complex to optimize each value at the same time, so in this paper, some parameters are pre-determined by experience, such as the copper foil thickness chosen as d w = 0.08   m m , and B m a x = 70   m T . In Figure 15, the x-axis is chosen as the winding number, and the y-axis is chosen as the winding width. The last variable is the winding layer number M , which is evaluated by the enumeration method. In the situation of this work, the most reasonable value is M = 2 . To have a compromise between the loss and the volume, the final selection point is chosen at the point of the star location. At the star point, the loss nearly approaches the minimum point, and having an even number of turns makes it easier to wind within two layers.

4. Experimental Verifications

With the analysis and design above, there is an inductor with foil winding and the proposed quasi-distributed air gaps for an FSBB converter with 40~60 V input and 48 V output voltage. The proposed inductor contains four turns of foil windings, and each core leg paralleled with the winding surface contains five sections. The key parameters of the inductor are listed in Table 1 and Table 2.
Since the number of turns in the inductors discussed in this manuscript is relatively small and the parasitic capacitance is very low (which is evaluated as around 12 pF), it has almost no impact on the circuit modes. Therefore, an ideal inductor model combined with a series resistor can be used to describe the inductors involved in this study without affecting the basic performance of the circuit. The measured specific parameters of the final inductor are a DC resistance of 4.6 mΩ, an inductance of 0.86 µH.
To verify the advantage of the proposed inductor structure, the same foil winding inductor with the traditional air gaps in a single side of the core is made to have a fair comparison. Figure 16 and Figure 17 show the profiles of the conventional inductor and the proposed inductor. The measured efficiency of the inductor with traditional gaps and the proposed air gaps are shown in Figure 18. The red dotted line is the foil winding inductor with conventional air gaps, and the red solid line is the efficiency with the proposed inductor. These comparable efficiency curves show that the total efficiency has improved significantly, as indicated by the gray arrow. Figure 19 shows the thermal imaging of the switching power device section of the FSBB converter studied in this paper. As shown in the figure, the highest temperature point (the brightest color) is the gate driver, followed by the MOSFET temperature. The blue area is close to room temperature, and the closer the color is to blue, the lower the temperature. The losses of the switching devices directly affect the temperature rise of the devices. Since the junction temperature of switching devices typically has limitations, the temperature rise can be estimated by multiplying the device losses by the thermal resistance RθJA from the internal nodes of the device to the ambient temperature, i.e., ΔT = PMOS × RθJA. Other components, such as gate drivers and inductors, can also be estimated using a similar model. However, the structure of inductors is relatively complex, and it is challenging to accurately determine the thermal resistance for the inductors. This will be further investigated in our future work. Figure 20 shows the thermal images under full load conditions after 3 min. The testing was performed with the entire setup exposed to an external airflow of approximately 2 m/s, and the indoor ambient temperature was around 20 °C. Figure 20 indicates that the inductor winding temperature with traditional air gaps exceeds 100 °C soon, and in contrast, the winding temperature with the proposed design is only lower than 40 °C (as shown in the dashed box). These testing results prove that the proposed magnetic field regulation method can greatly reduce the winding loss. Thermal analysis and management are crucial aspects of converter design. Ref. [21] provides a detailed analysis of thermal risk factors in wireless charging and proposes a method for analyzing and managing thermal risks through an electromagnetic–thermal coupling model. To enhance the thermal performance of the inductor proposed in this paper, it is essential to ensure the consistency of the thickness of the multi-segment air gaps to create a more uniform magnetic field. Additionally, while maintaining adequate insulation strength, efforts should be made to minimize the thickness of the insulation material in the foil winding.
Additionally, another comparison measurement is also tested with an inductor whose windings are replaced by silk-covered multi-strand wires with the same sectional area. The photos of these two types of inductors are shown in Figure 21. These efficiency curves are shown in Figure 22, which shows that the inductor designed in this paper can reduce the winding loss the same as the traditional inductor with coil windings. Figure 23 gives the key waveforms of the FSBB converter at 48 V-to-48 V with full load conditions, which shows that ZVS has been achieved for the switches (as shown in the dashed circle). To maintain ZVS implementation across the full load range, the dead time and the negative current used to achieve ZVS ( I Z V S ) are designed to consistently ensure that the circuit presented in this paper satisfies the ZVS condition [22]: | I Z V S | 2 C o s s max ( V i n , V o u t ) t d . Optimization of the dead time will be addressed in future work.

5. Conclusions and Extensions of the Proposed Magnetic Design Concept

Conventional designs always deal with winding loss badly for foil inductors that work with large flux variations. Many papers offer solutions to deal with this problem; however, different from these existing solutions, this paper provides a simple way to modify the magnetic field based on Ampere’s circuital law. By making distributed air gaps that parallel the wide surface of the copper foil, the magnetic flux, the vertical component of the magnetic field that penetrates into the surface of the wide winding, is nearly eliminated. A smaller eddy current will be induced by the alternating magnetic flux so that the winding loss is reduced significantly. Experiments comparing the conventional structure have verified the validity of the proposed optimization design on a 48 V output FSBB converter.
Further, the concept of eliminating the vertical magnetic field by setting quasi-distributed air gaps that are parallel to the foil winding surface can be extended to other inductive magnetic components. For example, using this method to modify the air gaps can significantly reduce the light load winding loss caused by the magnetizing current for the transformer with copper foil windings or PCB windings. Especially, this method can also improve the performance of the flyback converter with planar windings because not only does the flyback transformer work like an inductor, but also the possible reduction of the leakage inductance due to the decrease of the magnitude of the magnetic field.

Author Contributions

Conceptualization, J.Y. and X.W.; methodology, J.Y.; validation, J.Y. and L.T.; writing—original draft preparation, J.Y.; writing—review and editing, J.Y. and X.W. All authors have read and agreed to the published version of the manuscript.

Funding

This research was funded by the “Pioneer” and “Leading Goose” R&D Program of Zhejiang: 2023C01011 and National Natural Science Foundation of China under Grant: 52177197. At the same time, this work was also supported by Power Management Innovation Consortium (PMIC).

Data Availability Statement

The original contributions presented in the study are included in the article, further inquiries can be directed to the corresponding author.

Conflicts of Interest

The authors declare no conflicts of interest.

References

  1. Tian, L.; Wu, X.; Jiang, C.; Yang, J. A Simplified Real-Time Digital Control Scheme for ZVS Four-Switch Buck–Boost with Low Inductor Current. IEEE Trans. Ind. Electron. 2022, 69, 7920–7929. [Google Scholar] [CrossRef]
  2. Orellana, M.; Petibon, S.; Estibals, B.; Alonso, C. Four switch buck–boost converter for photovoltaic dc–dc power applications. In Proceedings of the IECON—36th Annual Conference on IEEE Industrial Electronics Society, Glendale, AZ, USA, 7–10 November 2010; pp. 469–474. [Google Scholar]
  3. Liu, F.; Xu, J.; Chen, Z.; Yang, P.; Deng, K.; Chen, X. A Multi-Frequency PCCM ZVS Modulation Scheme for Optimizing Overall Efficiency of Four-Switch Buck–Boost Converter with Wide Input and Output Voltage Ranges. IEEE Trans. Ind. Electron. 2023, 70, 12431–12441. [Google Scholar] [CrossRef]
  4. Wen, Z.; Tang, W.; Xu, D. Quasi-Peak Current Control Strategy for Four-Switch Buck–Boost Converter. IEEE Trans. Power Electron. 2023, 38, 12607–12619. [Google Scholar] [CrossRef]
  5. Ouyang, Z.; Andersen, M.A.E. Overview of Planar Magnetic Technology—Fundamental Properties. IEEE Trans. Power Electron. 2014, 29, 4888–4900. [Google Scholar] [CrossRef]
  6. Roshen, W.A. High-Frequency Fringing Fields Loss in Thick Rectangular and Round Wire Windings. IEEE Trans. Magn. 2008, 44, 2396–2401. [Google Scholar] [CrossRef]
  7. Ewald, T.; Biela, J. Frequency-Dependent Inductance and Winding Loss Model for Gapped Foil Inductors. IEEE Trans. Power Electron. 2022, 37, 12370–12379. [Google Scholar] [CrossRef]
  8. Ewald, T.; Biela, J. Analytical Fringing Field Model for Efficient Winding Loss Calculation in Gapped Foil Inductors. IEEE Trans. Power Electron. 2024, 39, 7302–7311. [Google Scholar] [CrossRef]
  9. Ewald, T.; Biela, J. Analytical Model and Concept Study of an Air Gap Fringing Shield to Reduce Losses in Gapped Inductors. IEEE Trans. Power Electron. 2024, 39, 13487–13496. [Google Scholar] [CrossRef]
  10. Zaikin, D.I.; Jonasen, S.; Mikkelsen, S.L. An Air-Gap Shape Optimization for Fringing Field Eddy Current Loss Reductions in Power Magnetics. IEEE Trans. Power Electron. 2019, 34, 4079–4086. [Google Scholar] [CrossRef]
  11. Hu, J.; Sullivan, C.R. The quasi-distributed gap technique for planar inductors: Design guidelines. In Proceedings of the IAS’97. Conference Record of the 1997 IEEE Industry Applications Conference Thirty-Second IAS Annual Meeting, New Orleans, LA, USA, 5–9 October 1997; pp. 1147–1152. [Google Scholar]
  12. Jez, R. Influence of the Distributed Air Gap on the Parameters of an Industrial Inductor. IEEE Trans. Magn. 2017, 53, 1–5. [Google Scholar] [CrossRef]
  13. Hu, J.; Sullivan, C.R. AC resistance of planar power inductors and the quasi-distributed gap technique. IEEE Trans. Power Electron. 2001, 16, 558–567. [Google Scholar]
  14. Mukherjee, S.; Gao, Y.; Maksimović, D. Reduction of AC Winding Losses Due to Fringing-Field Effects in High-Frequency Inductors with Orthogonal Air Gaps. IEEE Trans. Power Electron. 2021, 36, 815–828. [Google Scholar] [CrossRef]
  15. Schäfer, J.; Bortis, D.; Kolar, J.W. Novel Highly Efficient/Compact Automotive PCB Winding Inductors Based on the Compensating Air-Gap Fringing Field Concept. IEEE Trans. Power Electron. 2020, 35, 9617–9631. [Google Scholar] [CrossRef]
  16. D’Antonio, M.; Chakraborty, S.; Khaligh, A. Planar Transformer with Asymmetric Integrated Leakage Inductance Using Horizontal Air Gap. IEEE Trans. Power Electron. 2021, 36, 14014–14028. [Google Scholar] [CrossRef]
  17. Ewald, T.; Biela, J. Analytical Winding Loss and Inductance Models for Gapped Inductors with Litz or Solid Wires. IEEE Trans. Power Electron. 2022, 37, 15127–15139. [Google Scholar] [CrossRef]
  18. Zhou, L.; Preindl, M. Inductor Design for Nonisolated Critical Soft Switching Converters Using Solid and Litz PCB and Wire Windings Leveraging Neural Network Model. IEEE Trans. Power Electron. 2022, 37, 3357–3373. [Google Scholar] [CrossRef]
  19. Fu, D.; Lee, F.C.; Wang, S. Investigation on transformer design of high frequency high efficiency dc-dc converters. In Proceedings of the 2010 Twenty-Fifth Annual IEEE Applied Power Electronics Conference and Exposition (APEC), Palm Springs, CA, USA, 21–25 February 2010; pp. 940–947. [Google Scholar]
  20. Wang, S.; Lee, F.C.; Li, Q. Improved Balance Technique for Common-Mode Noise Suppression of PCB-Based PFC. IEEE Trans. Power Electron. 2022, 37, 4174–4182. [Google Scholar] [CrossRef]
  21. Niu, S.; Zhao, Q.; Niu, S.; Jian, L. A Comprehensive Investigation of Thermal Risks in Wireless EV Chargers Considering Spatial Misalignment from a Dynamic Perspective. IEEE Trans. JESTPE 2024, 5, 1560–1571. [Google Scholar] [CrossRef]
  22. Niu, S.; Lyu, R.; Lyu, J.; Chau, K.T.; Liu, W.; Jian, L. Optimal Resonant Condition for Maximum Output Power in Tightly Coupled WPT Systems Considering Harmonics. IEEE Trans. Power Electron. 2025, 40, 152–156. [Google Scholar] [CrossRef]
Figure 1. Four-switch buck-boost (FSBB) converter.
Figure 1. Four-switch buck-boost (FSBB) converter.
Electronics 14 00298 g001
Figure 2. Typical inductor current waveform of FSBB converter: (a) inductor current of buck mode, (b) inductor current when Vin equals Vout, (c) inductor current of boost mode.
Figure 2. Typical inductor current waveform of FSBB converter: (a) inductor current of buck mode, (b) inductor current when Vin equals Vout, (c) inductor current of boost mode.
Electronics 14 00298 g002
Figure 3. Structures of conventional inductor: (a) conventional inductor with single air gap, (b) conventional inductor with multiple air gaps.
Figure 3. Structures of conventional inductor: (a) conventional inductor with single air gap, (b) conventional inductor with multiple air gaps.
Electronics 14 00298 g003
Figure 4. AC winding resistance factor with traditional air gaps (simulating at 1 MHz with 1 OZ winding copper thickness).
Figure 4. AC winding resistance factor with traditional air gaps (simulating at 1 MHz with 1 OZ winding copper thickness).
Electronics 14 00298 g004
Figure 5. Flux line simulation for traditional inductor with quasi-distributed air gaps in the vertical core leg.
Figure 5. Flux line simulation for traditional inductor with quasi-distributed air gaps in the vertical core leg.
Electronics 14 00298 g005
Figure 6. Conventional inductor magnetic intensity analysis: (a) inductor profile with loop1, (b) inductor profile with loop2, (c) inductor profile with loop3.
Figure 6. Conventional inductor magnetic intensity analysis: (a) inductor profile with loop1, (b) inductor profile with loop2, (c) inductor profile with loop3.
Electronics 14 00298 g006
Figure 7. Magnetic field analysis for the proposed inductor structure: (a) inductor profile with loop4, (b) inductor profile with loop5.
Figure 7. Magnetic field analysis for the proposed inductor structure: (a) inductor profile with loop4, (b) inductor profile with loop5.
Electronics 14 00298 g007
Figure 8. Flux line distribution with the proposed inductor structure.
Figure 8. Flux line distribution with the proposed inductor structure.
Electronics 14 00298 g008
Figure 9. Effect of the clearance distance to the AC winding resistance factor: (a) clearance distance for the proposed inductor, (b) Kac simulation for different normalized clearance distance.
Figure 9. Effect of the clearance distance to the AC winding resistance factor: (a) clearance distance for the proposed inductor, (b) Kac simulation for different normalized clearance distance.
Electronics 14 00298 g009
Figure 10. Evaluation of MOSFET loss and inductor volume vs. switching frequency.
Figure 10. Evaluation of MOSFET loss and inductor volume vs. switching frequency.
Electronics 14 00298 g010
Figure 11. Core loss evaluation for different core material at 500 kHz.
Figure 11. Core loss evaluation for different core material at 500 kHz.
Electronics 14 00298 g011
Figure 12. B-H curve of DMR51W and the approximate operation region of the inductor.
Figure 12. B-H curve of DMR51W and the approximate operation region of the inductor.
Electronics 14 00298 g012
Figure 13. Modified core air gaps and layers and kAC simulation: (a) different inductor structure, (b) kAC for different inductor structure.
Figure 13. Modified core air gaps and layers and kAC simulation: (a) different inductor structure, (b) kAC for different inductor structure.
Electronics 14 00298 g013
Figure 14. The final proposed inductor: (a) 3D view of the final proposed inductor, (b) profile of the final proposed inductor.
Figure 14. The final proposed inductor: (a) 3D view of the final proposed inductor, (b) profile of the final proposed inductor.
Electronics 14 00298 g014
Figure 15. Parameters design big map for the proposed inductor.
Figure 15. Parameters design big map for the proposed inductor.
Electronics 14 00298 g015
Figure 16. Profile of the final proposed inductor structure.
Figure 16. Profile of the final proposed inductor structure.
Electronics 14 00298 g016
Figure 17. Profile of the conventional inductor structure.
Figure 17. Profile of the conventional inductor structure.
Electronics 14 00298 g017
Figure 18. Efficiency comparison for the proposed inductor and the conventional inductor.
Figure 18. Efficiency comparison for the proposed inductor and the conventional inductor.
Electronics 14 00298 g018
Figure 19. Thermal image of the FSBB converter.
Figure 19. Thermal image of the FSBB converter.
Electronics 14 00298 g019
Figure 20. Thermal images comparison for different inductors: (a) thermal image of the conventional inductor, (b) thermal image for the proposed inductor.
Figure 20. Thermal images comparison for different inductors: (a) thermal image of the conventional inductor, (b) thermal image for the proposed inductor.
Electronics 14 00298 g020
Figure 21. Photos of inductors with different windings: (a) the proposed inductor with foil windings, (b) the proposed inductor with coil windings.
Figure 21. Photos of inductors with different windings: (a) the proposed inductor with foil windings, (b) the proposed inductor with coil windings.
Electronics 14 00298 g021
Figure 22. Efficiency comparison for the proposed inductors with different windings.
Figure 22. Efficiency comparison for the proposed inductors with different windings.
Electronics 14 00298 g022
Figure 23. Key waveforms of the FSBB converter at full load condition: (a) current and bridge node voltage, (b) ZVS waveforms for Q2.
Figure 23. Key waveforms of the FSBB converter at full load condition: (a) current and bridge node voltage, (b) ZVS waveforms for Q2.
Electronics 14 00298 g023
Table 1. Key parameters of the FSBB converter.
Table 1. Key parameters of the FSBB converter.
Specifications
Input voltage40~60 V
Output voltage48 V
Output power300 W
Switching frequency800 kHz
Inductance0.86 μH
Peak current+18 A/−5 A
Table 2. Specific parameters of the proposed inductor.
Table 2. Specific parameters of the proposed inductor.
Specifications
DC resistance4.64 mΩ
Inductance0.86 μH
Equivalent capacitance~12 pF
Disclaimer/Publisher’s Note: The statements, opinions and data contained in all publications are solely those of the individual author(s) and contributor(s) and not of MDPI and/or the editor(s). MDPI and/or the editor(s) disclaim responsibility for any injury to people or property resulting from any ideas, methods, instructions or products referred to in the content.

Share and Cite

MDPI and ACS Style

Yang, J.; Tian, L.; Wu, X. High-Frequency High-Magnetic Flux Variation Foil Winding AC Inductor Design with the Vertical Penetrating Magnetic Field Elimination. Electronics 2025, 14, 298. https://doi.org/10.3390/electronics14020298

AMA Style

Yang J, Tian L, Wu X. High-Frequency High-Magnetic Flux Variation Foil Winding AC Inductor Design with the Vertical Penetrating Magnetic Field Elimination. Electronics. 2025; 14(2):298. https://doi.org/10.3390/electronics14020298

Chicago/Turabian Style

Yang, Jinxu, Lin Tian, and Xinke Wu. 2025. "High-Frequency High-Magnetic Flux Variation Foil Winding AC Inductor Design with the Vertical Penetrating Magnetic Field Elimination" Electronics 14, no. 2: 298. https://doi.org/10.3390/electronics14020298

APA Style

Yang, J., Tian, L., & Wu, X. (2025). High-Frequency High-Magnetic Flux Variation Foil Winding AC Inductor Design with the Vertical Penetrating Magnetic Field Elimination. Electronics, 14(2), 298. https://doi.org/10.3390/electronics14020298

Note that from the first issue of 2016, this journal uses article numbers instead of page numbers. See further details here.

Article Metrics

Back to TopTop