A 0.4 V CMOS Current-Controlled Tunable Ring Oscillator for Low-Power IoT and Biomedical Applications
Abstract
1. Introduction
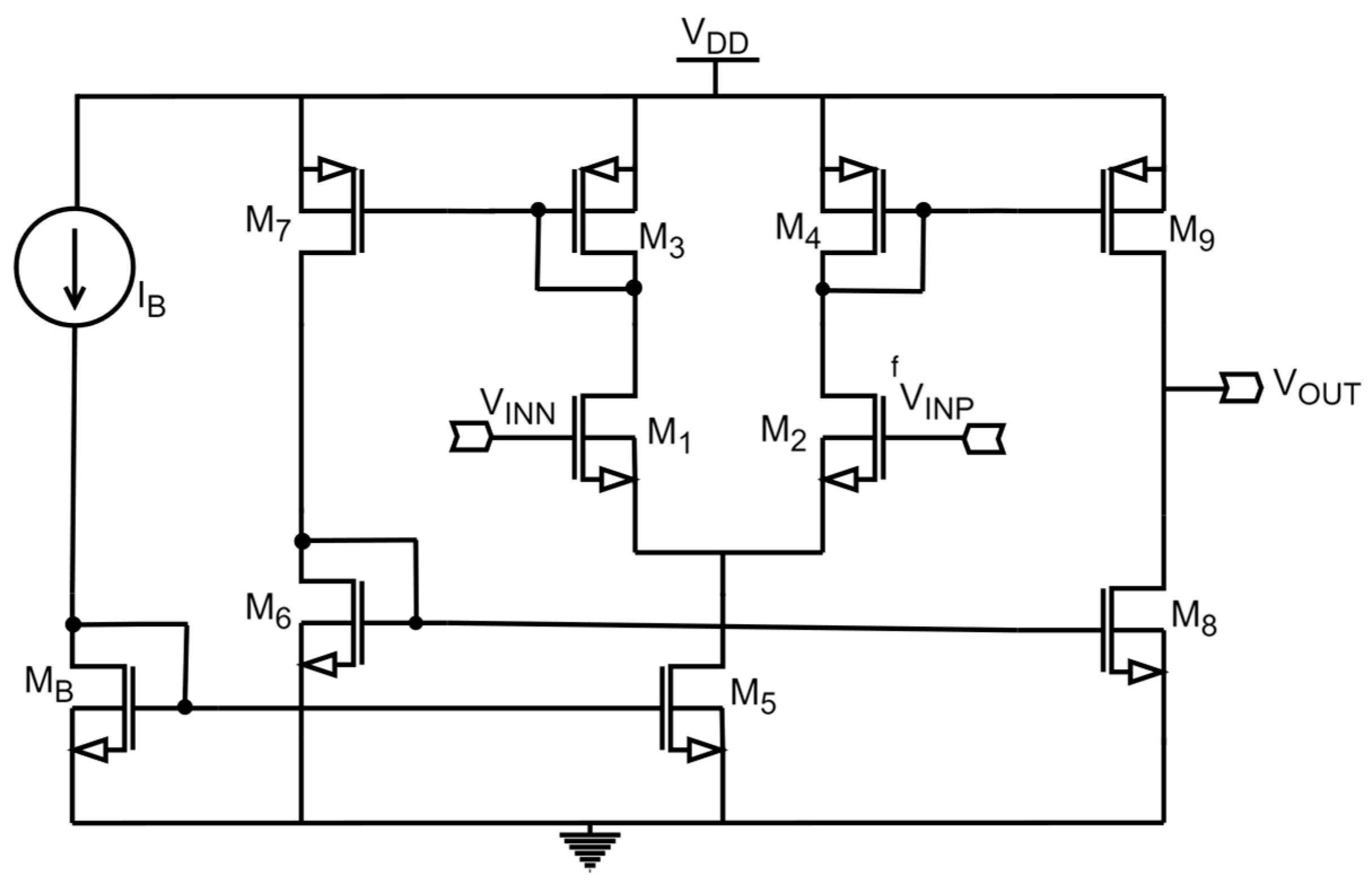
2. Proposed Design
- (a)
- assigned aspect ratios of MB1 and MB2
- (b)
- ID1,2 = kIBIAS
- (c)
- VSGR1= VGSR2= VDD/2
- (d)
- VSDR1= VDSR2= VDD/2 [Assuming virtual ground]
3. Simulation Results
4. Conclusions
Author Contributions
Funding
Data Availability Statement
Conflicts of Interest
References
- Srikram, P.; Ambalathankandy, P.; Motomura, M.; Ikebe, M. A 0.5 V modified pseudo-differential current-starved ring-VCO with linearity improvement for IoT devices. In Proceedings of the 2023 International Electrical Engineering Congress (iEECON), Krabi, Thailand, 8–10 March 2023; pp. 219–223. [Google Scholar]
- Corres-Matamoros, A.; Martínez-Guerrero, E.; Rayas-Sanchez, J.E. A programmable CMOS voltage controlled ring oscillator for radio-frequency diathermy on-chip circuit. In Proceedings of the 2017 International Caribbean Conference on Devices, Circuits and Systems (ICCDCS), Cozumel, Mexico, 5–7 June 2017; pp. 65–68. [Google Scholar]
- Alioto, M. (Ed.) Enabling the Internet of Things: From Integrated Circuits to Integrated Systems; Springer International Publishing: Berlin/Heidelberg, Germany, 2017. [Google Scholar]
- Margarit, M.A.; Tham, J.L.; Meyer, R.G.; Deen, M.J. A low-noise, low-power VCO with automatic amplitude control for wireless applications. IEEE J. Solid-State Circuits 1999, 34, 761–771. [Google Scholar] [CrossRef]
- Meng, X.; Li, X.; Cheng, L.; Tsui, C.-Y.; Ki, W.-H. A Low-Power Relaxation Oscillator with Switched-Capacitor Frequency-Locked Loop for Wireless Sensor Node Applications. IEEE Solid-State Circuits Lett. 2019, 2, 281–284. [Google Scholar] [CrossRef]
- Hassan, A.; Hamed, E.; Badr, E.; Elsharqawy, O.; Ismail, T.; Gabran, S.R.I.; Ismail, Y.; Mostafa, H. A VCO-Based MPPT Circuit for Lo-Voltage Energy Harvesters. In Proceedings of the 2017 IEEE Computer Society Annual Symposium on VLSI (ISVLSI), Bochum, Germany, 3–5 July 2017; pp. 580–584. [Google Scholar]
- Ballo, A.; Bottaro, M.; Grasso, A.D. A Review of Power Management Integrated Circuits for Ultrasound-Based Energy Harvesting in Implantable Medical Devices. Appl. Sci. 2021, 11, 2487. [Google Scholar] [CrossRef]
- Ghafari, B.; Koushaeian, L.; Goodarzy, F.; Evans, R.; Skafidas, E. An ultra-low-power and low-noise voltage-controlled ring oscillator for biomedical applications. In Proceedings of the IEEE 2013 Tencon—Spring, Sydney, NSW, Australia, 17–19 April 2013; pp. 20–24. [Google Scholar]
- Zambrano, B.; Garzón, E.; Strangio, S.; Crupi, F.; Lanuzza, M. A 0.05 mm2, 350 mV, 14 nW Fully-Integrated Temperature Sensor in 180-nm CMOS. IEEE Trans. Circuits Syst. II Express Briefs 2021, 69, 749–753. [Google Scholar] [CrossRef]
- Ballo, A.; Bruno, G.; Grasso, A.D.; Vaiana, M.G.G. A Compact Temperature Sensor with a Resolution FoM of 1.82 pJ.K2. IEEE Trans. Instrum. Meas. 2020, 69, 8571–8579. [Google Scholar]
- Lo, Y.L.; Chiu, Y.-T. A high-accuracy, high-resolution, and low-cost all-digital temperature sensor using a voltage compensation ring oscillator. IEEE Sens. J. 2016, 16, 43–52. [Google Scholar] [CrossRef]
- Kim, J.; Jang, T.K.; Yoon, Y.G.; Cho, S. Analysis and design of voltage-controlled oscillator based analog-to-digital converter. IEEE Trans. Circuits Syst. I 2010, 57, 18–30. [Google Scholar]
- Xing, X.; Gielen, G.G.E. A 42 fJ/Step-FoM Two-Step VCO-Based Delta-Sigma ADC in 40 nm CMOS. IEEE J. Solid-State Circuits 2015, 50, 714–723. [Google Scholar] [CrossRef]
- Gutierrez, E.; Rombouts, P.; Hernandez, L. Why and how VCO-based ADCs can improve instrumentation applications. In Proceedings of the 25th IEEE International Conference on Electronics, Circuits and Systems (ICECS), Bordeaux, France, 9–12 December 2018; pp. 101–104. [Google Scholar]
- Cheng, Z.; Deen, M.J.; Peng, H. A Low-Power Gateable Vernier Ring Oscillator Time-to-Digital Converter for Biomedical Imaging Applications. IEEE Trans. Biomed. Circuits Syst. 2016, 10, 445–454. [Google Scholar] [CrossRef]
- Vornicu, I.; Carmona-Galán, R.; Rodríguez-Vázquez, Á. Arrayable voltage-controlled ring-oscillator for direct time-of-flight image sensors. IEEE Trans. Circuits Syst. I Regul. Pap. 2017, 64, 2821–2834. [Google Scholar] [CrossRef]
- Elshazly, A.; Rao, S.; Young, B.; Hanumolu, P.K. A Noise-Shaping Time-to-Digital Converter Using Switched-Ring Oscillators—Analysis, Design, and Measurement Techniques. IEEE J. Solid State Circuits 2014, 49, 1184–1197. [Google Scholar] [CrossRef]
- Bae, J.; Radhapuram, S.; Jo, I.; Kihara, T.; Matsuoka, T. A low-voltage design of controller-based ADPLL for implantable biomedical devices. In Proceedings of the 2015 IEEE Biomedical Circuits and Systems Conference (BioCAS), Atlanta, GA, USA, 22–24 October 2015; pp. 1–4. [Google Scholar]
- Ranjan, R.; Raman, A.; Kashyap, N. Low Power and High Frequency Voltage Controlled Oscillator for PLL Application. In Proceedings of the 2019 6th International Conference on Signal Processing and Integrated Networks (SPIN), Noida, India, 7–8 March 2019; pp. 212–214. [Google Scholar]
- Moon, J.-W.; Choi, K.-C.; Choi, W.-Y. A 0.4-V, 90~350-MHz PLL With an Active Loop-Filter Charge Pump. IEEE Trans. Circuits Syst. II Express Briefs 2014, 61, 319–323. [Google Scholar]
- Deen, M.J.; Murji, R.; Fakhr, A.; Jafferali, N.; Ngan, W.L. Low power CMOS integrated circuits for radio frequency applications. IEE Proc. Circuit Device Syst. 2005, 152, 509–522. [Google Scholar] [CrossRef]
- Stornelli, V.; Barile, G.; Pantoli, L.; Scarsella, M.; Ferri, G.; Centurelli, F.; Tommasino, P.; Trifiletti, A. A New VCII Application: Sinusoidal Oscillators. J. Low Power Electron. Appl. 2021, 11, 30. [Google Scholar] [CrossRef]
- Razavi, B. A study of phase noise in CMOS oscillators. IEEE J. Solid-State Circuits 1996, 31, 331–343. [Google Scholar] [CrossRef]
- Sivaraaj, N.R.; Majeed, K.K.A. A Comparative Study of Ring VCO and LC-VCO: Design, Performance Analysis, and Future Trends. IEEE Access 2023, 11, 127987–128017. [Google Scholar] [CrossRef]
- Elamien, M.B.; Maundy, B.J.; Belostotski, L.; Elwakil, A.S. On chip 0.5 V 2 GHz four-output quadrature-phase oscillator. AEU-Int. J. Electron. Commun. 2020, 126, 153393. [Google Scholar] [CrossRef]
- Zaman, K.S.; Reaz, M.I.; Haque, F.; Arsad, N.; Ali, S.H.M. Optimization of WiFi Communication System using Low Power Ring Oscillator Delay Cell. In Proceedings of the 2020 IEEE 8th Conference on Systems, Process and Control (ICSPC), Melaka, Malaysia, 11–12 December 2020; pp. 91–94. [Google Scholar]
- Nayak, R.; Kianpoor, I.; Bahubalindruni, P.G. Low power ring oscillator for IoT applications. Analog. Integr. Circuits Signal Process. 2017, 93, 257–263. [Google Scholar] [CrossRef]
- Lee, S.-Y.; Hsieh, J.-Y. Analysis and Implementation of a 0.9-V Voltage-Controlled Oscillator with Low Phase Noise and Low Power Dissipation. IEEE Trans. Circuits Syst. II Express Briefs 2008, 55, 624–627. [Google Scholar]
- Reddy, N.; Pattanaik, M.; Rajput, S.S. 0.4 V CMOS based low power voltage controlled ring oscillator for medical applications. In Proceedings of the TENCON 2008–2008 IEEE Region 10 Conference, Hyderabad, India, 19–21 November 2008; pp. 1–5. [Google Scholar]
- Chuang, Y.-H.; Jang, S.-L.; Lee, J.-F.; Lee, S.-H. A low voltage 900 MHz voltage controlled ring oscillator with wide tuning range. In Proceedings of the 2004 IEEE Asia-Pacific Conference on Circuits and Systems, Tainan, Taiwan, 6–9 December 2004; Volume 1, pp. 301–304. [Google Scholar]
- Srivastava, A.; Zhang, C. An Adaptive Body-Bias Generator for Low Voltage CMOS VLSI Circuits. Int. J. Distrib. Sens. Netw. 2008, 4, 213–222. [Google Scholar] [CrossRef]
- Deen, M.J.; Kazemeini, M.H.; Naseh, S. Ultra-low power VCOs-performance characteristics and modeling. In Proceedings of the Fourth IEEE International Caracas Conference on Devices, Circuits and Systems (Cat. No. 02TH8611), Oranjestad, The Netherlands, 19 April 2002; p. C033. [Google Scholar]
- Monsurró, P.; Pennisi, S.; Scotti, G.; Trifiletti, A. Exploiting the Body of MOS Devices for High Performance Analog Design. IEEE Circuits Syst. Mag. 2011, 11, 8–23. [Google Scholar] [CrossRef]
- Palumbo, G.; Scotti, G. A Novel Standard-Cell-Based Implementation of the Digital OTA Suitable for Automatic Place and Route. J. Low Power Electron. Appl. 2021, 11, 42. [Google Scholar] [CrossRef]
- Wang, Z.; Savci, H.S.; Griggs, J.; Dogan, N.S. 1-V Ultra-Low-Power CMOS LC VCO with Dynamic Body Biasing. In Proceedings of the 2007 International Symposium on Signals, Circuits and Systems, Iasi, Romania, 13–14 July 2007; pp. 1–4. [Google Scholar]
- Deen, M.J.; Naseh, S.; Marinov, O.; Kazemeini, M.H. Very Low-Voltage Operation Capability of CMOS Ring Oscillators and Logic Gates. J. Vac. Sci. Tech. A (Spec. Issue) 2006, 24, 763–769. [Google Scholar] [CrossRef]
- Mostafa, H.; Anis, M.; Elmasry, M. Adaptive Body Bias for Reducing the Impacts of NBTI and Process Variations on 6T SRAM Cells. IEEE Trans. Circuits Syst. I Reg. Pap. 2011, 58, 2859–2871. [Google Scholar] [CrossRef]
- Ballo, A.; Pennisi, S.; Scotti, G. 0.5 V CMOS Inverter-Based Transconductance Amplifier with Quiescent Current Control. J. Low Power Electron. Appl. 2021, 11, 37. [Google Scholar] [CrossRef]
- Jiménez-P, A.; De la Hidalga-W, F.J.; Deen, M.J. Modelling of the Dynamic Threshold MOSFET. IEE Proc. Circuits Devices Syst. 2005, 152, 502–508. [Google Scholar] [CrossRef]
- Shrivastava, A.; Saxena, A.; Akashe, S. High performance of low voltage controlled ring oscillator with reverse body bias technology. Front. Optoelectron. 2013, 6, 338–345. [Google Scholar] [CrossRef]
- Von Arnim, K.; Borinski, E.; Seegebrecht, P.; Fiedler, H.; Brederlow, R.; Thewes, R.; Berthold, J.; Pacha, C. Efficiency of body biasing in 90-nm CMOS for low-power digital circuits. IEEE J. Solid-State Circuits 2005, 40, 1549–1556. [Google Scholar] [CrossRef]
- Marinov, O.; Deen, M.J.; Jiménez-Tejada, J.A. Low-frequency noise in downscaled silicon transistors: Trends, theory and practice. Phys. Rep. 2022, 990, 1–179. [Google Scholar] [CrossRef]
- Tianwang, L.; Jiang, J.; Bo, Y.; Xingcheng, H. Ultra low voltage, wide tuning range voltage controlled ring oscillator. In Proceedings of the 2011 9th IEEE International Conference on ASIC, Xiamen, China, 25–28 October 2011; pp. 824–827. [Google Scholar]
- Saheb, Z.; El-Masry, E.; Bousquet, J.-F. Ultra-low voltage and low power ring oscillator for wireless sensor network using CMOS varactor. In Proceedings of the 2016 IEEE Canadian Conference on Electrical and Computer Engineering (CCECE), Vancouver, BC, Canada, 15–18 May 2016; pp. 1–5. [Google Scholar]
- Abdollahvand, S.; Oliveira, L.B.; Gomes, L.; Goes, J. A low-voltage voltage-controlled ring-oscillator employing dynamic-threshold-MOS and body-biasing techniques. In Proceedings of the 2015 IEEE International Symposium on Circuits and Systems (ISCAS), Lisbon, Portugal, 24–27 May 2015; pp. 1294–1297. [Google Scholar]
- Jiang, T.; Yin, J.; Mak, P.I.; Martins, R.P. A 0.5-V 0.4-to-1.6-GHz 8-phase bootstrap ring-VCO using inherent non-overlapping clocks achieving a 162.2-dBc/Hz FoM. IEEE Trans. Circuits Syst. II Express Briefs 2018, 66, 157–161. [Google Scholar] [CrossRef]
- Chiariello, M.; La Gala, A.; Malanchini, M.; Gelmi, L.; De Matteis, M. A 900-MHz Hardening-by-Design Voltage Controlled Oscillator in 28nm CMOS. In Proceedings of the 2024 31st IEEE International Conference on Electronics, Circuits and Systems (ICECS), Nancy, France, 18–20 November 2024; pp. 1–4. [Google Scholar]
- Liu, W.; Li, W.; Ren, P.; Lin, C.; Zhang, S.; Wang, Y. A PVT tolerant 10 to 500 MHz all-digital phase-locked loop with coupled TDC and DCO. IEEE J. Solid-State Circuits 2010, 45, 314–321. [Google Scholar] [CrossRef]
- Ballo, A.; Pennisi, S.; Scotti, G.; Venezia, C. A 0.5 V Sub-Threshold CMOS Current-Controlled Ring Oscillator for IoT and Implantable Devices. J. Low Power Electron. Appl. 2022, 12, 16. [Google Scholar] [CrossRef]
- Pérez-Nicoli, P.; Veirano, F.; Rossi-Aicardi, C.; Aguirre, P. Design method for an ultra low power, low offset, symmetric OTA. In Proceedings of the 2013 7th Argentine School of Micro-Nanoelectronics, Technology and Applications, Buenos Aires, Argentina, 15–16 August 2013; pp. 38–43. [Google Scholar]
- Sundaresan, K.; Allen, P.E.; Ayazi, F. Process and temperature compensation in a 7-MHz CMOS clock oscillator. IEEE J. Solid State Circuits 2006, 41, 433–442. [Google Scholar] [CrossRef]
- Luk, T.; Potts, D.C. Statistical design characterization of analog circuits. In Proceedings of the 2008 9th International Conference on Solid-State and Integrated-Circuit Technology, Beijing, China, 20–23 October 2008; pp. 1705–1708. [Google Scholar]











| Parameter | Value |
|---|---|
| VDD | 0.4 V |
| IBIAS | 70 # nA |
| (W/L)B1 | 960 nm/28 nm |
| (W/L)B2 | 200 nm/28 nm |
| A1, A2 | 33 dB |
| (W/L) Ni; Pi | 500 nm/20 nm; 600 nm/20 nm |
| Ci | 1 fF |
| Corner at T = 0 °C | TT | FF | SF | FS | SS |
|---|---|---|---|---|---|
| Osc. Frequency (MHz) | 608.7 | 919.8 | 511.6 | 572.8 | 254.8 |
| Average Power Consumption (µW) | 9.51 | 15.94 | 10.71 | 7.54 | 4.96 |
| Phase noise @1 MHz (dBc/Hz) | −83.43 | −81.43 | −82.49 | −83.81 | −84.97 |
| Corner at T = 27 °C | TT | FF | SF | FS | SS |
| Osc. Frequency (MHz) | 666.8 | 1149 | 576.5 | 745.3 | 373.4 |
| Average Power Consumption (µW) | 10.23 | 16.02 | 11.2 | 9.32 | 6.82 |
| Phase Noise @1 MHz (dBc/Hz) | −83.12 | −81.13 | −82.1 | −83.13 | −84.02 |
| Corner at T = 60 °C | TT | FF | SF | FS | SS |
| Osc. Frequency (MHz) | 751.9 | 1225 | 598.3 | 800.6 | 496.9 |
| Average Power Consumption (µW) | 11.25 | 16.27 | 10.87 | 9.33 | 6.87 |
| Phase Noise @1 MHz (dBc/Hz) | −82.71 | −80.69 | −81.65 | −82.47 | −83.19 |
| Reference | 2023, [1] | 2016, [44] | 2019, [46] | 2024, [47] | This Work |
|---|---|---|---|---|---|
| Tech. Node (nm) | 180 | 65 | 65 | 28 | 22 |
| Type of Control | Voltage | Voltage | Voltage | Voltage | Current |
| VDD (V) | 0.5 | 0.6 | 0.5 | 1 | 0.4 |
| N-Stages | 4 | 3 | 4 | 4 | 3 |
| Structure | Diff. | Diff. | Diff. | Diff. | Diff. |
| Osc. Frequency (MHz) | 3.59–13.74 | 250–800 | 340–1360 | 734–975 | 537–800 |
| Power Consumption (µW) | 0.221 | 146.2 | 260 | 322.6 | 10.23 |
| Phase Noise @1 MHz (dBc/Hz) | −95.01 | −86.38 | −90.2 | −83.78 | −83.12 |
| FoM | −154.32 | −153.2 | −158.7 | −148.47 | −161.1 |
Disclaimer/Publisher’s Note: The statements, opinions and data contained in all publications are solely those of the individual author(s) and contributor(s) and not of MDPI and/or the editor(s). MDPI and/or the editor(s) disclaim responsibility for any injury to people or property resulting from any ideas, methods, instructions or products referred to in the content. |
© 2025 by the authors. Licensee MDPI, Basel, Switzerland. This article is an open access article distributed under the terms and conditions of the Creative Commons Attribution (CC BY) license (https://creativecommons.org/licenses/by/4.0/).
Share and Cite
Abdullah, M.A.; Elamien, M.B.; Deen, M.J. A 0.4 V CMOS Current-Controlled Tunable Ring Oscillator for Low-Power IoT and Biomedical Applications. Electronics 2025, 14, 2209. https://doi.org/10.3390/electronics14112209
Abdullah MA, Elamien MB, Deen MJ. A 0.4 V CMOS Current-Controlled Tunable Ring Oscillator for Low-Power IoT and Biomedical Applications. Electronics. 2025; 14(11):2209. https://doi.org/10.3390/electronics14112209
Chicago/Turabian StyleAbdullah, Md Anas, Mohamed B. Elamien, and M. Jamal Deen. 2025. "A 0.4 V CMOS Current-Controlled Tunable Ring Oscillator for Low-Power IoT and Biomedical Applications" Electronics 14, no. 11: 2209. https://doi.org/10.3390/electronics14112209
APA StyleAbdullah, M. A., Elamien, M. B., & Deen, M. J. (2025). A 0.4 V CMOS Current-Controlled Tunable Ring Oscillator for Low-Power IoT and Biomedical Applications. Electronics, 14(11), 2209. https://doi.org/10.3390/electronics14112209

