Next Article in Journal
Preemptive-Level-Based Cooperative Autonomous Vehicle Trajectory Optimization for Unsignalized Intersection with Mixed Traffic
Previous Article in Journal
Efficiency Analysis of NIST-Standardized Post-Quantum Cryptographic Algorithms for Digital Signatures in Various Environments
 
 
Font Type:
Arial Georgia Verdana
Font Size:
Aa Aa Aa
Line Spacing:
Column Width:
Background:
Article

Design of Multi-Time Programmable Intellectual Property with Built-In Error Correction Code Function Based on Bipolar–CMOS–DMOS Process

Department of Electronic Engineering, Changwon National University, Changwon 51140, Republic of Korea
*
Authors to whom correspondence should be addressed.
Electronics 2025, 14(1), 68; https://doi.org/10.3390/electronics14010068
Submission received: 16 November 2024 / Revised: 12 December 2024 / Accepted: 13 December 2024 / Published: 27 December 2024

Abstract

The coupling capacitor of the MTP cell used in this paper is an NCAP-type capacitor that has only a source contact, and the layout size of the unit cell is 6.184 μm × 6.295 μm (=38.93 μm2), which is 0.44% smaller than the MTP cell that uses the coupling capacitor of the conventional NMOS transistor type that has both a source contact and a drain contact. In addition, a 4 Kb MTP IP with a built-in ECC function using an extended Hamming code capable of single-error correction and double-error detection was designed for safety considerations. In this paper, a new test algorithm is proposed to test whether the ECC function operates normally in the MTP IP with a built-in ECC function, and it is confirmed through a test using logic tester equipment that the output data DOUT[7:0] and the error flag ERROR_FLAG[1:0] are exactly the same in the cases of no error, a single-bit error, and a double-bit error. In addition, by sharing a current-controlled ring oscillator circuit that uses a current-starved inverter in the VPP, VNN, and VNNL charge pumping circuits that share a single ring oscillator in the erase and program operation modes of the MTP IP and using the regulated VPVR as power, the pumping capacitor size is reduced, and a new technology to reduce ripple voltage variation is proposed. Meanwhile, in the VNN level detector circuit that detects whether the VNN has reached the target voltage, a folded-cascode CMOS OP-AMP whose output swing voltage is almost VDD is used instead of a differential amplifier circuit with a PMOS differential input pair to ensure that normal VNN level detection operation occurs.

1. Introduction

Automotive semiconductors are semiconductors used in electronic control devices in vehicles; they are used in applications such as ADAS (advanced driver assistance system), chassis, infotainment, car body, power train, and power semiconductor modules [1,2,3]. A PMIC (power management integrated circuit) used in vehicles is a chip that receives input power and converts it into the required output power [4,5]. An automotive PMIC chip requires an MTP cell, which is a single poly EEPROM cell that does not require an additional mask for purposes such as trimming analog circuits [6,7,8,9,10,11].
In addition, as ISO 26262 [12], an international vehicle functional safety standard that requires management and verification in terms of functional safety from vehicle production to disposal, has been enacted, automotive semiconductors are required to have an NVM (non-volatile memory) memory IP with an ECC (error correction code) function built in as a safety consideration [13].
An MTP (multi-time programmable) cell [14] consists of a CG (control gate) MOS capacitor with a coupling function, a TG_SENSE (tunnel gate sense) transistor that acts as a tunnel oxide and sense transistor, and an SG (select gate) transistor that reduces the off-leakage current in the BL (bit line) when the MTP cell is over-erased. An MTP cell using NCAP [14] does not require an additional mask because it uses the gate oxide of a 5 V NMOS transistor as a tunnel oxide.
Therefore, in this paper, we design a 4 Kb MTP IP (Intellectual Property) using a (13, 8) extended Hamming code with an MTP cell using NCAP that has only a source contact and no drain contact as a coupling capacitor based on the DBHiTek 180 nm BCD (bipolar–CMOS–DMOS) process. Additionally, we designed a 4 Kb MTP IP with a built-in ECC (error correction code) function using an extended Hamming code that enables single-error correction and double-error detection as a safety consideration. In this paper, we propose a new test algorithm to test whether the ECC function of single-error correction and double-error detection operates normally in the MTP IP with a built-in ECC function.
In addition, in order to reduce the ripple voltage of the output voltage operating across a wide voltage range of 2.5 V to 5.5 V in the VPP (positive pumping voltage), VNN (negative pumping voltage), and VNNL charge pumping circuits sharing a single ring oscillator in the erase and program operation modes of the MTP IP [14], a current-controlled ring oscillator circuit using a current-starved inverter and a charge pump circuit that reduces the ripple voltage variation by reducing the pumping current variation according to the PVT (process–voltage–temperature) variation by using the regulated voltage, VPVR (program–verify–read voltage), are newly proposed.
Furthermore, in this paper, in the VNN level detector circuit that detects whether the VNN has reached the target voltage, the maximum swing voltage of the output voltage in the differential amplifier circuit having a PMOS differential input pair is the threshold voltage of the PMOS transistor, |VTP|. Since this output voltage is lower than the inverter logic threshold voltage of the CMOS inverter in the next stage, there is a problem such that VNN charge pumping cannot occur. Therefore, in this paper, instead of a differential amplifier, a folded-cascode CMOS OP-AMP with an output swing voltage almost equal to VDD is used to achieve normal VNN level detection operation. Meanwhile, a 4 Kb MTP IP designed using a (13, 8) extended Hamming code capable of single-error correction and double-error detection is manufactured based on the DBHiTek 180 nm BCD process, and the threshold voltage (VTE) of the erased MTP cell and the threshold voltage (VTP) of the programmed MTP cell were measured through a wafer test using logic tester equipment. Through the wafer test using logic tester equipment, it was confirmed that the output data DOUT[7:0] and error flag ERROR_FLAG[1:0] were exactly matched for no error, a single-bit error, and a double-bit error.

2. Circuit Design

Figure 1 shows the circuit diagram of the MTP cell used in this paper [14]. The MTP cell used consists of a CG coupling capacitor (CC), a TG_SENSE transistor (MN0), and an SG transistor (MN1). The TG_SENSE transistor (MN0), which is a 5 V NMOS transistor, acts as a tunnel oxide in program and erase modes but acts as a sense transistor in read mode. The SG transistor (MN1), which is a 5 V NMOS transistor, determines the leakage current in the BL when the FG (floating gate) of the TG_SENSE transistor is over-erased, and the leakage current of the SG transistor is very small, about tens of pA, and so the 5 V SG transistor is added to the BL and TG (tunnel gate) nodes to reduce the leakage current in the BL.
In the MTP cell circuit shown in Figure 1, the coupling capacitor (CC) can be a coupling capacitor in the form of an NMOS transistor with both a source contact and a drain contact, as shown in Figure 2a, or a coupling capacitor in the form of an NCAP (NMOS Capacitor) with only a source contact and no drain contact, as shown in Figure 3a. By comparing the layout size of the MTP cell according to the type of coupling capacitor in Figure 2 and Figure 3, it can be observed that the layout size of the MTP cell using the NCAP type coupling capacitor is 6.184 μm × 6.295 μm (=38.93 μm2) [14], as shown in Figure 3b, which is 0.44% smaller than the layout size of 6.184 μm × 6.323 μm (=39.101 μm2) of the MTP cell using the NMOS transistor-type coupling capacitor in Figure 2b.
In this paper, as a result of comparing the layout size of the coupling capacitor of the NMOS transistor type and the MTP cell using a coupling capacitor of the NCAP type in the DBHiTeK 180 nm BCD process, it can be observed that the layout area of the MTP cell using the coupling capacitor of the NCAP type is about 0.44% smaller, and the MTP cell using the NCAP in Figure 3 that has completed the electrical characteristic verification in the DBHiTeK process is used to design an MTP IP with a built-in ECC function.
Therefore, in this paper, we design an MTP IP with a built-in ECC function using the MTP cell with the NCAP in Figure 3, which has been verified to have the characteristics of the MTP cell in the DBHiTek 180 nm BCD process.
The bias conditions for the operation modes of the MTP cell using the NCAP of Figure 3 as a coupling capacitor in the 4 Kb MTP IP with a built-in ECC function using a (13, 8) extended Hamming code are as shown in Table 1. In program mode, when the bias voltage is applied to the CG, TG, WL, BL, and DNW of the selected cell as VPP (=7.75 V), VNN (=−7.75 V), 0 V, floating, and VPP (7.75 V) voltages, respectively, electrons are injected into the FG (floating gate) node of Figure 3a through the gate oxide of the 5 V NMOS transistor by FN (Fowler–Nordheim) tunneling, and the VTC (cell threshold voltage) rises by more than 3 V, so that it is programmed as program data ‘1’.
On the other hand, in program mode, the unselected CG and the unselected TG do not experience FN tunneling as the VNNL (=−2.5 V) voltage and the VPPL (=2.5 V) voltage are applied, respectively, as shown in Table 1. Meanwhile, in all-erase mode, the CG, TG, WL, BL, and DNW of all MTP cells are biased with VNN (=−7.75 V), VPP (=7.75 V), 0 V, floating, and VPP (=7.75 V), respectively, as shown in Table 1. As a result, the electrons in the FG node of Figure 3a are ejected by FN tunneling, and the VTC voltage, which is the cell threshold voltage, drops to a negative voltage less than 0 V, so that the DOUT data are erased as ‘0’. The VPP of 7.75 V and the VNN of −7.75 V in program mode and erase mode are the voltages that satisfy the conditions for electron injection or electron ejection to occur in the floating gate (FG) by FN tunneling when an electric field of 10 MV/cm or more is applied to the gate oxide of MN1, which is the SENSE_TG transistor shown in Figure 1.
In read mode, when the voltages of CG, TG, WL, BL, and DNW are applied as VRD (=2 V), 0 V, VDD, and 1 V while the bias voltage is applied as VDD, the current flowing through the BL outputs DOUT data as ‘0’ when the erased ‘on’ current flows and as ‘1’ when the programmed ‘off’ current flows. The MTP cell used in this paper has excellent scalability characteristics, as it can be applied to all technology nodes provided with 5 V MOS devices, including the 180 nm BCD process.
Table 2 shows the main features of the 4 Kb MTP IP with a built-in ECC function using the designed (13, 8) extended Hamming code. The cell array size of the 4 Kb MTP IP with a built-in ECC function using an (13, 8) extended Hamming code is 64 rows × 104 columns, and it consists of 13 bits of composite data, including 8 bits of program data and 5 parity check bits.
In addition, the supply voltage VDD has a wide voltage range of 2.5 V to 5.5 V in read and write (program and erase) modes and uses a single power supply of 4.5 V to 5.5 V in write–verify–read (erase–verify–read or program–verify–read) mode. As an additional function, it supports VTC measuring mode, which measures the threshold voltage of the MTP cell, and the test mode supports all-program mode for TTR (test time reduction). The temperature range, endurance, data retention time, and erase and program times of the MTP IP are as shown in Table 2. An MTP IP used in automotive grade 0 requires an endurance of 1 K erase/program cycles and a data retention time of 10 years at 150 °C [10].
The block diagram of the 4 Kb MTP IP, as shown in Figure 4, consists of a 64-row × 104-column MTP cell array, a control logic circuit that generates a control signal depending on the operation mode, a CG driver circuit that selects one of the 64 rows by the row address A[8:3] and drives the CG and SG, a TG switch circuit that decodes the column address A[2:0] in program mode and transfers the output data TGD[12:0] of the TG driver circuit—which is composed of 13 corresponding to the 8 bits of program data and 5 parity bits generated by the parity bit generation circuit—to the 13 corresponding TGs, a BL switch circuit that transfers the BL data of the corresponding BL[12:0] to DL[12:0] in the read mode, and a DL S/A (sense amplifier) circuit that senses the DL data.
The DC-DC converter circuit of Figure 4 includes a circuit that supplies VPP (=7.75 V), VNN (=−7.75 V), and VNNL (=−2.5 V) by a charge pumping method in program mode and erase mode, as well as a circuit that supplies VPPL (=2.5 V), VRD (=2 V), and VPVR (=3 V) by a voltage regulation method.
A Hamming code is a kind of linear error correction code. Hamming codes can detect 1-bit errors and correct 1-bit errors. The minimum distance of a Hamming code is 3. That is, the decoder can detect and correct single errors, but it cannot distinguish a double-bit error in some code words from a single-bit error in some other code words. Therefore, some double-bit errors are incorrectly decoded as single-bit errors and are not detected unless correction is attempted [15]. To solve this drawback, Hamming codes can be extended with additional parity bits. This increases the minimum distance of a Hamming code to 4, which enables the decoder to distinguish between a single-bit error and a double-bit error. Therefore, the decoder can detect and correct single errors and, at the same time, detect double errors.
An extended Hamming code with the addition of a global parity bit enables SEC-DED (single-error correction—double-error detection). In designing a 4 Kb MTP IP with a built-in ECC function using the extended Hamming code, the ECC circuit used in the 4 Kb MTP IP to detect and correct errors that may occur in the MTP cell is composed of a parity bit generation circuit, a syndrome bit generation circuit, and an error correction circuit [16]. First, when 8-bit program are is input through the DIN[7:0] port in program mode, parity bits are generated in the parity bit generation circuit. At this time, the number of parity bits is determined by Equation (1), where D is the number of data bits and P is that of parity bits, and since the number of data bits is 8 bits, the number of parity bits is at least 4 bits [17]. In this paper, 5 parity bits are used by adding 1-bit global parity for SEC-DED.
2 P D + P + 1
The 4-bit parity of SEC-SED for 8-bit data is listed in Table 3 [18]. Parity bits (P8, P4, P2, and P1) are arranged in powers of 2, and data bits (DIN7, DIN6, DIN5, DIN4, DIN3, DIN2, DIN1, and DIN0) are arranged as in Table 3. The Boolean functions of 5-bit parity P[5:1], including the global parity bit P5, are as shown in Figure 5.
In read mode, the MTP IP with a built-in ECC function reads the 13-bit RD data stored in the MTP cells and generates a 4-bit syndrome. The process of generating the syndrome bits is a preparatory step for detecting and correcting errors. Figure 6 shows the Boolean functions that generate the syndrome bits. The error correction process shown in Figure 7 is required to detect and correct errors through syndrome bit generation. The 8-bit RD data excluding the 4-bit syndrome and the 5-bit parity become the input data of the error correction circuit. The error correction circuit uses the location information of the syndrome bits to correct the RD data of the corresponding location if there is an error, and outputs the RD data unchanged to the DOUT[7:0] port if there is no error.
Table 4 shows the single-bit error detection position by syndrome bits, and Figure 8 shows the Boolean functions for correcting errors using syndrome bits. A single error can be detected and corrected through the ECC circuit using the Hamming code. Meanwhile, if the extended Hamming code depicted in Figure 5 is used, when reading the 13-bit RD data stored in the MTP cells of Figure 9, if the newly calculated global parity GP is ‘0’ and the syndrome bits are not all ‘0’, it means a double error. Table 5 shows the error types and error flags Error_Flag[1:0] for syndrome bits and global parity bit.
A design for testing whether the ECC function of single-error correction and double-error detection operates normally in an MTP IP with a built-in ECC function using an extended Hamming code is required. Therefore, in this paper, we propose a test mode and test algorithm to test whether error correction is performed accurately when a single-bit error occurs in an arbitrary bit position among the 8-bit data and 5-bit parity or when a double-bit error occurs in an arbitrary two bits of a 13-bit code word, as well as whether the error flags Error_Flag[1:0] are output accurately for single-bit errors and double-bit errors.
The timing diagram for ECC function test mode for single-error detection is as shown in Figure 10. The ECC_ENb (ECC enable bar) and ECC_TM_ENb (ECC test mode enable bar) signals are both set to low, the SE_DEb (single-bit error double-bit error bar) signal is set to high, the fault address FA[3:0] is set to high, and then the RD pulse is set to low. ECC function test mode for single-error detection is implemented on an MTP IP where erasing and programming operate normally. Since ECC function test mode in Figure 10 is set to low with the RD pulse set to high, 13 bits of MTP cell data selected by A[8:0] are read out. However, it is assumed that 13 bits of read data are normal, but the bit specified by the pointer of FA[3:0] is faulty, and error checking and correction are performed using the complement data of the corresponding read data. Since it is a single error, DOUT[7:0] outputs the corrected original data according to the ECC operation. Furthermore, as seen in the error type according to the results of syndrome bits and global parity in Table 5, in the case of a single error, Error_Flag[1:0] outputs 01 or 11.
The timing diagram for ECC function test mode for double-error detection is as shown in Figure 11. While the ECC_ENb signal, ECC_TM_ENb signal, and SE_DEb signal are all supplied at low levels, fault addresses FA[7:4] and FA[3:0] are supplied, and then the RD pulse is supplied. The ECC function for double-error detection, like the ECC function test for single-error detection, is performed on the MTP IP where erasing and programming operate normally. Since the ECC function test mode in Figure 11 is supplied with an RD pulse, 13 bits of MTP cell data selected by A[8:0] are read out. However, although 13 bits of read data are normal, two bits specified by the pointers of FA[7:4] and FA[3:0] are assumed as faults, and the error checking and correction operation is performed using the complement data of the corresponding read data. Since it is a double-bit error, DOUT[7:0] has no meaning due to the ECC operation, and as can be seen in the error type according to the results of the syndrome bits and global parity bit in Table 5, Error_Flag[1:0] outputs the binary data ‘10’.
Meanwhile, in the erase and program operations, the DC-DC converter circuit in the block diagram of the MTP IP with a built-in ECC function as shown in Figure 4 requires voltage supply circuits for VPP (=7.75 V), VNN (=−7.75 V), VPPL (=2.5 V), and VNNL (=−2.5 V). Among these circuits, VPPL is designed using a voltage regulator circuit, and the remaining circuits, VPP, VNN, and VNN, use charge pump circuits. A circuit was proposed in which only one ring oscillator circuit was provided for each charge pump in the VPP, VNN, and VNNL charge pumping circuits that used the charge pumping method to reduce the area of the DC-DC converter circuit, and the output signal of this ring oscillator was shared [14].
In this paper, we propose a new circuit to reduce the size (W/L) of the pumping capacitor used in the charge pump circuit of VPP, VNN, and VNNL and to reduce the ripple voltage of the output voltage for the PVT (process–voltage–temperature) variation. The proposed circuit uses the VPVR (program–verify–read voltage) supplied from the voltage regulator circuit of 4 Kb MTP IP instead of VDD, which is an external power supply, as the power voltage of the commonly used ring oscillator circuit and the VPP, VNN, and VNNL, and we propose a ring oscillator circuit that uses a current-starved inverter instead of a CMOS inverter to reduce the PVT variation of the oscillation period of the ring oscillator. In general, the ring oscillator circuit used in the DC-DC converter of an MTP IP is used to create the pumping clock signal used in the positive charge pump circuit (VPP charge pump circuit) and the negative charge pump circuits (VNN and VNNL charge pump circuits). During the time that the ring oscillator circuit is oscillating, the pumping clocks in the charge pumping circuits are clocking, the VPP charge pump circuit is pumping positive charge to the VPP output node, the VNN and VNNL charge pumping circuits are pumping negative charge to the VNN and VNNL output nodes, and the target voltage is exceeded.
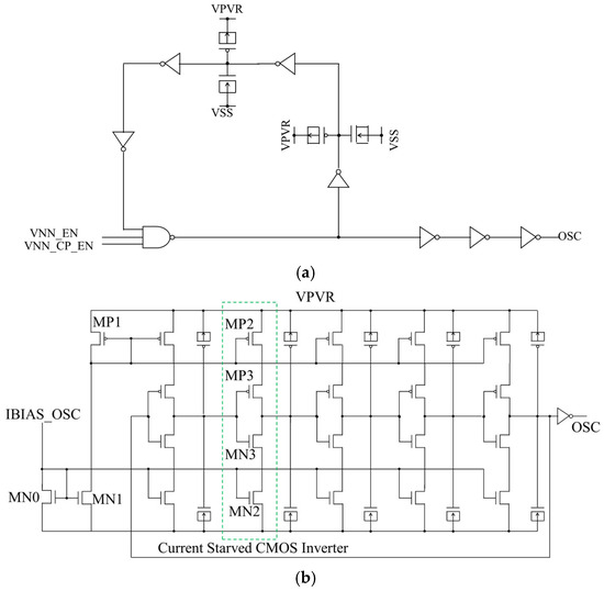
Figure 12 shows the conventional ring oscillator circuit using a CMOS inverter and the proposed ring oscillator circuit using the current-starved CMOS inverter using the VPVR (=3 V), which is the output voltage of the voltage regulator, as the power. In the current-starved ring oscillator circuit of Figure 12b, the reference current IBIAS_OSC (=10 μA) is mirrored by the NMOS current mirrors (MN0 and MN1), and this current is mirrored again by the PMOS current mirrors (MP1 and MP2). Since the currents flowing in MP2 and MN2 of the current-starved inverter of Figure 12b are constant currents that are insensitive to the PVT variation, the charging time and discharging time for the output nodes of the current-starved inverter become constant, which can reduce the variation of the oscillation period.
Figure 13 proposes a circuit that shares a ring oscillator circuit using a current-starved CMOS inverter in the VPP, VNN, and VNNL charge pump circuits of the DC-DC converter using the VPVR regulation voltage as power. The VPVR regulator is a circuit that regulates with a voltage of 3 V. It supplies 3 V when the VDD voltage is 3 V or higher, and when the VDD voltage is less than 3 V, the VPVR regulator is a regulation circuit that follows the VDD voltage. The ring oscillator circuit using the current-starved inverter of Figure 12b has a smaller degree of variation in its oscillation period for the PVT variation than the ring oscillator circuit using the CMOS inverter of Figure 12a. Therefore, when the oscillation period is long, even if the capacitance of the pumping capacitor in the charge pump circuit is small, the pumping current of 10 μA or more can be satisfied, meaning that the layout area of the charge pump circuit can be reduced, and furthermore, when the oscillation period is short, the ripple voltage can be reduced.
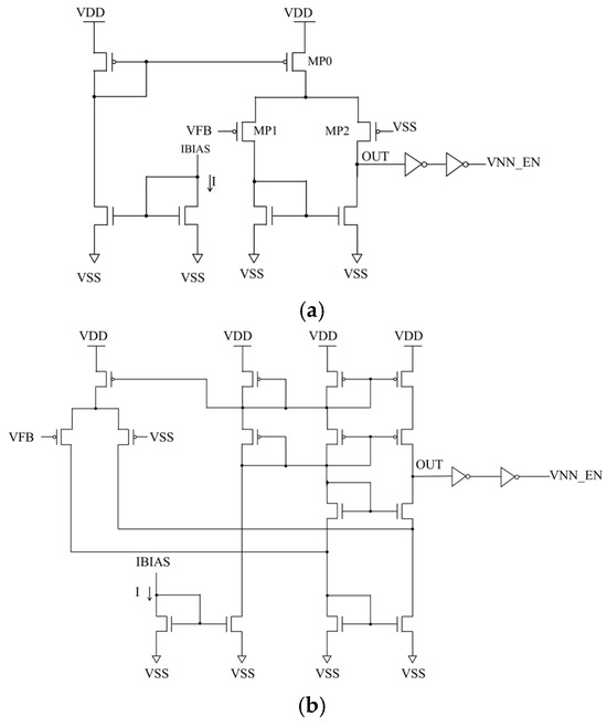
Figure 14 shows the VNN level detector circuit used in the VNN charge pump circuit which consists of an NMOS diode divider, a comparator circuit that compares the VFB (feedback voltage) voltage and the VSS (=0 V) voltage, and an inverter buffer circuit. The VFB is the output voltage of the voltage divider between the VCP (=1.292 V), which is the output voltage of the voltage regulator circuit, and the VNN, and it is a voltage of (VCP − VNN)/7. In the steady state, when the VNN is below −7.75 V, the VFB drops below 0 V and the VNN_EN signal is output as 0 V, thereby aligning the negative charge pumping operation of the VNN charge pump. In this state, when the VNN becomes greater than −7.75 V due to the leakage current of the VNN node, the VFB voltage in Figure 14 rises above 0 V and the VNN_EN signal switches to VDD. When the VNN_EN signal becomes VDD, negative charge pumping occurs to the VNN node in the VNN charge pump circuit.
As shown in Figure 15a, the comparator circuit that compares the VFB voltage and the VSS voltage can use a differential amplifier circuit with a PMOS differential input pair, but in this case, the maximum swing voltage of the drain node of the PMOS transistor (MP2) whose gate in Figure 15a is connected to VSS cannot exceed |VTP|. In this way, there is a problem such that normal charge pumping cannot occur because the VNN_EN signal of the VNN level detector circuit outputs only 0 V at high VDD voltage. Therefore, in this paper, we use the folded-cascode CMOS OP-AMP circuit shown in Figure 15b, which has a comparator output swing voltage that is close to VDD, so that the comparator circuit shown in Figure 14 can operate normally for a wide range of power supply voltages.
The layout size of the 4 Kb MTP IP with a built-in ECC function using a (13, 8) extended Hamming code, designed using the DBHiTek 180 nm BCD process, is 817.447 μm × 957.362 μm (=0.783 mm2), which is a 59.1% increase in area compared to the layout size of 0.494 mm2 for the 4 Kb MTP IP without a built-in ECC function [10]. Figure 16 shows the layout image of the 4 Kb MTP IP with a built-in ECC function using a (13, 8) extended Hamming code.

3. Simulation and Measurement Results

In this paper, we fabricated test wafers of an MTP IP with a built-in ECC function using the MTP cells shown in Figure 3 based on the DBHiTek 180 nm BCD process. Figure 17 shows the results of measuring VTC, which is the threshold voltage of the MTP cell for data memory and parity memory, in the test wafer of the 4 Kb MTP IP with a built-in ECC function fabricated with the DBHiTek 180 nm BCD process. Testing of wafers was performed using Teradyne Catalyst logic tester equipment. The measured wafers were a TT (typical NMOS, typical PMOS) wafer, an SS (slow NMOS, slow PMOS) wafer, and an FF (fast NMOS, fast PMOS) wafer, according to the split of the MOS transistor, and the results of measuring VTE (erased cell VT) and VTP (programmed cell VT) for 4096-bit data memory and 2560-bit parity memory are shown. Figure 17 shows the cumulative cell numbers with respect to VTE and VTP, which are the threshold voltages of MTP cells. In erase mode, the VNN measurement result is −4.5 V, which is lower than the target voltage of −7.75 V. Therefore, there are cells where the VTE of the erased cell is a positive voltage near 0 V, not a negative voltage below 0 V. If the VNN is supplied with a normal target voltage in erase mode, the VTE of the erased cell is expected to be a negative voltage. If the VNN had been −7.75 V instead of −4.5 V in erase mode, the VTE measurement result in Figure 17 would have been less than −1.5 V, considering that the coupling ratio of the MTP cell in Figure 1 is 0.9. However, the measurement result of the VNN voltage in erase mode is −4.5 V, which limits the comparison with the results of other papers. On the other hand, this research team speculates that the VNN measurement voltage is −7.75 V and is clamped to −4.5 V as the target voltage, well junction BV, or body node voltage of the isolated NMOS transistor floats momentarily, and we are currently analyzing the cause of the defect in clamping to −4.5 V. For MTP IP, endurance and retention tests are important [19]. If the cause of the defective clamping of VNN to −4.5 V in erase mode is found and the problem of VNN clamping to −4.5 V on the MTP test chip is solved, we plan to proceed with endurance test and retention test.
In this paper, we test whether the ECC functions of no error, a single-error correction, and a double-error detection operate normally in a 4 Kb MTP IP with an ECC function based on a (13, 8) extended Hamming code. Table 6 and Table 7 show the measurement results of DOUT[7:0] and Error_Flag[1:0] for no error, a single error, and a double error for all erased cells and all programmed cells, respectively. It is confirmed that DOUT[7:0] and Error_Flag[1:0] are measured normally to meet the test conditions.
Table 8 shows the results of corner simulation for the ring oscillator periods according to the VDD, temperature, and model parameters of MOS transistor in a ring oscillator circuit that uses the VPVR, which is the output voltage of the voltage regulator, as power. Here, the simulation results in Table 8 are the results of the pre-layout simulation. Table 8a shows the result when a CMOS inverter is used, and Table 8b shows the result when a current-starved inverter is used. It can be seen that the variation of the ring oscillation period using the CMOS inverter in Table 8a is larger than that using the current-starved inverter in Table 8b. In a charge pump circuit, the smaller the variation of the ring oscillation period, the smaller the area of the pumping capacitor of the charge pump can be and the lower the ripple voltage will be.
In this paper, the VPP pumping capacitor is sized so that the VPP pumping current per corner in the VPP charge pump circuit is 10 μA or more. Table 9 shows the results of comparing the pumping capacitor sizes of the VPP, VNN, and VNNL charge pump circuits for each inverter type used in the ring oscillator. When a CMOS inverter is used, the areas of the charge pumping capacitors of the VPP, VNN, and VNNL charge pump circuits are reduced by 44%, 22%, and 28.5%, respectively, compared to when a current-starved inverter is used, as shown in Table 9. The ripple voltages of VPP, VNN, and VNNL of the charge pump circuit using a current-starved inverter are reduced compared to when a CMOS inverter is used, as shown in Table 10. Here, the simulation results are the results of the pre-layout simulation. In conclusion, when a current-starved inverter type is used in a ring oscillator, the size of the charge pumping capacitor is reduced compared to when a CMOS inverter is used, and so not only the layout area but also the ripple voltage can be reduced.

4. Conclusions

Automotive semiconductors are semiconductors used in electronic control devices in vehicles, and are used in applications such as ADAS, chassis, infotainment, car body, power train, and power semiconductor modules. PMIC chips used in vehicles are chips that receive input power and convert it into the required output power. Automotive PMIC chips require MTP cells that do not require additional masks. In the MTP cell used in this paper, instead of using a coupling capacitor in the form of an NMOS transistor that has both a source contact and a drain contact, an NCAP-type coupling capacitor that has only a source contact and no drain contact is used, such that the layout size of the unit cell is reduced by 0.44% to 6.184 μm × 6.295 μm (=38.93 μm2) compared to an MTP cell that uses a coupling capacitor in the form of a conventional NMOS transistor.
In this paper, we designed a 4 Kb MTP IP with a built-in ECC function using an extended Hamming code capable of single-error correction and double-error detection as a safety consideration. We proposed a new test algorithm to test whether the ECC function of single-error correction and double-error detection in the MTP IP with a built-in ECC function operates normally, and we confirmed through a test using logic tester equipment that the output data DOUT[7:0] and the error flag ERROR_FLAG[1:0] exactly matched for no error, a single-bit error, and a double-bit error.
In addition, in the erase and program operation modes of the MTP IP, a current-controlled ring oscillator circuit using a current-starved inverter and a circuit using the VPVR as the power of the charge pump circuit are proposed in the VPP, VNN, and VNNL charge pump circuits that share a single ring oscillator. Therefore, the pumping current variation of the VPP, VNN, and VNNL charge pump circuits according to the PVT variation can be reduced, which can reduce the ripple voltage variation, and, at the same time, the pumping capacitor size of the VPP, VNN, and VNNL charge pump circuits can be reduced, thereby reducing the layout area. In addition, in the VNN level detector circuit that detects whether the VNN has reached the target voltage, the differential amplifier circuit with the PMOS differential input pair has a problem such that the maximum swing voltage of the output voltage is |VTP|, which is lower than the inverter logic threshold voltage of the next stage, and therefore, the VNN charge pumping of the VPP, VNN, and VNNL charge pump circuits cannot occur. Thus, in this paper, a folded-cascode CMOS OPAMP is used instead of the differential amplifier to enable normal VNN level detection operation.
Furthermore, in this paper, we measured the distribution of VTE, the threshold voltage of erased MTP cells, and VTP, the threshold voltage of programmed MTP cells, using a 4 Kb MTP test wafer manufactured based on the DBHiTek 180 nm BCD process using a (13, 8) extended Hamming code capable of single-error correction and double-error detection.

Author Contributions

Conceptualization, Y.K. and P.H.; methodology, Y.K., L.L., S.K., D.K. (Dohoon Kim), D.K. (Dongseob Kim) and D.L.; validation, L.L., S.K., D.K. (Dohoon Kim) and D.K. (Dongseob Kim); formal analysis, L.L. and D.K. (Dongseob Kim); writing—original draft preparation, L.L., D.K. (Dongseob Kim), Y.K. and P.H.; writing—review and editing, D.L.; visualization, D.L.; project administration, Y.K. All authors have read and agreed to the published version of the manuscript.

Funding

This research was supported by the MSIT (Ministry of Science and ICT), Korea, under the ITRC (Information Technology Research Center) support program (IITP-2024-00438409) supervised by the IITP (Institute for Information and Communications Technology Planning and Evaluation).

Data Availability Statement

All data underlying the results are available as part of the article and no additional source data are required.

Conflicts of Interest

The authors declare no conflicts of interest.

References

  1. Korea Semiconductor Industry Association. Current Status of China’s Automotive Semiconductor Industry; Korea Semiconductor Industry Association: Seongnam-si, Republic of Korea, 2022. [Google Scholar]
  2. Lee, J.; Jeon, H. Vehicle Semiconductors: Opportunities Needed to Be Created through Selection and Concentration. In Korea Automobile Research Institute Industry Trends; Korea Automobile Research Institute: Pungse-ro, Republic of Korea, 2021; Volume 53. [Google Scholar]
  3. Chun, H.S.; Kim, H.T.; Roh, T.M. Supply Chain Ecosystem of Automotive Chip. ETRI Electron. Telecommun. Trends 2021, 36, 1–11. [Google Scholar]
  4. Ha, Y.; Jin, H.; Ha, P.; Kim, Y. Design of Zero-Layer FTP Memory IP. J. Korea Inst. Inf. Electron. Commun. Technol. 2018, 11, 742–749. [Google Scholar]
  5. Chun, H.-S. Market Outlook and Domestic and Global Development Trend for Power Semiconductor. In IITA Weekly Technology Trends; IITA: Daejeon, Republic of Korea, 2009. [Google Scholar]
  6. Contiero, C.; Galbiati, P.; Palmieri, M.; Vecchi, L. Characteristics and Applications of a 0.6 μm Bipolar-CMOS-DMOS Technology Combining VLSI Non-Volatile Memories. In Technical Digest of IEDM; IEEE: Piscataway, NJ, USA, 1996; pp. 465–468. [Google Scholar]
  7. Yu, Y.-N.; Jin, L.-Y.; Kim, K.-I.; Kim, M.-S.; Park, Y.-B.; Park, M.-H.; Ha, P.-B.; Kim, Y.-H. Design of 256 bit Single-Poly MTP Memory Based on BCD Process. J. Cent. South Univ. 2012, 19, 3460–3467. [Google Scholar] [CrossRef]
  8. Roizin, Y.; Pikhay, E.; Dayan, V.; Heiman, A. High Density MTP Logic NVM for Power Management Application. In Proceedings of the IEEE International Memory Workshop, Monterey, CA, USA, 10–14 May 2009; pp. 1–2. [Google Scholar]
  9. Torricelli, F.; Milani, L.; Colalongo, L.; Richelli, A.; Kovacs-Vajna, Z.M. Half-MOS Based Single-Poly EEPROM Cell with Program and Erase Bit Granularity. IEEE Electron. Device Lett. 2013, 34, 1509–1511. [Google Scholar] [CrossRef]
  10. eMemory. Endurance and Temperature Requirements. Available online: https://www.ememory.com.tw/en-US/Products/Product?guid=19080815022063 (accessed on 12 December 2024).
  11. Gao, R.; Li, Z.; Xu, J. Characterization of Single-Poly EEPROM in 0.18 μm BCD (Bipolar-CMOS-DMOS) Technology. In Proceedings of the 6th International Conference on Electronics Technology, Chengdu, China, 12–15 May 2023. [Google Scholar]
  12. ROHM Semiconductor. ISO 26262: Functional Safety Standard for Modern Road Vehicles. Available online: https://fscdn.rohm.com/en/products/databook/white_paper/iso26262_wp-e.pdf (accessed on 12 December 2024).
  13. Forchhammer, R. Automotive MCUs in 28 nm FD-SOI with ePCM NVM. In Proceedings of the ST Developers Conference, Santa Clara, CA, USA, 12 September 2019. [Google Scholar]
  14. Kwon, S.; Yonghwa, L.; Do-hoon, K.; Panbong, H.; Kim, Y.-H. Design of Small-Area MTP Memory Based on a BCD Process. J. Inst. Korean Electr. Electron. Eng. 2024, 28, 78–89. [Google Scholar]
  15. Hamming, R.W. Error Detecting and Error Correcting Codes. Bell Syst. Tech. J. 1950, 29, 147–160. [Google Scholar] [CrossRef]
  16. Kim, S.-H.; Lee, W.-O.; Kim, J.-H.; Lee, S.-S.; Hwang, S.-Y.; Kim, C.-I.; Kwon, T.-W.; Han, B.-S.; Cho, S.-K.; Kim, D.-H.; et al. A Low Power and Highly Reliable 400 Mbps Mobile DDR SDRAM with On-Chip Distributed ECC. In Proceedings of the IEEE Asian Solid-State Circuits Conference, Jeju, Republic of Korea, 12–14 November 2007. [Google Scholar]
  17. Microchips. (12,8) Hamming Code. Available online: https://onlinedocs.microchip.com/oxy/GUID-7694A4AE-178D-4734-AF56-CA4FB2E35712-en-US-1/GUID-F7FBFB8E-52B0-4AA5-9832-FC24944FDDDD.html (accessed on 12 December 2024).
  18. Microchips. 4-bit Parity Generation. Available online: https://onlinedocs.microchip.com/oxy/GUID-7694A4AE-178D-4734-AF56-CA4FB2E35712-en-US-1/GUID-F9817631-4CE9-4BE9-A730-1AA8C9595384.html (accessed on 12 December 2024).
  19. Low, S.Y.; Cheng, G.; Islam, M.N.; Lee, C.S.; Li, X. MTP Data Retention Improvement by Salicide Clean Optimization. In Proceedings of the 35th Annual SEMI Advanced Semiconductor Manufacturing Conference (ASMC), Albany, NY, USA, 13–16 May 2024. [Google Scholar]
Figure 1. The MTP cell circuit used [14].
Figure 1. The MTP cell circuit used [14].
Electronics 14 00068 g001
Figure 2. MTP cell using a coupling capacitor in the form of an NMOS transistor: (a) process cross-section and (b) layout image [14].
Figure 2. MTP cell using a coupling capacitor in the form of an NMOS transistor: (a) process cross-section and (b) layout image [14].
Electronics 14 00068 g002
Figure 3. MTP cell using NCAP-type coupling capacitor: (a) process cross-section and (b) layout image.
Figure 3. MTP cell using NCAP-type coupling capacitor: (a) process cross-section and (b) layout image.
Electronics 14 00068 g003
Figure 4. Block diagram of 4 Kb MTP IP with built-in ECC function using (13, 8) extended Hamming code.
Figure 4. Block diagram of 4 Kb MTP IP with built-in ECC function using (13, 8) extended Hamming code.
Electronics 14 00068 g004
Figure 5. Boolean functions that generate the 5-bit parity bits.
Figure 5. Boolean functions that generate the 5-bit parity bits.
Electronics 14 00068 g005
Figure 6. Boolean functions that generate 4-bit syndromes.
Figure 6. Boolean functions that generate 4-bit syndromes.
Electronics 14 00068 g006
Figure 7. Error correction process.
Figure 7. Error correction process.
Electronics 14 00068 g007
Figure 8. Boolean functions for correcting single errors using syndrome bits.
Figure 8. Boolean functions for correcting single errors using syndrome bits.
Electronics 14 00068 g008
Figure 9. Boolean functions of odd parity bit for double-error detection.
Figure 9. Boolean functions of odd parity bit for double-error detection.
Electronics 14 00068 g009
Figure 10. Timing diagram for ECC function test mode for single-error detection.
Figure 10. Timing diagram for ECC function test mode for single-error detection.
Electronics 14 00068 g010
Figure 11. Timing diagram for ECC function test mode for double-error detection.
Figure 11. Timing diagram for ECC function test mode for double-error detection.
Electronics 14 00068 g011
Figure 12. Ring oscillator circuits using voltage regulation voltage as power: (a) circuit using a conventional CMOS inverter and (b) circuit using the proposed current-starved CMOS inverter.
Figure 12. Ring oscillator circuits using voltage regulation voltage as power: (a) circuit using a conventional CMOS inverter and (b) circuit using the proposed current-starved CMOS inverter.
Electronics 14 00068 g012
Figure 13. Block diagram of a charge pump circuit that uses the output voltage of the newly proposed voltage regulator as power and uses a shared current-starved ring oscillator.
Figure 13. Block diagram of a charge pump circuit that uses the output voltage of the newly proposed voltage regulator as power and uses a shared current-starved ring oscillator.
Electronics 14 00068 g013
Figure 14. VNN level detector circuit.
Figure 14. VNN level detector circuit.
Electronics 14 00068 g014
Figure 15. Comparator circuits used in the VNN level detector circuit: (a) using a differential amplifier and (b) using a folded-cascode CMOS OP-AMP.
Figure 15. Comparator circuits used in the VNN level detector circuit: (a) using a differential amplifier and (b) using a folded-cascode CMOS OP-AMP.
Electronics 14 00068 g015
Figure 16. Layout image of the designed 4 Kb MTP memory IP.
Figure 16. Layout image of the designed 4 Kb MTP memory IP.
Electronics 14 00068 g016
Figure 17. VTC measurement results from the MTP cells depicted in Figure 3 for data memory and parity memory in the MTP IP with a built-in ECC function: (a) data memory and (b) parity memory.
Figure 17. VTC measurement results from the MTP cells depicted in Figure 3 for data memory and parity memory in the MTP IP with a built-in ECC function: (a) data memory and (b) parity memory.
Electronics 14 00068 g017
Table 1. Bias conditions of the MTP cell according to the operation modes.
Table 1. Bias conditions of the MTP cell according to the operation modes.
OperationModeCGTGSGBLDNW
ProgramSCG and STG7.75 V−7.75 V0 VFloating7.75 V
SCG and UTG7.75 V2.5 V0 VFloating7.75 V
UCG and STG−2.5 V−7.75 V0 VFloating7.75 V
UCG and UTG−2.5 V2.5 V0 VFloating7.75 V
All-EraseSCG and STG−7.75 V7.75 V0 VFloating7.75 V
ReadSCG and STG2 V0VDD1 VVDD
SCG and UTG2 V0VDDFloatingVDD
UCG and STG2 V00 V1 VVDD
UCG and UTG2 V00 VFloatingVDD
Table 2. Key features of 4 Kb MTP IP with built-in ECC function using (13, 8) extended Hamming code.
Table 2. Key features of 4 Kb MTP IP with built-in ECC function using (13, 8) extended Hamming code.
ItemsMain Features
VDDRead2.5 V~5.5 V
Write2.5 V~5.5 V
Write–Verify–Read4.5 V~5.5 V
Main FunctionsReadRead
WriteAll-Erase/Byte Program
Write–Verify–ReadEVR/PVR
Additional FunctionsERS_VT Measuring, PGM_VT Measuring
Test ModeAll-Program
Cell Array64 WLs × 104 BLs
Temperature Range−40~150 °C
P/E Time10 ms
Cell Configuration1 bit–1 cell
ECC FunctionO
IP Size817.447 μm × 957.362 μm (=0.783 mm2)
ApplicationAutomotive
Endurance1 K
Data Retention10 Years @150 °C
Table 3. Layout of 8-bit data and 4-bit parity.
Table 3. Layout of 8-bit data and 4-bit parity.
Bit Location121110987654321
110010111010100110000111011001010100001100100001
Code WordDIN7DIN6DIN5DIN4P4DIN3DIN2DIN1P3DIN0P2P1
Table 4. Single-bit error detection position by syndrome bits.
Table 4. Single-bit error detection position by syndrome bits.
S8S4S2S2Error Bit
0000P1
0001P2
0010D0
0011P3
0100D1
0101D2
0110D3
0111P4
1000D4
1001D5
1010D6
1011D7
1100X
1101X
1110X
1111X
Table 5. Error types and error flags for syndrome bits and global parity bit.
Table 5. Error types and error flags for syndrome bits and global parity bit.
SyndromeGlobal ParityError TypeError Flag[1]Error Flag[0]
00No Error00
≠01Single Error01
≠00Double Error10
01Parity Error11
Table 6. DOUT[7:0] and Error_Flag[1:0] measurement results for no error, a single error, and a double error according to fault address FA[7:0] for all erased cells.
Table 6. DOUT[7:0] and Error_Flag[1:0] measurement results for no error, a single error, and a double error according to fault address FA[7:0] for all erased cells.
InputFault code Address FA<7:0>Fail LocationFail Location
Define
Output
XDIO<7:0>
Output
Error_
Flag<1:0>
Output
Define
Test
Result
SE_DEbECC _
ENb
ECC_T
M_ENb
DM_
PMb
<7><6><5><4><3><2><1><0>DM0
0000
DM1
0001
DM2
0010
DM3
0011
DM4
0100
DM5
0101
DM6
0110
DM7
0111
PM8
1000
PM9
1001
PM10
1010
PM11
1011
PM12
1100
DM 8bPM 4bPM 1b<7><6><5><4><3><2><1><0><1><0>
101100000000 0000000000000No ErrorPass
100100000000E 1 Error000000000001SED-SECPass
100100000001 E 1 Error000000000001SED-SECPass
100100000010 E 1 Error000000000001SED-SECPass
100100000011 E 1 Error000000000001SED-SECPass
100100000100 E 1 Error000000000001SED-SECPass
100100000101 E 1 Error000000000001SED-SECPass
100100000110 E 1 Error000000000001SED-SECPass
100100000111 E 1 Error000000000001SED-SECPass
100100001000 E 01 Error00000000001SED-SECPass
100100001001 E 01 Error00000000001SED-SECPass
100100001010 E 01 Error00000000001SED-SECPass
100100001011 E 01 Error00000000001SED-SECPass
100100001100 E001 Error0000000011Parity ErrorPass
000110000000E E 1 Error1 Error00000000110DEDPass
000111000001 E E1 Error01 Error0000000010DEDPass
000111001011 EE01 Error1 Error0000000010DEDPass
000101110010 E E 2 Error001010010010DEDPass
000110101001 EE 02 Error00000010010DEDPass
Table 7. DOUT[7:0] and Error_Flag[1:0] measurement results for no error, a single error, and a double error according to fault address FA[7:0] for all programmed cells.
Table 7. DOUT[7:0] and Error_Flag[1:0] measurement results for no error, a single error, and a double error according to fault address FA[7:0] for all programmed cells.
InputFault code Address FA<7:0>Fail LocationFail Location
Define
Output XDIO<7:0>Output
Error_
Flag<1:0>
Output
Define
Test
Result
SE_DEbECC_
ENb
ECC_T
M_ENb
DM_
PMb
<7><6><5><4><3><2><1><0>DM0
0000
DM1
0001
DM2
0010
DM3
0011
DM4
0100
DM5
0101
DM6
0110
DM7
0111
PM8
1000
PM9
1001
PM10
1010
PM11
1011
PM12
1100
DM 8bPM 4bPM 1b<7><6><5><4><3><2><1><0><1><0>
101100000000 0001111111100No ErrorPass
100100000000E 1 Error001111111101SED-SECPass
100100000001 E 1 Error001111111101SED-SECPass
100100000010 E 1 Error001111111101SED-SECPass
100100000011 E 1 Error001111111101SED-SECPass
100100000100 E 1 Error001111111101SED-SECPass
100100000101 E 1 Error001111111101SED-SECPass
100100000110 E 1 Error001111111101SED-SECPass
100100000111 E 1 Error001111111101SED-SECPass
100100001000 E 01 Error01111111101SED-SECPass
100100001001 E 01 Error01111111101SED-SECPass
100100001010 E 01 Error01111111101SED-SECPass
100100001011 E 01 Error01111111101SED-SECPass
100100001100 E001 Error1111111111Parity ErrorPass
000110000000E E 1 Error1 Error01111111010DEDPass
000111000001 E E1 Error01 Error1111111110DEDPass
000111001011 EE01 Error1 Error1111111110DEDPass
000101110010 E E 2 Error000101101110DEDPass
000110101001 EE 02 Error01111101110DEDPass
Table 8. Corner simulation results for the ring oscillation periods according to the inverter types used in the ring oscillator using the regulated VPVR as power: (a) a CMOS inverter and (b) a current-starved CMOS inverter.
Table 8. Corner simulation results for the ring oscillation periods according to the inverter types used in the ring oscillator using the regulated VPVR as power: (a) a CMOS inverter and (b) a current-starved CMOS inverter.
(a)
Temp.SSSFTTFSFF
VDD = 5.5 V
VPVR = 3 V
−40 °C23.5 ns20.6 ns20.8 ns21.1 ns18.7 ns
25 °C29.0 ns25.6 ns25.8 ns26.1 ns23.3 ns
125 °C37.2 ns33.1 ns33.1 ns33.5 ns30.0 ns
VDD = 2.5 V
VPVR = 2.5 V
−40 °C30.7 ns26.2 ns26.4 ns27.0 ns23.2 ns
25 °C37.6 ns32.3 ns32.5 ns33.1 ns29.9 ns
125 °C47.2 ns41.0 ns41.1 ns41.7 ns36.4 ns
(b)
Temp.SSSFTTFSFF
VDD = 5.5 V
VPVR = 3 V
−40 °C35.5 ns37.9 ns38.9 ns40.2 ns43.5 ns
25 °C36.6 ns39.0 ns40.0 ns41.4 ns44.8 ns
125 °C38.4 ns40.9 ns41.9 ns43.2 ns46.9 ns
VDD = 2.5 V
VPVR = 2.5 V
−40 °C28.8 ns29.7 ns30.8 ns32.2 ns34.3 ns
25 °C29.9 ns30.9 ns32.0 ns33.4 ns35.6 ns
125 °C31.7 ns32.9 ns33.9 ns35.2 ns37.7 ns
Table 9. Comparison of pumping capacitor sizes of VPP, VNN, and VNNL charge pump circuits corresponding to each inverter type for the ring oscillator.
Table 9. Comparison of pumping capacitor sizes of VPP, VNN, and VNNL charge pump circuits corresponding to each inverter type for the ring oscillator.
Charge PumpCMOS InverterStarved Inverter
VPP7.5 μm/10 μm5.2 μm/10 μm
VNN39 μm/6.1 μm39 μm/5 μm
VNNL45 μm/4.5 μm35 μm/4.5 μm
Table 10. Results of ripple voltage simulation for VPP, VNN, and VNNL of charge pump circuits corresponding to each inverter type for the ring oscillator.
Table 10. Results of ripple voltage simulation for VPP, VNN, and VNNL of charge pump circuits corresponding to each inverter type for the ring oscillator.
Charge PumpCMOS InverterStarved Inverter
VPP0.529 V0.406 V
VNN0.350 V0.279 V
VNNL0.411 V0.213 V
Disclaimer/Publisher’s Note: The statements, opinions and data contained in all publications are solely those of the individual author(s) and contributor(s) and not of MDPI and/or the editor(s). MDPI and/or the editor(s) disclaim responsibility for any injury to people or property resulting from any ideas, methods, instructions or products referred to in the content.

Share and Cite

MDPI and ACS Style

Li, L.; Kwon, S.; Kim, D.; Kim, D.; Ha, P.; Lee, D.; Kim, Y. Design of Multi-Time Programmable Intellectual Property with Built-In Error Correction Code Function Based on Bipolar–CMOS–DMOS Process. Electronics 2025, 14, 68. https://doi.org/10.3390/electronics14010068

AMA Style

Li L, Kwon S, Kim D, Kim D, Ha P, Lee D, Kim Y. Design of Multi-Time Programmable Intellectual Property with Built-In Error Correction Code Function Based on Bipolar–CMOS–DMOS Process. Electronics. 2025; 14(1):68. https://doi.org/10.3390/electronics14010068

Chicago/Turabian Style

Li, Longhua, Soonwoo Kwon, Dohoon Kim, Dongseob Kim, Panbong Ha, Doojin Lee, and Younghee Kim. 2025. "Design of Multi-Time Programmable Intellectual Property with Built-In Error Correction Code Function Based on Bipolar–CMOS–DMOS Process" Electronics 14, no. 1: 68. https://doi.org/10.3390/electronics14010068

APA Style

Li, L., Kwon, S., Kim, D., Kim, D., Ha, P., Lee, D., & Kim, Y. (2025). Design of Multi-Time Programmable Intellectual Property with Built-In Error Correction Code Function Based on Bipolar–CMOS–DMOS Process. Electronics, 14(1), 68. https://doi.org/10.3390/electronics14010068

Note that from the first issue of 2016, this journal uses article numbers instead of page numbers. See further details here.

Article Metrics

Back to TopTop