Steady-State Analysis of Asymmetrical Pulse-Width-Modulated Series Resonant Converter for Light Load Condition
Abstract
1. Introduction
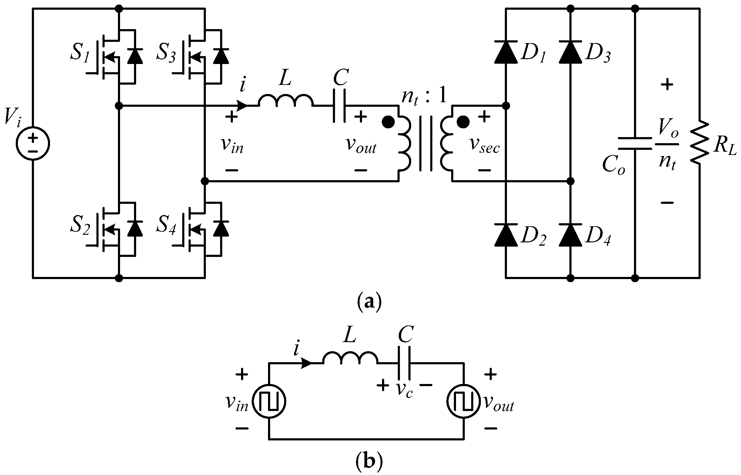
2. Steady-State Analysis Based on the LBT
2.1. CCM Analysis
2.2. DCM Analysis
3. Operational Mode Range
4. Simulation and Experimental Results
5. Conclusions
Funding
Data Availability Statement
Conflicts of Interest
References
- Steigerwald, R.L. A comparison of half-bridge resonant converter topologies. IEEE Trans. Power Electron. 1988, 3, 174–182. [Google Scholar] [CrossRef]
- Yang, E.X.; Lee, F.C.; Jovanovic, M.M. Small-signal modeling of series and parallel resonant converters. In Proceedings of the APEC ‘92 Seventh Annual Applied Power Electronics Conference and Exposition, Boston, MA, USA, 23–27 February 1992; pp. 785–792. [Google Scholar]
- Ngo, K.D.T. Analysis of a series resonant converter pulse width-modulated or current-controlled for low switching loss. IEEE Trans. Power Electron. 1988, 3, 55–63. [Google Scholar] [CrossRef]
- Jang, Y.; Jovanovic, M.M.; Chang, Y.-M. A new ZVS-PWM full-bridge converter. IEEE Trans. Power Electron. 2003, 18, 1122–1129. [Google Scholar] [CrossRef]
- Jang, Y.; Jovanovic, M.M. A new family of full-bridge ZVS converters. IEEE Trans. Power Electron. 2004, 19, 701–708. [Google Scholar] [CrossRef]
- Mudiyanselage, G.A.; Keshmiri, N.; Emadi, A. A Review of DC-DC Resonant Converter Topologies and Control Techniques for Electric Vehicle Applications. IEEE Open J. Power Electron. 2023, 4, 945–964. [Google Scholar] [CrossRef]
- Zhang, T.; Wang, H.; Guo, B.; Fang, A.; Qu, J. Hybrid Control Strategy of Series Resonant DC/DC Converter for Realizing Active Soft Switch. IEEE Trans. Ind. Appl. 2024, 60, 1172–1182. [Google Scholar] [CrossRef]
- Jain, P.K.; St-Martin, A.; Edwards, G. Asymmetrical pulse-width-modulated resonant DC/DC converter topologies. IEEE Trans. Power Electron. 1996, 11, 413–422. [Google Scholar] [CrossRef]
- Molla-Ahmadian, H.; Karimpour, A.; Pariz, N.; Tahami, F. Hybrid Modeling of a DC-DC Series Resonant Converter: Direct Piecewise Affine Approach. IEEE Trans. Circuits Syst. I Regul. Pap. 2012, 59, 3112–3120. [Google Scholar] [CrossRef]
- Ryu, S.-H.; Kim, D.-H.; Kim, M.-J.; Kim, J.-S.; Lee, B.-K. Adjustable Frequency–Duty-Cycle Hybrid Control Strategy for Full-Bridge Series Resonant Converters in Electric Vehicle Chargers. IEEE Trans. Ind. Electron. 2014, 61, 5354–5362. [Google Scholar]
- Vorperian, V.; Cuk, S. A complete DC analysis of the series resonant converter. In Proceedings of the 1982 IEEE Power Electronics Specialists Conference, Cambridge, MA, USA, 14–17 June 1982; pp. 85–100. [Google Scholar]
- Oruganti, R.; Lee, F.C. Resonant Power Processors, Part I—State Plane Analysis. IEEE Trans. Ind. Appl. 1985, IA-21, 1453–1460. [Google Scholar] [CrossRef]
- Wittulski, A.F.; Erickson, R.W. Steady-State Analysis of the Series Resonant Converter. IEEE Trans. Aerosp. Electron. Syst. 1985, AES-21, 791–799. [Google Scholar] [CrossRef]
- Wittulski, A.F.; Erickson, R.W. Design of the Series Resonant Converter for Minimum Component Stress. IEEE Trans. Aerosp. Electron. Syst. 1986, AES-22, 356–363. [Google Scholar] [CrossRef]
- Fei, C.; Lee, F.C.; Li, Q. Digital Implementation of Soft Start-Up and Short-Circuit Protection for High-Frequency LLC Converters with Optimal Trajectory Control (OTC). IEEE Trans. Power Electron. 2017, 32, 8008–8017. [Google Scholar] [CrossRef]
- Rezayati, M.; Tahami, F.; Schanen, J.-L.; Sarrazin, B. Generalized State-Plane Analysis of Bidirectional CLLC Resonant Converter. IEEE Trans. Power Electron. 2022, 37, 5773–5785. [Google Scholar] [CrossRef]
- Jiang, H.-J.; Maggetto, G.; Lataire, P. Steady-state analysis of the series resonant DC-DC converter in conjunction with loosely coupled transformer-above resonance operation. IEEE Trans. Power Electron. 1999, 14, 469–480. [Google Scholar] [CrossRef]
- Daryaei, M.; Ebrahimi, M.; Khajehoddin, S.A. Alternative Approach to Analysis and Design of Series Resonant Converter at Steady State. IEEE Trans. Ind. Electron. 2019, 66, 4424–4435. [Google Scholar] [CrossRef]
- Daryaei, M.; Khajehoddin, S.A.; Mashreghi, J.; Afridi, K.K. A New Approach to Steady-State Modeling, Analysis, and Design of Power Converters. IEEE Trans. Power Electron. 2021, 36, 12746–12768. [Google Scholar] [CrossRef]
- Kazimierczuk, M.K.; Wang, S. Frequency-domain analysis of series resonant converter for continuous conduction mode. IEEE Trans. Power Electron. 1992, 7, 270–279. [Google Scholar] [CrossRef]
- Bhat, A.K.S. A generalized steady-state analysis of resonant converters using two-port model and Fourier-series approach. IEEE Trans. Power Electron. 1998, 13, 142–151. [Google Scholar] [CrossRef]
- Forsyth, A.J.; Ward, G.A.; Mollov, S.V. Extended fundamental frequency analysis of the LCC resonant converter. IEEE Trans. Power Electron. 2003, 18, 1286–1292. [Google Scholar] [CrossRef]
- Ivensky, G.; Bronshtein, S.; Abramovitz, A. Approximate Analysis of Resonant LLC DC-DC Converter. IEEE Trans. Power Electron. 2011, 26, 3274–3284. [Google Scholar] [CrossRef]










| 10 V | 100 V | ||
| 5.2 µH | 1 µF | ||
| 1/24 | 85 kHz () | ||
| 40 µF | 100 kHz () |
Disclaimer/Publisher’s Note: The statements, opinions and data contained in all publications are solely those of the individual author(s) and contributor(s) and not of MDPI and/or the editor(s). MDPI and/or the editor(s) disclaim responsibility for any injury to people or property resulting from any ideas, methods, instructions or products referred to in the content. |
© 2024 by the author. Licensee MDPI, Basel, Switzerland. This article is an open access article distributed under the terms and conditions of the Creative Commons Attribution (CC BY) license (https://creativecommons.org/licenses/by/4.0/).
Share and Cite
Lee, K.-J. Steady-State Analysis of Asymmetrical Pulse-Width-Modulated Series Resonant Converter for Light Load Condition. Electronics 2025, 14, 63. https://doi.org/10.3390/electronics14010063
Lee K-J. Steady-State Analysis of Asymmetrical Pulse-Width-Modulated Series Resonant Converter for Light Load Condition. Electronics. 2025; 14(1):63. https://doi.org/10.3390/electronics14010063
Chicago/Turabian StyleLee, Kui-Jun. 2025. "Steady-State Analysis of Asymmetrical Pulse-Width-Modulated Series Resonant Converter for Light Load Condition" Electronics 14, no. 1: 63. https://doi.org/10.3390/electronics14010063
APA StyleLee, K.-J. (2025). Steady-State Analysis of Asymmetrical Pulse-Width-Modulated Series Resonant Converter for Light Load Condition. Electronics, 14(1), 63. https://doi.org/10.3390/electronics14010063

