Circulating Current Suppression Combined with APF Current Control for the Suppression of MMC Voltage Fluctuations
Abstract
1. Introduction
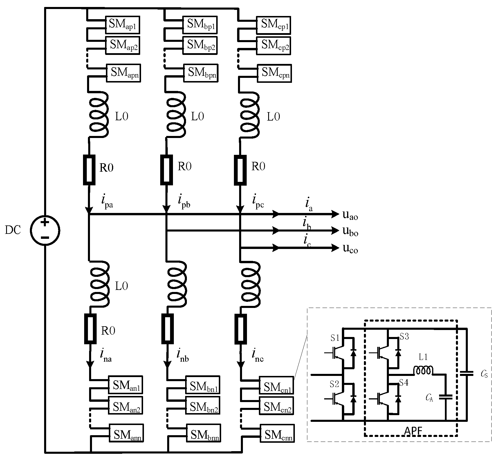
2. MMC Sub-Module Circulating Current and Voltage Fluctuation Analysis
3. Sub-Module Capacitor Voltage Fluctuation Suppression
3.1. Sub-Module Voltage Fluctuation Suppression with Circulating Current Suppressor
3.2. Sub-Module Voltage Fluctuation Suppression by Adding Active Filter
4. Simulation Verification
5. Conclusions
Author Contributions
Funding
Data Availability Statement
Conflicts of Interest
References
- Debnath, S.; Qin, J.; Bahrani, B.; Saeedifard, M.; Barbosa, P. Operation, control, and applications of the modular multilevel converter: A review. IEEE Trans. Power Electron. 2014, 30, 37–53. [Google Scholar] [CrossRef]
- Martinez-Rodrigo, F.; Ramirez, D.; Rey-Boue, A.B.; De Pablo, S.; Herrero-de Lucas, L.C. Modular multilevel converters: Control and applications. Energies 2017, 10, 1709. [Google Scholar] [CrossRef]
- Kok, C.L.; Siek, L. Designing a Twin Frequency Control DC-DC Buck Converter Using Accurate Load Current Sensing Technique. Electronics 2023, 13, 45. [Google Scholar] [CrossRef]
- Zhang, Y.; Ravishankar, J.; Fletcher, J.; Li, R.; Han, M. Review of Modular Multilevel Converter Based Multi-Terminal HVDC Systems for Offshore Wind Power Transmission. Renew. Sustain. Energy Rev. 2016, 61, 572–586. [Google Scholar] [CrossRef]
- Nami, A.; Liang, J.; Dijkhuizen, F.; Demetriades, G.D. Modular Multilevel Converters for HVDC Applications: Review on Converter Cells and Functionalities. IEEE Trans. Power Electron. 2014, 30, 18–36. [Google Scholar] [CrossRef]
- Perez, M.A.; Ceballos, S.; Konstantinou, G.; Pou, J.; Aguilera, R.P. Modular Multilevel Converters: Recent Achievements and Challenges. IEEE Open J. Ind. Electron. Soc. 2021, 2, 224–239. [Google Scholar] [CrossRef]
- Camurca, L.; Pereira, T.; Hoffmann, F.; Liserre, M. Analysis, Limitations, and Opportunities of Modular Multilevel Converter-Based Architectures in Fast Charging Stations Infrastructures. IEEE Trans. Power Electron. 2022, 37, 10747–10760. [Google Scholar] [CrossRef]
- Ahmed, N.; Norrga, S.; Nee, H.P.; Haider, A.; Van Hertem, D.; Zhang, L.; Harnefors, L. HVDC SuperGrids with Modular Multilevel Converters—The Power Transmission Backbone of the Future. In Proceedings of the International Multi-Conference on Systems, Signals & Devices, Chemnitz, Germany, 20–23 March 2012. [Google Scholar]
- Xu, J.; Zhao, P.; Zhao, C. Reliability Analysis and Redundancy Configuration of Mmc with Hybrid Submodule Topologies. IEEE Trans. Power Electron. 2015, 31, 2720–2729. [Google Scholar] [CrossRef]
- Deng, F.; Lü, Y.; Liu, C.; Heng, Q.; Yu, Q.; Zhao, J. Overview on Submodule Topologies, Modeling, Modulation, Control Schemes, Fault Diagnosis, and Tolerant Control Strategies of Modular Multilevel Converters. Chin. J. Electr. Eng. 2020, 6, 1–21. [Google Scholar] [CrossRef]
- Wang, J.; Han, X.; Ma, H.; Bai, Z. Analysis and Injection Control of Circulating Current for Modular Multilevel Converters. IEEE Trans. Ind. Electron. 2018, 66, 2280–2290. [Google Scholar] [CrossRef]
- Hossain, M.I.; Shafiullah, M.; Abido, M.A. Battery Power Control Strategy for Intermittent Renewable Energy Integrated Modular Multilevel Converter-Based High-Voltage Direct Current Network. Sustainability 2023, 15, 2626. [Google Scholar] [CrossRef]
- Oates, C. Modular Multilevel Converter Design for Vsc Hvdc Applications. IEEE J. Emerg. Sel. Top. Power Electron. 2014, 3, 505–515. [Google Scholar] [CrossRef]
- Yang, Z.; Zhang, K.; Li, X.; Li, Y.; Song, P. A Control Strategy for Suppressing Submodule Capacitor Voltage Fluctuation of Mmc Based on Circulating Current Voltage Drop Balance. IEEE Access 2021, 9, 9130–9141. [Google Scholar] [CrossRef]
- Liu, Z.; Zhao, J. Disturbance Interaction Analysis and Suppression Strategy of Mmc-Hvdc Systems Considering Sub-Module Capacitor Voltage Ripples. IEEE Trans. Power Syst. 2020, 36, 235–247. [Google Scholar] [CrossRef]
- Picas, R.; Pou, J.; Ceballos, S.; Agelidis, V.G.; Saeedifard, M. Minimization of the Capacitor Voltage Fluctuations of a Modular Multilevel Converter by Circulating Current Control. In Proceedings of the IECON 2012—38th Annual Conference on IEEE Industrial Electronics Society, Montreal, QC, Canada, 25–28 October 2012. [Google Scholar]
- Heng, Z. Suppression of Capacitor Voltagefluctuation in Mmc Sub Module Based Oncirculating Current Control. Bachelor’s Thesis, Wuhan University of Science and Technology, Wuhan, China, 2021. [Google Scholar]
- Xu, J.; Wang, J.; Yang, Y.; Wang, J.; Li, G. Optimal Suppression Strategy for Capacitor Voltage Ripples of Hybrid Mmcs under Unbalanced Grid Voltages. IEEE Trans. Power Deliv. 2022, 38, 244–254. [Google Scholar] [CrossRef]
- Fang, Z.; Zhang, G.; Chen, K. Circulating Current Suppressing Strategy for Modular Multilevel Converter Based Onlinear Active Disturbance Reiection Control. Proc. CSU-EPSA 2018, 30, 71–78. [Google Scholar]
- Song, F.; Lu, J. Suppression Strategy Study of Modular and Multilevel Circulating Current Based Onsecond-Order Generalized Integrator. Power Capacit. React. Power Compens. 2016, 37, 50–53. [Google Scholar]
- Zheng, Y.; Luo, Z.; Hua, L.; Li, C. Capacitor Voltage Fluctuation Suppression Strategy of Mmc Sub-Module Based on Double-Layer Circulating Current Control. In Proceedings of the 2024 4th International Conference on Electrical Engineering and Mechatronics Technology (ICEEMT), Hangzhou, China, 5–7 July 2024. [Google Scholar]
- Jia, G. Research on Sub-Module Capacitor Voltage Ripple Suppression of Modular Multilevel Converters with Active Power Filter Decoupling Circuit. Bachelor’s Thesis, Zhejiang University, Hangzhou, China, 2021. [Google Scholar]
- Jia, G.; Chen, M.; Tang, S.; Zhang, C.; Zhu, G. Active Power Decoupling for a Modified Modular Multilevel Converter to Decrease Submodule Capacitor Voltage Ripples and Power Losses. IEEE Trans. Power Electron. 2020, 36, 2835–2851. [Google Scholar] [CrossRef]
- Barva, A.V.; Joshi, S. A comprehensive survey on hybrid active power filter topologies & controller and application in Microgrid. In Proceedings of the 2022 IEEE Region 10 Symposium (TENSYMP), Mumbai, India, 1–3 July 2022; pp. 1–6. [Google Scholar]
- Demirdelen, T.; Inci, M.; Bayindir, K.Ç.; Tümay, M. Review of hybrid active power filter topologies and controllers. In Proceedings of the 4th International Conference on Power Engineering, Energy and Electrical Drives, Istanbul, Turkey, 13–17 May 2013; pp. 587–592. [Google Scholar]
- Su, H. Low-Freouency Ripple Suppressionbased on Active Power Decouplingfor Modular Multilevel Convertersub-Module Capacitors. Bachelor’s Thesis, Southwest Jiaotong University, Chengdu, China, 2022. [Google Scholar]
- Kong, Z.; Huang, X.; Wang, Z.; Xiong, J.; Zhang, K. Active Power Decoupling for Submodules of a Modular Multilevel Converter. IEEE Trans. Power Electron. 2017, 33, 125–136. [Google Scholar] [CrossRef]
- Zhou, Y.; Jiang, D.; Guo, J.; Liang, Y.; Hu, P. Analysis of Sub-Module Capacitor Voltage Ripples and Circulating Currents in modular Multilevel Converters. Proc. CSEE 2012, 32, 8–14. [Google Scholar]
- Xie, D.; Lin, C.; Deng, Q.; Lin, H.; Cai, C.; Basler, T.; Ge, X. Simple vector calculation and constraint-based fault-tolerant control for a single-phase CHBMC. IEEE Trans. Power Electron. 2024, 40, 2028–2041. [Google Scholar] [CrossRef]
- Wang, J.; Liang, J.; Wang, C.; Dong, X. Circulating current suppression for MMC-HVDC under unbalanced grid conditions. IEEE Trans. Ind. Appl. 2017, 53, 3250–3259. [Google Scholar] [CrossRef]
- Yang, Z.; Song, P.; Song, J.; Wang, X.; Li, X. An MMC circulating current suppressing controller based on bridge arm common-mode voltage. IEEE Access 2020, 8, 189471–189478. [Google Scholar] [CrossRef]
- Yang, L.; Li, Y.; Li, Z.; Wang, P.; Xu, S.; Gou, R. Loss optimization of MMC by second-order harmonic circulating current injection. IEEE Trans. Power Electron. 2017, 33, 5739–5753. [Google Scholar] [CrossRef]
- Yang, W.; Song, Q.; Xu, S.; Rao, H.; Liu, W. An MMC topology based on unidirectional current H-bridge submodule with active circulating current injection. IEEE Trans. Power Electron. 2017, 33, 3870–3883. [Google Scholar] [CrossRef]
- Li, S.; Wang, X.; Yao, Z.; Li, T.; Peng, Z. Circulating current suppressing strategy for MMC-HVDC based on nonideal proportional resonant controllers under unbalanced grid conditions. IEEE Trans. Power Electron. 2014, 30, 387–397. [Google Scholar] [CrossRef]
- Deng, F.; Heng, Q.; Liu, C.; Lyu, Y.; Wang, Q.; Liu, D.; Zhu, R. Circulating current suppression for MMC-HVDC systems with asymmetric arm impedance. CSEE J. Power Energy Syst. 2020, 7, 530–540. [Google Scholar]
- Ruderman, M.; Bertram, T. Variable proportional-integral-resonant (PIR) control of actuators with harmonic disturbances. In Proceedings of the 2013 IEEE International Conference on Mechatronics (ICM), Vicenza, Italy, 27 February–1 March 2013; pp. 847–852. [Google Scholar]
- Ramírez, A.; Mondié, S.; Garrido, R.; Sipahi, R. Design of proportional-integral-retarded (PIR) controllers for second-order LTI systems. IEEE Trans. Autom. Control 2015, 61, 1688–1693. [Google Scholar] [CrossRef]
- Twumasi, C.; Dotche, K.A.; Banuenumah, W.; Sekyere, F. Energy saving system using a PIR sensor for classroom monitoring. In Proceedings of the 2017 IEEE PES PowerAfrica, Accra, Ghana, 27–30 June 2017; pp. 347–351. [Google Scholar]
- Yurkevich, V.D. PIR-controller design based on time-scale separation method and internal model principle for harmonics disturbanes suppression. Optoelectron. Instrum. Data Process. 2021, 57, 363–370. [Google Scholar] [CrossRef]
- Ghetti, F.T.; Ferreira, A.A.; Braga, H.A.; Barbosa, P.G. A study of shunt active power filter based on modular multilevel converter (MMC). In Proceedings of the 2012 10th IEEE/IAS International Conference on Industry Applications, Fortaleza, Brazil, 5–7 November 2012; pp. 1–6. [Google Scholar]
- Man, J.; Chen, L.; Terzija, V.; Xie, X. Mitigating high-frequency resonance in MMC-HVDC systems using adaptive notch filters. IEEE Trans. Power Syst. 2021, 37, 2086–2096. [Google Scholar] [CrossRef]
- Jia, G.; Li, M.; Chen, L.; Shi, B.; Niu, F.; Tang, Y. A modular multilevel converter with active power filter (APF-MMC) under low-frequency operation. J. Power Electron. 2024, 24, 721–733. [Google Scholar] [CrossRef]


















| Parameters | Value | Parameters | Value |
|---|---|---|---|
| capacity: P | 5 MW | Equivalent resistance of bridge arm: R0 | 0.05 Ω |
| modulation ratio: m | 0.88 | Rated capacitor voltage: | 1700 V |
| electric level: N | 25 | SM switching frequency: fs | 20 kHz |
| APF capacitors: | 0.8 mF | SM capacitance value: | 2 mf |
| APF equivalent resistance: RA | 0.05 Ω | Bridge Arm Inductors: L0 | 40 mH |
| Rated DC voltage: | 20 kV | Rated output voltage: U | 8 kV |
| Rated frequency: f | 50 Hz | MMC modulation | NLM |
| APF inductor: L1 | 20 mH | APF switching frequency: | 5 kHz |
| Research Target | Uncontrolled | CCSC | APF + CCSC |
|---|---|---|---|
| Circulation content/A | 296 | 28 | 13 |
| Voltage fluctuation/V Bridge arm current THD | 331 67.91% | 256 1.46% | 13 1.41% |
| Output voltage THD | 5.71% | 5.34% | 4.77% |
Disclaimer/Publisher’s Note: The statements, opinions and data contained in all publications are solely those of the individual author(s) and contributor(s) and not of MDPI and/or the editor(s). MDPI and/or the editor(s) disclaim responsibility for any injury to people or property resulting from any ideas, methods, instructions or products referred to in the content. |
© 2024 by the authors. Licensee MDPI, Basel, Switzerland. This article is an open access article distributed under the terms and conditions of the Creative Commons Attribution (CC BY) license (https://creativecommons.org/licenses/by/4.0/).
Share and Cite
Huang, C.; Tian, Y.; Chen, J. Circulating Current Suppression Combined with APF Current Control for the Suppression of MMC Voltage Fluctuations. Electronics 2025, 14, 64. https://doi.org/10.3390/electronics14010064
Huang C, Tian Y, Chen J. Circulating Current Suppression Combined with APF Current Control for the Suppression of MMC Voltage Fluctuations. Electronics. 2025; 14(1):64. https://doi.org/10.3390/electronics14010064
Chicago/Turabian StyleHuang, Ci, Yizhi Tian, and Jie Chen. 2025. "Circulating Current Suppression Combined with APF Current Control for the Suppression of MMC Voltage Fluctuations" Electronics 14, no. 1: 64. https://doi.org/10.3390/electronics14010064
APA StyleHuang, C., Tian, Y., & Chen, J. (2025). Circulating Current Suppression Combined with APF Current Control for the Suppression of MMC Voltage Fluctuations. Electronics, 14(1), 64. https://doi.org/10.3390/electronics14010064

