A Magnetic Integration Mismatch Suppression Strategy for Parallel SiC Power Devices Applications
Abstract
1. Introduction
2. Operating Principle of the Proposed Strategy
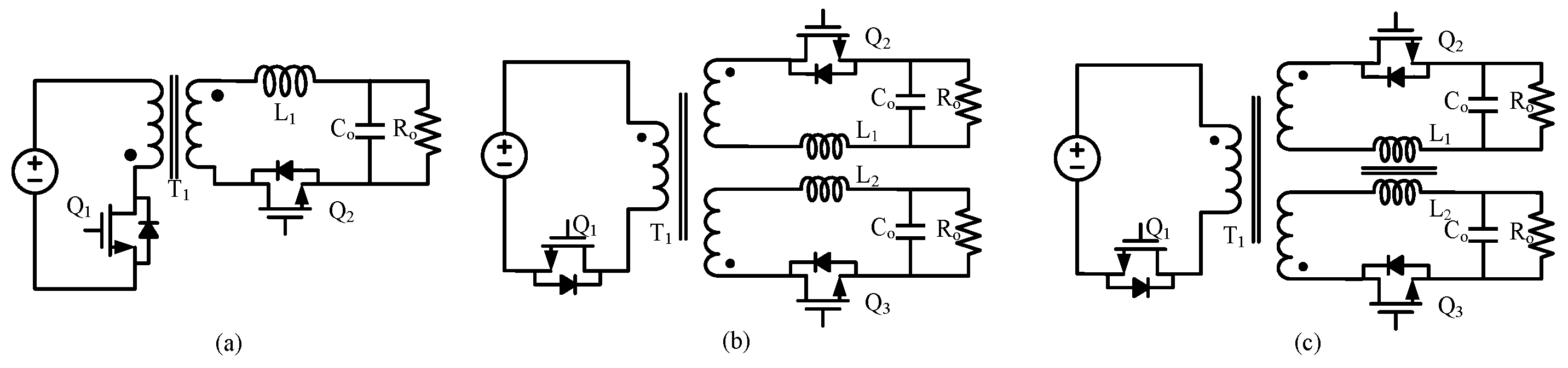
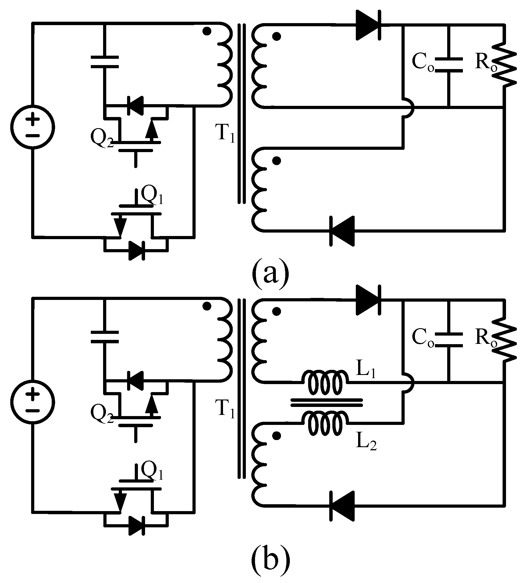
2.1. The Topology Evolution
2.2. The Operational Principle of the Coupled Inductance
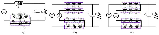
3. Coupled Inductance Magnetic Device Design
3.1. Magnetically Integrated Flux Analysis
3.2. The Simulation of the Magnetic Integration
4. Experimental Results
4.1. Verification of the Magnetic Integrated Transformer
4.2. Verification of Suppression Strategy
5. Conclusions
Author Contributions
Funding
Data Availability Statement
Conflicts of Interest
References
- Millán, J.; Godignon, P.; Perpiñà, X.; Pérez-Tomás, A.; Rebollo, J. A Survey of Wide Bandgap Power Semiconductor Devices. IEEE Trans. Power Electron. 2014, 29, 2155–2163. [Google Scholar] [CrossRef]
- Palmour, J.W. Silicon carbide power device development for industrial markets. In Proceedings of the 2014 IEEE International Electron Devices Meeting, San Francisco, CA, USA, 15–17 December 2014; pp. 1.1.1–1.1.8. [Google Scholar] [CrossRef]
- Song, Q.; Yang, S.; Tang, G.; Han, C.; Zhang, Y.; Tang, X.; Zhang, Y.; Zhang, Y. 4H-SiC Trench MOSFET With L-Shaped Gate. IEEE Electron Device Lett. 2016, 37, 463–466. [Google Scholar] [CrossRef]
- She, X.; Huang, A.Q.; Lucía, O.; Ozpineci, B. Review of Silicon Carbide Power Devices and Their Applications. IEEE Trans. Ind. Electron. 2017, 64, 8193–8205. [Google Scholar] [CrossRef]
- Song, Q.; Yuan, H.; Sun, Q.; Han, C.; Tang, X.; Zhang, Y.; Yuan, L.; Yang, S.; Zhang, Y. Reverse-Bias Stress-Induced Electrical Parameters Instability in 4H-SiC JBS Diodes Terminated Nonequidistance FLRs. IEEE Trans. Electron Devices 2019, 66, 3935–3939. [Google Scholar] [CrossRef]
- Jiang, X.; Zhang, Y.; Zhang, Y.; Song, Q.; Tang, X. A 1MHz Gate Driver for Parallel Connected SiC MOSFETs with Protection Circuit. In Proceedings of the 2018 1st Workshop on Wide Bandgap Power Devices and Applications in Asia (WiPDA Asia), Xi’an, China, 17–19 May 2018; pp. 6–11. [Google Scholar] [CrossRef]
- Zhang, Y.; Rong, G.; Qu, S.; Song, Q.; Tang, X.; Zhang, Y. A High-Power LED Driver Based on Single Inductor-Multiple Output DC–DC Converter With High Dimming Frequency and Wide Dimming Range. IEEE Trans. Power Electron. 2020, 35, 8501–8511. [Google Scholar] [CrossRef]
- Nakamura, Y.; Shintani, M.; Sato., T. Dominant Model Parameter Extraction for Analyzing Current Imbalance in Parallel Connected SiC MOSFETs. In Proceedings of the 2021 IEEE Energy Conversion Congress and Exposition (ECCE), Vancouver, BC, Canada, 10–14 October 2021; pp. 5622–5628. [Google Scholar] [CrossRef]
- Colmenares, J.; Peftitsis, D.; Nee, H.P.; Rabkowski, J. Switching performance of parallel-connected power modules with SiC MOSFETs. In Proceedings of the 2014 International Power Electronics Conference (IPEC-Hiroshima 2014—ECCE ASIA), Hiroshima, Japan, 18–21 May 2014; pp. 3712–3717. [Google Scholar]
- Fabre, J.; Ladoux, P. Parallel connection of SiC MOSFET modules for future use in traction converters. In Proceedings of the 2015 International Conference on Electrical Systems for Aircraft, Railway, Ship Propulsion and Road Vehicles (ESARS), Aachen, Germany, 3–5 March 2015; pp. 1–6. [Google Scholar]
- Nakamura, Y.; Kuroda, N.; Yamaguchi, A.; Nakahara, K.; Shintani, M.; Sato, T. Influence of Device Parameter Variability on Current Sharing of Parallel-Connected SiC MOSFETs. In Proceedings of the 2020 IEEE 29th Asian Test Symposium (ATS), Penang, Malaysia, 23–26 November 2020; pp. 1–6. [Google Scholar]
- Sadik, D.P.; Colmenares, J.; Peftitsis, D.; Lim, J.K.; Rabkowski, J.; Nee, H.P. Experimental investigations of static and transient current sharing of parallel-connected silicon carbide MOSFETs. In Proceedings of the 2013 15th European Conference on Power Electronics and Applications (EPE), Lille, France, 2–6 September 2013; pp. 1–10. [Google Scholar]
- Wang, G.; Mookken, J.; Rice, J.; Schupbach, M. Dynamic and static behavior of packaged silicon carbide MOSFETs in paralleled applications. In Proceedings of the 2014 IEEE Applied Power Electronics Conference and Exposition—APEC 2014, Fort Worth, TX, USA, 16–20 March 2014; pp. 1478–1483. [Google Scholar]
- Ke, J.; Zhao, Z.; Sun, P.; Huang, H.; Abuogo, J.; Cui, X. Chips Classification for Suppressing Transient Current Imbalance of Parallel-Connected Silicon Carbide MOSFETs. IEEE Trans. Power Electron. 2020, 35, 3963–3972. [Google Scholar] [CrossRef]
- Hua, M.; Li, R.; Chen, H.; Zhou, X.; Jiang, H. Avalanche capability degradation of the parallel-connected SiC MOSFETs, Microelectronics Reliability. Microelectron. Reliab. 2023, 142, 114926. [Google Scholar]
- Ding, S.; Wang, P.; Wang, W.; Xu, D.; Blaabjerg, F. Current Sharing Behavior of Parallel Connected Silicon Carbide MOSFETs Influenced by Parasitic Inductance. In Proceedings of the 2019 10th International Conference on Power Electronics and ECCE Asia, Busan, Republic of Korea, 27–30 May 2019; pp. 2846–2852. [Google Scholar]
- Du, Z.; Sang, L.; Tian, L.; Zhang, W.; Wu, P.; Zhang, Y.; Zhao, Z.; Yang, F. Dispersion analysis of dynamic and static characteristic parameters of 1200V SiC MOSFET. In Proceedings of the 2021 IEEE 1st International Power Electronics and Application Symposium, Shanghai, China, 13–15 November 2021; pp. 1–4. [Google Scholar]
- Haihong, Q.; Ying, Z.; Ziyue, Z.; Dan, W.; Dafeng, F.; Shishan, W.; Chaohui, Z. Influences of circuit mismatch on paralleling silicon carbide MOSFETs. In Proceedings of the 2017 12th IEEE Conference on Industrial Electronics and Applications (ICIEA), Siem Reap, Cambodia, 18–20 June 2017; pp. 556–561. [Google Scholar]
- Bertelshofer, T.; März, A.; Bakran, M.M. Modelling parallel SiC MOSFETs: Thermal selfstabilisation vs. switching imbalances. IET Power Electron. 2019, 12, 1071–1078. [Google Scholar] [CrossRef]
- Liu, Y.; Dai, X.; Jiang, X.; Zeng, Z.; Qi, F.; Liu, Y.; Ke, P.; Wang, Y.; Wang, J. A New Screening Method for Alleviating Transient Current Imbalance of Paralleled SiC MOSFETs. In Proceedings of the 2020 IEEE 1st China International Youth Conference on Electrical Engineering (CIYCEE), Wuhan, China, 1–4 November 2020; pp. 1–6. [Google Scholar] [CrossRef]
- Zhang, Y.; Song, Q.; Tang, X.; Zhang, Y. Gate driver for parallel connection SiC MOSFETs with over-current protection and dynamic current balancing scheme. J. Power Electron. 2020, 20, 319–328. [Google Scholar] [CrossRef]
- Lin, B.R.; Lin, Y. Parallel current-fed resonant converter with balance current sharing and no input ripple current. IET Power Electron. 2019, 12, 212–219. [Google Scholar] [CrossRef]



















| Characters | Value |
|---|---|
| Input voltage | 100 V |
| Output voltage | 12 V |
| Output current | 10A |
| Single branch current | 5 A |
| Output voltage ripple | 0.5 V |
| Output capacitance | 470 μF |
| Single branch filter inductance | 2.2 μH |
| Winding | Width | Copper Thickness |
|---|---|---|
| Primary winding | 2 mm | 70 μm |
| Secondary winding1 | 4.2 mm | 70 μm |
| Secondary winding2 | 4.2 mm | 70 μm |
| Auxiliary winding1 | 4.2 mm | 70 μm |
| Auxiliary winding1 | 4.2 mm | 70 μm |
| Primary | Secondary1 | Secondary2 | |
|---|---|---|---|
| Primary | 1 | 0.991 | 0.991 |
| Secondary1 | 0.991 | 1 | 0.984 |
| Secondary2 | 0.991 | 0.984 | 1 |
| Primary | Secondary1 | Secondary2 | Auxiliary1 | Auxiliary2 | |
|---|---|---|---|---|---|
| Primary | 1 | 0.992 | 0.992 | 0.030 | 0.027 |
| Secondary1 | 0.992 | 1 | 0.984 | 0.048 | 0.027 |
| Secondary2 | 0.992 | 0.984 | 1 | 0.031 | 0.024 |
| Auxiliary1 | 0.030 | 0.048 | 0.031 | 1 | 0.150 |
| Auxiliary2 | 0.027 | 0.027 | 0.024 | 0.150 | 1 |
| Primary | Secondary1 | Secondary2 | Auxiliary1 | Auxiliary2 | |
|---|---|---|---|---|---|
| Primary | 1 | 0.998 | 0.998 | 0.027 | 0.025 |
| Secondary1 | 0.998 | 1 | 0.994 | 0.021 | 0.026 |
| Secondary2 | 0.998 | 0.994 | 1 | 0.025 | 0.022 |
| Auxiliary1 | 0.027 | 0.021 | 0.025 | 1 | 0.210 |
| Auxiliary2 | 0.025 | 0.026 | 0.022 | 0.210 | 1 |
| Characteristics | ASD10120C | MUR1520 |
|---|---|---|
| Repetitive Peak Reverse Voltage | 1200 V | 200 V |
| Forward Voltage @ 10 A | 1.6 V | 0.9 V |
| Average Rectified Forward Current | 29 A | 15 A |
Disclaimer/Publisher’s Note: The statements, opinions and data contained in all publications are solely those of the individual author(s) and contributor(s) and not of MDPI and/or the editor(s). MDPI and/or the editor(s) disclaim responsibility for any injury to people or property resulting from any ideas, methods, instructions or products referred to in the content. |
© 2024 by the authors. Licensee MDPI, Basel, Switzerland. This article is an open access article distributed under the terms and conditions of the Creative Commons Attribution (CC BY) license (https://creativecommons.org/licenses/by/4.0/).
Share and Cite
Sun, S.; Liu, J.; Chen, L.; Lu, Z.; Wang, Y.; Yang, W.; Sun, Y.; Guo, H. A Magnetic Integration Mismatch Suppression Strategy for Parallel SiC Power Devices Applications. Electronics 2024, 13, 954. https://doi.org/10.3390/electronics13050954
Sun S, Liu J, Chen L, Lu Z, Wang Y, Yang W, Sun Y, Guo H. A Magnetic Integration Mismatch Suppression Strategy for Parallel SiC Power Devices Applications. Electronics. 2024; 13(5):954. https://doi.org/10.3390/electronics13050954
Chicago/Turabian StyleSun, Shikai, Jialin Liu, Lei Chen, Zhenlin Lu, Yuan Wang, Wenhao Yang, Yuyin Sun, and Hui Guo. 2024. "A Magnetic Integration Mismatch Suppression Strategy for Parallel SiC Power Devices Applications" Electronics 13, no. 5: 954. https://doi.org/10.3390/electronics13050954
APA StyleSun, S., Liu, J., Chen, L., Lu, Z., Wang, Y., Yang, W., Sun, Y., & Guo, H. (2024). A Magnetic Integration Mismatch Suppression Strategy for Parallel SiC Power Devices Applications. Electronics, 13(5), 954. https://doi.org/10.3390/electronics13050954

