Next Article in Journal
Design and Analysis of a Direct Current–Based Ice Melting System for an Overhead Contact System in Electrified Railways
Next Article in Special Issue
TinyML-Based Real-Time Doorway Activity Recognition with a Time-of-Flight Sensor
Previous Article in Journal
Secure Aggregation-Based Big Data Analysis and Power Prediction Model for Photovoltaic Systems: A Multi-Layered Approach
Previous Article in Special Issue
Design and Implementation of a Smart AC Current Source for Impedance Spectroscopy Using ARM Microcontrollers
 
 
Font Type:
Arial Georgia Verdana
Font Size:
Aa Aa Aa
Line Spacing:
Column Width:
Background:
Article

Development and Application of a Safety-Related Control System Implementing a Safety Function for a CNC Milling Machine

by
Jozef Brtiš
,
Juraj Ždánsky
,
Jozef Hrbček
* and
Karol Rástočný
Department of Control and Information Systems, Faculty of Electrical Engineering and Information Technology, University of Žilina, 010 26 Žilina, Slovakia
*
Author to whom correspondence should be addressed.
Electronics 2024, 13(24), 4870; https://doi.org/10.3390/electronics13244870
Submission received: 25 October 2024 / Revised: 27 November 2024 / Accepted: 1 December 2024 / Published: 10 December 2024
(This article belongs to the Special Issue Embedded Systems and Microcontroller Smart Applications)

Abstract

The safety of small CNC (Computer Numerical Control) milling machines is typically ensured through organizational measures. However, when such a CNC milling machine is used in a manner that may involve contact with untrained individuals or children (e.g., for demonstration purposes), it becomes essential to ensure safety through appropriate technical measures. The required safety can be achieved by implementing safety functions to mitigate identified hazards. This paper addresses the design and application of a Safety-Related Control System (SRCS) that implements safety functions for a small CNC milling machine. A notable aspect of this implementation is that commonly available sensors (e.g., optical barriers) with a defined Safety Integrity Level (SIL) are unsuitable for small CNC milling machines in size, cost, and performance parameters. For instance, these sensors might fail to detect the entry of a child’s hand. Consequently, it was necessary to design suitable custom sensors for realizing an SRCS. The paper also demonstrates the achieved SIL for the implemented safety functions.

1. Introduction

The safety of CNC milling machines has been addressed in several studies, focusing on various aspects of safety, including organizational measures, structural improvements, operator training, and more. These studies, however, are almost exclusively concerned with professional-grade CNC milling machines. For example, to eliminate unwanted events during the operation of the CNC milling machine, such as hardware damage, the Analytic Hierarchy Process (AHP) approach can be utilized [1]. If it is necessary to evaluate the safety of several workplace configurations for CNC milling machines, a combined approach using AHP and TOPSIS (Technique for Order Performance by Similarity to Ideal Solution) methods may be applied [2]. Furthermore, the efficiency, cost-effectiveness, and overall sustainability levels of relevant safety measures can be assessed using the CART (Classification and Regression Tree Analysis) method [3].
This study differs from existing research by focusing on the hobby category of CNC milling machines and enhancing their safety. SIL is achieved by extending the original safety measures (which were previously purely organizational) with technical measures. This approach improves the safety of operators and any individuals who may come into contact with the CNC milling machine. Consequently, the machine can be used in conditions beyond those originally intended. The originality of this contribution lies in the technical measures implemented as safety functions within the SRCS, which is designed as an embedded system.
Embedded systems are utilized across a wide range of application domains (e.g., [4,5,6]), including the implementation of safety functions (e.g., [7,8]). The embedded system designed in this study belongs to the applications that implement safety functions using embedded system architectures.
The safety of machinery is addressed by the European Directive 2006/42/EC [9]. In 2023, a European Regulation (EU) 2023/1230 [10] was issued to gradually replace this directive (individual articles of the new regulation are being implemented progressively). Several standards are harmonized with this directive, which facilitates fulfilling its requirements for specific application areas, including safety in machinery applications. Compliance with these harmonized standards in each phase of a product’s life cycle is a fundamental prerequisite for the manufacturer to obtain the CE marking (from French, “Conformité Européenne” meaning “European Conformity”). This marking on commercial products indicates that the manufacturer or importer affirms the goods’ conformity with European health, safety, and environmental protection standards for the free movement of goods within the European Economic Area. CE marking is necessary for large industrial equipment and smaller machines, such as handheld electric tools and machines intended for domestic use. This is also the case for CNC milling machines designed for small single-purpose production or “hobby” CNC milling machines.
In our case, the CNC milling machine is used to produce various parts for research and development activities and laboratory workplace propagation. Particularly during workplace promotion, potentially hazardous situations may arise, especially because visitors (including children, in some cases) are not familiar with the organizational safety measures required during the operation of the CNC milling machine. These organizational measures are based on the risk analysis conducted by the machine manufacturer. However, changes in how the CNC milling machine is used can affect the risk analysis results and, consequently, the proposed safety measures. Therefore, after changing the operational use of the CNC milling machine, it was necessary to design measures that would mitigate the newly identified risks to a tolerable level—this can be achieved by conducting a risk analysis for the new operational conditions of the CNC milling machine.
The result is the implementation of an SRCS (Safety-Related Control System) as an embedded system integrated into the existing CNC milling machine. This system ensures safety through technical measures, thereby minimizing or eliminating the need for organizational safety measures. The impact of organizational measures on safety is addressed, for example, in the meta-analysis [11]. The technical measures do not require any or almost no instruction for people coming into contact with the CNC milling machine, and the work is performed continuously during the CNC milling machine’s operation. For example, the system automatically stops dangerous tool movements or other human body parts approaching a hazardous zone.
This paper discusses all phases of the SRCS life cycle, starting with the risk analysis of the CNC milling machine under new operational conditions and continuing through the design and technical implementation of the embedded system integrated with the CNC machine’s control system. It also provides proof of the achieved SIL of the implemented safety functions.

2. Materials and Methods

The development of an SRCS can be divided into several steps, collectively called the system life cycle. Figure 1 shows a diagram of the individual parts of the SRCS life cycle. Different methods can be used to achieve the goals of each part.
A matrix-based method was employed in the risk analysis to determine the required safety level for specific hazards. This method is applicable across various domains, and its calibration for the conditions of machine tools, as utilized in this study, is detailed in [12]. The risk analysis process is described in Section 3.
The Safety-Related Control System (SRCS) design is based on a widely accepted approach that divides the system into input, logic, and output subsystems. The interfaces between these subsystems must be defined, and the behavior of each subsystem must be precisely specified. This approach simplifies the design process and ensures the verifiability of individual system components.
The input and output sections were constructed using standard components and achieve safety through composite fail-safety techniques. While using commercially available components certified by the manufacturer for the required Safety Integrity Level (SIL) would simplify the design process, these components are dimensionally unsuitable for integration into the existing structure of the CNC milling machine. The architecture of the sensors, designed from standard components, required validation and the establishment of precise operating conditions for the projected 20-year SRCS lifespan. Section 8 focuses on safety evaluation and the establishment of these conditions.
Hardware components were designed using the EAGLE software version 9.6.2. The logic functionality was implemented via a safety PLC, whose safety was ensured by the manufacturer.
The software implementing the safety functions was organized into function blocks (FBs) with well-defined interfaces. The partitioning of these blocks is described in Section 5.1.1 and Section 5.1.2. The behavior of each FB was documented through state diagrams, which were subsequently used to develop the program. The methodology for translating state diagrams into programs is outlined in [13]. The program itself was created using the STEP7 Distributed Safety software tool version 5.7.
The safety validation process was conducted for each safety function. Component failure rates were determined using the MTBF Calculator software version 4.0 and manufacturer-provided data. Analytical relationships for calculating the dangerous failure rates of the safety functions are derived in Section 8. Numerical calculations were performed using Microsoft Excel.

3. Risk Analysis

Risk analysis is applied in various sectors (e.g., railway transport [14,15], aviation [16], and industry [17,18]). It aims to identify potential hazards (including their consequences) and determine the tolerable hazard rate (THR). Risk analysis is part of the system’s life cycle (LC). Figure 2 illustrates the fundamental activities that must be performed during risk analysis.
Risk can be assessed using qualitative methods (e.g., [19]), quantitative methods (for example, [20]), or a combination of these approaches (e.g., [21]). The overall tolerable hazard rate is derived based on risk tolerance criteria, which differ for each application domain. Examples of risk analysis in the industry can be found in [22,23,24,25]. Given that the CNC milling machine most closely resembles industrial equipment, the risk analysis can be guided by the standard [12].
The following chapters discuss in more detail the individual components of the risk analysis process as applied to a CNC milling machine.

3.1. System Definition

The CNC milling machine was designed to machine wood and other soft materials. It can process materials up to a thickness of 5 mm, with an optimal cutting depth of 0.7 mm and a feed rate of 400 mm/min for wood. These parameters may vary, depending on the tool diameter and the hardness of the material being machined. The machine is a 3-axis mill, allowing simultaneous control of all three axes. Each axis is driven by a bipolar stepper motor, with the control unit for each motor electrically isolated from the control computer via an optocoupler.
The spindle has a power output of 130 W, allowing speed adjustment between 8000 rpm and 30,000 rpm. The material to be machined is clamped onto a worktable with T-slots, which enable secure fastening of the material using bolts and nuts. The milling machine is connected to the control computer via a USB port. The CNC milling machine workstation is shown in Figure 3, and the machine’s basic technical specifications are provided in Table 1.

3.2. Hazards Identification and Analysis of Their Consequences

Based on the system definition, a causal analysis can be performed to estimate the occurrence rates of hazards. When identifying hazards, it is crucial to consider the human factor, i.e., paying attention to errors that human actions may cause.
The analysis of hazard consequences focuses on estimating potential outcomes if a hazard occurs. Each operational situation and the associated hazards must be evaluated individually, and the consequences of each hazard should be estimated separately. In general, the consequences of hazards may include loss of life, personal injury, environmental harm, and significant economic losses.
The safety of the CNC milling machine was initially based solely on organizational measures. Consequently, when identifying risks associated with the CNC milling machine, it was assumed that a trained individual (compliant with organizational measures, such as an operator) might, after switching the CNC milling machine to service mode (a process achievable only through a strictly defined procedure described in Section 7.2), operate the machine as if it lacked the designed safety functions. Only potential hazards concerning untrained individuals aged 14 and older were considered during the risk identification process. Under this assumption, any reasonably justifiable behavior of untrained individuals must be considered.
Given the parameters of the CNC milling machine, we can exclude the risks of loss of life, environmental harm, and extensive economic losses. However, we must address the possibility of potential personal injury. The procedure for risk analysis and mitigation was conducted using the methodology outlined in [26], which, according to [26], is elaborated in [12].
From this perspective, we have identified the following hazards that could result in injury:
  • Contact with the rotating spindle (or the attached tool);
  • Catching a strand of hair in the rotating spindle;
  • Breakage and ejection of a machining tool;
  • Crushing injuries caused by the extension of the rail from the side of the machine;
  • Machining without the spindle being turned on (risk of material or tool breakage, leading to ejection and potential injury).
The results of the hazard consequence analysis for the CNC milling machine are presented in Table 2.

3.3. Determination of the Resulting Risk and the Tolerable Hazards Rate

The resulting risk must be determined for each hazard. One way to do this is to determine the risk based on the relevant risk parameters (also considered in the standard [12]). The individual risk parameters are shown in Figure 4.
Risk parameters must be determined separately for each hazard (H1 to H5). The risk parameter values for hazards H1 to H5, as determined according to [12], are presented in Table 3. The parameter Se defines the severity of the possible harm and is rated by numbers (1—the least serious; 4—the most serious). The parameter Fr determines how often people are in the dangerous zone and how long they tend to stay there (1—low duration and frequency of exposure; 5—long duration and high frequency of exposure). The parameter Pr evaluates the probability of occurrence of a hazardous event (1—negligible; 5—very high). The parameter Av indicates the potential for harm mitigation in a hazardous incident. For this parameter, three values are possible (1—probable; 3—rarely; 5—impossible). This table also includes the values for the probability of harm occurrence (Cl). Harm occurrence probability is determined by the sum of the values for Fr, Pr, and Av (the meanings of these abbreviations are provided in Figure 4).
In accordance with [12], we determined the Safety Integrity Level (SIL) based on the severity of the possible harm and the probability of harm occurrence. The SIL determination was carried out as shown in Table 4, where the combination of the possible harm severity and probability of harm occurrence defines the resulting SIL. The abbreviation OM in Table 4 indicates that alternative measures (e.g., enhanced organizational measures) should be applied. The resulting SILs for hazards H1 to H5 are presented in Table 5.

4. Safety Functions

In the previous chapter, an SIL was determined for each identified hazard, specifying the level at which the hazard must be eliminated. This chapter defines the safety functions (SFs), which represent the technical implementation of measures to eliminate these hazards.

4.1. Safety Function SF1 for the Elimination of Hazard H1

SF1: The CNC milling machine’s workspace, where the machining mechanism operates, must be protected against the intrusion of a limb (e.g., a hand). Any limb insertion into the machine’s workspace must trigger the immediate stop of the milling machine or prevent it from starting. This safety function must meet SIL 2.

4.2. Safety Function SF2 for the Elimination of Hazard H2

SF2: The spindle of the milling machine must stop or be prevented from starting if hair (e.g., a strand) from any person is detected within the workspace. This safety function must meet SIL 3.

4.3. Safety Function SF3 for the Elimination of Unpredictable Hazards

SF3: An emergency stop button is provided to eliminate unpredictable hazards. This button immediately stops all moving parts in any operational state. Since this safety function must eliminate any risk, we assume it must comply with the highest SIL (SIL 3) assigned to all safety functions.

4.4. Clarification of System Requirements for Safety Functions

Typical requirements for SF1 and SF2 can be defined as follows:
  • The safety functions must be implemented in a way that allows visibility of the milling tool and the workpiece;
  • The safety functions must ensure that emergency stops do not cause material harm (e.g., destruction of the workpiece or breakage of the milling tool);
  • SF1 and SF2 must allow trained and instructed persons to interact with the machine’s workspace during operation (e.g., for material clamping, adjustment, and maintenance); this does not apply to SF3, as the emergency stop button must respond immediately in any operational state.

5. SRCS Proposal

A fundamental requirement in designing an SRCS that implements defined safety functions (SFs) is to adhere to a process that ensures the achievement of the specified SIL. In each specific case, it is necessary to demonstrate the achievement of the required SIL. Depending on the system’s nature, the demonstration of safety may focus on hardware and/or software. Examples of different approaches can be found in [27,28].
Two approaches are commonly employed to meet these requirements:
  • Using components with a defined SIL: This approach simplifies both the design and subsequent verification of the achieved SIL;
  • Using standard components without a defined SIL: The required SIL is achieved through an appropriate system architecture. Although this approach is more complex in design, implementation, and verification, it is justified when suitable commercially available components with a declared SIL are unavailable. Similar methods have been used in [13], where system architecture influences safety and other system properties [29]. This option is more challenging in both design and implementation, as well as in proving the achieved SIL.
In this paper, the SRCS design combines both approaches. A safety PLC controls the logic with a declared SIL3 (under specific conditions), while the sensors and output interface were designed using standard components within a dual-channel architecture. This hybrid approach was chosen because the SRCS was designed as an embedded system, and commercially available components were unsuitable for this application. For example, existing commercially available optical barriers are unusable for addressing potential access by children, as their beam spacing might allow a child’s hand to pass undetected.

5.1. Basic Architecture of the SRCS

Figure 5 presents the block diagram of the SRCS, with each block representing a subsystem:
  • Sensors detect the current state of the monitored variables;
  • The input interface transmits sensor data to the logic in a format that can be processed;
  • The logic determines actions for the actuators based on sensor inputs;
  • The output interface translates the logic’s decisions into commands for the actuators.

5.1.1. Implementation of Safety Functions in a Functional Block Structure

The architecture concept of the SRCS is based on a Functions block structure. Each safety function is divided into functional blocks (FBs). Every function block results from the analysis of a given safety function. These blocks are assigned to subsystems. The term “subsystem” is defined in standard [12] as an entity of the top event of the SRCS architectural structure, where a failure in one subsystem leads to the failure of the associated safety function. Each subsystem contains components and, if necessary, diagnostic functions that enable the early detection of failures and appropriate measures to be taken. Diagnostic functions are considered separate from the safety functions and can be performed within one subsystem or another. The subsystem must have at least the same SIL as the safety function it supports. If a subsystem supports multiple safety functions (SFs), it must meet the requirements of the highest SIL among the SFs it realizes. Meeting this requirement is a necessary, but not sufficient, condition for achieving the required SIL for a safety function; this must consistently be demonstrated through calculation and qualitative analysis for each SF.
The safety requirements for each FB are derived from the safety requirement specifications of the corresponding safety function. When translating SFs into FB structures, the input and output interfaces are not considered separate parts because, due to the technology used, the interfaces are integrated within the logic. Figure 6 illustrates the transformation of the safety system into function blocks for SF1. A similar approach can be applied to translating other SFs into function blocks.

5.1.2. Assignment of Function Blocks to Subsystems Within the Architecture

FBs can perform functions in various SFs, meaning they can be part of multiple subsystems. The assignment of FBs to subsystems is illustrated in the block diagram in Figure 7. Appropriate hardware components must be used to ensure the proper function of each subsystem. Monitoring entry into the workspace (subsystem 1) can be implemented using light curtains or optical barriers. However, commercially available light curtains were unsuitable for this application, primarily due to the CNC milling machine’s dimensions and the available barriers’ sizes. Therefore, a solution that employed standard optical barriers (without a declared SIL) was selected, with safety achieved through an appropriate architectural design. A dual-channel architecture was suitable given the required SIL for the safety functions and the components’ characteristics.
The logic of the SRCS (subsystem 2) is based on a safety PLC with a declared safety level, so the focus here is on the software responsible for processing the information from subsystem one and providing data for subsystem 3. The safe stop of the CNC machine (subsystem 3) must ensure the controlled halt of both the spindle and the machine itself, and it must cooperate with the CNC control system to avoid a “hard” power disconnection. A hard shutdown prevents the resumption of machining after the cause of the stop is resolved, potentially damaging the workpiece. Subsystem 3 utilizes a disconnection relay and a dual-channel architecture for added safety.
Figure 8 presents the block diagram of the assignment of FBs to subsystems and their involvement in the implementation of SFs. The block diagram assumes the use of standard components. Subsystem 1 is responsible for detecting the workspace and providing information about any breach to subsystem 2. Subsystem 1 consists of optical barriers 1A–9A and 1B–9B, with the dual architecture evaluating each pair of optical barriers (e.g., 1A with 1B and 2A with 2B), physically placed next to each other. Each optical barrier is equipped with a relay. When the optical beam is uninterrupted, the relay is energized, and its output contact is closed. If the beam is interrupted, the relay is de-energized, and the output contact is opened. This configuration ensures that in the case of a fault (e.g., wire breakage and power failure), the error results in the relay not being energized and the contact remaining open. An open relay contact indicates either a breach in the monitored space or a fault, which must lead to the safe shutdown of the CNC milling machine. Subsystem 2 evaluates the information from the relay contacts and issues the command for a safe stop. Subsystem 3 executes the instructions for subsystem 2 through the disconnection relays.
Figure 9 illustrates the components of the SRCS and their assignment to individual subsystems. The contacts in the input elements block are used for operation with the system, with further details provided in the operation specification (Section 6.2). The stop button, designed with a dual-channel architecture, stops the milling machine in the event of an undesirable situation. One pair halts the program’s execution (G-code, a language used to control CNC machines), the second disconnects the spindle power supply, and the third disconnects the power to the feed drives of the CNC milling machine.

5.2. Selection and Design of Safety System Elements

Figure 10 presents a simplified 3D model of the CNC milling machine, where the hatched area represents the area of the hazardous zone. The image also marks the pillars where optical transmitters and receivers are mounted. The arrangement of the optical sensors and transmitters from the front view of the milling machine is illustrated in Figure 11. The red color represents the transmitters, while yellow represents the receivers. The distance between the optical barriers is 92.5 mm. This distance is designed to ensure the reliable detection of entry into the protected area by individuals within the target group. If the target group includes younger children (younger than the assumed age of 14), it is necessary to reduce this distance. There is a more significant gap in the lower section, from the bottom of the structure, as the milling machine’s worktable moves in this area. The positioning and distances of the sensors on the right and left sides of the machine are identical.

5.2.1. PLC Modules

PLC modules used in the SRCS are listed in Table 6.

5.2.2. Optical Barrier Design

The designed optical barrier operates in the infrared spectrum at a wavelength of 950 nm. Each beam is frequency-modulated to prevent interference between two adjacent beams (between two channels) of the optical barrier. Eliminating mutual interference is one of the conditions for the mutual independence of channels in a dual-channel architecture (principles outlined in [30] can be used when assessing mutual interference). Channel A operates at a frequency of 30 kHz, and channel B operates at 56 kHz. A second factor preventing the interference between adjacent beams is a suitable arrangement of transmitters and receivers. This configuration is illustrated in Figure 11. The transmitter of channel A (vA1) is placed next to the receiver of channel B (pB1), and the transmitter of channel B (vB1) is placed next to the receiver of channel A (pA1). This arrangement ensures that no receiver detects light from both transmitters simultaneously. This principle is applied to placing all transmitters and receivers. The optical properties are further enhanced by placing the transmitting LEDs in black plastic tubes, reducing the emission angle and minimizing unwanted light scattering.
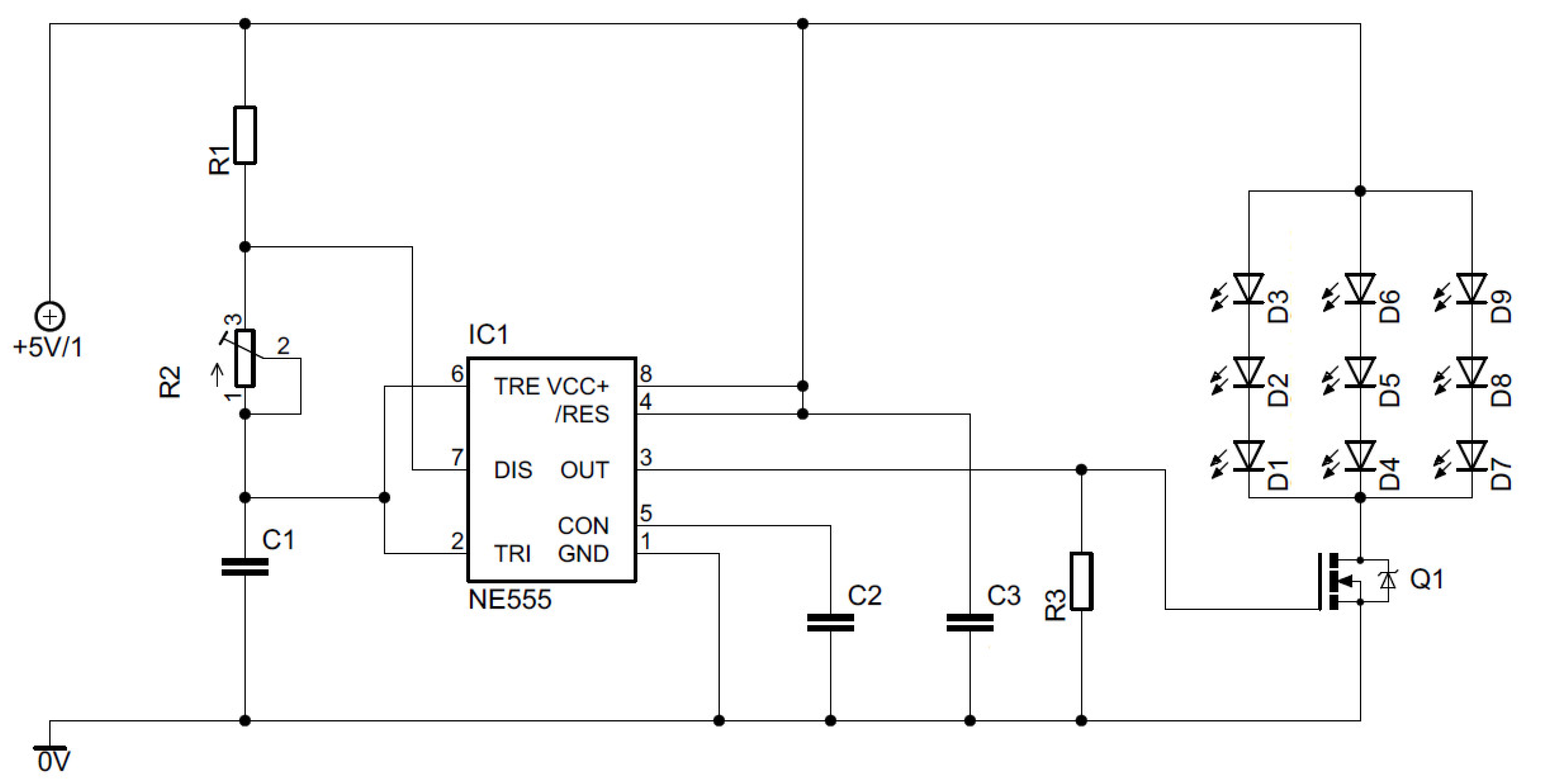
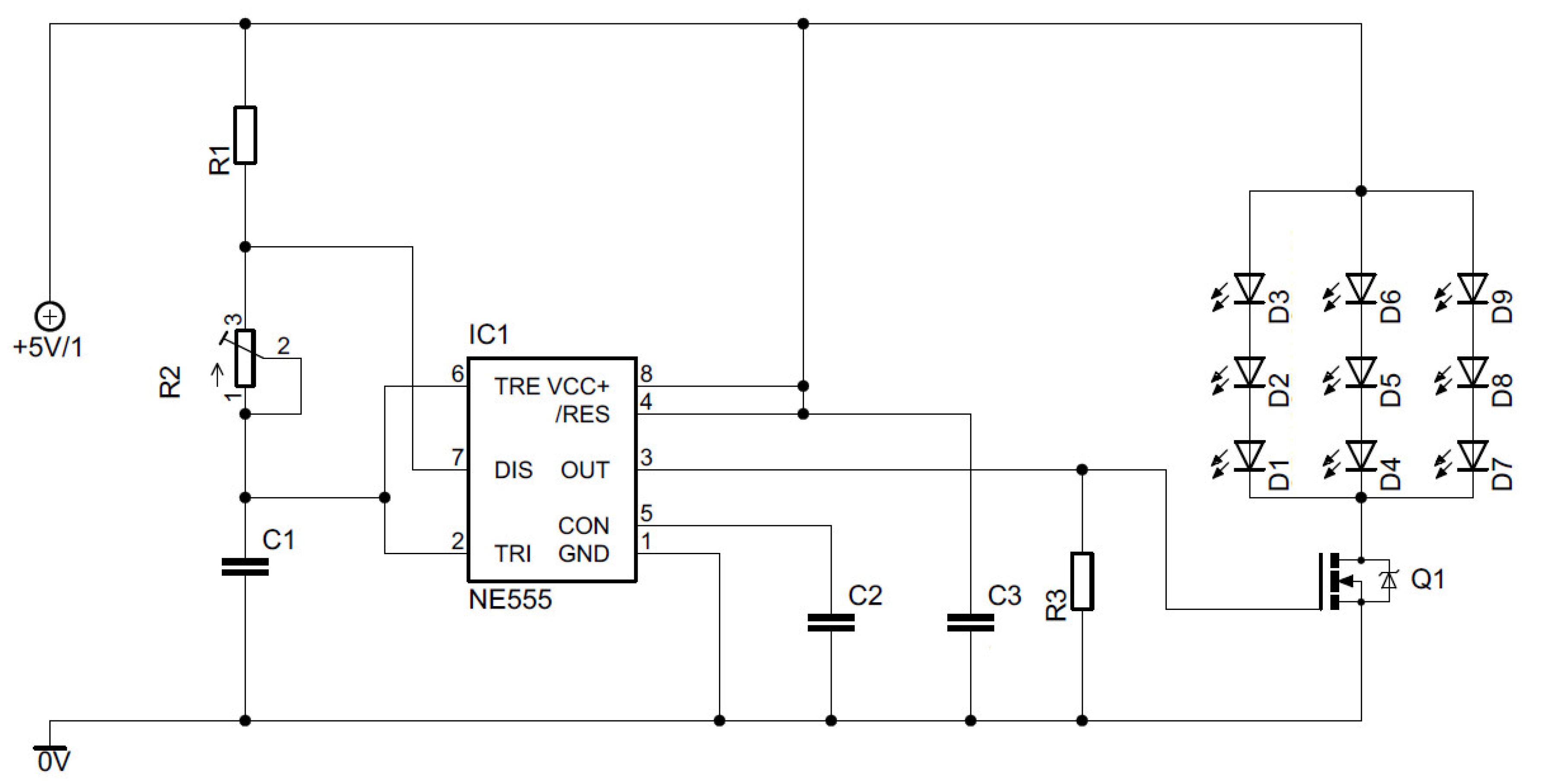
The NE555 integrated circuit is used to achieve frequency modulation of the emitted light. The wiring diagram is presented in Figure 12. The required frequencies are set using resistors R1, R2, and capacitor C1. The frequency generated by the circuit can be calculated using the following equation:
f = 1.4 ( R 1 + 2 R 2 ) C 1 .
Table 7 provides the component parameters used in the wiring diagram shown in Figure 12. Both channels (channel A with 9 LEDs and channel B with 9 LEDs) are identical, and the required difference in the generated frequencies is achieved using a trimmer (R2). This trimmer is selected to allow adjustment to both frequencies as needed. The transmitters are powered by a +5 V DC (Direct Current) supply.
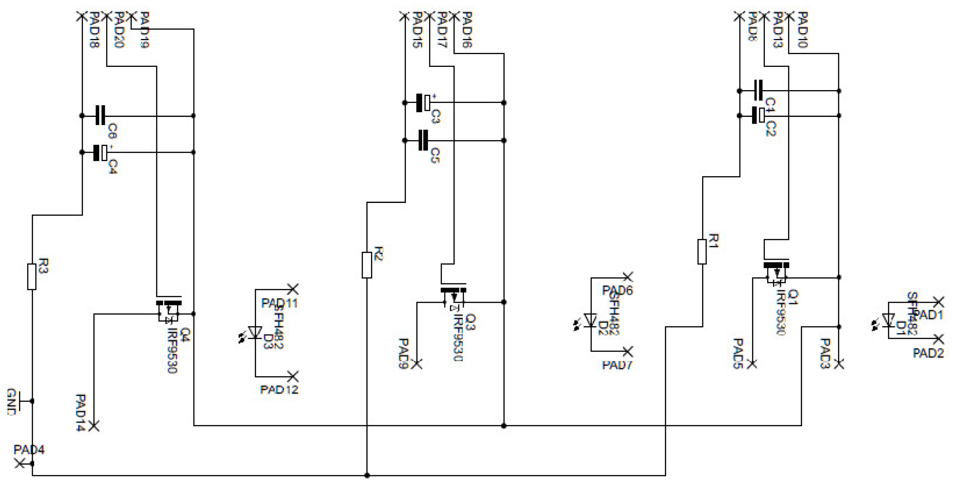
Figure 13 shows the schematic of the optical barrier receivers. Both channels have identical schematics, except that the component TSOP31230 (channel A) is replaced by TSOP31256 (channel B). These components contain a photodiode and decoding electronics. When no infrared light of the appropriate frequency illuminates the sensing part of the component, its output is +5 V (logic 1). When infrared light of the appropriate frequency illuminates the sensing part, the output will be 0 V (logic 0). The output from the component is connected to the gate of the MOSFET Q1, which is open when the gate input is 0 V. Opening the MOSFET Q1 causes the relay K1 armature to be pulled in. Ultimately, the relay K1 armature is pulled in when infrared light of the appropriate frequency illuminates the receiving part of the TSOP312xx. A list of components required for construction is given in Table 8. A +5 V DC supply powers the optical barrier receivers.

5.2.3. Output Circuit Design

The disconnection of the drive power supplies is implemented using two independent relays and protective diodes (Figure 14). The relays are switched through the terminals PAD1 to PAD4. Power to the CNC machine is supplied through the terminals PAD5 and PAD6. The same method is applied to disconnect the spindle power and halt the machine’s program. These three output circuits are identical, but they are three mutually independent circuits with galvanically isolated output contacts (each component for disconnection operates in a different voltage system). It is sufficient to disconnect the CNC machine power to ensure a safe state (this refers to the Safety Function STO (Safety Torque Off) as defined in [31]); halting the program provides feedback to the control computer, allowing the program to resume after the causes of the emergency stop are resolved, preventing damage to the workpiece. The circuits for disconnecting the drive and spindle power are on the main PCB (Printed Circuit Board). The circuit for halting the program execution is on a separate PCB.

6. SRCS Realization

The SRCS described in Section 5 is physically divided into two parts. One part is located on the pillars of the milling machine, while the other is housed in a separate box next to the milling machine. Each part has its own PCB.

6.1. Electronics on the Pillars

The pillars house the emitting diodes, which receive signals from the generator (the generator is located in a box with electronics). In addition to the diodes, a part of the electronics, namely the receiving element and part of the signal amplification circuit, is located on the pillars. The amplified signal is transmitted to the next part (inside the box), where it is further processed. The schematic of the electronics placed on the pillars is presented in Figure 15. The PCBs come in two configurations (Figure 16), as the opposite-facing boards must be mirrored to ensure the receiver is always aligned with the emitter.

6.2. Processing Electronics

The box next to the milling machine contains the electronics responsible for evaluating the LED signals and the relay systems that disconnect the power supply to the drives, spindle, and milling program. Each channel contains nine output relays whose contacts are connected in series (Figure 17). The circuit is implemented on a PCB, as shown in Figure 18.

7. Programming the Safety PLC

The SRCS is programmed using STEP 7 software and its integrated S7 Distributed Safety extension, utilizing the Ladder Diagram (LAD) programming language.

7.1. Program Development

The core of the SRCS is the Simatic Safety PLC. The Safety PLC input module has seven inputs connected, and the output module has six outputs connected. Table 9 presents the list of inputs and describes their respective functions. Table 10 describes the outputs with functions.
The state diagram in Figure 19 shows that the system operates in three possible states. State S1 is the safe state where all relays are disconnected. State S2 represents the standby mode, in which the system responds to interruptions in the optical barriers. To transition from state S1 to state S2, the conditions STOP = 1, SOZ = 1, and NPS = 1 must be met. The transition conditions are described in Table 11, with the meanings of the abbreviations detailed in Table 9 and Table 10. The system transitions from state S2 to state S1 when the optical barrier system is interrupted (SOZ = 0) or the emergency stop button is pressed (STOP = 0). During the transition from state S2 to state S1, the relay controlling the spindle power and program halt is disconnected first, followed by a 50 ms delay before disconnecting the drive power supply. This delay ensures the fastest possible mitigation of the hazard (stopping the spindle) while also ensuring the CNC machine’s position is not lost (the drive power is disconnected after the CNC control system halts the drive; after resolving the cause of the stop, the machining process can resume). State S3 is the service mode during which the system does not respond to optical barrier interruptions, allowing the operator to operate in the spindle area without stopping the machine. The transition from state S2 to state S3 requires the conditions STOP = 1, SOZ = 1, and VBS = 1 to be fulfilled. To move from state S3 to state S2, the conditions STOP = 1, SOZ = 1, and VBS = 0 must be met. Transitioning from state S3 to state S1 occurs when the emergency stop button is pressed (STOP = 0). This transition ensures that the emergency stop button will safely halt the milling machine during maintenance mode.

7.2. Safety System Operation

A simple interface was designed to operate the SRCS. In the interface design, care must be taken to minimize operator errors as much as possible (the influence of human factors on control systems is discussed, for example, in [32]). The description of the interface used for the SRCS operation is provided in Table 12. Upon connecting the SRCS to the power source, the system enters a safe state, with the CNC machine being disconnected from the power supply. By pressing the RESTART button and turning the key (KLUC) from the horizontal to the vertical position, the system changes the state to standby mode, and the CNC machine is connected to the power supply. The switch VYPBEZ toggles between the CNC machine’s normal and service modes. For regular operation, the switch must be in position “0”, and for service mode, it must be in position “1”. Since mode switching can only be performed by an authorized person, switching must always be confirmed using the key button. The default position of the key is horizontal. If the key (KLUC) is not in the horizontal position at the start, the procedure requires turning the key from vertical to horizontal and then from horizontal to vertical. For instance, if we want to turn on the spindle or perform any manipulation within the protected area, we toggle the VYPBEZ to position “1” and turn the key to the horizontal position. There must be no more than a 1 s delay between switching the VYPBEZ and the key; otherwise, the system will revert to a safe state. The switch VYPBEZ must be set to position “0” to return the system from service mode to standby mode, and the key must be turned to the vertical position. Again, there must be no more than a 1 s delay between these actions; otherwise, the system will enter a safe state. The system immediately enters a safe state if the emergency stop button (STOP) is pressed.

8. SRCS Safety Assessment

To demonstrate compliance with the established safety requirements (Section 4), it is necessary to determine the rate of hazardous failures for the hardware components responsible for implementing the safety functions SF1, SF2, and SF3. This involves calculating the hazardous failure rates of the individual hardware components. For the safety PLC, the manufacturer provides the failure rates directly for the various modules. However, for the optical barriers and output circuits, the hazardous failure rates must be calculated based on the failure rates of the individual components that make up these circuits. The failure rates for individual components were obtained using manufacturer data and the MTBF Calculator software version 4.0, which is publicly available [33]. Alternatively, failure rates could be determined through operational data analysis. The following assumptions were respected when calculating hazardous failure rates:
-
The failure rates for basic components were determined for a temperature of 40 °C (as the designed system operated under laboratory conditions at typical room temperatures ranging between 18 °C and 24 °C);
-
From the perspective of the reliability of individual circuits (Section 5.2.2 and Section 5.2.3), a serial model was assumed, meaning that the failure of any component resulted in the fault of the entire circuit;
-
In accordance with [12], it was assumed that 50% of failures were hazardous failures (i.e., a symmetrical failure);
-
For electromechanical components, an exponential distribution approximation was assumed, following [12], based on manufacturer-provided parameters and the operational load on the components.

8.1. Hazardous Failure Rates of SRCS Hardware Components

Based on the assumptions above, manufacturer data, and the MTBF Calculator software tool version 4.0, the hazardous failure rates for the SRCS hardware components are summarized in Table 13.

8.2. Calculation of Hazardous Failure Rates for SF1 and SF2

The safety functions SF1 and SF2 utilized the same hardware components; hence, their hazardous failure rates were identical. The following equation applies:
λ S F 12 H ( t ) = λ O Z H ( t ) + λ V Z S H ( t ) + λ P L C H + λ O D S H ( t ) ,
where λ S F 12 H ( t ) is the hazardous failure rate for SF1 and SF2, λ S O Z H ( t ) is the hazardous failure rate of the optical barrier, λ V Z S H ( t ) is the hazardous failure rate of the CNC machine control elements, λ P L C H is the hazardous failure rate of the safety PLC, and λ O D S H ( t ) is the hazardous failure rate of the output system.
The optical barrier, control elements, and output system are part of a dual-channel system. For a dual-channel system, the following general equation applies:
P S H t = P A H t . P B H t ,
where P S H t is the probability of a hazardous failure in the dual-channel system, P A H t is the probability of a hazardous failure in channel A, and P B H t is the probability of a hazardous failure in channel B.
Assuming an exponential distribution of failures for channels A and B, it is valid that:
P S H t = 1 e λ A . t . ( 1 e λ B . t ) ,
where λ A and λ B are the hazardous failure rates for channels A and B, respectively.
Under these assumptions, the relation between the hazardous failure rate of the dual-channel system ( λ S H ( t ) ) and its hazardous failure probability ( P S H t ) is given by:
λ S H ( t ) = P S H t d t 1 P S H t
Applying Equations (3)–(5) to the dual-channel systems of the optical barrier, control elements, and output system, Equation (2) can be modified as follows:
λ S F 12 H = 2 λ O Z A H λ O Z B H t + 2 λ V Z S A H λ V Z S B H t + λ P L C H + 2 λ O D S A H λ O D S B H t .
Equation (6) holds under the assumption that λ . t 1 , which is satisfied in this case.
The hazardous failure rate of the safety PLC is treated as a constant, provided by the manufacturer for the maximum operating time, which is set at 20 years, by industry standards and practices (for example, [12,34]; see [35] for a comparison between standards [12,34]).
Substituting the hazardous failure rates from Table 13 into Equation (6), we obtained the following equation:
λ S F 12 H = 1.83914 × 10 10 · t + 1.11 × 10 8 ,
From this, the operational time of the system, based on the maximum allowable hazardous failure rate, can be expressed—the required SIL determines this. For SF1, the required level is SIL2, while for SF2, it is SIL3 (as discussed in Section 4). Given that SF1 and SF2 are implemented using the same hardware components, the higher SIL must be considered to determine the operational time. Then, the following equation is valid:
t < λ S F 12 H 1.11 × 10 8 1.83914 × 10 10   h .
By substituting the most unfavourable hazardous failure rate within the range of 10 8 λ S F 12 H < 10 7 (the range defined for SIL3), Equation (8) yields an operating time of 483.38 h, approximately 20 days. During this period, the embedded SRCS system designed for the CNC machine can operate continuously. By this time, it must be retested for functionality. Given the designed circuits, this retesting occurs with every power-off and power-on cycle of the CNC machine. In the specified conditions, this happens at least once a day, thus meeting this requirement, and it can be concluded that SF1 and SF2 fulfil the SIL3 requirement.

8.3. Calculation of the Hazardous Failure Rate for SF3

SF3 is implemented using the emergency stop button, the safety PLC, and the output circuit. The following equation applies:
λ S F 3 H = 2 λ E S A H λ E S B H t + λ P L C H + 2 λ O D S A H λ O D S B H t ,
where λ S F 3 H is the hazardous failure rate for the safety function SF3, and λ E S A H and λ E S B H are the hazardous failure rates of the emergency stop button contacts. For the SIL3 requirement for SF3, the continuous operational time can be determined using the same procedure as in Section 7.2 for SF1 and SF2, yielding a continuous operational time of 12.3 years. Similar to SF1 and SF2, the emergency stop button was tested far more frequently during normal operation, thus meeting the SIL3 requirement for SF3.

8.4. Software Testing and Safety System Response

The software developed for the PLC was tested using test scenarios that verified its functionality during normal operating conditions and anticipated fault conditions. Due to the scope of this paper and the extensiveness of the tests, detailed descriptions of the tests are not listed in this article.

9. Discussion

A typical approach in designing and implementing machinery, including small CNC milling machines, involves analyzing potential hazards as early as the concept phase. This approach eliminates risks through design modifications (as discussed in [26]). Hazards that cannot be eliminated by design are mitigated through technical or organizational measures.
The method described in this paper implements safety functions via an embedded system. No publicly available statistical data can be utilized for the risk analysis of CNC milling machines. According to the U.S. Bureau of Labor Statistics, more than three injuries per 100 full-time machine workers occurred in 2019 [36]. However, this statistic pertains to commercially used CNC machines and is irrelevant to our application. Therefore, the design and realization follow fundamental principles used in machinery (primarily outlined in standards [12,34]), with a specific focus on designing an embedded system that offers the required safety features while interfacing with the original control system of the CNC milling machine. This design significantly enhances the machine’s operational safety, making it suitable for applications where it was not before possible without strong organizational measures (e.g., public demonstrations and child accessibility), which is the main advantage of this approach.
Using standard components and applying an appropriate architecture to achieve the required safety properties represents a more complex approach to implementing the SRCS than commercially available fail-safe components. This complexity arises in design, construction, and verification of the achieved safety integrity level. However, where the benefits outweigh the drawbacks, this approach is justified. In this case, it has allowed for functional and dimensional integration of the embedded system into the CNC milling machine.
Available scientific studies focus on the safety of industrial CNC milling machines or CNC machining centers. Therefore, comparing these solutions with the approach presented in this paper is not entirely appropriate, as it would involve contrasting systems designed for different applications and operational modes. However, it can be stated that our solution offers improved visibility of the workspace and, when using the service key to disable the SF1 and SF2 safety functions, provides better access to the workspace compared to enclosing it with a transparent cover (a solution commonly employed in industrial applications).
One disadvantage of the proposed solution is that the power supply to the stepper motors is disconnected when activating an emergency stop on the CNC milling machine. Although the CNC machine’s control system is informed of the impending disconnection and stops motor movements, the power cut-off can cause slight inaccuracies (tenths to hundredths of a millimeter) when resuming machining operations. For workpieces with lower precision requirements, this is inconsequential, but for precision components, it could lead to their deterioration. In this application, given the value of the machined parts, this issue is considered an acceptable risk (involving relatively small material losses).
One potential solution to this issue is using servo drives with integrated safety functions. Using servomotors would increase the cost of manufacturing the machine several times. For the CNC milling machine, servo drives with safety features such as Safety Limited Speed or Safe Operating Stop could be used (safety functions are defined in [31]; a suitable servo drive would be, for example, the SINAMICS S210 [37]).

10. Conclusions

This paper discusses the design of an embedded system that implements safety functions. While using embedded systems for this purpose is rare, the paper demonstrates that it is feasible and advantageous.
The proposed method for implementing safety functions can also be applied to other applications where the original system is used in conditions different from those for which it was initially designed. Of course, this requires a risk analysis followed by the design of safety functions.
The paper highlights that the required SIL for the safety functions can be achieved using suitable standard components and an appropriate architecture. In this case, a dual-channel architecture is utilized, and the article captures essential aspects of the design, implementation, and validation of safety functions. In laboratory conditions, this solution has proven advantageous from multiple perspectives. Notably, it provides a dimensional adaptation of the proposed embedded system components to the actual dimensions of the CNC milling machine, which commercially available safety elements do not allow.
Another benefit of the proposed solution is its educational aspect. It demonstrates fundamental mechanisms of a dual-channel architecture in laboratory settings and illustrates the impact of failures of individual elements on safety.

Author Contributions

Data curation, J.Ž.; formal analysis, K.R.; investigation, J.H.; methodology, K.R.; project administration, J.B.; resources, J.Ž.; supervision, K.R.; validation, J.Ž.; visualization, J.H.; writing—original draft, J.H.; writing—review and editing, J.B. All authors have read and agreed to the published version of the manuscript.

Funding

This research received no external funding.

Data Availability Statement

All necessary data are given in this article (generated from equations).

Acknowledgments

This work has been supported by the project APVV SK-IL-RD-23-0002: Advanced Localization Sensors and Techniques for Autonomous vehicles and Robots.

Conflicts of Interest

The authors declare no conflict of interest.

References

  1. Racz, S.-G.; Breaz, R.-E.; Cioca, L.-I. Hazards That Can Affect CNC Machine Tools during Operation—An AHP Ap-proach. Safety 2020, 6, 10. [Google Scholar] [CrossRef]
  2. Cioca, L.-I.; Breaz, R.-E.; Racz, S.-G. Selecting the Safest CNC Machining Workshop Using AHP and TOPSIS Approach-es. Safety 2021, 7, 27. [Google Scholar] [CrossRef]
  3. Pačaiová, H.; Turisová, R.; Glatz, J.; Onofrejová, D. Sustainability Assessment of Machinery Safety in a Manufacturing Organization Using AHP and CART Methods. Sustainability 2024, 16, 3718. [Google Scholar] [CrossRef]
  4. Franco, I.T.; de Figueiredo, R.M. Predictive Maintenance: An Embedded System Approach. J. Control Autom. Electr. Syst. 2023, 34, 60–72. [Google Scholar] [CrossRef]
  5. Kafková, J.; Babusiak, B.; Pirník, R.; Kuchár, P.; Kekelák, J.; D’Ippolito, F. Seat to beat: Novel Capacitive ECG Integration for In-car Cardiovascular Measurement. Measurement 2025, 240, 115528. [Google Scholar] [CrossRef]
  6. Li, R.Y. Computer Embedded Automatic Test System based on VxWorks. Int. J. Embed. Syst. 2022, 3, 183–192. [Google Scholar] [CrossRef]
  7. Al-Dahoud, A.; Fezari, M.; AL-Dahoud, A. Embedding More Autonomous Safety in MCUs-Based Embedded Systems using Project-Based Learning (case study). Int. J. Inf. Educ. Technol. 2024, 18, 55–63. [Google Scholar] [CrossRef]
  8. Almubarak, H.; Sadegh, N.; Theodorou, E.A. Safety Embedded Control of Nonlinear Systems via Barrier States. IEEE Control Syst. Lett. 2022, 6, 1328–1333. [Google Scholar] [CrossRef]
  9. The European Parliament and The Council of The European Union. The European Parliament and the Council of 17 May 2006 of the European Union. Directive 2006/42/EC of the European Parliament and of the Council on Machinery, and Amending Directive 95/16/EC (recast). Off. J. Eur. Union 2006, 157, 24–86. [Google Scholar]
  10. The European Parliament and the Council of the European Union. Reguliation (EU) 2023/1230 of the European Parliament and of the Council of 14 June 2023 on Machinery and Repealing Directive 2006/42/EC of the European Parliament and of the Council and Council Directive 73/361/EEC. Off. J. Eur. Union 2023, 165, 1–102. [Google Scholar]
  11. Hutchinson, D.; Luria, G.; Pindek, S.; Spector, P. The Effects of Industry Risk Level on Safety Training Outcomes: A Meta-analysis of Intervention Studies. Safety Sci. 2022, 152, 105594. [Google Scholar] [CrossRef]
  12. IEC 62061; Safety of Machinery—Functional Safety of Safety-Related Control Systems. International Organization for Standardization: Geneva, Switzerland, 2021.
  13. Medvedík, M.; Ždánsky, J.; Rástočný, K.; Hrbček, J.; Gregor, M. Safety of Control Systems with Dual Architecture Based on PLCs. Appl. Sci. 2022, 12, 9799. [Google Scholar] [CrossRef]
  14. Kaczor, G.; Szkoda, M.; Machno, M. Hazard and Risk Analysis of Railway Vehicle Control Systems according to Safety Integrity Levels. Transp. Probl. 2023, 18, 179–192. [Google Scholar] [CrossRef]
  15. Liu, J.; Wang, Y.; Deng, C.; Jin, Z.; Wang, G.; Yang, C.; Li, X. Research on Safety Supervision and Management System of China Railway Based on Association Rule and DEMATEL. PLoS ONE 2023, 18, e0295755. [Google Scholar] [CrossRef] [PubMed]
  16. Tang, J.; Wang, D.; Ye, W.; Dong, B.; Yang, H. Safety Risk Assessment of Air Traffic Control System Based on the Game Theory and the Cloud Matter Element Analysis. Sustainability 2022, 14, 6258. [Google Scholar] [CrossRef]
  17. Kriaa, S.; Bouissou, M.; Laarouchi, Y. A new Safety and Security Risk Analysis Framework for Industrial Control Systems. J. Risk Reliab. 2019, 233, 151–174. [Google Scholar] [CrossRef]
  18. Alanen, J.; Linnosmaa, J.; Malm, T.; Papakonstantinou, N.; Ahonen, T.; Heikkilä, E.; Tiusanen, R. Hybrid Ontology for Safety, Security, and Dependability Risk Assessments and Security Threat Analysis (STA) Method for Industrial Sontrol Systems. Reliab. Eng. Syst. Saf. 2022, 220, 108270. [Google Scholar] [CrossRef]
  19. Pietrucha-Urbanik, K.; Studzinski, A. Qualitative Analysis of the Failure Risk of Water Pipes in Terms of Water Supply Safety. Eng. Fail. Anal. 2019, 95, 371–378. [Google Scholar] [CrossRef]
  20. Elhammady, K.; Fischmeister, S. Quantitative Risk Analysis with Qualitative Statements. In Proceedings of the 5th IEEE International Conference on Trust, Privacy and Security in Intelligent Systems and Applications (TPS-ISA), Atlanta, GA, USA, 1–3 November 2023. [Google Scholar]
  21. Allouch, A.; Koubâa, A.; Khalgui, M.; Abbes, T. Qualitative and Quantitative Risk Analysis and Safety Assessment of Unmanned Aerial Vehicles Missions over the Internet. IEEE Access 2019, 7, 53392–53410. [Google Scholar] [CrossRef]
  22. Dakkoune, A.; Verniéres-Hassimi, L.; Leveneur, S.; Lefebvre, D.; Estel, L. Risk analysis of French chemical industry. Saf. Sci. 2018, 105, 77–85. [Google Scholar] [CrossRef]
  23. Brito, I.; Leao, C.P.; Rodrigues, M.A. Risk Analysis and Risk Measures Applied to the Furniture Industry. In Innovations in Mechanical Engineering; Springer: Berlin/Heidelberg, Germany, 2022; pp. 113–121. [Google Scholar]
  24. Popa, C.; Holvoet, K.; Van Montfort, T.; Groeneveld, F.; Simoens, S. Risk-Return Analysis of the Biopharmaceutical Industry as Compared to Other Industries. Front Pharmacol. 2018, 9, 1108. [Google Scholar] [CrossRef] [PubMed]
  25. Rashoyan, I.I. Fire risk analysis in oil, gas and chemical industries. Nauka I Tehnol. Truboprov. Transp. Neft. I Nefteprod. Sci. Technol. Oil Prod. Pipeline Transp. 2019, 7, 353–357. [Google Scholar] [CrossRef]
  26. ISO 12100; Safety of Machinery—General Principles for Design—Risk Assessment and Risk Reduction. International Organization for Standardization: Geneva, Switzerland, 2010.
  27. Drlik, M. Methodology of Development and Validation of Software for Safety-related Parts of Control Systems in Stage Technology. MM Sci. J. 2019, 2019, 3673–3678. [Google Scholar] [CrossRef]
  28. Porras-Vazquez, A.; Romero-Perez, J. A new Methodology for Facilitating the Design of Safety-related Parts of Control Systems in Machines According to ISO 13849:2006 Standard. Reliab. Eng. Syst. Saf. 2018, 174, 60–70. [Google Scholar] [CrossRef]
  29. Zhang, Y.; Chen, Z.; Ma, K.; Chen, F. A Decentralized IoT Architecture of Distributed Energy Resources in Virtual Power Plant. IEEE Internet Things J. 2023, 10, 9193–9205. [Google Scholar] [CrossRef]
  30. Vestenický, P.; Hruboš, M.; Kolla, E. Evaluation of Contactless Identification Card Immunity against a Current Pulse in an Adjacent Conductor. Electronics 2023, 12, 4875. [Google Scholar] [CrossRef]
  31. IEC 61800-5-2; Adjustable Speed Electrical Power Drive Systems—Part 5-2: Safety Requirements—Functional. International Organization for Standardization: Geneva, Switzerland, 2007.
  32. Luozzo, S.D.; Starnoni, F.; Schiraldi, M.M. On the relationship between human factor and overall equipment effectiveness (OEE): An analysis through the adoption of analytic hierarchy process and ISO 22400. Int. J. Eng. Bus. Manag. 2023, 15, 1–13. [Google Scholar] [CrossRef]
  33. ALD Ltd. Free MTBF Calculator (Version 4.0); Windows; ALD Ltd.: London, UK, 2024. [Google Scholar]
  34. ISO 13849; Safety of Machinery—Safety-Related Parts of Control Systems—Part 1: General Principles for Design. International Organization for Standardization: Geneva, Switzerland, 2023.
  35. Chinniah, Y.; Nix, D.S.G.; Jocelyn, S.; Burlet-Vienney, D.; Bourbonnière, R.; Karimi, B.; Mosbah, A.B. Safety of Machinery: Significant Differences in Two Widely Used International Standards for the Design of Safety-Related Control Systems. Safety 2019, 5, 76. [Google Scholar] [CrossRef]
  36. RoboJob-USA. CNC Machine Shop Safety: Workforce Repetitive Task Reduction. 2023. Available online: https://robojob-usa.com/en/blog/cnc-machine-shop-safety-workforce-repetitive-task-reduction (accessed on 21 November 2024).
  37. Siemens. The New Servo Drive SINAMICS S210—More Features, More Possibilities. 2024. Available online: https://www.siemens.com/global/en/products/drives/sinamics/low-voltage-converters/servo-converter/sinamics-s210.html (accessed on 16 October 2024).
Figure 1. Simplified SRCS life cycle.
Figure 1. Simplified SRCS life cycle.
Electronics 13 04870 g001
Figure 2. Risk analysis process.
Figure 2. Risk analysis process.
Electronics 13 04870 g002
Figure 3. CNC milling machine, for which a risk analysis and SRCS design were carried out.
Figure 3. CNC milling machine, for which a risk analysis and SRCS design were carried out.
Electronics 13 04870 g003
Figure 4. Risk parameters.
Figure 4. Risk parameters.
Electronics 13 04870 g004
Figure 5. The block diagram of the SRCS.
Figure 5. The block diagram of the SRCS.
Electronics 13 04870 g005
Figure 6. SRCS in the function block structure for the safety function SF1.
Figure 6. SRCS in the function block structure for the safety function SF1.
Electronics 13 04870 g006
Figure 7. Assignment of FBs to subsystems and placement of system elements with safety components.
Figure 7. Assignment of FBs to subsystems and placement of system elements with safety components.
Electronics 13 04870 g007
Figure 8. Block diagram of assignment of FBs to subsystems and their participation in the implementation of SFs.
Figure 8. Block diagram of assignment of FBs to subsystems and their participation in the implementation of SFs.
Electronics 13 04870 g008
Figure 9. SRCS elements in individual subsystems.
Figure 9. SRCS elements in individual subsystems.
Electronics 13 04870 g009
Figure 10. The model of a CNC milling machine with a hazard zone highlighted.
Figure 10. The model of a CNC milling machine with a hazard zone highlighted.
Electronics 13 04870 g010
Figure 11. Placement of optical barrier pairs (sensors indicated in yellow; emitters indicated in red), mounted on the pillars.
Figure 11. Placement of optical barrier pairs (sensors indicated in yellow; emitters indicated in red), mounted on the pillars.
Electronics 13 04870 g011
Figure 12. Wiring diagram for an optical barrier transmitter.
Figure 12. Wiring diagram for an optical barrier transmitter.
Electronics 13 04870 g012
Figure 13. Wiring diagram for an optical barrier receiver.
Figure 13. Wiring diagram for an optical barrier receiver.
Electronics 13 04870 g013
Figure 14. Milling machine voltage disconnection circuit.
Figure 14. Milling machine voltage disconnection circuit.
Electronics 13 04870 g014
Figure 15. The wiring diagram of the electronics located on the pillars.
Figure 15. The wiring diagram of the electronics located on the pillars.
Electronics 13 04870 g015
Figure 16. DPS for the electronics located on pillars.
Figure 16. DPS for the electronics located on pillars.
Electronics 13 04870 g016
Figure 17. Connection of relay contacts for one channel.
Figure 17. Connection of relay contacts for one channel.
Electronics 13 04870 g017
Figure 18. PCB of the optical barrier transmitter, optical barrier receiver and disconnection relays with the component layout.
Figure 18. PCB of the optical barrier transmitter, optical barrier receiver and disconnection relays with the component layout.
Electronics 13 04870 g018
Figure 19. State diagram of the program for the PLC.
Figure 19. State diagram of the program for the PLC.
Electronics 13 04870 g019
Table 1. Technical parameters of the CNC milling machine.
Table 1. Technical parameters of the CNC milling machine.
ConstructionBosch Rexroth Aluminium Profiles
Work areaAxis Y: 400 mm
Axis X: 340 mm
Axis Z: 120 mm
The torque of the motors1.3 Nm
Spindle typeExtol Premium 130 W, 8000–30,000 revolution per hour
Machine accuracy±0.3 mm (dependent on the set machining parameters and the material of the workpiece)
Maximum feed rate540 mm·min−1
Overall dimensionsLength Y: 850 mm
Width X: 500 mm
Height Z: 550 mm
Table 2. Analysis of the consequences of hazards and their designation.
Table 2. Analysis of the consequences of hazards and their designation.
HazardDesignationConsequence of the Hazard
Contact with the rotating spindle (or the attached tool).H1
  • Abrasion of the limb
  • Drilling into the limb
Catching a strand of hair in the rotating spindle.H2
  • Hair pulling out
  • Serious head injury after getting hair caught
Breaking off the material, or tool and its ejection.H3
  • Eye injury
  • Scrapes
Contusions caused by the sliding bar from the side of the machine (for more extensive movements, the bar extends beyond the dimensions shown in Table 1).H4
  • Contusion
Machining without the spindle being turned onH5
  • Risk of material or tool breakage, and its ejection and potential injury of the eye or parts of the body (e.g., slashing a part of the body)
Table 3. Risk elements for hazards H1 to H5.
Table 3. Risk elements for hazards H1 to H5.
H1H2H3H4H5
Severity of the possible harm (Se)34313
Frequency and duration of exposure (Fr)54333
Probability of occurrence of a hazardous event (Pr)33323
Probability of avoiding or limiting the harm (Av)34111
Probability of harm occurrence (Cl)1111767
Table 4. Matrix for determining the SIL.
Table 4. Matrix for determining the SIL.
Severity (Se)Probability of Harm Occurrence (Cl)
3–45–78–1011–1314–15
4SIL 1SIL 2SIL 2SIL 3SIL 3
3 OMSIL 1SIL 2SIL 3
2 OMSIL 1SIL 2
1 OMSIL 1
Table 5. Resulting SILs for H1 to H5.
Table 5. Resulting SILs for H1 to H5.
HazardH1H2H3H4H5
The resulting SILSIL 2SIL 3SIL 0SIL 0SIL 0
Table 6. Used PLC modules.
Table 6. Used PLC modules.
PLC Module TypePLC Module Type Designation
Processor unitPLC Siemens Simatic IM 151-8 PN/DP CPU 6ES7 151-8FB01-0AB0
Digital input module6ES7138-4FA04-0AB0
Digital output module6ES7138-4FB03-0AB0
Power supply module6ES7138-4CB11-0AB0/ET200S POWERMODUL PM-E DC 24–48 V/AC 24–230 V
Table 7. List of optical barrier transmitter parts.
Table 7. List of optical barrier transmitter parts.
Designation in the
Schematic
ComponentQuantity
IC1IC (integrated circuit) NE5552
R1Resistor (3.9 kΩ)2
R2Trimmer (25 kΩ)2
R3Resistor (20 kΩ)2
C1Ceramic capacitor (1 nF)2
C2Ceramic capacitor (10 nF)2
C3Ceramic capacitor (100 nF)2
Q1MOSFET (Metal-Oxide-Semiconductor Field-Effect Transistor) IRF5302
D1–D9Infrared diode LD27118
Table 8. List of optical barrier receiver parts.
Table 8. List of optical barrier receiver parts.
Designation in the
Schematic
ComponentQuantity
IR1TSOP31230 (channel A) and TSOP31256 (channel B)9 (channel A) and 9 (channel B)
Q1MOSFET IRF953018
K1Reley 5 V–10 A/240 V—LEG518
D1Diode 1N400118
R1Resistor (47 Ω)18
C1Electrolytic capacitor (47 µF)18
C2Ceramic capacitor (100 nF)2
Table 9. Descriptions and functions of safety PLC inputs.
Table 9. Descriptions and functions of safety PLC inputs.
Designation of the InputDescription of the System InputFunction
SOZAOptical barrier system, channel ASensing the movement between the pillars
SOZBOptical barrier system, channel B
STOP1Channel 1 of the STOP buttonEmergency button—in case of an unwanted situation
STOP2Channel 2 of the STOP button
KLUCInformation from the key contact (status)Used for disabling the safety function and returning the system to operational mode
VYPInformation from the switch contactUsed for disabling the safety function
RESInformation from the switch REŠTART contact.Used for returning the system to operational mode
Table 10. Descriptions and functions of safety PLC outputs.
Table 10. Descriptions and functions of safety PLC outputs.
Designation of the OutputDescription of the System OutputFunction
ORN1Disconnection relay for power supply 1Disconnecting the entire milling machine from the power supply
ORN2Disconnection relay for power supply 2
ORV1Disconnection relay for spindle 1Disconnecting the spindle of the milling machine from the power supply
ORV2Disconnection relay for spindle 2
ORP1Disconnection relay for program 1Stopping the milling machine program
ORP2Disconnection relay for program 2
Table 11. Descriptions of transition conditions.
Table 11. Descriptions of transition conditions.
Abbreviation of Transition ConditionsDescriptions of Transition Conditions
STOPSTOP = 1 if the inputs STOP1 = 1 and STOP2 = 1, otherwise STOP = 0
SOZSOZ = 1 if the inputs SOZ1 = 1 and SOZ2 = 1, otherwise SOZ = 0
NPSNPS = 1 if the condition is met, that is, RES = 1 and input KLUC change from log “0” to log “1”, which means that the key will turn from a horizontal to a vertical position, otherwise NPS = 0
VBSVBS = 1 if KLUC = 1 and VYP = 1, otherwise VBS = 0
Table 12. Descriptions of contacts used in operation.
Table 12. Descriptions of contacts used in operation.
Designation of the ContactContact Description
RESTARTA red, spring-loaded button located on the left side of the front panel of the box with electronics. It is used when returning the system from a safe state to a standby state.
VYPBEZA switch located in the centre of the front panel of the box with electronics. It is used to toggle between the normal and service modes of the CNC machine.
KLUCA contact switch requiring a key to operate, located on the right side of the front panel of the box with electronics
STOPAn emergency stop button located in an accessible position near the CNC machine
Table 13. Hazardous failure rates of the SRCS hardware parts.
Table 13. Hazardous failure rates of the SRCS hardware parts.
Hardware PartHazardous Failure rate DesignationHazardous
Failure Rate [h−1]
Notation
Optical barrier transmitter λ S O Z V S H 1.88 × 10 8 Connection according to Figure 12. The value refers to a single channel of the dual-channel system with identical channels.
Optical barrier receiver λ S O Z P J H 9.55 × 10 6 Connection according to Figure 13. The circuit is repeated for each emitting diode, resulting in a total of 9 repetitions. The value refers to a single channel of the dual-channel system with identical channels.
Optical barrier λ O Z A H ,   λ O Z B H 9.57 × 10 6 The optical barrier consists of a unit made up of optical barrier transmitters and receivers. The value refers to a single channel of the dual-channel system with identical channels.
Elements for operating a CNC milling machine λ V Z S A H ,   λ V Z S B H 1.39 × 10 8 Section 7.2 provides further details regarding the control elements for operating the CNC milling machine. The value applies to one channel of the dual-channel system, where both channels are identical.
Safety PLC λ P L C H 1.11 × 10 8 The sum of the used safety PLC module’s hazardous failure rates determines the failure rate.
Output circuit λ O D S A H ,   λ O D S B H 6.36 × 10 7 Connection according to Figure 14. The value refers to a single channel of the dual-channel system with identical channels.
Emergency stop button λ O D S A H ,   λ O D S B H 9.25 × 10 8 The value refers to one channel (one contact) of the emergency stop button.
Disclaimer/Publisher’s Note: The statements, opinions and data contained in all publications are solely those of the individual author(s) and contributor(s) and not of MDPI and/or the editor(s). MDPI and/or the editor(s) disclaim responsibility for any injury to people or property resulting from any ideas, methods, instructions or products referred to in the content.

Share and Cite

MDPI and ACS Style

Brtiš, J.; Ždánsky, J.; Hrbček, J.; Rástočný, K. Development and Application of a Safety-Related Control System Implementing a Safety Function for a CNC Milling Machine. Electronics 2024, 13, 4870. https://doi.org/10.3390/electronics13244870

AMA Style

Brtiš J, Ždánsky J, Hrbček J, Rástočný K. Development and Application of a Safety-Related Control System Implementing a Safety Function for a CNC Milling Machine. Electronics. 2024; 13(24):4870. https://doi.org/10.3390/electronics13244870

Chicago/Turabian Style

Brtiš, Jozef, Juraj Ždánsky, Jozef Hrbček, and Karol Rástočný. 2024. "Development and Application of a Safety-Related Control System Implementing a Safety Function for a CNC Milling Machine" Electronics 13, no. 24: 4870. https://doi.org/10.3390/electronics13244870

APA Style

Brtiš, J., Ždánsky, J., Hrbček, J., & Rástočný, K. (2024). Development and Application of a Safety-Related Control System Implementing a Safety Function for a CNC Milling Machine. Electronics, 13(24), 4870. https://doi.org/10.3390/electronics13244870

Note that from the first issue of 2016, this journal uses article numbers instead of page numbers. See further details here.

Article Metrics

Back to TopTop